6. Вимірювання
параметрів кіл змінного струму.
Змінна
напруга промислової частоти має синусоїдальну форму
, а її миттєве значення характеризується наступними
параметрами:
Пікове
значення Um (для гармонійного коливання – амплітудне)
– це найбільше миттєве значення напруги u(t) за час вимірювання t (або за
період Т).
Середнє
значення за час вимірювання (або за період) – це постійна складова напруги
u(t):

Средньовипрямлене значення
(СВЗ) – середнє значення абсолютного значення напруги:

Средньоквадратичне
значення (СКЗ або діюче) – це додатній корінь квадратний з середнього значення
квадрата напруги:

Сукупність
значень змінної напруги є інтегральною характеристикою його форми. У практиці
вимірів для оцінок використовують коефіцієнти форми kф,
амплітуди kа, усереднювання kу
(таблиця): kф =U/Uсвз, ka=Um/Uскз,
ky= kф ka=Um/ Uсвз.
Для
вимірювання діючого значення змінних струму і напруги промислової частоти
найчастіше використовують ЕМ, ЕД, ФД прилади, на підвищених частотах -
термоелектричні, електростатичні, випрямні і електронні прилади. Прилади
прямого перетворення забезпечують вимірювання з похибкою не менше 0,1%.
Для
розширення границь вимірювання використовують ВТС і ВТН.
Широко
використовуються вимірювальні перетворювачі змінного струму і напруги в
постійний – це випрямні і
термоелектричні перетворювачі. Випрямні перетворювачі використовують
випрямлення (детектування) змінного струму за допомогою нелінійних елементів –
лампових або напівпровідникових діодів
(детекторів). Термоелектричні вимірювальні перетворювачі використовують нагрів
змінним струмом гарячого спаю термопари,
виникнення ТЕРМО-ЕРС і постійного струму в колі термопари.
Наприклад
термоелектричний компаратор.
Порівняння
діючих значень постійного і змінного струмів здійснюється за допомогою
термоелектричного перетворювача ТП
Термопара
– спай двох різнорідних електродів. При нагріванні точки спаю в термопарі
наводиться термоЕРС, значення якої залежить від
різниці температур між точкою спаю і вільними кінцями термопари, а також виду
матеріалу термопари. Точку спаю (робочу точку) розміщують на провіднику, який
нагрівається коли через нього проходить вимірювальний струм. При цьому
змінюється температура точки спаю, і термоЕРС.


Термоелектричний компаратор вимірювання
струму а) і напруги б)
Коли
перемикач в положенні 1 mV вимірює значення термоерс Ех=knIx2
(kn – коефіцієнт ТП),
залежне від діючого значення струму Іх, далі
перемикають перемикач в 2 і регулюють значення постійного струму Іо для отримання Ео, рівною Ех, тобто добиваються попереднього показу вольтметра.
Вимірявши значення постійного струму Іо компенсатором
визначаємо Іх= Іо. В схемі
вимірювання напруги є ще додатковий резистор в колі нагрівача.
В напівпровідникових випрямлячах використовуються діоди ввімкнені по однонапівперіодній (спостерігається велика пульсація
випрямленого струму) або двонапівперіодній (мостовій)
схемі.

Внаслідок інерційності рухомої
частини ВМ значення Моб і кута повороту стрілки прямопропорційнедо середнього випрямленого значення струму,
а оскільки шкали приладів як правило градуюються в діючих значеннях величини,
то прилад дає правильні покази лише при синусоїдальній формі кривої струму.
Такі прилади можуть мати кілька границь вимірювання постійного і змінного
струму і напруги (тестери, комбіновані прилади під маркою Ц). Для розширення
границь вимірювання в середині приладів встановлюють багатограничні
шунти і додаткові резистори.
Аналогові
електронні вимірювальні прилади
В АЕВП
вимірювана величина перетворюється в аналогову величину переміщення вказівника,
а числове її значення визначається по шкалі приладу. Покази АЕВП є неперервною
функцією зміни вимірюваної величини. Основні вузли – електронні вимірювальні
перетворювачі і пристрої, як вихідні використовують МЕ механізми і ЕПТ.
Найчастіше
використовуються електронні вольтметри, осцилографи, частотоміри, фазометри,
прилади для вимірювання параметрів електричних схем.
Електронний вольтметр.
До його
складу входять підсилювачі постійної і змінної напруги, перетворювачі змінної
напруги в постійну, дільники напруги.
Залежно від виду перетворення покази вольтметра можуть бути пропорційні
амплітудному (піковому), середньовипрямленому, або
середньоквадратичному значенню напруги. Як вихідні використовують МЕ мікроамперметри, шкала яких градуюється в
середньоквадратичних (діючих) значеннях напруги. (за винятком імпульсних
вольтметрів – шкала в пікових значеннях). При градуюванні має велике значення і
форма змінної напруги. Тому для визначення правильних показів приладу необхідно
враховувати коефіцієнт градуювання приладу.
Пікові (амплітудні) детектори – це вимірювальний
перетворювач, на виході якого постійна складова безпосередньо відповідає
піковому значенню напруги на вході.
Принципові
електричні схеми пікових детекторів змальовані на рис а) – послідовний детектор
з відкритим входом і б – паралельний детектор із закритим входом.
а)
б)
![]()
![]()
У
піковому детекторі з відкритим входом постійна складова вихідного сигналу
містить постійну складову вхідного сигналу, якщо така є. У детекторі ж із
закритим входом постійна складова вихідного сигналу не містить постійної
складової вхідного сигналу – для неї вхід закритий.
Піковий
детектор повинен обов'язково містити елемент, що запам'ятовує пікове значення
напруги. Таким елементом зазвичай є конденсатор, що заряджається до пікового
значення через діод.
Зупинимося
на піковому детекторі з відкритим входом.
У
додатні напівперіоди синусоїдальної вхідної напруги uвх відбувається заряд конденсатора С через малий прямий
опір діода Rд і внутрішній опір джерела Ri. У негативні напівперіоди
конденсатор розряджається через великий опір R, рис а). Постійна часу розряду
набагато більша постійної часу заряду. Тому напруга на конденсаторі зростає і
через декілька періодів на обкладках встановлюється постійна напруга UC
(постійна складова пульсуючої напруги), майже рівна амплітуді вхідної напруги Um. Оскільки Uc все ж трохи менше
Um унаслідок розряду конденсатора під час негативного
напівперіоду, то протягом часу, коли uвх>Uc, через діод проходять
імпульси струму, що поповнюють заряд конденсатора. Для виключення пульсацій
вихідної напруги на виході включається фільтр нижніх частот.
Детектор
середньоквадратичного значення
Детектор
середньоквадратичного значення (СКЗ) – це вимірювальний перетворювач змінної
напруги в постійну, пропорційну квадрату СКЗ змінної напруги. При вимірюванні
СКЗ напруги піднесення до квадрату і усереднення здійснюється детектором а
отримання квадратного кореня повинна здійснюватися градуюванням аналогового
вимірювального приладу, що підключається до виходу детектора СКЗ.
Для
виконання операції піднесення до квадрату в якості нелінійного елемента, що має
квадратичну вольтамперну характеристику (ВАХ),
використовують початкову ділянку ВАХ напівпровідникового діода. Проте ця
ділянка має дуже малу протяжність. Тому поширення набули детектори на основі діодного ланцюжка. Такий ланцюжок дозволяє отримати
квадратичну ВАХ в результаті кусочно-лінійної апроксимації параболічної кривої.
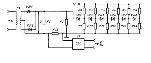
Схема квадратичного перетворювача з діодним ланцюжком
показана на рис.
Вхідна
напруга uВХ підводиться до широкосмугового
трансформатора Т1. За допомогою діодів VD1 і VD2 у вторинній обмотці
здійснюється двонапівперіодне випрямлення.
Випрямлена напруга діє на ланцюг, що
складається з діодного ланцюжка VD3...VD8, R3...R14 і
резистора навантаження R15. Падіння напруги на навантаженні через фільтр нижніх
частот Ζ 1 подається на вихід
перетворювача.
Діодний ланцюжок
має близьку до параболічної вольтамперну
характеристику. Тому середнє значення вихідної напруги є пропорційним квадрату
середньоквадратичного значення вхідної напруги.
Розглянемо
як забезпечується квадратична ВАХ. Дільники напруги R3...R14 підключені до
загального стабілізованого джерела напруги Е. Делітелі
підібрані так, що зсуви Ui, що подаються на діоди,
задовольняють співвідношенню U1<U2<.<U6.

Поки
вхідна напруга ланцюжка U не досягає U1 (див. графік), всі діоди закриті і
початкова частина ВАХ є прямою лінією з нахилом, залежним від опорів резисторів
R1, R2 і R15. Коли напруга U перевищить U1, відкриється діод VD3 і паралельно
R2 підключиться дільник R3, R9. Крутизна ВАХ на ділянці від U1 до U2 зростає, струм в ланцюзі стане iΣ=i0+i1. Крутизна ВАХ збільшуватиметься із зростанням
U. Вибираючи відповідним чином опори дільників, можна отримати ВАХ у вигляді
ламаної лінії, що наближається до квадратичної параболи. Таким чином,
квадратична характеристика синтезується з початкових ділянок характеристик ряду
діодних комірок, що показано на рис.
Коефіцієнт
перетворення детектора по струму Кд=І/u2, де I–середнє значення
струму на виході перетворювача; U–СКЗ вхідної напруги.
Похибка
перетворення таких перетворювачів визначається нестабільністю ВАХ діодів,
непостійністю опорів резисторів і вона складає 3...5%. Частотний діапазон
визначається властивостями трансформатора – індуктивністю (знизу) і паразитними
параметрами діодного ланцюжка (зверху) і складає
інтервал від декількох герц до 1 Мгц.
Детектор
середньовипрямленого значення
Це
вимірювальний перетворювач змінної напруги в постійний струм, пропорційний средневыпрямленному значенню вхідного сигналу (середньому
значенню модуля). Вольтамперна характеристика такого
детектора повинна мати лінійну ділянку в межах діапазону вхідної напруги.
Прикладом подібного перетворювача може служити двонапівперіодний
випрямляч з фільтром нижніх частот. Найбільш поширеними є мостові схеми. У
схемі рис а) струм через діагональ моста протікає в одному і тому ж напрямі протягом
обох напівперіодів змінної напруги. У додатній напівперіод струм протікає по ланцюгу: верхня вхідна клема
– діод VD1– діагональ моста – діод VD4 – нижня вхідна клема; у відємний: нижня клема – діод VD3 – діагональ моста – діод
VD2 – верхня клема.
а)
б)
Схема б
відрізняється від попередньої тим, що замість діодів VD3 і VD4 включені
резистори R1 і R2. У додатній напівперіод напруги
струм протікає через діод VD1 і резистор R1. Через резистор R2 в цей напівперіод струм не протікає, на його затискачах напруга
дорівнює нулю. Тому, якщо в діагональ моста включити магнітоелектричний
вольтметр, він вимірює падіння напруги на R1. Вочевидь, в відємний
напівперіод вольтметр вимірює падіння напруги на
резисторі R2, оскільки через нього і діод VD2 протікатиме струм.
Погрішність
перетворення обумовлена, головним чином, нелінійністю
ВАХ діода і впливом прямого опору діода на струм, що протікає через випрямний
міст.
Найбільш
високу точність вимірювання величини струму і напруги дає застосування
компенсаційного методу за допомогою
потенціометрів або цифрових приладів. Компенсаційні
кола призначені для порівняння двох незалежних струмів чи напруг нульовим методом (методом компенсації), і
використовуються в цифрових вольтметрах і компенсаторах (потенціометрах).

Компенсатор напруги постійного струму
Компенсатор напруги постійного струму:
Вимірювання
струму за допомогою компенсатора полягає у вимірюванні спаду напруги на
відомому опорі Rо. Вимірювана Ux
визначається зрівноваженням спаду напруги
на компенсаційному
опорі Rк при проходженні через нього струму Ір від
зовнішнього джерела напруги GB. В момент рівноваги Ux=
Uк показ ввімкнутого гальванометра =0.
Для
визначення Ір розмикають перемикач SA і за допомогою регулювального резистора R
досягають того щоб напруга на Rу = ЕРС нормального
елемента НЕ (при цьому показ гальванометра буде = 0)., тоді
.
Після
цього перемикають перемикач і регулюють величину Rк,
так що показ гальванометра знову =0.
. Точність вимірювання
залежить від чутливості нуль-індикатора.

Схема прямокутно-координатного
компенсатора.
В
компенсаторах напруги змінного струму
рівновага може бути досягнута тільки тоді, коли частоти і амплітудні
значення вимірюваних величин однакові а фази протилежні. Для того, щоб частоти
вимірюваної і компенсаційної напруг були однакові
живлення досліджуваного об’єкта та вимірювального кола компенсатора здійснюють
від спільного джерела напруги, розділяючи ці кола гальванічно
(за допомогою котушки взаємної індуктивності). Встановлення робочого струму
здійснюється амперметром. Основне призначення - дослідження малопотужних кіл
змінного струму.
Для вимірювання великих постійних струмів
використовують копаратори струму, дія яких заснована на
порівнянні спаду напруг, що створюються вимірюваним
струмом Іх та компенсувальним
струмом І2 на двох точних резисторах R1 і R2. Струм І2 значно менший Іх, тому може бути точно виміряний за спадом напруги на Rо цифровим вольтметром. точність схеми обмежена точністю
виготовлення резисторів (мір опору).

Схема компаратора
Компаратори – пристрої порівняння, що використовуються
для вимірювання електричних величин їх порівнянням з мірами. Порівняння
здійснюється одночасно з просторовим розділенням входів вимірюваної і зразкової
величини або почерговим підключенням їх до входу компаратора. Компаратор
містить блок масштабування вимірюваної величини, регульовану міру зразкової
величини, диференціальний підсилювальний блок та вимірювач різницевого сигналу.
При вимірюванні використовується диференціальний метод.
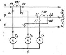
Силу
струму в трифазній мережі можна
виміряти або одним амперметром (при симетричному навантаженні), або трьома,
ввімкненими в кожну фазу приймача. В високовольтній мережі необхідно
застосувати 2 ВТС
Для
вимірювання напруги симетричної трифазної мережі необхідно мати два вольтметри,
один з яких вмикається на лінійну
напругу, інший на фазну. Якщо система несиметрична, то потрібно 6 вольтметрів.
На основі знятих лінійних і фазних напруг векторна
діаграма (трикутники за допомогою циркуля, що дозволяє побачити зміщення між
фазними напругами і зміщення точок 0 і 0΄ - нейтраль
генератора і споживача.) Високовольтних мережах застосовуються 3 ВТС.


Схеми
ввімкнення вольтметрів в низьковольтну трифазну мережу а) і б) і векторна
діаграма лінійних і фазних напруг.