7. Реєструючі прилади
У
практиці електричних вимірювань часто необхідно знати не тільки значення вимірюваної
величини в певний момент часу чи її інтегральну характеристику, але й характер
зміни її миттєвого значення або залежність від іншої величини. Для цього використовують реєструючі прилади,
в тому числі:
- реєструючі (самописні) прилади прямого перетворення,
- світлопроменеві (електромеханічні) осцилографи,
- автоматичні реєструючі прилади зрівноважувального перетворення.
реєструючі прилади
прямого перетворення будуються на базі показуючих
приладів, додатково оснащених реєструючим пристроєм,
який складається із реєструючого органа та носія зображення. Реєструючий орган (здебільшого перо спеціальної конструкції з чорнилом) механічно
з'єднаний з вказівником приладу і його переміщення, що фіксується у вигляді
діаграми на носієві зображення, відповідає куту повороту рухомої частини ВМ. Переміщення носія зображення (папір у вигляді диска або циліндра) здійснюється
здебільшого від електродвигуна.
Конструктивно реєструючі пристрої
різні, але всім їм властивий спільний недолік -
переміщення реєструючого
органа по носію викликає додатковий момент тертя. Для
його зменшення використовують точковий запис. У таких приладах стрілка вільно
переміщується над носієм зображення. Спеціальна дужка, яка піднімається за допомогою кулачкового механізму, періодично падає на
стрілку і притискає її разом з фарбувальною стрічкою до паперу.
Самописці
на базі показуючий приладів служать для реєстрації
вимірюваних величин, що змінюються в часі повільно,
звичайно в діапазоні частот до 50 Гц.
До швидкореєструючих приладів належать світлопроменеві осцилографи. Як вимірювальний механізм таких приладів використовують магнітоелектричний гальванометр з рухомою
рамкою у вигляді петлі (один виток) - це петлеві
осцилографічні гальванометри, або у вигляді
рамки з великою кількістю витків (рамкові осцилографічні гальванометри), Рамкові осцилографічні гальванометри чутливіші, ніж петлеві, для
повного відхилення рухомої частини споживають лише декілька міліампер, але
вони інерційніші.
Практично
всі сучасні осцилографічні гальванометри мають світлопроменеву
реєстрацію, світловий промінь відбитий від дзеркальця, закріпленого
на рухомій частині, реєструється або на
звичайному фотопапері з наступним хімічним проявленням, або на спеціальному фотопапері, чутливому до
ультрафіолетового випромінювання.
Точність реєструючих приладів прямого перетворення часто буває недостатньою. В
таких випадках використовують автоматичні
реєстратори компенсаційного типу. Останні, крім цього, практично не споживають
енергії від досліджуваного об'єкта. Принцип дії таких реєстраторів
пояснює схема рис. 8.18.

Рис. Принципова схема
компенсаційного самописця
![]()
Вхідна напруга Ux порівнюється з вихідною (компенсувальною) напругою Uк
мостової схеми. При нерівності цих напруг їх різниця
АU після підсилення подається на вхід реверсивного двигуна РД приводить
в обертання його ротор, в результаті чого переміщується повзунок реохорда,
змінюючи напругу Uк до моменту, поки АU=0.
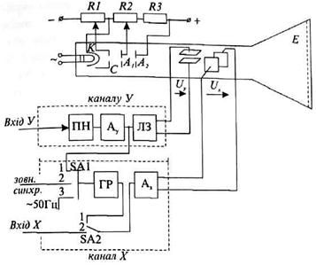
Електронно-променеві
осцилографи
Електронно-променевий
(електронний) осцилограф є одним з найуніверсальніших
і найважливіших засобів у сучасній
електровимірювальній техніці.
Основним
вимірювальним елементом електронного осцилографа є електронно-променева трубка, а його принципова будова показана на
рис. 8.19.

Рис.
Будова електронно-променевого осцилографа
Електронно-променева
трубка - це спеціальний скляний балон, в якому створено вакуум. Всередині
балону знаходиться система електродів, катод К з розжарювальною ниткою Н, сітку (мембрану) С та аноди А1 і А2. Катод К, який розжарюється від струму, що протікає через розжарювальну нитку, випускає пучок електронів, які
досягаючи поверхні екрану Е, яка покрита люмінофором утворюють на екрані
світлову точку. Прискорювальні
електроди (аноди) А1 та А2 надають
пучку необхідної швидкості. Фокусування електронного пучка
(променя) здійснюється зміною напруги анода А1 за
допомогою дільника напруги R1, а
його інтенсивність, а отже, яскравість світної точки на екрані - зміною напруги керуючій сітці С за допомогою дільника
R2.
На шляху
до екрану електронний промінь проходить між двома парами пластин. Одна пара відхиляє промінь в горизонтальному напрямі
(електроди х), а інша – у вертикальному
(електроди у). Відхилення світної точки в координатах х та y пропорційне
напругам Ux та Uy.
Подільник
напруги ПН, підсилювач Ау разом з лінією затримки ЛЗ утворюють канал вертикального
відхилення (канал У). Якщо на вхід Y осцилографа
подається напруга Uy(t), то вертикальна
координата світної точки, пропорційна значенню досліджуваної напруги, буде
де Sу
— чутливість осцилографа по осі Y, яка залежить від параметрів
дільника та підсилювача.
Канал горизонтального
відхилення (канал X) містить генератор розгортки напруги ГР та
підсилювач Ах. Канал Х може працювати
в двох режимах — розгортки або підсилення
сигналу, поданого на вхід X. Режим роботи каналу вибирається за допомогою перемикача SA2.
В режимі
розгортки напруга генератора розгортки ГР, синхронізована з напругою поданою на вхід Y, через підсилювач Ах
подається на вхід горизонтально відхиляючих пластин і регулює зміщення променя на
екрані по осі X.
Щоб
отримати на екрані криву досліджуваної напруги Uy(t)
(пучок переміщується горизонтально по екрані) необхідно, щоб
напруга Uх(t) змінювалась в часі
лінійно. Тому напруга розгортки Uх(t), що виробляється блоком розгортки, має пилкоподібну
форму, тоді горизонтальна координата світної точки визначається, як:
де Sх -
чутливість осцилографа на осі X.
Проміжок часу t1 називають
часом прямого (робочого) ходу променя. Протягом цього часу під дією лінійно змінної напруги Uх(t) світлова точка переміщується екраном зліва направо з рівномірною швидкістю і створює
на ньому суцільну лінію. Протягом часу t2 (зворотного ходу) промінь
повертається справа наліво у початкове положення,
щоб у наступний проміжок часу прямого ходу повторити переміщення променя по екрану
зліва направо.

Форма
напруги часової розгортки
Під час
паузи горизонтальна координата світної
точки не змінюється.
При
дослідженні змінної періодичної напруги зображення на екрані буде нерухомим і зручним для спостереження в тому випадку, коли
період напруги розгортки Т буде
дорівнювати або буде кратним періоду досліджуваної напруги Uy(t). Примусова генерація генератором розгортки напруги з
частотою, яка дорівнює або кратна частоті
досліджуваного сигналу, називається синхронізацією. Для здійснення синхронізації до генератора розгортки ГР подається
синхронізуючий сигнал. Як зовнішня синхронізуюча
може бути використана мережева напруга 220 В, 50 Гц.
Блок
розгортки може працювати у двох режимах: неперервному і очікувальному. В режимі неперервної розгортки, який
призначений для дослідження тільки періодичних напруг, пауза t3
відсутня. Регулюючи
час робочого ходу t1 можна змінювати період Т
і, відповідно, добиватися нерухомості зображення (час зворотного ходу променя t2 не регулюється).
В режимі очікувальної розгортки момент початку прямого ходу променя
синхронізується з початком досліджуваного
сигналу. При цьому час прямого ходу t1 можна встановлювати довільно. Після закінчення зворотного ходу променя блок розгортки очікує
(час t 3) доти,
поки досліджувана напруга знову не досягне початкового рівня запуску. Режим очікувальної розгортки застосовується при
дослідженні як періодичних, так і неперіодичних (складних за формою) напруг.
Принцип дії осциллографа.
Досліджувана
напруга подається на вхід Y каналу
вертикального відхилення і попадає на вхідний атен’юатор
(подільник напруги), який зменшує напругу до такої міри, щоб вона підсилювалась
підсилювачем без спотворення та обмеження. Підсилювач вертикального відхилення
підсилює сигнал до величини, необхідної для відхилення променя
по вертикальній осі.
З
підсилювача вертикального відхилення на вхід схеми синхронізації при положенні
2 перемикача S1 подається напруга
пропорційна досліджуваній, і в момент (t1+nTC), переходу напруги через нуль в схемі
синхронізації виробляється короткий імпульс, який надходить в схему управління
розгорткою і запускає генератор пилкоподібної (розгортаючої)
напруги. Пилкоподібна напруга, підсилена підсилювачем горизонтального
відхилення, при положенні 1 перемикача S2
надходить на горизонтально – відхиляючі пластини ЕТП. Такий вид синхронізації
називається внутрішньою синхронізацією.
Якщо перемикач S1 перевести в положення 3, то
синхронізацію можна здійснити від зовнішнього сигналу, безпосередньо не зв’язаного з досліджуваною
напругою. В положенні 1 перемикача S1
синхронізація здійснюється напругою мережі.
Від схеми управління
розгорткою на передню панель виведені
ручки за допомогою яких можна зсувати промінь догори – донизу або направо –
наліво на екрані осцилографа.
При положенні X перемикача S2 на вхід підсилювача горизонтального відхилення можна подавати
напруги від інших джерел. При цьому генератор пилкоподібної напруги від входу
підсилювача відключається. Якщо подавати на ”Вхід Y” і ”Вхід X” синусоїдні
напруги, то на екрані висвічуються так звані фігури Ліссажу,
форма яких залежить від співвідношення частот поданих напруг.
Приклади фігур Ліссажу на екрані осцилографа при синусоїдній розгортці

Для вимірювання
параметрів сигналів за допомогою осцилографа необхідно знати масштаби їх
зображень по вертикальній та горизонтальній осям екрана осцилографа. Ці
масштаби визначаються положеннями ручок подільників (атен’юаторів),
які знаходяться перед підсилювачами
вертикального (Y) та горизонтального (X) відхилення, і коефіцієнтами
підсилення підсилювачів. Внаслідок впливу різних факторів коефіцієнти
підсилення підсилювачів можуть змінюватися в нешироких межах. Разом з цим
будуть змінюватись і масштаби по вертикальній та горизонтальній осях (в
осцилографі ці масштаби називаються коефіцієнтами: відхилення вертикального та
горизонтального каналів).
Багатопроменеві
осцилографи. Якщо необхідно відтворити на екрані
одночасно дві або декілька вимірюваних величин, то в
таких випадках застосовують багатопроменеві
осцилографи.
Цифрові запам'ятовувальні
осцилографи. Останнім часом широке застосування мають цифрові запам'ятовувальні осцилографи. В них зображення не
записується у виді неперервної кривої
на люмінесцентному екрані. Замість того з виходу підсилювача У інформація послідовно перетворюється за допомогою АЦП в цифровий код, який
подається на вхід даних цифрового запам'ятовувального пристрою.
Одночасно синхросигнали з виходу підсилювача X є адресною інформацією
для поступового заповнення пам’яті пристрою.
Процесами вимірювання і
перетворення сигналів керує мікропроцесор.