ПРАКТИЧНА РОБОТА №5.
РЕМОНТ АВТОМАТИЧНОЇ ПОБУТОВОЇ
ПРАЛЬНОЇ МАШИНИ ТИПУ СМА
Побутові автоматичні пральні машини типа СМА призначені
для прання білизни за заданою програмою. Прання, замочування і полоскання
здійснюються механічним перемішуванням білизни, поміщеної в перфорований
барабан в пральному розчині. Віджимання білизни проводиться центрифугуванням в
тому ж барабані.
Автоматичні пральні машини принципово відрізняються від
машин, що випускалися раніше, як по конструкції, так і по складності
електросхем; у них широко використовуються елементи автоматики, що ніколи
раніше не застосовувалися в побутових пральних машинах. Процеси прання в цих
машинах повністю автоматизовані: заливання і зливання води для всіх операцій,
введення миючих засобів, замочування, прання з нагрівом води в баку пральної
машини до заданої температури, полоскання і віджимання. Різноманітний набір
програм дозволяє прати білизну різної забрудненості, міцності і хімічного
складу матеріалу, не збільшуючи ступеня зношення білизни.
Для автоматичного управління процесами прання з
урахуванням фізико-хімічних і механічних властивостей матеріалів в автоматичних
пральних машинах встановлений цілий ряд приладів контролю і регулювання
процесів прання, які здійснюють взаємодію органів машин у визначеній, наперед
заданій, послідовності в часі: командоапарат, датчик-реле рівня прального
розчину в баку, датчики-реле температури прального розчину.
Прання здійснюється в барабані прального бака за
допомогою виконавчих органів:
електромагнітного клапана,
електродвигуна приводу барабана, електронасоса, електронагрівача.
У автоматичних пральних машинах є також ряд допоміжних
елементів, які забезпечують роботу виконавчих приладів: загальний вимикач, мікровимикач блокування кришки, конденсатори, резистори, сигнальна
лампа.
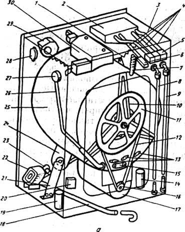
Пральна машина «Вятка-автомат-12». Корпус 38 (мал.5, а,
б) виконаний з листової сталі і складається з штампованих деталей, сполучених
між собою зварюванням. Зверху корпус закривається кришкою 40, яка
кріпиться гвинтами. Усередині корпусу встановлений
бак 25 із закріпленим на нім двохшвидкісним
електродвигуном 17, призначеним для обертання перфорованого барабана. Бак
підвішений на двох циліндрових пружинах 1, які кріпляться до упорів 3 корпусу.
До нижньої частини бака з двох боків приварені металеві пластини 24, що
взаємодіють з фрикційними втулками ресор 21, закріплених на корпусі. Ця система
разом з противагами 30, встановленими на баку, служить для зменшення вібрації
машини.
Нагрівання і контроль температури миючого розчину
здійснюються відповідно за допомогою нагрівача 15 і датчиків-реле температури
13. Вихід пари з бака відбувається через патрубок 7. Білизну завантажують в
перфорований барабан через люк 35. Прання проводиться за заданою програмою
залежно від вигляду і ступеня забрудненості тканини. Потрібну програму
набирають ручкою командоапарата 29. Барабан
встановлений усередині бака обертається в підшипниковому вузлі, розташованому в
хрестовині 10. Обертання барабану передається від електродвигуна через шківи 11
і 16 за допомогою клинового паса 12. Барабан має три ребра, що потрібні для
кращого перемішування білизни в процесі прання.

Рис. 5. Пральна машина «Вятка-автомат-12»:
а — вигляд з боку задньої стінки; б —вид з боку завантажувального люка:
1 — пружина; 2—
дозатор; 3 — упор; 4 — шланг; 5 i 6 —
електромагнітні клапани; 7— патрубок; 8,
9— наливні шланги; 10 — хрестовина;
11, 16 — шківи; 12 – клиновий пас; 13— датчик-реле температури; 14,
19 — конденсатори; 15 — трубчастий нагрівач; 17 — електродвигун; 18 — зливний шланг; 20
— реле; 21 — ресора; 22 — електронасос; 23 — фільтр; 24 — пластина; 25 — бак;
26 — шланг; 27 — реле рівня; 28 - фільтр усунення радіоперешкод ; 29 — командоапарат; 30 — противага; 31 — панель керування; 32 —
індикатор; 33 — ручка; 34 — вимикач; 35
— люк; 36 — кришка фільтру; 37 —
ніжка; 38 - корпус; 39 — ручка
бункера дозатора; 40 — кришка.
Позаду машини у верхній частині корпусу розташовані: блок
підключення до водопровідної мережі, який складається з двох електромагнітних клапанів
5 і 6, сполучених шлангами з дозатором 2; реле рівня рідини 27, сполучене з
нижньою частиною шлангом 26; фільтр усунення радіоперешкод 28 із сполучним
шнуром для підключення машини до електромережі. Дозатор 2 служить для введення
в бак миючих засобів і засобів для спеціальної обробки білизни під час
заповнення бака водою через електромагнітні клапани.
У верхній частині на лицьовій стороні корпусу розташована
пластмасова панель31, на яку виведені: ручка 33, вимикач 34 для включення
економічного режиму прання, індикатор 32, що сигналізує про роботу машини,
ручка бункера дозатора 39. На панелі нанесені написи з номерами і
найменуваннями програм.
У нижній частині машини встановлені: електронасос 22 для
відкачування відпрацьованого миючого розчину; знімний фільтр 23 з кришкою 36,
розташованою на передній стінці корпусу; конденсатори 14 і 19; реле напруги 20.
Машина забезпечена знімними наливними шлангами 8 і 9 для підведення гарячої і
холодної води, шлангом для зливу води 18, ванною для зливу залишку рідини і
кронштейном для укладання сполучного шнура. Для стійкості положення машини на
підлозі служать ніжки 37, що регулюються
по висоті.
Доступ до складальних одиниць і деталей машини в процесі
обслуговування і ремонту забезпечується знімними верхньою кришкою і задньою
панеллю.
Конструктивно машини виконані так, що після зняття
верхньої кришки і задньої панелі забезпечується зручний доступ до елементів
конструкції і приладів машини.
МЕТОДИКА ВИЗНАЧЕННЯ НАЙБІЛЬШ СКЛАДНИХ ДЕФЕКТІВ
Перш ніж починати розбирання всієї машини або окремих її
складальних одиниць, необхідно визначити місце дефекту. Особливістю
електросхеми є те, що всі ланцюги живлення комплектуючих виробів
(електродвигун, електричний нагрівач, електроклапан і
т. д.) проходять через мікровимикач, реле рівня і
контакти командоапарата. Подібна особливість вимагає
застосування певної методики пошуку несправностей в електросхемі машини.
Досліджуваний ланцюг, в якому передбачається наявність
дефекту, розривається шляхом від'єднання знімних контактів сполучних проводів
від затисків командоапарата. Далі перевіряють
справність електричних ланцюгів індикатором або омметром.
Рекомендується наступний порядок визначення причин
несправностей в найбільш характерних випадках.
Електродвигун приводу барабана гуде, але барабан не
обертається. Причину цієї несправності визначають так. Перевіряють ланцюги живлення
обмотки електродвигуна в режимі віджимання і ланцюги живлення обмотки, що
забезпечує роботу електродвигуна в режимі прання. Якщо згоріли обмотки
електродвигуна, необхідно перевірити, чи не відбулося підгоряння контактів командоапарата.
Не витримується температурний
режим.
Перевірити контакти реле рівня, контакти командоапарата,
контакти датчиків-реле температури. Після перевірки ланцюгів живлення омметром
перевірити електронагрівач.
Вода не поступає в бак. Оглянути сітку кожного клапана.
Для цього від'єднати від патрубка клапана наливний шланг і витягнути сітку,
якщо вона засмітилася, прочистити. Потім перевірити справність ланцюгів
підключення клапанів. Після перевірки ланцюгів живлення переконатися в
працездатності клапанів.
Заміна складальних одиниць і деталей. Для забезпечення
доступу до окремих складальних одиниць і деталей машини слід відвернути п'ять
гвинтів кріплення верхньої кришки 24 (мал.6) і зняти кришку. Відвернути чотири
гвинти кріпленні задньої панелі 22 і зняти панель.

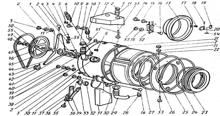
Заміна нагрівача. Зняти ремінь 50 (мал.7),
відвернути гайку заземлення, зняти дріт заземлення, від'єднати дроти, витягнути
з бака нагрівач. Встановити новий нагрівач і зібрати вузол в зворотному
порядку.
Заміна
мікровимикача. Відкрити люк, зняти
манжету 23 (мал. 7) з корпусу, відвернути два гвинти кріплення планки мікровимикача, зняти мікровимикач
з планкою, від'єднати дроти, відвернути два гвинти кріплення мікровимикача до планки. Встановити новий мікровимикач. Зібрати вузол в зворотному порядку.
Заміна
командоапарата. Відвернути три гвинти
кріплення панелі, зняти панель, відвернути два гвинти кріплення підставки 3
(див. мал.6), від'єднати дроти від вимикача, зняти командоапарат з підставкою,
від'єднати дроти, відвернути гвинт заземлення, зняти облицьовування 10,
відвернути гайку 9, зняти шайби, ручку 7, диск програм 6, відвернути два болти
кріплення командоапарата з кулачка 5. Встановити
новий командоапарат і зібрати вузол в зворотному порядку.
Заміна електродвигуна. Встановити транспортувальні
шток і болти, зняти ремінь 50 (мал.7), покласти машину на бік, відвернути три
гайки кріплення двигуна до кронштейнів бака, зняти болти, притримуючи двигун.
Витягнути двигун, вийняти гумові втулки. Встановити новий двигун і зібрати
машину в зворотному порядку.

Рис. 7. Бак пральної машини «Вятка-автомат-12»:
1,23 — манжети; 2, 37, 40, 57 — гайки; 3, 9, 11, 15, 36,
49, 55, 56 — шайби; 4, 10, 16, 38, 53 — гвинти; 5 — опора; 6, 54 — пружини; 7,
29, 51 —патрубки; 8, 28— затискачі; 12, 31 — противаги; 13 — вікно; 14, 35, 48—
болти; 17 — собачка; 18 —вісь; 19 — стопор; 20 — важіль; 21—бак; 22 — барабан;
24, 25, 30 —хомути; 26, 58 — фланці; 27, 39 — прокладки; 32, 33 — башмаки; 34 —
ресора; 41, 45 — підшипники; 42, 47 — шківи; 43—пружинний штифт; 44 —
хрестовина; 46 — стопорне кільце; 50 — ремінь; 52 — шарнір
Заміна шківа. Зняти ремінь 50, відігнути шайбу 49, відвернути
болт 48, зняти шків 47 і встановити новий.
Заміна датчика-реле температури. Від'єднати дроти, вийняти
датчик-реле 13 з гумових прокладок. Встановити новий датчик.
Заміна клапана. Від'єднати шланг 9 від клапана 5, від'єднати
дроти, зняти три затискачі кріплення шлангів 4 до штуцерів і зрушити їх по
шлангах, зняти шланги з штуцерів клапана, відвернути два гвинти кріплення
клапана. Демонтаж односекційного клапана 6 аналогічний демонтажу клапана 5. У
моделі «Вятка-автомат-12-01» односекційний клапан відсутній. Встановити клапан
в зворотному порядку.
Заміна реле рівня. Від'єднати дроти від реле рівня
27. відвернути гвинт кріплення реле до корпусу, зняти шланг з штуцера реле і
встановити нове реле рівня.
Заміна ресори. Встановити транспортувальні шток і болти,
покласти машину на бік, відвернути два болта, що кріплять ресору до корпусу,
зняти ресору 21, зняти башмаки ресори. Поставити нові ресори.
Заміна крильчатки насоса. Встановити шток транспортування
і болти, покласти машину на бік, повернути кришку фільтру 36 так, щоб фільтр 23
легко виходив з корпусу насоса 22, дістати фільтр з кришкою, зняти патрубок 29
(див. мал.7) з штуцера насоса, зняти зливний шланг з штуцера насоса. Від'єднати дроти,
відвернути два болти кріплення електродвигуна насоса до корпусу, зняти
електродвигун, корпус насоса, крильчатку насоса. Зібрати машину в зворотному
порядку.
Заміна бака і барабана. Зняти послідовно командоапарат,
клапани, дозатор 2 з патрубком 51 (див. мал. 7), реле рівня, фільтр,
датчики-реле температури з прокладками, від'єднати від бака шланг, вимикач 4
(див. мал.6). Відвернути дві гайки, зняти противагу 12 (див. мал.7), фланець
58, патрубки 7 і 29. Від'єднати дроти від нагрівача і двигуна. Відвернути
гвинти заземлення бака, двигуна і нагрівача. Відкрити люк машини, зняти манжету
23 (див. мал.7) з корпусу і заправити її в бак. Витягнути бак з корпусу машини.
Зняти двигун. Відвернути дві гайки кріплення противаги 31, зняти електронагрівач. Покласти бак на фланець 26. Відвернути
шість гайок, що кріплять хрестовину 44, зняти шайби, вийняти болти, зняти
стопорне кільце 46, хрестовину, прокладку 39, зняти хомут 25, фланець 26 з
прокладкою 27, витягнути барабан 22. Зібрати машину в зворотному порядку.
Заміна реле. Від'єднати дроти від реле РНК 20, відвернути два
гвинти кріплення реле. Встановити нове реле.
Заміна собачки.
Відкрити люк 35, виштовхнути вісь 18 (див. мал. 7), притримуючи собачку 17,
вийняти важіль 20 із стопором 19. Вийняти собачку з пружини 54 стопори.
Встановити нову собачку і зібрати вузол в зворотному порядку.