ТЕМА 9.
ПОБУТОВІ ПРАЛЬНІ МАШИНИ
Прання
білизни полягає у відділенні чужорідних частинок (бруд, жири, білкові і
вуглеводні забруднення) від текстильного матеріалу (тканини). Відокремлювані
частинки переходять в миючий розчин.
Деякі з
них розчиняються, а деякі утримуються в
розчині. При цьому можливість їх повторного налипання до тканини виключається.
Набухання
забруднюючих частинок і ослаблення їх зв'язку з тканиною найактивніше
відбувається при замочуванні в розчині миючих засобів, а безпосереднє відділення
частинок бруду від тканини відбувається внаслідок механічної дії на тканину сил
тертя, що виникають при пранні.
Прання в
машинах здійснюється механічним перемішуванням білизни в пральному розчині.
Перемішування білизни і активація прального розчину в машинах проводяться
диском (активатором), що обертається, лопатками, або барабаном. Кожен спосіб
має свої переваги і недоліки. В Україні найбільшого поширення набули машини з
активатором. Для віджимання у вітчизняних машинах застосовуються ручні віджимні
вали і центрифуги. При швидкому обертанні центрифуги під дією відцентрової сили
білизна притискається до стінок барабана, рідина, що знаходиться в білизні,
піднімається і через отвори стікає в бак центрифуги. Спеціальні прилади-таймери
(реле часу), що є на пральних машинах, дозволяють встановити необхідний режим
прання або віджимання білизни. Насоси перекачують рідину в баки і відкачують її
з машини.
Таким
чином, багато процесів механізовано і прання білизни в машині не представляє
особливої праці. Але є ще ряд операцій, які виконуються уручну. Наприклад,
підготовка і заливка в машину миючого розчину. Крім того, його заздалегідь
підігрівають до необхідної температури.
Миюча дія
розчину залежить від великого числа чинників, з яких найбільш важливими є:
жорсткість води, характер забруднення білизни, інтенсивність механічної дії на
тканину, волокнистий склад тканини, температура миючого розчину і його склад.
Суть
активації полягає в наданні енергії миючому розчину, що викликає його рух, а разом з ним і білизни. Активація
миючого розчину сприяє поліпшенню змочуваності
білизни, рівномірному розподілу миючих розчинів у воді, проникненню миючого
розчину між волокнами тканини і забрудненнями і вимиванню забруднень.
Застосовуються
різні способи активації миючого
розчину:
за допомогою лопатевого диска (активатора), вібратора, лопатевої мішалки з
поворотно-поступальною ходою і за допомогою барабана, що обертається. У
вітчизняних пральних машинах старого зразку активація миючого розчину
здійснюється в основному за допомогою лопатевого диска (активатора) і барабана.
Інтенсивність
активації миючого розчину за допомогою лопатевого диска (активатора)
визначається швидкістю обертання диска і його діаметром.
Вітчизняною
промисловістю випускаються пральні машини різних конструкцій , які поділяються
на наступні типи: ПМ — пральна машина без віджимання; ПМР —
пральна машина з ручним віджимним пристроєм; ПМП — пральна машина
напівавтоматична, у якої управління окремими процесами обробки тканин
виконується людиною; ПМА — пральна машина автоматична, у якої управління
процесами обробки тканин виконується відповідно до заданої програми.
Залежно
від конструктивних особливостей машини класифікуються: по номінальному
завантаженню сухої білизни (1; 1,5; 2; 3;
(з одним баком, Д — з двома баками); за способом
завантаження білизни (з верхнім, вертикальним завантаженням, Ф — з фронтальним
завантаженням); за способом активації (з лопатевим диском, Б — барабанні); за
способом управління (електромеханічне управління, Е — з електронним
управлінням).
Умовне
позначення пральної машини повинне містити позначення типорозміру
і найменування моделі.
За типом
захисту від поразки електричним струмом машини виготовляють I і II класів.
Машини всіх типів повинні мати реле часу або
пристрій, що задає час роботи лопатевого диска.
Всі типи
машин, окрім ПМА, повинні мати рівнемір або покажчик рівня заповнення бака
номінальною кількістю рідини (до завантаження машини білизною) для кожного
режиму прання.
Коректований
рівень звукової потужності машин (рівень звуку) не повинен перевищувати
наступних значень: для машин типу ПМ — 72 дБ; для
машин типа ПМР
— 75 дБ; для машин типів ПМП, ПМА — 78 дБ.
Машини
всіх типів, окрім ПМА, повинні мати два або більше режимів прання.
У
комплект пральної машини входять: віджимний пристрій (для машин типа ПМР), щипці
для білизни (окрім барабанних машин), наливний шланг, зливний шланг, ванна для
зливу залишків рідини з машини (окрім машин типу ПМ), підставка (для машин типу
ПМ), розетка двополюсна із контактом заземлення (для машин класу 1), пристрій
для підключення до мережі холодного і гарячого водопостачання (крім машин типа
ПМА),
керівництво по експлуатації.
При
оцінці якості машин визначають є споживні властивості. Найбільш важливі
споживні властивості пральних машин підрозділяються на функціональні,
ергономічні, естетичні, надійність.
До
функціональних властивостей машин для прання і віджимання білизни відносяться:
ступінь відпирання білизни, зношення білизни в машині при пранні і віджиманні,
здатність віджимати і виполіскувати білизну, продуктивність машини.
Ступінь
відпирання білизни — здатність випробовуваної машини при взаємній механічній,
хімічній і тепловій дії видаляти забруднення з випробувальних зразків тканини
при номінальному завантаженні у встановлених умовах. Ступінь відпирання білизни
за один цикл прання визначається по формулі:
О = (Бс - Бз)/(Бі
- Бз) 100. %
де Бс— відбивна здатність штучно забрудненого зразку після
прання; Бз— відбивна здатність зразка тканини після
штучного забруднення; Би — відбивна здатність зразка тканини в початковому
стані.
Знос
білизни, або втрата міцності тканини, визначається після 20 циклів прання по
формулі (в %),
П = (Р1 – Р2)/ Р1 · 100,
де
P1—середнє арифметичне значення розривного навантаження випраних зразків (Н) ,
Р2—середнє арифметичне значення розривного навантаження випраних зразків після
20 циклів прання, (Н).
Втрату
міцності тканини допускається визначати методом механічного зносу.
Здатність
машини віджимати білизну залежить перш за все від типу віджимного пристрою.
Якість віджимання характеризується залишковою вологістю — кількістю води в
зразках, що залишилася після віджимання. Залишкова вологість тканини
визначається по формулі (в %),
Г=(М2 —
М1) /М1 ·100,
де М2—
маса білизни після віджимання, кг; М1— маса сухої білизни, кг
Ефективність
віджимання виражається як середнє арифметичне результатів п'яти набутих
значень, розрахованих по формулі.
Ступінь
виполіскування білизни визначається по лужності води Лl
після останнього полоскання щодо лужності водопровідної води Л2, мг-екв./л:
B=Л1-Л2.
Значення
лужності води після полоскання щодо лужності водопровідної води не повинне
перевищувати 0,3 мг·екв./л. При проведенні
випробування на виполіскування застосовують рН-метр.
Продуктивність
пральних машин може характеризуватися кількістю білизни, що обробляється за 1
годину, або часом, необхідним для прання
Найважливішими
з ергономічних властивостей пральних машин є зручність користування, механічна
і електрична безпека, екологічні і гігієнічні властивості.
Зручність
користування машиною полягає в зручності завантаження білизни, заповнення бака
розчином, управління машиною, виїмкою білизни, видалення розчину і зберігання
самої машини.
Механічна
і електрична безпека — наявність блокувального і гальмівного пристроїв.
Центрифуги і барабани повинні мати блокувальний пристрій для відключення
двигуна при відкритті кришки; струмопровідні частини повинні бути надійно
ізольовані (клас 1 або 2). Машини з електро нагрівачем повинні
мати пристрій, що автоматично відключає
нагрівач,
досягши заданої температури.
Екологічні
властивості — це низький рівень звуку і відсутність радіоперешкод.
Гігієнічні
властивості — неможливість забруднення білизни о деталі машини.
Естетичні
властивості характеризуються раціональністю форми, цілісністю композиції,
досконалістю виробничого виконання.
Обробка
складальних одиниць машини повинна служити підвищенню їх надійності: потрібно,
щоб деталі машин були стійкі до дії прального розчину, гума віджимних валів
була твердою і не мала міхурів, раковин і т. п.; лакофарбові покриття повинні
бути міцно зчеплені з металом, не лущитися, не відшаровуватися, покриття
склоподібною емаллю повинне бути блискучим, рівним, без плям металу, тріщин,
сколов.
Основні
складальні одиниці пральних машин наступні:
у машинах
типу ПМ — корпус, пральний бак, електричний привід активатора, теплове реле,
реле часу;
у машинах
типа ПМР
— корпус, пральний бак, активатор, електричний привід активатора, віджимний
пристрій з ручним приводом, відцентровий насос, теплове реле, реле часу і
гідравлічна система;
у
напівавтоматичних пральних машинах типа ПМП — корпус, пральний бак,
активатор (пральний барабан), електричний привід активатора, віджимний пристрій
(центрифуга) з механічним приводом, електричний привід центрифуги, відцентровий
насос, теплове реле, реле часу (таймер) і гідравлічна система.
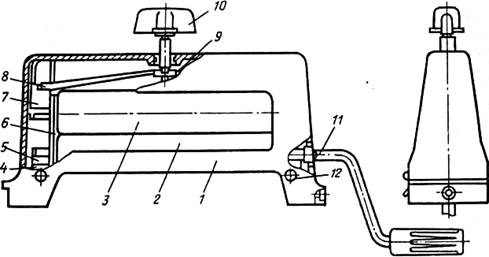
Корпус в
машинах типу ПМ і ПМР має сферичну форму або форму куба, в
напівавтоматичних машинах — форму паралелепіпеда. Виготовляється корпус з
листової сталі товщиною 0,7—1 мм, поверхня покривається нітроемаллю (марок
МЛ-12, НЦ-25,МЛ-242, МЛ-152, МЛ-197, ЕП-148 і ін.) або анодується.
Для виготовлення корпусу застосовується також алюмінієвий лист марки Амцм, Амг, Амт
завтовшки 1,2—1,8 мм. У пральних машинах типу ПМ для виготовлення корпусу застосовується
пластик АБС,
полімер стиролу
САН-А
або поліпропілен МПП-15-06. У пральній машині
ЗВИ-1М типу ПМП-1,5 корпус
виготовлений з фанери ФБА або фанерований пластиком
ДБСП-АГ.
Обрамлення виконане з алюмінієвого листа.
Корпус
машин закривається знімною кришкою. У двобакових
машинах типу ПМП
крім загальної кришки пральний бак і бак центрифуги мають індивідуальні кришки.
Для зручності пересування машини на корпусі є ручки і ходові ролики. Для
збереження стійкості машини типа ПМР при віджиманні білизни в нижній
частині корпусу встановлена педаль (скоба). Для намотування сполучного шнура і
машинах ПМР
передбачена спеціальна скоба, а в машинах ПМП — ніша для укладання згорнутого
шнура.
У машині
ПМР
найбільш поширена форма прального бака циліндрова. Дно похиле. Для виготовлення
бака застосовується неіржавіюча листова сталь марки 12Х18Н10Т або сталь марки
08Х8Т1 з подальшим покриттям склоподібною емаллю, а також алюміній марки
АМцМ-1,8. У
малогабаритних машинах типу ПМ пральний бак круглої або овальної форми; виготовляють
бак з пластика
АБС.
У деяких моделях двобакових машин пральний бак
прямокутної форми з похилим дном виготовлений з алюмінієвого сплаву марки
АМцМ-1-1,8
або із сталевого листа з подальшим покриттям склоемаллю.
. У
пральних машинах барабанного типу перфорований барабан циліндрової форми
виготовлений з неіржавіючої сталі марки 12Х18Н10Т або із сталі 12X13 завтовшки
0,5мм. Частота обертання барабана при пранні — 55—62 об/хв;
при віджиманні — 380—490 об/хв.
Активатор
пральної машини встановлюють на стінці бака або на дні. У місці установки
активатора в баку робиться поглиблення для виключення попадання білизни при
пранні в зазор між поверхнями активатора і бака. Така установка активатора
запобігає пошкодженню білизни в процесі прання. На внутрішній стінці бака є
позначка, що показує рекомендований рівень розчину з білизною під час прання.
У нижній
частині бака є зливний отвір, закритий з внутрішньої сторони фільтруючою
решіткою. Миючий розчин зливається по шлангу, виведеному через отвір в корпусі.
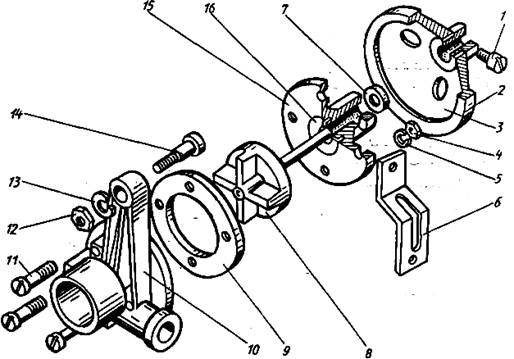
Активатор. Складається з лопатевого диска 1
(Рис. 22) з віссю, опори і електричного приводу активатора. Лопатевий диск,
сталевий або пластмасовий, діаметром 140—155 мм з п'ятьма-шістьма невеликими
ребрами заввишки 14—16 мм закріплений на осі 4, що обертається в підшипниках
опори 8. На іншому кінці осі активатора надітий шків 10. У опорі 8 розміщені
гумове ущільнення 12 і підшипники ковзання у вигляді промаслених брондзографітових втулок, що не вимагають додаткового
мастила протягом тривалої експлуатації. Опора 8 активатора кріпиться до
прального бака спеціальною гайкою 11. Для забезпечення надійної герметичності
з'єднання між опорою і стінкою або дном бака встановлені гумові прокладки.

Рис. 24.
Активатор:
I—лопатевий
диск; 2 — гайка; 3 — регулювальна шайба; 4 — вісь; 5 — шайба; 6 — прокладка; 7
— гайка; 8 — опора активатора; 9—ізолююча шайба; 10 — шків; 11—гайка; 12 —
гумове ущільнення; 13 — пральний бак

Рис. 25.
Диск активатора:
а — з
одним режимом прання; б — з двома режимами прання
Активатор
приводиться в рух однофазним двигуном через
клинопасову
передачу. Частота обертання активатора різна — від 475 до 750 об/хв. Зазор між
активатором і дном бака зазвичай рівний 1 —1,5 мм. При меншому зазорі диск
активатора (Рис. 23, а) чіпляє дно бака, внаслідок чого дно бака псується; при
великому зазорі активатор рве білизну.
Великого
поширення набули пральні машини з двома режимами прання з різною частотою і
напрямом обертання активатора (Рис. 23, б).
Центрифуга.
Корзина центрифуги напівавтоматичних пральних машин типа ПМП
виготовлена з алюмінію марки АМцМ або АД-13.
Місткість бака центрифуги 20—40 л. Частота обертання центрифуги при віджиманні
білизни 2600—3270 об/хв. Всі деталі пральних машин, сполучені з пральними
розчинами, стійкі до дії на них лужного розчину. Шви, що є усередині пральних
баків і центрифуг, роблять абсолютно гладкими, що оберігає білизну при пранні і
віджиманні від механічного пошкодження.
Електричний
привід. Як електричний привід в пральних машинах типа ПМР
використовуються в основному
однофазні асинхронні
електродвигуни
ДАО.
ДАОА, М-191, АВЕ-071-4С, АВЕ-071-48, М-430, АЕР-16 і ін. У ланцюзі
електродвигунів ДАО встановлюють зазвичай пускозахисне
реле РТК-С, пусковий пристрій і пускач ПНВС-10, що оберігають обмотки двигуна
від пошкодження при перегріві і короткому замиканні. Для запуску і нормальної
роботи електродвигуна АВЕ-071-4С в його ланцюзі встановлюють конденсатор. Для
захисту обмоток від пошкодження при перевантаженні в його ланцюзі живлення
встановлюють теплове реле
РТ-10. Як пусковий пристрій можуть бути використані реле
часу РВ-6.
У пральних машинах, розрахованих на два режими прання, встановлюють
електродвигуни типів ДБСМ-1Е, АД-180-4/71 СУ4 і ін.
У двобакових напівавтоматичних пральних
машинах зазвичай встановлюють два електродвигуни: для приводу активатора
застосовують асинхронні однофазні електродвигуни
АВЕ-071-4С, а також
двигуни АВЕ-071-4СМ,
АОЛБ-22-4,
ДСМ-1,
ДСМ-3,
ДАО,
Привід
активатора здійснюється через клинопасову передачу,
привід центрифуги — безпосередньо від електродвигуна ДАО-Ц, ДЦСМ-ЗБ, ДАО-ЦУ4
або АВЕ-07-4Ц.
У
напівавтоматичних машинах барабанного типу встановлюють електродвигуни
ДАСМ-2,
ДАСМ-3 і
ДАСМ-2У4.
Електродвигуни
виготовляються на номінальну напругу 127 і 220 В з синхронними частотами
обертання 1500 і 3000 об/хв. і номінальній потужності 90, 120 і 180
Вт.
Номінальний режим роботи двигунів повторно-короткочасний. Під час циклу
допускається реверс.
Електрична
ізоляція. Для захисту від поразки електричним струмом в пральних машинах
застосовується ізоляція чотирьох видів (залежно від розташування і призначення
струмопровідних частин і елементів електричної схеми):
основна
ізоляція — ізоляція струмопровідних частин, призначена для основного захисту
від поразки електричним струмом;
додаткова
ізоляція — незалежна ізоляція, передбачена додатково до основної для захисту
від поразки електричним струмом у разі пошкодження основної ізоляції;
подвійна
ізоляція — ізоляція, що складається з основної і додаткової;
посилена
ізоляція — єдина система ізоляції струмопровідних частин з механічними і
електричними властивостями, що забезпечують такий же ступінь захисту від
поразки електричним струмом, як і подвійна ізоляція.
Рама для
кріплення електродвигуна в нижній частині корпусу машини типа ПМР під
пральним баком. Вона служить для установки електродвигуна приводу активатора.
Оскільки обертання від двигуна до активатора передається за допомогою приводного пасу, в рамі є пази для
переміщення електродвигуна при регулюванні натягнення ременя. Електродвигун
встановлений на ізольованій плиті або шайбах.
У
напівавтоматичних пральних машинах електродвигуни приводу активатора
встановлюють на металеві рами або закріплюють на гумових еластичних підвісках.
Електродвигун приводу центрифуги закріплений на спеціальних рамах і має також
еластичну підвіску.
Віджимний
пристрій у верхній частині корпусу машини типа ПМР. Воно зазвичай складається з
корпусу 1 (Рис. 24), двох віджимних гумових валів 2 і 3, що спираються на
підшипникові вкладиші 5 і 7, пружини 8 і гвинта з ручкою 10, за допомогою якого
змінюється відстань між валами. Зусилля, необхідне для віджимання, створюється
за допомогою пластинчастої пружини 8 або двох циліндрових пружин. Вали
приводяться в рух ручкою 11.
У
неробочому стані віджимний пристрій забирається всередину машини.

Рис. 26.
Ручний віджимний пристрій:
1—корпус;
2, 3 — віджимні вали; 4 — опора; 5, 7 — вкладиші; 6 — пластина; 8 — пружина; 9
— накладка; 10 — ручка регулювального гвинта; 11 —ручка віджимного пристрою; 12
— гвинт
У
напівавтоматичних пральних машинах віджимання білизни проводиться центрифугою,
при якому час віджимання білизни скорочується в 4—5 разів в порівнянні з часом,
витраченим на віджимання гумовими валами.
Вузол
центрифуги складається з корзини (ротора) центрифуги, сполученої з валом
електродвигуна приводу центрифуги. Зазвичай підвіска бака центрифуги з
електроприводом еластична, що забезпечує стійку роботу центрифуги, безшумність
і хороше віджимання білизни.

Рис. 27.
Насос:
1, 11 —
гвинти; 2 — шина шківа; 3—шків; 4, 12 — гайки; 5, 7, 13 —шайби, 6 — кронштейн; 8
— крильчатка; 9
—прокладка; 10 —корпус; 14 —ось; 15 —крышка; 16 —
манжета
Відцентровий
насос. Для зливу розчину або його вторинного використання в пральних машинах
встановлений насос. Він складається з корпусу 10 (Рис. 25), крильчаткі
8 і кришки 15. Крильчатка надіта на вал. Між корпусом і кришкою насоса є гумова
прокладка 9. Насос встановлюють окремо від активатора, а привід крильчатки
насоса здійснюється за допомогою фрикційного зчеплення шини 2 шківа 3 насоса з
шківом або валом електродвигуна. Насос в машині встановлений на кронштейні 6.
Іноді в
насосах
крильчатка
знаходиться на одній осі з активатором. На цій же осі укріплений відомий шків,
сполучений приводним пасом з провідним шківом на осі електродвигуна.
Продуктивність насоса різна залежно від типу
машини і
складає від 18 до 30 л/хв. Створюваний тиск рідини від 6,8 до 34,3
кПа.
Прилади
автоматики. У пральних машинах застосовуються теплові (захисні) реле
РТ-10 і пускозахісні
реле РТК-С
РТК-1,
РТК-1-2,
РТК-1-3,
РТК-3-0 і ін.
Теплове
реле типа РТ-10
з одним нормально замкнутим контактом служить для захисту від перевантажень
електричних установок і однофазних електродвигунів змінного струму з
номінальною напругою до 220 В.
Реле
виготовляють на номінальні струми І теплових елементів: 1,2; 1,9; 2,5; 3,3 і
4,3 А. При І =1,1 А реле не спрацьовує протягом 30 мін; при І = 1,35 А реле
спрацьовує не більше ніж через 30 хв; при І = 2 А реле спрацьовує за 18—60 с. Час
возврата
контактів в замкнутий стан від 30 с до 10 хв.
В реле
вбудований біметалічний термоелемент з перекидною пружиною, яка забезпечує
миттєве розмикання і замикання контактів, за рахунок чого досягається їх
довготривала служба — не меншого 50 тис. включень і відключень. Ізоляція реле
повинна витримувати випробувальну напругу в 2000 В, прикладене протягом 1.
Габаритні розміри реле 70X29,5X35 мм.
Реле
встановлюють у вертикальному положенні контактами вгору, живлення підводиться
до верхнього затиску. Реле призначені для роботи в закритих приміщеннях при
температурі навколишнього середовища від 0 до 70 °С.
Комбіновані
пускозахісні реле призначені для пуску
електродвигуна і захисту його обмоток. Реле
РТК-С
складається з пускового реле
соленоідного
типу і теплового біметалічного реле з прямим нагрівом, змонтованих в одному
корпусі.
Механічне
реле часу з пружинним двигуном призначено для автоматичного відключення
побутових пральних машин після закінчення попередньо встановленого часу. Реле
випускається з діапазоном витримки часу залежно від його конструктивного
виконання від 1 до 6 або від 1 до 10 хв. Допустиме відхилення часу витримки від
заданого ±0,5 хв.
Реле часу
позначають таким чином: з витримкою часу 6 хв. звичайного виконання — РВ-6; з
витримкою часу 6 хв. краплезахисного виконання —
РВ-6К.
Технічна
характеристика реле часу РВ-6
Механізм
реле має дві пари нормальне розімкнених
контактів. Механізм реле змонтований на
двох платах — верхній і нижній. Годинниковий механізм складається із заводної
пружини 4 (Рис. 26), центрального 5, проміжного і анкерного коліс, анкерної
вилки і балансу 1 із спіраллю 2. На верхній кінець осі 3 центрального колеса
надягається ручка з градуюванням в хвилинах і встановлюється заводна пружина.
На нижньому кінці осі центрального колеса закріплений пластмасовий кулачок,
призначений для замикання і розмикання контактів.
Поворотом
ручки реле часу встановлюється необхідний час прання. Одночасно з цим контакти
реле замикаються і машина включається. Заводна пружина передає рух на
центральне, проміжне і анкерне колеса і баланс (спіраль годинникового
механізму). При повороті ручки кулачок, насаджений на нижню частину осі
центрального колеса, повертається і своїми виступами притискує рухомі контакти
до нерухомих. Після закінчення заданого часу контакти реле розмикаються і
машина зупиняється. Це відбувається тому, що упор, який є на центральному
колесі і пересувається в прорізі нижньої пластини при заводі пружини,
повертається в початкове положення. Розмикання контактів відбувається в
результаті повороту кулачка. При цьому, потрапляючи в прорізі на кулачкові,
рухомі контакти розтискаються і відходять від нерухомих.

Рис. 28.
Реле часу:
1 —
баланс; 2 — спіраль годинникового механізму; 3 — вісь центрального колеса; 4 —
заводна пружина; 5 — центральне колесо
ПОБУТОВА
ЦЕНТРИФУГА
Центрифугу
«Цента» Ц-1,5 застосовують для віджимання білизни в домашніх умовах. Центрифугу
продають окремо або в комплекті з пральною машиною «Рига-15». Білизну після
прання або полоскання закладають в бак, що обертається усередині корпусу
центрифуги. При обертанні бака краплі вологи по його стінках стікають вниз, а
звідти у внутрішній бак і через зливний патрубок самоплив віддаляються з
центрифуги. Час віджимання білизни 1—2 хв.
До
проміжного дна корпусу 10 (Рис. 27) жорстко прикріплений електродвигун 5, на
валу якого встановлений бак 7, виготовлений з неіржавіючої сталі. На корпусі
електродвигуна закріплений конденсатор 11. У нижній частині бака розташовані
зливні отвори 6, через які при роботі центрифуги віддаляється віджата рідина. З
нижньої порожнини корпусу 10 рідина зливається через патрубок 12. У верхній
частині корпусу є знімна кришка 9, що закриває горловину корпусу, через яку в
бак закладається білизна. Кришка забезпечена еластичним кільцем, що фіксує її в
закритому положенні. У нижній частині корпусу розташована ручка 3 управління
центрифугою (включення і виключення електродвигуна).
Центрифуга
встановлюється на еластичному надувному амортизаторі 2 і підключається до
мережі за допомогою сполучного шнура 13.

Рис. 29.
Центрифуга «Цента»:
1 —
вимикач; 2 — амортизатор; 3 — ручка управління; 4 — плата для кріплення
вимикача: 5 — електродвигун; 6 — отвори для зливу рідини; 7 — бак; 8 — ручки
центрифуги; 9 — кришка, 10 — корпус; 11 — конденсатор; 12 — патрубок; 13
—з’єднувальний шнур
У
центрифузі встановлений асинхронний однофазний електродвигун
АВЕ-07-4С. Розміри
центрифуги дозволяють зберігати її в баку пральної машини «Рига».
НАПІВАВТОМАТИЧНІ
ПРАЛЬНІ МАШИНИ БАРАБАННОГО ТИПУ
На
відміну від машин, що випускаються напівавтоматичних, з активатором в машинах
барабанного типу всі операції проводяться в одному перфорованому барабані з
гребенями на внутрішній стороні. Білизна віджимається при збільшенні частоти
обертання барабана. При пранні передбачено циклічне реверсивне обертання
барабана. Пральний розчин машина не нагріває, але всі решта операції (прання,
полоскання, злив, віджимання) і зупинка автоматизовані. Пуск і перемикання
операцій виконуються при повороті рукоятки реле часу, який також дозволяє
встановити тривалість будь-якої операції.
В
порівнянні з двобаковими машинами активаторного
типу напівавтоматичні машини барабанного типу мають менші розміри, в цих
машинах менше зношується білизна, менше витрачається води і миючих засобів.
Завдяки поєднанню процесів прання, полоскання і віджимання в одному пральному
барабані скорочується частка ручної праці.
Машина
барабанного типу має прямокутну форму. Її підставкою є штампований з листової
сталі короб з чавунною плитою, що слугує одночасно і вантажем балансування,
який оберігає машину від переміщення при роботі. Машина складається з корпусу 4
(Рис. 30), усередині якого встановлений бак 3 з барабаном 1. Привід барабана
здійснюється від електродвигуна 6 за допомогою клинопасової
передачі. Насос 5 служить для відкачування миючого розчину. Бак 2 змонтований
на двох стійках, закріплених на підставці.

Рис. 32.
Пральна машина «Еврика-3»:
1—микровимикач; 2 —
бак; 3 — відомий шків; 4 — механізм реверсу; 5 — електродвигун ДАСМ-2У4; 6 — натяжитель; 7, 10 — ролики; 8 — провідний шків; 9 — пас; 11
— гвинт; 12 — кришка;
На цих
же стійках в цапфах, на підшипниках кочення, встановлений пральний барабан.
Кріплення барабана жорстке. Каркас машини має металеві огорожі і стінки, що
закріплюються на каркасі гвинтами 11. Для пересування машини по підлозі
передбачені ролики 7 і 10.
Завантаження
білизни верхнє. Кришка машини двохстінна, верх сталевий, штампований, низ
пластмасовий з фігурним формуванням , кріпиться до панелі корпусу на шарнірах.
Кришка блокується з мікровимикачем 1. Бак і барабан
виготовлені з листової неіржавіючої сталі. Барабан має форму сплюснутого
циліндра з трьома гребенями всередині. Завантажувальний люк бака закривається
кришкою. Барабану передається рух від
однофазного асинхронного двохшвидкісного
електродвигуна 5. Передача здійснюється клиновидним приводним пасом 9 за
допомогою двох алюмінієвих литих шківів: відомого 3 і ведучого 8. Натягнення
ременя регулюється за допомогою натягача 6. Механізм
4 реверсу барабана приводиться в рух асинхронним електродвигуном. Миючий розчин
відкачує відцентровий насос, що має власний електродвигун. На панелі управління
розташовані ручки реле часу і перемикач режиму прання. На задній стінці корпусу
машини в ніші розташовано два різьбові штуцери для приєднання шлангів,
службовців для затоки і зливу води. Тут же зберігається сполучний шнур. У
нижній частині передньої стінки машини є люк з кришкою 12 для доступу до фільтру
і насоса у разі його засмічення або попадання при сливі залишків води. Вище за
фільтр знаходиться покажчик води, що дозволяє контролювати заповнення бака
водою.
Покажчик
рівня рідини (Рис. 31) встановлений вище за рівень води в пральному баку 14. Переміщення
покажчика 7 відбувається за рахунок руху гумової мембрани 4, на яку впливає
стовп повітря, що стискається рідиною в підведеному до приладу гумовому
шлангу1. Рівень води контролюється стрілкою покажчика 7.

Рис. 33.
Покажчик рівня рідини:
а — подовжній розріз; б — схема включення:
1, 11, 12— гумові шланги; 2 корпус; 3 — шток; 4— гумова мембрана; 5 —-
гвинт; 6 — кришка; 7 — покажчик рівня; 8 — пружина; 9 — вісь покажчика; 10 —
кронштейн покажчика; 13— рівнемір; 14 — бак
Порядок
роботи машини полягає в наступному. Білизну завантажують в перфорований барабан
з гребенями всередині, які захоплюють білизну при обертанні барабана. Барабан
поміщений в пральний бак, який після завантаження барабана білизною
наповнюється водою. Миючі засоби засинають через верхній завантажувальний отвір
прального бака.
При
пранні в барабані, що реверсивно обертається, білизна захоплюється гребенями,
підводиться і під дією власної маси подається в миючий розчин. Одночасна
білизна треться об гребені барабана.
Для
запобігання скручуванню білизни в джгут передбачено циклічне реверсивне
обертання барабана: 12 с — обертання в одному напрямі, 2 с — пауза, 12 с —
обертання в протилежному напрямі.
Віджимання
білизни здійснюється в тому ж пральному барабані при збільшеній частоті обертання.
Пральна
машина «Эврика
-ЗМ» ПМП-ЗБ. У цій
моделі машини для прання і віджимання білизни використані принципово нові
рішення механічної і динамічної дії на оброблювану білизну шляхом застосування
барабана нової конструкції. Вперше в пральній машині типа ПМП
застосований
командоапарат, що
забезпечує значне підвищення ступеня автоматизації обробки білизни. Це
дозволило виключити пакетний перемикач, реле часу і електродвигун типа
ДСМ, що
забезпечує підвищення надійності роботи машини.
У машині
передбачено два режими прання, що дозволяє проводити обробку білизни зі всіх
видів тканин із зменшенням ступеня зносу. Підвищена якість прання білизни на 4
% і зменшений ступінь його залишкової вологості. Крім того, конструктивні зміни
прального бака (елементи жорсткості бічних стінок і обичайки) дозволили
зменшити його товщину (товщина неіржавіючої сталі до
ПРАЛЬНІ
МАШИНИ ТИПА ПМА
Побутові
автоматичні пральні машини типа ПМА призначені для прання білизни за
заданою програмою. Прання, замочування і полоскання здійснюються механічним
перемішуванням білизни, поміщеної в перфорований барабан в пральному розчині.
Віджимання білизни проводиться центрифугуванням в тому ж барабані.
Автоматичні
пральні машини принципово відрізняються від машин, що випускалися раніше, як по
конструкції, так і по складності електросхем; у них широко використовуються
елементи автоматики, що ніколи раніше не застосовувалися в побутових пральних
машинах. Процеси прання в цих машинах повністю автоматизовані: заливання і зливання
води для всіх операцій, введення миючих засобів, замочування, прання з нагрівом
води в баку пральної машини до заданої температури, полоскання і віджимання.
Різноманітний набір програм дозволяє прати білизну різної забрудненості,
міцності і хімічного складу матеріалу, не збільшуючи ступеня зношення білизни.
Для
автоматичного управління процесами прання з урахуванням фізико-хімічних і
механічних властивостей матеріалів в автоматичних пральних машинах встановлений
цілий ряд приладів контролю і регулювання процесів прання, які здійснюють
взаємодію органів машин у визначеній, наперед заданій, послідовності в часі:
командоапарат,
датчик-реле рівня прального розчину в баку, датчики-реле температури прального
розчину.
Прання
здійснюється в барабані прального бака за допомогою виконавчих
органів: електромагнітного клапана, електродвигуна приводу барабана, електронасоса,
електронагрівача.
У
автоматичних пральних машинах є також ряд допоміжних елементів, які
забезпечують роботу виконавчих приладів: загальний вимикач, мікровимикач
блокування кришки, конденсатори, резистори, сигнальна лампа.
Пральна
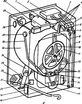
машина «Вятка-автомат-12». Корпус 38 (Рис. 32, а, б) виконаний з листової сталі
і складається з штампованих деталей, сполучених між собою зварюванням. Зверху
корпус закривається кришкою 40, яка кріпиться
гвинтами. Усередині корпусу встановлений бак 25 із закріпленим на нім двохшвидкісним електродвигуном 17, призначеним для
обертання перфорованого барабана. Бак підвішений на двох циліндрових пружинах
1, які кріпляться до упорів 3 корпусу. До нижньої частини бака з двох боків
приварені металеві пластини 24, що взаємодіють з фрикційними втулками ресор 21,
закріплених на корпусі. Ця система разом з противагами 30, встановленими на
баку, служить для зменшення вібрації машини.


Рис. 34. Пральна машина «Вятка-автомат-12»:
а — вигляд з боку задньої стінки; б —вид з боку завантажувального люка:
1 — пружина; 2— дозатор; 3 — упор; 4 — шланг; 5
i 6 — електромагнітні клапани; 7— патрубок; 8, 9— наливні шланги;
10 — хрестовина; 11, 16 — шківи;
12 – клиновий пас; 13—
датчик-реле температури; 14,
19 — конденсатори; 15 — трубчастий нагрівач; 17 — електродвигун; 18 — зливний шланг; 20
— реле; 21 — ресора; 22 — електронасос; 23 — фільтр; 24 — пластина; 25 — бак;
26 — шланг; 27 — реле рівня; 28 - фільтр усунення радіоперешкод ; 29 — командоапарат; 30 — противага; 31 — панель керування; 32 —
індикатор; 33 — ручка; 34 — вимикач; 35
— люк; 36 — кришка фільтру; 37 — ніжка; 38 - корпус; 39 — ручка бункера дозатора;
40 — кришка.
Нагрівання
і контроль температури миючого розчину здійснюються відповідно за допомогою
нагрівача
15 і датчиків-реле температури 13. Вихід пари з бака відбувається через
патрубок 7. Білизну завантажують в перфорований барабан через люк 35. Прання
проводиться за заданою програмою залежно від вигляду і ступеня забрудненості
тканини. Потрібну програму набирають ручкою командоапарата
29. Барабан встановлений усередині бака обертається в підшипниковому вузлі,
розташованому в хрестовині 10. Обертання барабану передається від
електродвигуна через шківи 11 і 16 за допомогою клинового паса 12. Барабан має
три ребра, що потрібні для кращого перемішування білизни в процесі прання.
Позаду
машини у верхній частині корпусу розташовані: блок підключення до водопровідної
мережі, який складається з двох електромагнітних клапанів 5 і 6, сполучених
шлангами з дозатором 2; реле рівня рідини 27, сполучене з нижньою частиною
шлангом 26; фільтр усунення радіоперешкод 28 із сполучним шнуром для
підключення машини до електромережі. Дозатор 2 служить для введення в бак
миючих засобів і засобів для спеціальної обробки білизни під час заповнення
бака водою через електромагнітні клапани.
У верхній
частині на лицьовій стороні корпусу розташована пластмасова панель31, на яку
виведені: ручка 33, вимикач 34 для включення економічного режиму прання,
індикатор 32, що сигналізує про роботу машини, ручка бункера дозатора 39. На
панелі нанесені написи з номерами і найменуваннями програм.
У нижній
частині машини встановлені: електронасос 22 для відкачування відпрацьованого
миючого розчину; знімний фільтр 23 з кришкою 36, розташованою на передній
стінці корпусу; конденсатори 14 і 19; реле напруги 20. Машина забезпечена
знімними наливними шлангами 8 і 9 для підведення гарячої і холодної води,
шлангом для зливу води 18, ванною для зливу залишку рідини і кронштейном для
укладання сполучного шнура. Для стійкості положення машини на підлозі служать
ніжки 37, що регулюються по висоті.

Рис. 35. Командоапарат. 1 – пластина; 2 – блок кулачків; 3 -
привод; 4 – затискна колодка; 5 – ручка переривника.
Доступ до
складальних одиниць і деталей машини в процесі обслуговування і ремонту
забезпечується знімними верхньою кришкою і задньою панеллю.
Конструктивно
машини виконані так, що після зняття верхньої кришки і задньої панелі
забезпечується зручний доступ до елементів конструкції і приладів машини.
Командоапарат.
Складається з набору кулачків, що приводяться в обертання синхронним
електродвигуном. Кількість кулачків залежить від числа програм пральної машини.
Командоапарат призначений для виконання двох повних
циклів. Цикли розділені двома зупинками (для прання щільних і тонких
матеріалів). Усередині цих основних циклів можна вибирати певне число програм,
яке змінюється для кожної моделі машини.
Командоапарат
має додаткову функцію: додавання води до II рівня. Під час бережливого режиму
прання входить i в дію система
гідростоп, яка
служить для підтримки тонкої білизни у воді. За відсутності цієї операції
білизна (особливо синтетична), залишаючись на деякий час без води, може
вкритись складками і її тяжко буде розгладити.
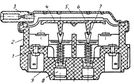
Датчик-реле рівня
РУ-ЗСМ. Служить
для контролю заданого рівня заливання
води в бак пральної машини. Датчик-реле рівня настроюють на спрацьовування при
тиску, Па: 1765 — при підвищенні рівня води; 588 — при пониженні рівня води.
Робочий діапазон при підвищенні рівня від 755 до 2450 Па, зони нечутливості не
менше 490 Па. Електричне навантаження на контакти перемикаючого пристрою реле
рівня не більше 16 А при напрузі не більше 250 В змінного струму і коефіцієнті
потужності не меншого 0,8.

Рис. 36.
Датчик-реле рівня РУ-ЗСМ:
1 —
заклепка; 2 — корпус; 3 — штуцер; 4 — мембрана; 5 — кришка; 6 — центр; 7 —
упор; 8 — регулюючий гвинт; 9— пружина.
Всі
основні деталі датчика-реле закріплені на корпусі 2 (Рис. 36). Між корпусом і
кришкою 5 затиснута мембрана 4, яка служить чутливим елементом і розділяє реле рівня на дві порожнини: одну
герметичну, сполучену через штуцер 3 з контролюємим
рівнем рідини, і другу, де розміщені перемикачі. З мембраною сполучений
жорсткий центр 6 з штовхачами, які через упори 7 передають зусилля на
перемикаючи пружинні пластини і на пружини 9 настройки. Другим кінцем пружини
настройки упираються в гвинти 8 настройки. Миттєве перекидання контактів
здійснюється за рахунок перекидаючих пружин.
Нерухомі
контакти кріпляться до корпусу 2 заклепками 1. Регулювання спрацьовування і
зони нечутливості, а також зазорів між контактами здійснюється спеціальними
гвинтами. Настройка на необхідні рівні спрацьовування проводиться за рахунок
зміни ступені стиснення пружини
настройки гвинтами 8.
Принцип дії реле рівня — перетворення тиску,
що створюється стовпом рідини і діючого на мембрану, переміщення рухомих
контактів і перемикання контактних пристроїв реле рівня. При підвищенні тиску і
досягненні верхнього заданого значення рівня мембрана 4 через штовхачі
перемикає контакти. При пониженні тиску на величину зони нечутливості
відбувається зворотне перемикання контактів.
При
комутації струмів до 16 А і напрузі 220 В можливо зварювання контактів у момент
зливу води. В цьому випадку для запобігання перегоранню ТЕНа
в реле рівня вбудований додатковий контакт, що комутує струм в 0,1 А при
напрузі 220 В і що надійно замикається при сливі води з бака нижче заданої
точки по рівню. Через захисний контакт включається ланцюг живлення електричного
вентиля на відкриття аварійної подачі води в бак пральної машини, що оберігає
ТЕН від перегорання, а у разі підвищення температури води в баку до 60 °С і
вище ланцюг живлення ТЕНа знеструмлюється за
допомогою реле захисту від підвищення температури.
Датчики-реле
температури. У пральній машині застосовано три датчики-реле температури
ДРТ-А і
ДРТ-Б (на
температуру 40, 60, 90 °С). Номінальна напруга датчиків 220 В. Маса реле не
більше
Зміна
температури контрольованої рідини приводить до зміни ступеня прогинання
чутливого елементу. При нагріванні контрольної рідини прогинання
чутливого елементу (диска) 12 (Рис. 35) зменшується, а досягши
температури спрацьовування реле температури
виштовхує диск,
натискає через втулку-штовхач 13 на пружину 15 і розмикає контакти реле.
При подальшому нагріванні диска при розімкнених контактах збільшується
ступінь його прогинання.
Контактна пружина
вигинається. Перевантаження
розраховане до температури 110 °С. При охолоджуванні прогинання диска
зменшується (при розімкнених контактах)
і досягши температури спрацьовування
звільняє контактну пружину. Контакти замикаються. При подальшому охолоджуванні
при замкнутих контактах прогинання диска збільшується. Перевантаження при охолоджуванні розраховане до температури
60 °С. Герметизація реле досягається заливкою епоксидним клеєм Д-9.

Рис. 37.
Датчик-реле температури ДРТ-Б:
1 —
корпус; 2 — кришка; 3 — підставка; 4, 5 — контактні виводи; 6 — спеціальний
гвинт; 7 — пружина зсуву; 8 — втулка; 9 — сферичний контакт; 10 — контактна
шайба; 11—пружина; 12 — диск; 13 — втулка-штовхач; 14 — шток; 15— контактна
пружина; 16 — маркування приладу.
Електромагнітні
клапани застосовуються двох типів: одинарні і потрійні. Клапани
розраховані на номінальну напругу 220 В, їх пропускна спроможність води

Рис. 38.
Електромагнітний клапан:
1, 9 —
манжети; 2 — сердечник; 3 — пружина; 4 — кінець пружини; 5 — котушка; 6—корпус;
7 — мембрана; 8 — сідло клапана; 10 — опора; 11—фільтр; 12—контактна пружина.