ТЕМА 7.
ПОБУТОВІ ЕЛЕКТРОПРИЛАДИ ІНДИВІДУАЛЬНОГО КОРИСТУВАННЯ
7.1.ЕЛЕКТРОБРИТВИ.
Електробритви
працюють від електричної мережі або автономних джерел живлення з наступною
номінальною напругою: 127 і 220 В
змінного струму частотою 50 Гц, 110 і 220 В постійного струму з
перемиканням з однієї напруги на іншу; 127 і 220 В змінного струму частотою 50
Гц з перемиканням з однієї напруги на іншу; до 12 В від джерела живлення
постійного струму. Випускаються електробритви наступних типів :
БЕПГ — з
поворотно-поступальною
ходою ножів гребінчастого
вигляду;
БЕВ — з обертальним рухом ножів і нерухомими
круглими ножами;
БЕВУ — з
універсальним живленням і живленням від автономних джерел;
БЕВС — з
обертальним рухом ножів і нерухомим ножем-сіткою;
БЕПС — з
обертально-поступальною ходою ножів і
нерухомим ножем-сіткою;
БЕПСУ — з
універсальним живленням від автономних джерел.
Режим
роботи електробритв короткочасний з тривалістю робочого періоду 10 хв.
Конструкція
електробритв комфортного виконання передбачає наявність наступних пристроїв:
стригучого блоку (окрім електробритв типа БЕПГ), перемикача напруги, вимикача.
Електродвигуни
в бритвах застосовують трьох типів: електромагнітні вібратори, колекторні
електродвигуни і імпульсні двигуни з кулісним механізмом.
Корпуси
для електробритв виготовляють з
фенопласту,
аминопласту, пластика
СНП,
этролу, полістиролу, пластика АБС і ін.
Сітчасті
нерухомі ножі бритв виготовляють з нікелю або сплаву нікель — кобальт. Вони
мають більше 2000 прорізів. Товщина сітки
Круглі
нерухомі ножі бритв виготовляють із сталі 30X13 або 40X13, кількість прорізів
54—80 (залежно від моделі бритви). Товщина ножа 0,05—0,11 мм.
Круглі
рухомі ножі виготовляють із сталі У10А, У7А, У9А, 13Х, 60X13, 13Х-ЗП. Частота
обертання рухомих ножів 3000 — 4000 за хвилину.
Гребінчасті
ножі виготовляють із сталі У7А або У10А. Товщина ножів 0,1—0,2 мм. Кількість
прорізів 180—352. При роботі бритви ножі здійснюють 6000—10 000 подвійних ходів
в хвилину.
Сполучні
шнури застосовують прямі і спіральні, знімні і незнімні. Шнури армовані
вилками. Автомобільні бритви мають спеціальне рознімання і вилку - перехідник або роз'ємний штекер для підключення до бортової
мережі автомобіля. Довжина шнура 1,7—2 м.
Існуючі
моделі вітчизняних електробритв по конструкції ножового блоку можна розділити
на два основні типи: бритви з поворотно-поступальною ходою рухомих ножів (з
гребінчастими, сітчастими і комбінованими ножами); бритви з обертальним рухом
рухомого ножа (з круглими або тарілковими ножами).
Для
приводу електробритв з поворотно-поступальною ходою ножів в основному
застосовується електромагнітний вібратор. Він простий по конструкції і надійний
в роботі.
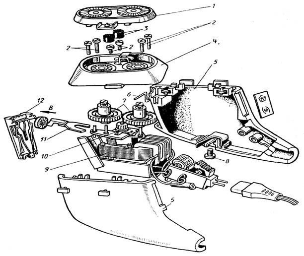
Електробритва
«Агідель». У роз'ємному пластмасовому корпусі 5 (Рис.
14) електробритви встановлений колекторний електродвигун 9, блок перемикача
напруги мережі, який комутує обмотки котушок статорів, вимикач бритви і
перемикач висувних ножів (блок стрижки) 12. У верхній частині корпусу на
підставі 4 встановлений ножовий блок 1 з «плаваючими» ножами, усередині яких
обертаються рухомі ножі. Зверху головка закрита ковпачком. Ножовий блок
відкидний. При натисненні кнопки-фіксатора він відкидається за допомогою
пружини, змонтованої на петлі ріжучої головки. Рухомі ножі приводяться в рух
пластмасовими шестернями 7, що знаходяться в постійному
зчепленні з провідною шестернею, закріпленою на валу якоря електродвигуна.
Ножі для
стрижки приводяться в рух через ексцентрик пластмасової шестерні і кулісу 11,
яка надає ножам поворотно-поступальну ходу. Знімний сполучний шнур бритви, що розтягується
у міру руху руки, підключений до бритви за допомогою колодки.

Рис. 14.
Електробритва «Агідель»:
I —
ножовий блок; 2 — гвинти; 3 — заглушки; 4 — підставка; 5 — корпус; 6 —
пружина;7 — шестерні; 8 — гвинт; 9 — електродвигун; 10 — підшипники; 11 —куліса;
12 —блок стрижки.
При
розбиранні електробритви зняти ножовий блок 1 і дві гумові заглушки 3. Потім
зняти блок 12 стрижки шляхом додатку зусилля по стрілці В, вивернути шість
гвинтів 2 і відокремити підставку 4. Зняти пружину 6, вивернути гвинт 8 і
роз'єднати половинки корпусу 5.
Бритву
змащують через 1,5—2 роки експлуатації. При цьому змащують три осі пластмасових
шестерень 7, місце сполучення ексцентрика шестерні з кулісою і зубчаті вінці
шестерінок. Для цього користуються мастилом
ЦИАТИМ-201 або
ЦИАТИМ-221.
Два підшипники 10 змащують трьома-чотирма краплями машинного масла
МП-704 або
МВП (другий
підшипник і його сальник знаходяться під екраном).
Ножовий
блок для гоління складається з двох нерухомих ножів, двох рухомих ножів і
обойми. Нерухомі ножі встановлюють у вікна обойми, потім вставляють рухомі ножі
і зверху закріплюють їх пружиною.
Електробритва
«Бердск-7».
Ця бритва з колекторним електродвигуном.
Провідна шестерня, насаджена на вал електродвигуна , через зубчаті колеса приводить в рух три рухомі ножі ножового
блоку. Ковпачок оберігає нерухомі ножі
ножового блоку від пошкодження. Схема
намотування і з'єднання секцій якоря — по схемі «трикутник». Обмотки якоря
просочують
клеєм
АК-20.
Зовні обмотки промазують клеєм
БФ-4. Допускається різниця опорів між секціями до 10 Ом.
Електрична міцність ізоляції обмотки якоря повинна бути такій, яка витримує
напругу 1250 В змінного струму при потужності джерела живлення не меншого 0,5 кВ-А протягом 1 хв. Опір
між ламелями колектора
повинен бути 320±45 Ом.
Для
приводу електробритв з поворотно-поступальною ходою ножів в основному
застосовується електромагнітний вібратор, який відносно простий по конструкції
і надійний в роботі.
Принцип
дії електромагнітного вібратора заснований на взаємодії магнітного потоку
обмотки збудження і рухомого ротора, намагніченого цим потоком. При підключенні
обмотки збудження до мережі змінного струму по обмотці потече струм, який
створює магнітний потік збудження. Магнітний потік замикається по статору і
ротору, намагнічуючі останній. Силові лінії при цьому виходять з полюса статора
і входять в полюс ротора і відповідно виходять з полюса ротора і входять в
полюс статора. Таким чином, сердечники статора і ротора виявляються зверненими
один до одного різнойменними полюсами, завдяки чому ротор притягується до
полюса сердечника статора.
При
включенні обмотки в мережу змінного струму
(частота 50 Гц за один період) відбувається зміна полярності струму і,
отже, потоку. Із зміною потоку відповідно змінюється полярність як сердечника
статора, так і сердечника ротора. Тому у будь-якому випадку статор і ротор
виявляються зверненими один до одного різнойменними полюсами. Отже, сили
притягання не залежать від напряму струму в обмотці котушки збудження; при
протіканні струму за один період ротор притягуватиметься до статора позитивною
і негативною півхвилями потоку, тобто двічі за період, або 6000 разів на
хвилину.
Загальним
недоліком бритв з електромагнітним вібратором є підвищений шум (60—63 дБА) і вібрація корпусу із-за неврівноваженості рухомих
ножів.
7.2.
ЕЛЕКТРИЧНІ ФЕНИ
Електрофени
призначені для сушки, розчісування і укладання волосся. Їх виготовляють на
номінальну напругу 220 В змінного струму. У позначенні типів фенів літери
означають: Ф — фен; Р — ручний; П — переносний; С — стаціонарний; Б —
безступінчате регулювання; Н — з насадками.
Фени
розраховані на наступний цикл роботи: тривалість робочого періоду 1 година;
тривалість відключеного стану після 1 год роботи -
0,5 год.
Температура
повітря, що виходить з фену, залежить від режимів нагріву : слабкий нагрів —
40ºС, помірний нагрів — 50ºС, сильний нагрів — 60ºС.
При безступінчатому регулюванні
нагріву температура повітря, що
виходить, повинна регулюватися від температури навколишнього повітря до
температури 60 °С.
Фени
забезпечені сполучним шнуром завдовжки
Прилад «Мікма» (модель 400) для догляду за волоссям. Призначений
для сушки, розчісування і укладання волосся.
Прилад
працює таким чином. При підключенні до мережі і натиску на кнопку вимикача 10
(Рис. 13), який впливає на важіль 6, включаються електродвигун 7 і електронагрівач
5. Вентилятор 9 засмоктує повітря через прорізи в задній кришці і жене його в
корпус 3 приладу. Проходячи через електронагрівач, повітря нагрівається і через
розсікач 2 поступає в насадку. Насадки нагвинчують на
корпус. При перегріві (наприклад, при перекритті повітряних каналів) прилад за
допомогою
термовимикача автоматично відключається і включається
знову після короткочасного охолоджування.

Рис. 15.
Прилад «Мікма»:
1 —горловина корпусу; 2 — розсікач;
3 — корпус; 4—екран; 5 — електронагрівач; 6 — важіль; 7 — електродвигун; 8 —
сполучний шнур; 9 — вентилятор; 10 — вимикач;