ТЕМА 6.
ПОБУТОВІ ЕЛЕКТРОПРИЛАДИ ДЛЯ ОЗДОРОВЛЕННЯ МІКРОКЛІМАТУ ПРИМІЩЕНЬ
У
житловому приміщенні склад повітря з часом погіршується. Причому зменшується
частка його основного газового компоненту — кисню і відповідно збільшується
процентний зміст вуглекислоти і інших газів, підвищується забрудненість
повітряного середовища різними аерозолями, пилом, канцерогенними і смолянистими
речовинами, що утворюються при горінні.
При цьому
в основному забруднення поступають з кухонь, особливо газифікованих. Тому в
першу чергу побутові прилади для рециркуляційного
очищення повітря — очисники повітря — треба встановлювати в кухнях.
Разом з
очисниками повітря розроблені прилади для іонізації, зволоження, підігріву,
охолоджування і інших видів обробки повітря (відповідно іонізатори,
зволожувачі, кондиціонери і ін.). Найбільш універсальними є кондиціонери, вони
виконують до чотирьох-п'яти операцій.
6.1.
ВЕНТИЛЯТОРИ
Вентилятори
призначені для роботи в умовах житлових приміщень, громадських і виробничих
будівель, салонах автотранспорту. Вентилятори поділяються:
за
призначенням.— для обдуву і перемішування повітря, притоку і
витягування
повітря;
по місцю
установки (по типах) —ВН — настільні, ВС — настінні, ВНС — настільно-настінні,
ВТ — підлогові (торшерні), ВУ — універсальні, ВК — для витяжних каналів, ВР —
ручні. ВП — стельові, ВА — автомобільні; за принципом дії — осьові,
відцентрові, діаметральні;
по
кількості швидкостей — з одною швидкістю і з декількома швидкостями (із
ступінчастим або безступінчатим, плавним, регулюванням швидкості);
по зміні
напряму потоку повітря — без зміни напряму потоку повітря, із зміною напряму
потоку повітря, яке може бути змінене при зміні положення вентилятора, з
неавтоматичною або автоматичною зміною напряму потоку повітря у вертикальній
або горизонтальній площині без зміни положення вентилятора; з круговою зміною
напряму потоку повітря; з електричним реверсом обертання крильчатки;
по
наявності захисних пристроїв — без захисної огорожі, з огорожею відкритого
типу, з огорожею закритого типу.
Стельові вентилятори
випускаються без штанги і на штанзі. Останні призначені для роботи тільки в
громадських приміщеннях.
Вентилятори
випускаються на номінальну напругу 220 В змінного однофазного струму, на 6 і 12
В постійного струму.
У
вентиляторах застосовуються електродвигуни з екранованими полюсами, а також
конденсаторного і колекторного типу.
Коректований
рівень звукової потужності вентиляторів на максимальній швидкості повинен бути
в межах 54—69
дБА залежно від виконання
вентилятора.
Довжина
сполучного шнура
У
вентиляторах підвищеної комфортності передбачено не меншого двох з наступних
елементів: пристрій управління механізму автоматичного повороту, винесений на
загальний пульт; пристрій регулювання автоматичного повороту; механізм
автоматичного прибирання шнура; відсік для прибирання шнура; таймер; пристрій
регулювання висоти робочого органу вентилятора; пристрій кругового повороту,
вбудовані додаткові пристрої.
Конструкція
вентиляторів забезпечує: легке знімання деталей і складальних одиниць, що
демонтуються, розбирання і збірку без застосування спеціальних інструментів і
пристосувань, відновлюваність виробу, можливість застосування прогресивних
технологічних процесів ремонту.
Приклад
умовного позначення вентилятора настільного типу номінальною продуктивністю 20
м3/хв, кліматичного виконання УХЛ4.2, найменування «Орбіта-10»: ВН20
УХЛ4.2 «Орбіта-10».
Для
забезпечення нормальної роботи і щоб уникнути передчасного зносу підшипників
через кожні 500 годин роботи вентилятор рекомендується змащувати.

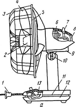
Рис. 11.
Вентилятор «Апшерон»: а — конструкція: 1 — вилка; 2 — ковпак; 3, 5 — захисна
решітка; 4 — крильчатка; 6 — однофазний електродвигун; 7— втулки; 8 — гвинт; 9
— кожух; 10 — рукоятка; 11 —- стійка; 12 — підставка; 13— перемикач частоти
обертання;
Змащувати
передній
підшипник
необхідно при знятому ковпаку і решітках, а заднього — при знятому кожусі.
Приблизно 4— 5 крапель вазелінового, веретенного або масла
МВП слід
капати безпосередньо на вал електродвигуна
біля підшипників.
Для
мастила переднього щита необхідно зняти решітку 3, ковпак 2, обертаючи його за
годинниковою стрілкою, потім
крильчатку
4 і, нарешті, відвернувши три гвинти, решітку 5. Для змащення заднього
підшипника вивернути гвинт 8 і зняти кожух 9. Зібрати вентилятор в зворотному
порядку.
Осьовий
люфт валу електродвигуна не повинен перевищувати
Шестерні,
черв'як, спеціальний гвинт перед збіркою двигуна слід змащувати мастилом
ЦИАТИМ-201.
6.2.
ТЕПЛОВЕНТІЛЯТОРИ
Це
опалювальні електроприлади з
тепловіддачею переважно примусовою конвекцією. Електричні
тепловентілятори
виготовляють наступних виконань:
по місцю
установки — П — підлогові, Н —
настільні, С —
настінні,
У — універсальні.
за
принципом дії — осьові, тангенціальні (турбинні), відцентрові;
по
регулюванню продуктивності — із ступінчастим регулюванням, з безступінчатим
(плавним) регулюванням;
по
регулюванню потужності електронагрівального елементу
— із
ступінчастим регулюванням, з безступінчатим (плавним) регулюванням;
по зміні
напряму повітряного потоку: з неавтоматичною зміною напряму повітряного потоку
у вертикальній площині, з неавтоматичною зміною повітряного потоку у
вертикальній і горизонтальній площинах, з автоматичною зміною
напряму повітряного потоку
в площині, положення якої може мінятися вручну.
Тепловентілятори
забезпечені термовимикачем, що відключає прилад при виникненні аварійного
режиму роботи (зупинка електродвигуна, замикання частини електронагрівального елементу і ін.).
Довжина сполучного шнура
До
елементів комфортності тепловентіляторів відносяться:
ручка для перенесення приладу, терморегулятор, відсік для шнура або механізм
автоматичного намотування шнура, сигнальна лампа.
6.3.
ЗВОЛОЖУВАЧІ ПОВІТРЯ
Ці
прилади призначені для отримання комфортної вологості в житлових приміщеннях.
Зволожувач використовується також для розпилювання водних розчинів ароматичних
речовин і лікарських препаратів. Зволожувач забезпечує отримання відносної
вологості опалювального приміщення на рівні, необхідному для здоров'я людини,
домашніх тварин і рослин. Одночасно зволожувач очищає повітря від пилу і диму.
Під час роботи зволожувача унаслідок електризації розпилених частинок води в повітрі
зростає число негативних іонів, завдяки чому повітря житлових приміщень
наближається до повітря біля моря, в горах, поблизу водоспадів.
Зволожувачі
мають резервуар для води, закритий корпусом з подвійними стінками. При роботі
двигуна вода піднімається по стінках вгору, потрапляє у відцентровий
вентилятор, який відкидає її на решітку або сітку. Через отвір в корпусі вода у
вигляді бризок або туману потрапляє в приміщення.
Електрозволожувачі
підрозділяються на наступні типи: УВ—з нерегульованою продуктивністю по
розпилюванню води, УВР — з регульованою або ступінчастою змінною продуктивністю
по розпилюванню води.
12.
Технічна характеристика електричних зволожувачів
Режим
роботи електрозволожувачів тривалий.
Електрозволожувачі
виготовляються трьох виконань:
настільні,
підлогові (включаючи на підставках) і
настінні.
Всі прилади мають відмітку максимального рівня води і забезпечені незнімними
сполучними шнурами завдовжки
Зволожувач
«Бриз» має електродвигун 3 (Рис. 10), який встановлений на підставці 5 і
приводить в обертання диск 9. При обертанні вода з корпусу 10 під дією
відцентрової сили піднімається по конусу диска і розбивається розсікачем на дрібні краплі. Лопатки 7 вентилятора і
тарілка 8 утворюють потік повітря, яке підхоплює краплі води. Дрібнодисперсна
суміш води і повітря вилітає вертикально вгору з горловини кришки 2.
Для
розпилювання водних розчинів лікарських препаратів (інгаляції) служить
мундштук.

Рис. 12.
Зволожувач «Бриз»:
1—
з’єднувальний шнур з вилкою; 2 —
кришка; 3 — електродвигун; 4 — ковпак; 5 — підставка; 6 — розсікач;
7 — лопатки вентилятора; 8 — тарілка; 9 — диск; 10 — корпус;
6.4.
ІОНІЗАТОРИ
Ці
прилади призначені для збільшення кількості негативних іонів в повітрі житлових
приміщень. Згідно теорії професора А. Л. Чижевського носієм негативних
електричних зарядів в атмосферному повітрі є кисень. Для отримання тільки
негативних іонів А. Л. Чижевський користувався електроеффлювіальним методом,
при якому негативні заряди стікають з металевих голок при підведенні до них
електричного струму напругою 25—40 кВ. Негативні іони відрізняються від
позитивних вищою рухливістю, коефіцієнтом дифузії і іонізуючою здатністю.
Тривалість
існування іонів певної полярності коливається від секунди до декількох хвилин залежно від
чистоти повітря. Чим менше в повітрі пилових і інших дрібнодисперсних
частинок, тим триваліше існування іонів. Навпаки, в повітрі, забрудненому
дрібнодисперсними частинками, аероіони
(електричні заряди повітря), потрапляючи на них, перетворюються на важкі малорухомі іони. У цьому вигляді вони можуть
існувати тривалий час, доки не з'єднаються з аероіонами
іншої полярності.
У
зовнішній атмосфері концентрація аероіонів досягає 103
іонів обох полярностей
в 1 см3 . Тим часом концентрація легких іонів в повітрі в будівлях
за відсутності в них людей наближається до концентрації іонів за межами
будівлі. Проте як тільки приміщення наповниться людьми, іонний режим повітря
зміниться: кількість легких іонів різко скоротиться, а важких зросте (до
десятків тисяч в 1 см3).
Ґрунтуючись
на експериментальних даних, гігієністи стверджують, що повітря, збагачене
легкими негативними іонами, сприятливо діє на зростання худоби, птаха, рослин,
надає лікувальну дію при різних захворюваннях людини.
Настільний
іонізатор «Рига» — портативний генератор легких аероіонів
негативної полярності. Аероіони, що створюються
іонізатором, нейтралізують значну частину позитивних іонів в навколишньому
просторі, що дозволяє успішно застосовувати його для корекції аероіонного режиму приміщень.
Іонізатор
є високовольтний випрямляч, зібраний по схемі множення. Коронний розряд, що
утворюється на вістрях коронуючого
електроду, іонізує повітря. З пар іонів, що утворюються, позитивні
нейтралізуються на вістрях, а негативні вилітають з щілини з великою швидкістю,
що забезпечується наявністю спеціального відбивного електроду.
При
роботі іонізатора на коронуючому
електроді виникає негативна напруга величиною 3,5±0,5
кВ, на
відбивному—
негативна напруга величиною 1,4±0,2 кВ.
Свічення
неонових контрольних ламп на передній панелі іонізатора указує на наявність
напруги мережі, але не на наявність або відсутність потоку аероіонів.
У справно
працюючого іонізатора в темряві спостерігається слабке свічення кінчиків голок коронуючого електроду і, як правило, на відстані 2—3 см від
випромінюючої щілини відчувається легкий специфічний запах озону.
Іонізатор
повинний розташовуватись на відстані не ближче
6.5.
ОЧИСНИКИ ПОВІТРЯ
Прилади
призначені для очищення повітря кухні від жирових випаровувань і неприємних
запахів, що утворюються в процесі приготування їжі. За принципом дії очисники повітря
аналогічні протигазам з тією лише різницею, що в протигазі забруднене повітря
під дією роботи легенів людини послідовно проходить через ряд фільтрів і таким
чином очищається, а в очиснику повітря рух повітря здійснюється за допомогою
вентиляційної системи з приводом від електродвигуна.
У
очисниках повітря припливно - витяжного типу, повітря
для очищення проганяють скрізь очисник повітря як через фільтр з одного
приміщення в інше, з приміщення назовні або з вулиці в приміщення.
Очисники
повітря вмонтовують над плитою на висоті 600—
Розміри
засмоктуючої поверхні очисника повітря, як правило, відповідають розмірам
поверхні плити, що сприяє повнішому засмоктуванню повітряного потоку, що
піднімається від плити. Очисники повітря оснащені електричним освітленням, яке
включають при недостатньому природному освітленні поверхні плити.
Прилади
виготовляються чотирьох виконань. Передбачається наявність основних складових
частин, що визначають комфортність. Фільтр очищення від аерозолів і вузол
додаткового освітлення передбачаються для всіх чотирьох виконань. Фільтр
очищення від продуктів неповного згорання газу встановлюється на очисники
повітря 1-го і 2-го виконань. Елемент стерилізуючої
дії передбачається в приладах
1-го і 4-го виконань.
Очисники
повітря мають не менші два режими роботи вентилятора: 1-й режим — номінальний,
2-й—.форсований з підвищеною продуктивністю повітряного потоку.
Електричний очисник повітря
БЭВ-1 може
бути вбудований в комплектні кухонні меблі або встановлений на стіні над
електричною або газовою плитою на висоті 700—
У корпусі приладу знаходиться вентиляційна
система. Знизу корпус приладу закривається кришкою з фільтруючим матеріалом
(аерозольним фільтром). Усередині приладу розташовується бактерицидна
ртутно-кварцова лампа , електролампи
освітлення потужністю 25—60
Вт. Передня частина корпусу закрита
декоративною панеллю , у вікні якої розташовані клавіші блоку управління
приладом. На лицьовій стороні очисника повітря є відкидний козирок , який у
відкритому положенні служить збірником забрудненого повітря, що піднімається
від плити.
Аерозолі
і механічні домішки, що відсмоктуються разом з повітрям з навколишнього
середовища, осідають на фільтруючому матеріалі. Після аерозольного фільтру
повітря проходить мимо бактерицидної лампи, що забезпечує стерилізацію повітря,
а також спільно з сорбентом і газове очищення повітря. Очищене повітря
повертається в приміщення кухні.
Електричною
схемою передбачено блокування клавіш включення бактерицидної лампи і
вентилятора: лампа не горітиме, якщо не включений вентилятор. Це необхідно для
того, щоб озон, що утворюється при роботі лампи, віддалявся з приладу потоком
повітря.
При горінні бактерицидної лампи через
фільтруючий матеріал кришки повинне бути видне зеленувато-голубувате світло.
Прилад
включають в роботу з моменту початку приготування їжі і включення плити і
вимикають після закінчення приготування їжі. Бактерицидна лампа може бути
включена на весь час приготування їжі.
Сорбент,
що знаходиться в касетах, рекомендується замінювати через 6—12
місяців
роботи очисника повітря. В якості сорбенту в очиснику повітря можуть бути
використані активоване вугілля і
алюмосилікатні
кулькові каталізатори.
Підшипники
електродвигуна змащують маслом
Б-ЗВ або
МС-20 через два отвори, розташованих в підшипникових щитах
електродвигуна.
6.6.
КОНДИЦІОНЕРИ
Кондиціонери
призначені для створення сприятливих
умов в житлових і службових приміщеннях, що є місцем перебування людей.
Кондиціонери підрозділяють:
по
основних виконуваних функціях — на типи КБ1, КБ2,
КБЗ;
по
верхньому граничному значенню температури зовнішнього повітря при експлуатації
— на виконання А і В;
по холодопродуктивності;
по
компоновані основних функціональних вузлів — на моноблокові (у єдиному
корпусі), роздільні (у вигляді окремих блоків);
по місцю
установки — на віконні, підлогові пересувні (п) —для моноблокових
кондиціонерів; підлогові (рп), настінні (рс), стельові (рв), вбудовані в
меблі (рм) — для роздільних кондиціонерів.
Кондиціонер
типу КБ1 призначений для охолоджування і осушення повітря, автоматичної
підтримки заданого ступеня охолоджування, вентиляції, очищення повітря від
пилу.
Кондиціонер
типа КБ2 служить для охолоджування і осушення або нагріву повітря при
реверсуванні потоку холодоагенту (режим теплового насоса), автоматичної
підтримки заданого ступеня охолоджування або нагріву, вентиляції, очищення
повітря від пилу.
Кондиціонер
типа КБЗ виконує ті ж основні функції, що і кондиціонер типа КБ2, а також
нагріває повітря вбудованими електронагрівачами, що
працюють незалежно або у поєднанні з реверсуванням потоку холодильного агенту.
Кондиціонери
типів КБ2 і КБЗ обладнані пристроєм автоматичного відтавання снігової шуби
зовнішнього теплообмінника.
Коректований рівень звукової потужності при роботі
кондиціонера повинен бути:
для
кондиціонера
холодопродуктивністю
від 1120 до 2240 Вт — 64
дБА;
для кондиціонера холодопродуктивністю від 2800 до 4500 Вт — 66 дБА;
для
кондиціонера
холодопродуктивністю
5600 Вт
— 70 дБА.
Побутовий
віконний кондиціонер БК-1500 використовується в житлових, службових і інших
приміщеннях площею до
Усі
деталі кондиціонера змонтовані на металевій підставі.
Металевою
перегородкою кондиціонер розділяється на два герметично ізольованих відсіки —
зовнішній і внутрішній.
Внутрішній
відсік кондиціонера, встановленого у віконному отворі, знаходиться усередині
приміщення, а зовнішній розташовується. поза ним.
Основними
робочими складальними одиницями кондиціонера є: холодильний агрегат,
вентилятори (осьовий і відцентровий) із загальним електродвигуном, пульт
керування 2 (Рис. 11) з
пускозахистним
пристроєм. Компресор, конденсатор, осушувач і розширювач розташовані в
зовнішньому відсіку, а випарник — у внутрішньому. Система холодильного агрегату
заповнена змащувальним маслом і холодильним агентом (фреоном-22).
При
включених електродвигунах агрегат працює таким чином. Пари фреону нагнітаються
компресором 9 (Рис. 11, ) в конденсатор 8, де і відбувається конденсація пари
за рахунок відведення тепла зовнішнім повітрям, що подається осьовим
вентилятором 20. Далі рідкий фреон поступає через фільтр-осушувач 11 по
капілярній трубці 12 у випарник 16.

Рис. 13.
Кондиціонер БК-1500:
а —
загальний вигляд; б — схема роботи: 1—поворотні решітки; 2 — пульт керування; 3
— кожух; 4 — передня панель з фільтром для очищення повітря; 5 — панель з
жалюзі 6 — гвинт кріплення передньої панелі; 7 — сполучний шнур; 8 — конденсатор;
9 — компресор; 10 — розширювач; 11 —фильтр-осушувач;
12— капілярна трубка; 13 — пульт управління; 14 — перегородка; 15 — повітряний
фільтр; 16 — випарник; 17 — відцентровий вентилятор; 18—засувка вентиляційна;
19 — електродвигун вентиляторів; 20— осьовий вентилятор;
Капілярна
трубка створює перепад тиску між конденсатором і випарником, унаслідок чого
рідкий фреон переходить у випарник в газоподібному стані. При цьому він
поглинає велику кількість тепла, віднімаючи його від стінок випарника і повітря,
що засмоктується відцентровим вентилятором 17 з приміщення. Охолоджений
повітряний потік поступає в приміщення через поворотні решітки. З випарника
через розширювач пари холодоагенту відсмоктуються компресором, і цикл
повторюється. Осьовий вентилятор 20 з
електродвигуном 19, розташований в зовнішньому відсіку призначений для
охолоджування конденсатора зовнішнім повітрям, що засмоктується через жалюзі в
бічних стінках кожуха. Відцентровий вентилятор, встановлений у внутрішньому
відсіку кондиціонера служить для засмоктування повітря з приміщення через
решітки декоративної панелі, повітряний фільтр 15 і випарник, а також для
нагнітання охолодженого і очищеного від пилу повітря в приміщення через
поворотні решітки 1. Електродвигун вентилятора включається при пуску
компресора, проте він може бути також включений в роботу в режимі вентиляції і
при відключеній холодильній системі.
Пульт
управління 2 з пускозахисним пристроєм призначається
для пуску, зупинки і управління роботою кондиціонера, встановлення бажаної
температури в приміщенні і автоматичної підтримки її, а також для захисту
елементів кондиціонера від перевантаження.
На
сьогодні все більшого поширення набувають «спліт – системи». Назва цих моделей
кондиціонерів походить від англійського «спліт», що означає – «окремий». В цих
системах блок з компресором, як найбільш гучний, винесений окремо за стіну, а
холодильний агент до випарника подається по трубопроводу , якій проходить
скрізь стіну. Блок з випарником і вентилятором знаходиться на стіні безпосередньо
в приміщенні. Великий плюс цієї системи в тому, що таки системи не обов’язково
встановлювати у вікні, а можна в любому зручному для цього місці. При цьому
один блок з компресором може обслуговувати декілька блоків з системою
кондиціювання (мульті спліт – системи).