Практичне заняття 2
Стартерні акумуляторні батареї
Метою роботи є вивчення
технічних характеристик автомобільних стартерних
акумуляторних батарей (АКБ) особливостей їх
конструкції, електричних схем, умов експлуатації (обслуговування та ремонту).
Завдання
до виконання практичних робіт
Вибрати автомобільну акумуляторну
батарею стартерного типу. Використовуючи спеціальну
літературу, натурний зразок АКБ, вивчити будову та проаналізувати особливості
конструкційних рішень за нижче наведеним алгоритмом.
Виконувати завдання варто у такій
послідовності:
1. З
технічних характеристик досліджуваної АКБ вибрати основні (номінальну напругу,
номінальну ємність, значення сили струму пуску, габарити та масу, розміщення
полюсних виводів;
2. Вибрати
інші технічні характеристики (параметри), що якісно (кількісно) відрізняють
досліджувану акумуляторну батарею серед ряду аналогічних АКБ;
3. Вказати
на особливості конструкції (будови), що має досліджувана АКБ та
охарактеризувати застосоване конструкційне рішення;
4. Накреслити
електричну схему з’єднання АКБ з генераторною установкою та стартером та
охарактеризувати її;
5. Визначити
умови експлуатації та ресурс (за можливості), особливості технічного
обслуговування і ремонту АКБ;
Приклад виконання завдання
Об’єкт дослідження – акумуляторна
свинцево-кислотна батарея стартерного типу 6СТ-44А.
1.
Технічні характеристики досліджуваної АКБ [3]:
Номінальна
напруга, В 12
Номінальна
ємність, А год. 44
2.
Параметри стартерного розряду
(пусковий
струм холодної прокрутки)
Струм
розряду, А 220
Тривалість
розряду, хв 2,5
Маса
АКБ:
з
електролітом, кг 14
без
електроліту 10
Термін служби,
років 4…5
Термін
зберігання, років 1*
* для залитих
електролітом батарей, термін збереженості за умови підзаряджання через кожні 4…6 тижнів.
3. Умовне позначення батареї "6СТ-44А1" вказує, що
шість з’єднаних послідовно акумуляторів стартерної за
призначенням батареї, дають номінальну напругу – 12 В. Її номінальна ємність С20
– 44 А-год при 20-годинному режимі розряду. Позначення А1, вказує на
варіант виготовлення батареї в моноблоці із загальною кришкою у сухозаряженному виконанні.
При виготовлені струмовиводів і
електродів використано додавання кальцію
у сплав. містить, іноді вказують з рекламною метою. Розміщення виводів за
полярністю обернена (L+; 0; «євро»). Кріплення типу В2.
Все маркування, передбачене вимогам стандартів, наноситься на
кришку батареї тисненням плюс самоклеючі етикетки на корпусі і кришці.
Батарея малообслуговувана, корпус
моноблока виготовлено з напівпрозорої термопластичної пластмаси з зазначенням
рівнів електроліту для зовнішнього візуального контролю, міжелементні
з’єднання акумуляторів – через стінки перегородок моноблока. Блок електродів зміщено до дна моноблока,
відповідно збільшився рівень електроліту над пластинами.
Зменшена потреби у доливанні води в процесі експлуатації, менше саморозряджання, зберігання зарядженої батареї до 12
місяців без підзаряду (не більше 3-х циклів).
АКБ обладнана спеціальним індикатором зарядженості, контроль
відбувається зі зміною кольору індикатора.
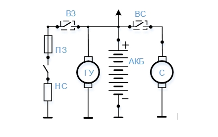
4. Електрична схема, що відображає
приєднання АКБ у загальну схему електрообладнання автомобіля зображена на рисунку
1. Провідники якими з’єднується генератор і стартер виконані з міді і мають
відповідне січення 5 мм2 і 16 мм2 відповідно. Зі сторони приєднання до маси
автомобіля може бути передбачено вимикач для від’єднання АКБ під час тривалого
зберігання автомобіля.

ГУ – генераторна
установка; АКБ – стартерна акумуляторна батарея; ВЗ –
вимикач запалювання; ВЗ – вимикач двигуна стартера; С– стартер;
ПЗ – запобіжник; НС –
навантаження створене споживачами;
Рисунок
1 – Акумуляторна батарея у схемі електрообладнання автомобіля
5. Технічне обслуговування і ремонт
акумуляторних батарей
Технічне обслуговування (ТО) акумуляторних батарей
проводиться з періодичністю ТО всього автомобіля.
Під час ТО-1 акумуляторну батарею очищують від пилу й бруду,
залишків електроліту на поверхні. Перевірка надійності кріплення батареї, стан
клемових з’єднань, виявлення наявності пошкоджень.
Під час ТО-2, виконується перелічених
робіт ТО-1. Після доведення показників до норми перевіряється роботоздатність АКБ під навантаженням.
Раз у 4 місяці контролюють і, за потреби, доводять до
нормального рівня кількість електроліту, додатково перевіряють ступінь розрядженості акумуляторів батареї за густиною електроліту.
Поточний ремонт проводиться за загальними рекомендаціями щодо
ремонту малообслуговуваних батарей.