Практичне заняття 3
Стартери
Метою роботи є вивчення технічних характеристик автомобільних стартерів (С)
особливостей їх конструкції, електричних схем, умов експлуатації
(обслуговування та ремонту).
Завдання до виконання практичних
робіт
Вибрати
стартер автомобільного двигуна. Використовуючи спеціальну літературу, натурний
зразок стартера, вивчити будову та проаналізувати особливості конструкційних
рішень за нижче наведеним алгоритмом.
Виконувати завдання варто у такій
послідовності:
1. З
технічних характеристик досліджуваного стартера вибрати основні (номінальну
напругу, номінальну потужність чи значення сили струму пуску та габарити та
масу;
2. Вибрати
інші технічні характеристики (параметри), що якісно (кількісно) відрізняють
досліджуваний стартер серед ряду аналогічних стартерів;
3. Вказати
на особливості конструкції (будови), що має досліджуваний стартер та
охарактеризувати застосоване конструкційне рішення;
4. Накреслити
електричну схему з’єднання стартера з АКБ та охарактеризувати її;
5. Визначити
умови експлуатації та ресурс (за можливості), особливості технічного
обслуговування і ремонту стартера;
Приклад виконання завдання
Об’єкт
дослідження – автомобільний стартер для пуску двигуна з електродвигуном
постійного струму змішеного збудження – 261.3708.
1. Технічні характеристики
досліджуваної АКБ:
Номінальна напруга, В
12
Номінальна потужність, кВт 1,13
2. Пускова потужність, кВт 0,8
Струм
холостого ходу, А (не більше) 70
Частота
обертання якоря:
холостий
хід, хв-1 5000
за
пускової потужності 1730
Напруга
увімкнення втягуючого реле, В (не більше) 9
Число зубів шестерні приводу,
(модуль) 9 (2,1116)
Маса стартера 4,53
3. Досліджуваний стартер має класичну конструкцію, з повноопорним якорем на бронзо-графітових втулках.
Особливістю конструкції є використання торцевого колектора
колекторно-щікового вузла (23 секції). Кріпиться до
картера зчеплення ДВЗ, з лівої сторони, фланцем кришки за допомогою двох
шпильок з гайками М10х1. Напрям обертання – праворуч (зі сторони приводу).
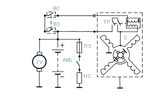
4. Електрична схема, що відображає приєднання стартера у
загальну схему електрообладнання автомобіля зображена на рисунку 1. Провідники
якими з’єднується стартер і АКБ повинні мати мінімальну довжину та виконані з
міді і мати відповідне січення не менше 16 мм2.
У стартері використовується електродвигун
постійного струму зі змішаним збудженням.

ГУ –
генераторна установка; АКБ – стартерна акумуляторна батарея;
ВС – вимикач
двигуна стартера; С– стартер
Рисунок 1 – Стартер у схемі електрообладнання автомобіля
5. Технічне обслуговування та ремонт
стартера
ЩО (перед виїздом, протягом доби, після роботи) – зовнішній
огляд, виявлення несправностей під час експлуатації.
ТО-1 (15000 км) – зовнішній огляд, очисні, кріпильні операції.
Перевірка заміна, провідників, контактів зовнішніх кіл (клем, штекерів та ін.).
Контрольний стартерний пуск ДВЗ на виявлення несправностей.
ТО-2 (30000 км) – операції ТО-1. Проведення поглибленої
діагностики переносними приладами, мотортестерами.
ПР – за умови виявлення несправності провести розбирально дефектувальні,
збиральні та контрольні ремонтні операції у виробничих дільницях. Випробування
на спеціальних стендах.
(60000 км) – зняття
стартера, очисні, розбиральні, операції стартера
загалом, та зокрема колекторно-щіткового вузла,
тягового реле, втулки підшипників. Змащувальні, збиральні роботи.