Практичне заняття 1
Генераторні установки
Метою роботи є вивчення технічних характеристик автомобільних генераторних
установок (ГУ) особливостей їх конструкції, електричних схем, умов експлуатації
(обслуговування та ремонту).
Завдання до виконання практичних
робіт
Вибрати
генераторну установку автомобіля. Використовуючи спеціальну літературу,
натурний зразок генератора чи установки, вивчити будову та проаналізувати
особливості конструкційних та схематичних рішень за нижче наведеним алгоритмом.
Виконувати завдання варто у такій послідовності:
1. З
технічних характеристик досліджуваного генератора (генераторної установки)
вибрати основні (номінальна напруга, номінальне /максимальне/ значення сили
струму та відповідні значення частоти обертання ротора);
2. Вибрати
інші технічні характеристики (параметри), що якісно (кількісно) відрізняють
досліджувану генераторну установку серед ряду аналогічних генераторів;
3. Вказати
на особливості конструкції (будови), що має досліджувана генераторна установка та
охарактеризувати застосоване конструкційне рішення;
4. Накреслити
електричну схему генератора та його регулятора напруги та охарактеризувати її
аналогічно за пунктами 2 і 3;
5.
Визначити умови
експлуатації та ресурс (за можливості), особливості технічного обслуговування і
ремонту генераторної установки;
Приклад виконання завдання
Об’єкт
дослідження – генераторна установка у складі генератора 583.3701 з регулятором
напруги Я112А1.
1. Технічні характеристики досліджуваної
генераторної установки [6]:
Номінальна
напруга, В
14
Максимальний
струм навантаження, А 53
Частота
обертання ротора за максимального
струму
навантаження, хв-1 5000
Маса
генератора, кг 4,9
Напрямок
обертання (зі сторони привода) праворуч
2. Максимальна частота обертання ротора
генератора,
хв-1 13500
Частота
обертання ротора генератора
за
якої досягається напруга 12,5 В, хв-1 1250
Межі
регулювання напруги, В 12,9…14,2
Опір
обмотки збудження за температури 20±5о, Ом 2,7±0,13
Розмір
щіток, мм 6х6,5х17,4
Зусилля
притискання щіток, Н(кгс) 2,0±0,3
(0,20±0,03)
Передатне число пасової передачі 2,014
3.
Генератор змінного струму 583.3701
має типову конструкцію трифазної дванадцятиполюсної
синхронної електричної машини з електромагнітним збудженням, з вмонтованим
випрямлячем ВПВ46-65-02 та конденсатором К-73. Регулятор напруги Я112А1
інтегрального типу встановлений у задній кришці безпосередньо над щітковим
вузлом (перед підшипником), що вливає на збільшення поздовжнього розміру
корпусних елементів. Ротор обертається на двох кулькових підшипниках і
приводиться в рух клинопасовою передачею. За шківом генератора встановлена
крильчатка вентилятора для забезпечення протяжної вентиляції через отвори у
кришках.
Випрямний блок БПВ46-65-02А має 6 силових діодів у блоці
(мінімальна кількість спрощує конструкцію). Номінальна постійна напруга 28 В,
максимальний постійний струм 65 А. Живляча мережа трифазна з частотою не більше
1300 Гц. Клемове приєднання обмоток статора покращує
процес ремонту (заміни). Робоче положення в просторі довільне. Охолодження
повітряне примусове. Кліматичне виконання – «О» категорія розміщення 2 за ГОСТ
15150. Маса блока, не більше 0,2 кг. Випрямний блок БПВ46-65-02А має схожу
конструкцію з блоками БПВ46-65-02 серії Б, Е, Ж, И однак відрізняється
схематичним рішенням [7].
Регулятор напруги Я112А1 забезпечує напругу регулювання з АКБ за
t°=(25 ± 2)°С і навантаження генератора 3А – 14,0 ± 0,1 В. За навантаження
генератора від 3А до 0,9 Imax за технічними умовами – 14,0 ± 0,2 В.
Максимальний струм вихідного ланцюга – 5 А (ІЗ
= U / R = 14 В / 2,7
Ом). Максимально допустима тривала дія підвищеної
напруги – 18 В (короткочасна дія до 5 хв. – 25В). Імпульсна перенапруга – 120 В за ГОСТ 28751. Діапазон
робочих температур – -45…+100°С. Термокомпенсація Uрег = -3,0 ± 1,5 мВ/°С. Конструктивне виконання корпусу РН – Я112А1, подібне
до РН Я112 серій Б1, В1 однак відрізняється схематичним рішенням тому ці РН не
взаємозамінні [5].
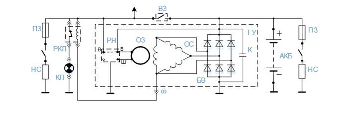
4. Електрична схема, що відображає приєднання генераторної
установки у загальну схему електрообладнання автомобіля зображена на рисунку 1.
Обмотка збудження під’єднана контактів В – В і Ш регулятора напруги. Обмотка
статора трифазна і розміщується у 32 пазах статора, кінці фазних обмоток
з’єднані за схемою «трикутник», що дає можливість отримати вищу вихідну напругу
ніж у схемі «зірка». Однак, при підвищенні напруги знижується сила струму.
Обмотки реле контрольної лампи увімкнене у коло через вивід фази.

ГУ –
генераторна установка; АКБ – стартерна акумуляторна
батарея; РН – регулятор напруги; ОЗ – обмотка збудження; ОС – обмотка статора;
БВ – блок випрамляча;
К –
конденсатор; ВЗ – вимикач запалювання; РКЛ – реле контрольної лампи;
КЛ –
контрольна лампа; ПЗ – запобіжник; НС – навантаження створене споживачами;
~ – вивід фази
Рисунок 1 – Генераторна установка у схемі електрообладнання
автомобіля
5. Ресурс генераторної установки відповідає
ресурсу автомобіля і не потребує планової заміни у процесі експлуатації.
Технічне
обслуговування [6, 8]:
ЩО. Візуальний огляд зовнішнього стану генератора, клем, проводів,
паса. За значної наявності на поверхнях пилу, бруду необхідно їх очистити.
Оцінка роботи генераторної установки за контрольними приладами, сигнальними
лампами, шумами та вібраціями.
Після перших 5000 км і через кожні 15000 км (ТО-1) пробігу виконати об’єм робіт ЩО та
крім того перевірка стану і натягу паса генератора, його кріплення. Перевірка
кріплення електроконтактів, ослаблені закріпити,
окислені очистити. Елементи проводів і контактів з порушеною ізоляцією та
ознаками значних пошкоджень замінити. Оцінка роботи генераторної установки на
різних режимах роботи ДВЗ.
ТО-2. В об’єм робіт входять роботи ЩО і ТО-1. Крім того ГУ
поглиблено перевіряється на автомобілі за допомогою спеціальних приладів на
різних швидкостях та режимах навантаження з контролем відповідних параметрів.
При невідповідності визначених параметрів встановленим нормативам, виявленні
пошкоджень, ГУ знімають з автомобіля для ретельної діагностики, поелементної перевірки обслуговування і ремонту.
Через кожні 60000 км пробігу знятий генератор потрібно промити,
очистити та продути. Перевірити роботу та за потреби відновити (замінити)
щітковий вузол. Замінити пас приводу генератора та відрегулювати його натяг
(нормальний прогин 8…10 мм від зусилля 8…100Н).
Ремонт. Механічна частина генератора потребує ремонту у випадку
надмірного спрацювання, пошкоджень, руйнувань елементів (підшипники, кришки,
вал, шків, контактні кільця та ін.)
Електрична – заміна статора або ротора чи їх обмоток. Заміна
випрямного блоку. Заміна інтегрального регулятора (щіткового вузла).