Тема 3. Системи прямої та непрямої дії

У лекції розглядаються системи прямої та непрямої дії. У системах прямої дії управління здійснюється безпосередньо, без використання зворотного зв'язку, наприклад, у простих механізмах. Натомість у системах непрямої дії використовується зворотний зв'язок для коригування дій, що дозволяє забезпечити більш точне та стабільне управління в умовах змінних параметрів або зовнішніх впливів.

 

3.1. Системи прямої та непрямої дії

У теорії автоматичного керування системи класифікують залежно від способу впливу регулятора на керований об’єкт. Один із важливих критеріїв такої класифікації — це поділ на системи прямої та непрямої дії, який визначає, яким чином здійснюється корекція регульованого параметра. Візуальне представлення цього поділу наведено в таблиці 3.1.

Таблиця 1 – Схеми САК прямої та непрямої дії

Схема САК

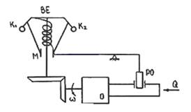
прямої дії швидкості об’єкта

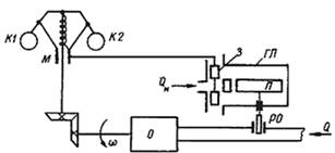
непрямої дії швидкості об’єкта

 

Системи прямої дії — це автоматизовані системи, в яких регулятор безпосередньо впливає на зміну параметрів об’єкта без використання додаткових пристроїв чи проміжних ланок. У таких системах управляючий сигнал від регулятора безпосередньо змінює величину, що контролюється, що дозволяє швидко реагувати на будь-які відхилення. Вимірювальний елемент фіксує швидкість обертання об’єкта і одразу впливає на керуючий механізм, який коригує подачу енергоносія Q. Якщо швидкість обертання ω збільшується, відцентрова сила піднімає кулі К1 і К2, що змушує муфту М переміщатися, впливаючи на регулюючий орган РО. Основною перевагою цієї системи є її простота та висока надійність.

Системи непрямої дії — це такі системи, де регулятор впливає на основну величину через допоміжні пристрої або проміжні параметри. Спочатку регулятор змінює допоміжний параметр (наприклад, потужність нагрівача чи швидкість насоса), який у свою чергу впливає на регульовану величину. У таких системах сигнал від вимірювального елемента підсилюється перед тим, як вплинути на регулюючий орган. У цьому випадку муфта М передає зусилля на золотник (3) гідропідсилювача. Коли золотник відхиляється від нейтрального положення, він забезпечує подачу масла в верхню частину циліндра гідропідсилювача, що змушує поршень П рухатися вниз, зменшуючи подачу енергоносія Q. Основними перевагами такої системи є висока точність регулювання та покращені динамічні характеристики.

 

3.2. Статичні та астатичні САК

Основною ознакою цих систем є вигляд регулювальної характеристики, яка відображає залежність регульованої величини в статичному стані від витрат робочого середовища. Приклади таких систем наведені в таблиці 2.

Статичною системою автоматичного керування (САК) називають систему, в якій регульована величина при зміні зовнішніх збурень на об’єкті варіюється в межах допустимих значень. Після завершення перехідного процесу, в залежності від зовнішнього збурення, вона набуває різних сталих значень.

Регулювальна характеристика в загальному випадку має вигляд У = С + Δ(Х), де

С – середнє значення регульованої величини Х;

Δ(Х) – функція збурення.

Необхідна умова якісного регулювання C>> Δ(Х).

Астатичною САК називають систему, в якій регульована величина при зміні зовнішніх збурень після завершення перехідного процесу набуває строго сталого значення при різних величинах зовнішніх збурень.

Таблиця 2 – Схеми САК

Астатична САК

Статична САК

 

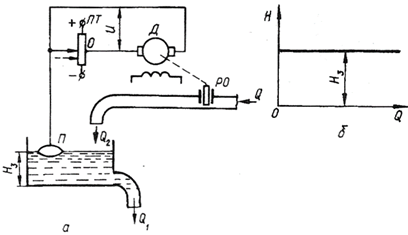
Розглянемо приклад астатичної та статичної систем автоматичного регулювання (САР) рівня Н у резервуарі при зміні витрат робочого середовища Q.

Завданням обох систем є підтримання сталого рівня Н у резервуарі при зміні витрат Q1.

У астатичній САР, коли витрати Q1 збільшуються, рівень Н зменшується, що призводить до переміщення поплавка П вниз. Це, у свою чергу, викликає зміну положення потенціометра ПТ відносно його початкового положення „0”. На якірному колі двигуна Д виникає відповідна напруга „u” певної полярності. Завдяки цьому двигун переміщує регулюючий орган системи РО, що збільшує подачу рідини Q і підвищує рівень Н. Регулюючий орган рухається, поки напруга на якірному колі не стане нульовою, що означатиме досягнення рівня Н = Н3 і витрат Q = Q1 = Q2.

У астатичній системі може існувати лише одне стабільне положення рівноваги, де регульована величина Н дорівнює Н3. Регулювальна характеристика Н = f(Q) для астатичної системи є горизонтальною прямою.

У статичній САР, при збільшенні витрат (Q1 > Q2), рівень Н і поплавок переміщуються вниз. Це спричиняє переміщення регулюючого органу РО для збільшення витрат робочого середовища Q2. Нове стабільне положення рівноваги досягається при рівності витрат Q1 = Q2 = Q для нового рівня Н, який є меншим за початковий. Тому статичні САР не можуть підтримувати регульовану величину на строго сталому рівні, і можливі відхилення рівня Н від заданого, залежно від витрат робочого середовища.

Регулювальна характеристика статичної САР після завершення перехідного процесу має вигляд похилій прямої.

 

Питання для самоперевірки

1.     Що таке система прямої дії в автоматичному регулюванні?

2.     Як працює система непрямої дії?

3.     У чому відмінність між системами прямої та непрямої дії?

4.     Які приклади систем прямої дії можна зустріти в техніці?

5.     Як можна застосувати систему непрямої дії в промисловості?