Практична робота №1
Тема.
Створення функціональної схеми САК
Мета
роботи : вивчити способи створення функціональної схеми САК’’,
ознайомитися з методом створення функціональної схеми САК та способом
визначення основних елементів САК
Під час практичної роботи
студенти самостійно розробляють функціональні схеми систем автоматичного
керування (САК). До основних складових САК належать: об’єкт керування;
вимірювальний (чутливий) елемент; керуючий елемент (орган); виконуючий елемент
(орган).
Вимірювальний елемент реєструє
зміни регульованої величини об’єкта, яка описується функцією f(t). Як чутливі
елементи в САК часто застосовують датчики, що перетворюють неелектричні
величини (наприклад, швидкість, тиск, зусилля) в електричні сигнали (опір,
напруга, струм).
Керуючий елемент отримує дані від
чутливого елемента і генерує відповідний сигнал для виконуючого елемента.
Нерідко він також виконує роль підсилювача. Серед основних типів підсилювачів
виділяють напівпровідникові, електромашинні, магнітні, електронні та іонні, а
серед неелектронних найпоширенішими є гідравлічні й пневматичні підсилювачі.
Виконуючий елемент забезпечує
необхідний режим функціонування керуючих органів об’єкта.
Якщо позначити всі компоненти САК
прямокутниками, розмістити їх у порядку взаємодії та вказати напрям цієї
взаємодії стрілками, вийде функціональна схема САК. Якщо ж до цієї схеми додати
характеристики (рівняння чи криві залежності вихідних параметрів від часу), які
відображають динамічні властивості елементів системи, то отримаємо структурну
схему САК. Елементи таких схем називають ланками.
Приклад.

Рисунок
1 – Безпілотний літак
На рисунку 1 представлений
безпілотний літак з 0,5 т вибухівки; точність наведення до
сантиметрів, може поцілити в замок на воротах ангара, у
вентиляційну шахту. Літає, зазвичай, на висоті 40-200м, використовуючи
канави, русла для маскування дальності польоту 1000-5000 км (рис.2).

Рисунок 2 – Структурна схема системи управління
безпілотним літаком
Завдання до виконання
Скласти структурну схему САР,
визначити параметр регулювання (рис.3)

Рисунок 3 – Структурна схема САР
Задача №1
В автомобілях використовують
невеликі комп’ютери, які дозволяють керувати викидом вихлопних газів та оптимізувувати витрати пального. Система вприску пального керується комп’ютером, що дозволяє
встановити співвідношення палива та повітря у циліндрах, покращити показникі витрат пального на кілометр шляху та значно
знизити небажані викиди вихлопних газів у зовнішнє середовище. Зобразіть
функціональну схему данної системи.
Задача №2
В минулому одним з елементів замкнутих систем керування
була людина-оператор. Зобразіть функціональну схему системи керування потоком
рідини, зображеної на рис.1.1

Рисунок 3 – Схема
процесу
Задача №3
Модернізація автомобільного
склоочисника полягає в тому, що цикл його роботи налаштовується в залежності
від інтенсивності доща. Зобразіть функціональну схему
системи управління роботою склоочисників.
Задача №4.
На рисунку зображений гоночний
автомобіль з настроюваним (аеродинамічним) крилом.
Створити функціональну схему,що зображає здатність
крила підтримувати постійний ступінь щеплення між шинами автомобіля і полотном
гоночної траси. Чому важко підтримувати добре щеплення з дорогою?


Рисунок 4 – Схема авто з аеродинамічним крилом.
Задача №5
Іхіро Масакі з корпорації
Дженерал Моторс запатентував
систему, яка автоматизовано регулювала швидкістю автомобіля так, щоб
підтримувалась безпечна дистанція між автомобілем, що їхав попереду . Ця
система за допомогою відео камери визначала і запам’ятовувала еталонне
зображення автомобіля, що перебував
попереду. Потім порівнюється зображення
з серією живих картинок, знятих камерою підчас руху двох автомобілів по дорозі,
і на основі цих розрахунків визначається
дистанція між ними. Масакі казав, що така
система може крім регулювання
швидкості керувати рульовим
колесом, що дозволить шоферу пристроїтись за автомобілем що рухається попереду
і створити «комп’ютеризовану сцепку» Створити функціональну схему цеї системи.
Задача №6
Процес навчання, учасниками якого є студент і викладач,
характеризується наявністю зворотного зв'язку, внаслідок чого помилка повинна
бути зведена до мінімуму. На основі малюнка (Рис.1.3) побудуйте модель процесу
навчання і визначте призначення кожного блоку системи.

Рисунок 5 – Схема процесу навчання
Задача №7
Адам Сміт (1723-1790) в своїй
книзі розглянув проблему вільної конкуренції між учасниками економічного
процесу. Можна сказати, що він для пояснення своєї теорії вмкористовував
механізм соціального зворотнього зв’язку. Сміт
прийшов до висновку, що (1) працівники порівнюють різноманітно
можливі пропозиції і наймаються туди, де вони можуть отримати найбільшу
винагороду за працю, і (2) що на будь-якому підприємстві винагорода зменшується
з ростом числа конкуруючих працівників. Нехай r – сумарна кількість
виплачуваних грошей, усереднена по всіх видах діяльності, с – сумарні виплати в
окремо взятому напрямку, а q – наплив працівників в цей напрямок. Представте цей процес в вигляді системи з зворотнім
зв’язком.
Задача №8
Автоматичний поворотний механізм для
вітряних млинів був винайдений Мейкле близько 1750р.
Схожий пристрій показаний на рис1.7. Мале вітряне колесо, встановлене під
правильним кутом до основного колеса, автоматично повертає турель назустріч
вітру. Передаточне число редуктора становить близько 3000:1. Проаналізувати дію
вітряного млина і спробуйте знайти зворотній зв'язок, за рахунок якого основне
колесо постійно повертається назустріч вітру.

Рисунок 6 – Схема механізму.
Задача №9
Типовим прикладом системи
управління з двома входами є побутовий змішувач з двома окремими кранами для
гарячої і холодної води. Він призначений для отримання (1) бажаної температури
води на виході і (2) бажаної витрати води. Зобразіть функціональну схему
замкнутої системи управління двома змінними.
Задача №10
Багато автомобілів вищого
класу оснащуються автоматичними
системами кондиціювання повітря для створення пасажирам комфортних умов.
Зобразіть функціональну схему такої системи, в якій значення бажаної
температури в салоні встановлюється водієм на приборному
щиті. Встановіть функціональне призначення кожного елемента системи.
Задача №11
Можливість| застосування
двох, або декількох гелікоптерів для транспортування вантажів|, які дуже|занадто важкі для одного гелікоптера, представляє інтерес для областей цивільного і
військового гелікоптеробудування. Зрозуміло, що це завдання може бути вирішене| шляхом використання невеликого гелікоптера, що
багато раз переносить заданий вантаж|. Але
в той же час цю задачу можна вирішити набагато простіше - шляхом використання
декількох потужніших гелікоптерів. У окремому випадку для цього можуть
використовуватися два гелікоптери.

Рисунок 7 – Схема перевезення вантажу
Задача №12
В автомобілях використовуються
невеликі комп’ютери, які дозволяють
керувати викидом вихлопних газів і оптимізувати витрати палива. Система
управляючою комп’ютера інжекції палива, яка автоматично встановлює
співвідношення бензину і повітря в циліндрах, дозволяє вдосконалити показники
витрати палива на кілометр шляху і суттєво понизити небажаний викид вихлопних
газів в навколишнє середовище. Скласти функціональну схему даної системи.
Задача №13
Розповідають історію про одного
сержанта, який кожного ранку о 9 годні зупинявся перед ювелірним магазином,
звіряв свій годинник з показом хронометра на вітрині і підводив їх. На кінець,
одного разу він ввійшов в магазин і похвалив власника за точність його
хронометра.” Напевне, настроюєте його по сигналу точного часу з Арлінгтона?” – запитав сержант.
“Ні,-
відповів власник,- я настроюю його щодня о 5 годині вечора по вистрілу гармати
на форті. А скажіть мені сержанте, чому викожного дня
зупиняєтесь перед вітриною і перевіряєте свій годинник?”
“Я
служу артилеристом на форті”,- відповів сержант.
Який в даному випадку виникає
зворотній зв'язок. Від’ємний чи додатний? Хронометр на вітрині кожні сутки
відстає на 2 хвилини, а часи сержанта за 8 годин відстають на 3 хвилини. Чому
буде рівна чиста похибка по вистрілу гармати в форті через 12 днів?
Задача №14
Джерело оптичного сигналу може
встановлювати потужність з точністю до 1%. Вихідна потужність джерела лазера
визначається вхідним струмом, який в свою чергу формується мікропроцесором.
Мікропроцесор порівнює бажаний рівень потужності з дійсним, інформацію про який
містить сигнал з виходу датчика. Доповніть функціональну схему замкнутої
системи, вказавши, що є вхідною, вихідною, вимірюючою
змінною, а також керуючим приладом.
Задача №15
Гравці в бейсбол використовують
зворотній зв'язок, для того щоб оцінити політ м'яча і влучити в подаючого. Опишіть метод, використовуваний відбиваючим для
того, щоб він на основі оцінки положення подаючого
міг правильно націлити биту і вдарити м'яч.
Задача №16
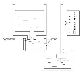
Автоматичне
управління рівнем води використовувалося на Близькому Сході для створення
водяного годинника. Цей годинник (рис.1.5) знаходив застосування спочатку нової
ери і до 17-го століття. Поясніть принцип дії водяного годинника і те, як
поплавець як елемент зворотного зв'язку забезпечує точність відліку часу.
Зобразіть структурну схему системи із зворотним зв'язком.

Рисунок 8 – Схема
годинника
Задача №17
В міру зростання інтенсивності
польотів зростає роль систем управління авіарейсами. Для недопущення зіткнень
літаків у повітрі розробляються системи, в основі яких лежить супутникова
навігаційна система GPS. GPS дає змогу кожному літаку визначити своє положення
в повітрі на етапі приземлення. Наведіть приклад функціональної схеми,яка описує, як диспечер
польотів може використати GPS з метою недопущення зіткнень літаків.
Задача №18
Водій автомобіля являється
частиною системи управління, яка повинна забезпечувати задану швидкість руху.
Зобразіть відповідну даному випадку функціональну схему замкнутої системи
управління.