Практична робота №6
Тема: Розрахунок
розмірних ланцюгів за методом «максимум-мінімум».
Мета: Для розмірів
складальної одиниці навчитись складати розмірний ланцюг. Навчитись визначати
номінальне значення, граничні відхилення та граничні розміри і допуск
замикаючої ланки.
Контроль засвоєння: Захист звітів в усній чи письмовій формі, або тестування.
Обладнання
та оснащення робочого місця
1.
технічні нормативно-правові акти
(ТНПА);
2.
Довідники, плакати, додатки до виконання практичних робіт
тощо;
3.
Деталі, складальні одиниці.
Завдання, хід і
порядок виконання роботи
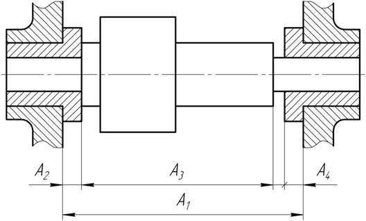
1. Для розмірів складальної одиниці (рис. 7.1, табл. 7.1. і 7.2)
побудуйте розмірний ланцюг.
2. Визначте номінальне значення, граничні відхилення, граничні розміри і
допуск замикаючої ланки.
3. Розрахунок проведіть за методом максимум-мінімум.

Рис. 7.1. Ескіз складальної
одиниці
Таблиця 7.1. Варіанти до
виконання практичної роботи
|
Передостання цифра шрифту |
Розмір, мм |
||
|
А1 |
А2=А4 |
А3 |
|
|
0 |
200 |
9 |
180 |
|
1 |
120 |
7 |
105 |
|
2 |
80 |
5 |
68 |
|
3 |
50 |
4 |
40 |
|
4 |
180 |
8 |
162 |
|
5 |
250 |
10 |
228 |
|
6 |
315 |
9 |
295 |
|
7 |
400 |
12 |
375 |
|
8 |
30 |
3 |
23 |
|
9 |
18 |
2 |
13 |
Таблиця 7.2. Завдання до
виконання практичної роботи
|
Остання цифра шрифту |
Умовне позначення
поля допуску розміру |
||
|
А1 |
А2=А4 |
А3 |
|
|
0 |
Js12 |
h12 |
h10 |
|
1 |
H10 |
js9 |
h9 |
|
2 |
h11 |
h12 |
js11 |
|
3 |
H9 |
js10 |
h8 |
|
4 |
H14 |
js14 |
h13 |
|
5 |
Js8 |
h8 |
h9 |
|
6 |
H12 |
js12 |
h11 |
|
7 |
H14 |
h14 |
js13 |
|
8 |
Js10 |
h10 |
h11 |
|
9 |
H8 |
js8 |
h7 |
Приклад виконання
1. Виконаємо ескіз складальної одиниці. Проставимо розміри та допуски
згідно завдання до практичної роботи.

Рис 7.2. Складальна одиниця з проставленими
розмірами та допусками
2. За ГОСТ 25347-82, або з додатків вибираємо граничні відхилення розмірів:
;
;
;
Будуємо розмірний ланцюг, який викреслюється без масштабу (див.
рис. 7.3).
– замикаюча ланка;
– зменшуючі ланки;
– збільшуюча ланка.
;
;
;
;
;
.

Рис. 7.3. Схема розмірного
ланцюга
3. Розраховуємо номінальний розмір замикаючої ланки:
.
Розрахуємо граничні розміри складових (збільшуючих і зменшуючих) ланок:
;
;
;
;
;
;
;
.
4. Розрахуємо допуски складових ланок.
,
або:
;
,
або:
;
.
або:
;
,
або:
;
5. Розрахуємо граничні розміри замикаючої ланки.
;
.
6. Розрахуємо граничні відхилення замикаючої ланки:
;
.
Граничні відхилення також можна визначити шляхом заміни у
вище наведених формулах значень
,
та
і виконати ряд
перетворень, то отримаємо наступні вирази:
;
.
Таким чином верхнє граничне відхилення замикаючої ланки
обчислюється як різниця між сумою верхніх відхилень збільшуючих ланок і сумою
нижніх відхилень зменшуючи ланок.
Нижнє граничне відхилення замикаючої ланки обчислюється
як різниця між сумою нижніх відхилень збільшуючи ланок замикаючих ланок і сумою
верхніх відхилень зменшуючи ланок.
7. Розрахуємо допуск замикаючої ланки:
,
Або:
.
Допуск замикаючої ланки також визначається як сума
допусків всіх складових ланок:
.
Відповідно, розмір замикаючої ланки рівний:
.
Таблиця 7.3. Зведена таблиця розрахунків
|
Замикаюча ланка |
Верхнє відхилення замикаючої ланки |
Нижнє відхилення замикаючої ланки |
Допуск замикаючої ланки |
|
|
|
|
|
Питання для самоконтролю
1.
Що називають розмірним ланцюгом, замикаючою, збільшуючою
та зменшуючою ланками?
2.
Сутність
розрахунку оберненої задачі.
3.
Сутність розрахунку прямої задачі.
4.
У чому ви
вважаєте перевагу методу компенсації?
5.
Сутність
розрахунку методом регулювання.
6.
Сутність
розрахунку методом пригонки.
Рекомендована література
1.
Допуски и посадки:
Справочник. В 2х ч. / Мягков В.Д., Палей М.А., Романов А.Б., Брагинский
В.А. – Л.: Машиностроение, 1982. – Ч.1. 543с. / – Ч.2. 445с.
2.
Грушецька М.Г.
Взаємозамінність, стандартизація та технічні вимірювання. Приклади розв’язку
задач: Навчальний посібник. – Луцьк: РВВ ЛДТУ, 2006. – 194с.
3.
Козловский Н.С.,
Ключников В.М. Сборник примеров и задач по курсу «Основы стандартизации, допуски,
посадки и технические измерения». Учебное пособие для учащихся техникумов. –
М.: Машиностроение, 1983. – 304с.