Тема. Система допусків та
посадок вальниць котіння
1.
Основні відомості.
2.
Види навантажень кілець вальниць котіння.
3.
Утворення і застосування посадок вальниць котіння.
4.
Позначення посадок вальниць котіння на креслениках.
1. Основнi выдомості
Вальниці котіння - найбiльш розповсюдженi стандартнi
складальнi одиницi. Вони мають повну зовнiшню та внутрiшню взаємозамiннiсть, що
дозволяє їх швидко монтувати i замiнювати пiсля спрацювання.

Рис. 1. Основнi геометричнi параметри кулькових
вальниць
Кульковi вальниці характеризуються наступними геометричними
параметрами: D - зовнiшнiй дiаметр зовнiшнього кiлъця, d - внутрiшнiй дiаметр
внутрiшнього кiльця, В -
ширина кiльця, b - робоча ширина посадочного мiсця, причому:
b = В-2r
(1)
де r - радiус монтажної фаски
внутрiшнъого чи зовнiшнього кiлець вальниці.
Внаслiдок овальностi, конусоподiбностi i iнших вiдхилень під
час вимiрювання можугь бути отриманi рiзнi значення дiаметра кiлець вальниці в
рiзних сiченнях. В зв’язку з цим стандартом встановленi граничнi вiдхилення
номiнального D, d i середнього dm, Dm дiаметрiв кiлець.
Якiсть вальниць котіння визначається точнiстю приєднувальних
розмiрiв, точнiстю форми i взаємного розташування поверхонь кiлець, величиною
мiкронерiвностей поверхонь, а також точнiстю форми i розмiрiв тiл котіння.
Встановлено пять класiв точностi вальниць котіння: 0, 6, 5, 4, 2.
Для бiльшостi механiзмiв загального призначення застосовують
вальниці нульового класу точностi. Вальниці бiльш високих класiв точностi
застосовують тодi, коли необхiдно забезпечити високу точнiсть обертань вала
(шпинделi шлiфувальних верстатiв, авiацiйнi двигуни, точнi прилади) Клас
точності вальниці котіння вказують перед його умовним позначенням (номером).
Номер вальниці котіння

Клас точностi
Рис. 2. Умовнi позначення вальниць котіння
За номером вальниці можна визначити усi її геометричнi
параметри згiдно стандарту ГОСТ 520-71.
2. Види навантажень кілець
вальниць котіння
Під час експлуатацiї вальниць котіння можливi такi основнi
види навантажень на кiльця: мiсцеве, циркуляцiйне, коливальне. Мiсцевим називається навантаження
кiльця постiйною за напрямком радiальною силою Fr, що постiйно сприймається
обмеженою дiлянкою дорiжки котіння цього кiльця i передається обмеженiй дiлянцi
посадочної поверхнi вала або корпусу (рис. 3.а). Циркуляцiйним називається навантаження кiльця радiальною силою, що
послiдовно сприймається всiєю поверхнею дорiжки котіння i передається всiй
поверхнi вала або корпусу (рис. 3.б).
Коливальне навантаження - нерухоме кiльце сприймає рiвнодiючу двох
радiальних навантажень (постiйного Fr i обертового Fc., причому Fc < Fr ) обмеженою дiлянкою дорiжки котіння, (рис. 3.в).
3. Утворення i застосування
посадок вальниць котіння
В основу утворення посадок вальниць коченння покладено
наступний принцип: для всiх класiв точностi верхнє граничне вiдхилення
приєднувальних дiаметрiв прийнято рiвним нулю.

Рис. 4. Розташування полiв допускiв на дiаметри кiлець
кулькових вальниць
Таким чином, посадку з’єднання зовнiшнього кiльця з отвором
корпусу призначають в системi основного вала, а посадку з’єднання внутрiшнього
кiльця з валом - в системi основного отвору. Однак поле допуску на дiаметр d
розташовано не в матерiал внутрiшнього кiльця, а вниз вiд нульової лiнiї. Такий
штучний прийом тут застосовано для того, щоб не вводити спецiальних посадок, а
використавши поля допускiв п6, т6,
k6 (або 5, 4 квалiтетiв), отримати у
з’єднаннi вал - внутрiшнє кiльце посадки з невеликим гарантованим натягом.

Рис. 3. Схема навантажень зовнiшнього кiльця вальниці
котіння: а - мiсцеве; б - циркуляцiйне;
в – коливальне; г, д, е, ж, з, i - залежнiсть виду навантаження кiлець вiд
схеми діючих сил та їхнього обертання
Оскiльки застосування системи основного отвору для з’єднання
внутрiшнього кiльця вальниці з валом i системи основного вала для з’єднання
зовнiшнього кiльця вальниці з отвором корпусу являється обов’язковим, то
посадкою прийнято називати поле допуску на виготовлення вала або отвору.
Поля допускiв валiв в залежностi вiд класiв точностi вальниць
котіння: s6, r6,
п6, т6,р6, k6, js6, h6, g6 (класи
точностi 0, 6); п5, т5,
k5, js5, h5,g5, (класи точностi 4, 5);
п4, т4, k4, js4, h4, g4 (клас точностi 2).
Поля допускiв отворiв корпусiв в залежностi вiд класiв
точностi вальниць котіння: P7, N7,
М7, К7, Js7, H7, G7, (класи точностi
0, 6); P6, N6, М6, К6, Js6, H6, G6 (класи точностi 4, 5); N5, М5, К5, Js5, H5, G5 (клас точностi 2).

Рис. 5. Схема
розташування полiв допускiв посадочних розмiрiв вальниць i спряжених з ними
деталей (валiв i отворiв)
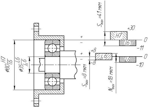
4. Позначення посадок
вальниць котіння на креслениках
На складальних креслениках посадки кiлець вальниць прийнято
позначати одним або двома полями допускiв (див. рис. 6).
Позначення одним полем допуску:
Æ35 js6 - посадка внутрiшнього кiльця на вал,
Æ80 H7 - посадка
зовнiшнього кiльця в отвiр корпусу.
Позначення двома полями допускiв:
Æ35 L6/js6 - посадка внутрiшнього кiльця на вал (L6 - поле допуску внутрiшнього кiльця, js6 - поле допуску на виготовлення вала),
Æ80 H7/l6 - посадка зовнішнього кільця в отворі корпусу (l0 - поле допуску зовнiшнього кiльця, H7 - поле допуску на виготовлення
отвору корпусу). Позначення L0(l0) складається з двох
компонентiв:L(l) - вiд нiмецького слова Lager (вальниця), 6 - клас точностi вальниці. В обох варiантах позначень: Æ35 - номiнальний дiаметр
вала, Æ80 - номiнальний дiаметр отвору корпусу у мiлiметрах.

Рис. 6. Приклад
позначення пасодок кілець вальниці