Тема 4. Електрогідроприводи

 

Електрогідроприводи найбільш поширені приводи ПР. Відповідно до наведеної вище класифікації пристрої керування ПР поділяють на циклові, позиційні та контурні, що накладає значні обмеження на принцип роботи та конструкцію будь-якого привода, в тому числі й електрогідравлічних. Складність останніх зростає від циклового типу до контурного.

 

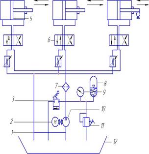
Чертеж4

Рис. 4.1. Схема гідропривода ПР для позиційного керування ним за трьома координатами із застосуванням НАУ

Електрогідравлічний привод позиційного типу. Схема гідропривода ПР для позиційного керування ним за трьома координатами (рис. 4.1) забезпечує зворотно-поступальний (обертальний) рух поршня 5 циліндра по кожній координаті та зупин його в будь-якому положенні. Електродвигун 2 приводить у рух насос 10, який засмоктує рідину з бака 12 по трубі 1 і подає її під тиском через фільтр 7 в електрогідроперетворювачі 6.

Тиск у гідросистемі регулюється запобіжним клапаном 11 і контролюється манометром 9. Якщо він перевищить допустиме значення, то рідина спрямовуватиметься через клапан 11 назад у бак 12. До магістралі, що йде до електрогідроперетворювачів, приєднано гідроакумулятор 8, який дає змогу дістати необхідний режим гідросистеми при одночасному керуванні ПР за кількома координатами та мінімально можливій потужності двигуна. В гідросистемі є спеціальний крап з, за допомогою якого можна припинити її роботу. В цьому разі рідина зливається в бак 12. Дросель 4 як регульований гідравлічний опір дає змогу змінювати кількість рідини, що надходить з гідроциліндра за одиницю часу, а отже, швидкість руху поршня 5. У багатокоординатній гідросистемі такий дросель потрібно встановлювати в каналі керування ПР за кожною координатою.

Розглянута гідросистема складається із звичайних елементів, які забезпечують її роботу в заданому режимі й які добре описано в літературі. Досить складним елементом системи є електрогідроперетворювач, який перетворює електричний, сигнал пристрою керування в кількість рідини, що подається в циліндр. Такий перетворювач є пристроєм з вільно плаваючим золотником, який має зворотний (пружний пружинний) зв'язок із заслінкою. Основні достоїнства електрогідроперетворювача – висока швидкодія, відсутність центруючих пружин, які можуть зумовити перекіс золотника та збільшити його тертя, а також, що дуже важливо, стабільність характеристик при зміні температури в широких межах.

Дискретний електрогідропривод. Від розглянутого цей привод відрізняється тим, що як керуюча ланка в ньому використовується шестифазний кроковий електродвигун типу ШД-5Д1, який випускається серійно, причому останній з'єднується з гідропідсилювачем моментів типу Г18. Оскільки такий привод за своїм принципом роботи є дискретним, будується він за розімкненою схемою (без датчиків 33). З цього випливає, що конструктивно дискретний електропривод простіший, ніж привод, побудо­ваний за замкненою схемою (з датчиками 33).

Слід відзначити, що дискретний електрогідропривод застосовується в металорізних верстатах з ЧПК, де він показав добрі експлуатаційні характеристики. Звичайно одним з аргументів проти використання такого привода є можливість накопичення систематичної похибки. Проте добре сконструйований дискретний електрогідропривод має досить високу надійність, а можливі похибки гасяться в кінці циклу його роботи і в черговий цикл не переходять.