Практична робота №2. Реалізація логічних функцій в
електропневматичних системах управління
Реалізація функції "І" послідовним
підключенням
Постановка завдання
Пуансон
преса опускається лише при закритому огороженні, що
досягається натисненням на кнопки S1 і S2.
Якщо одна з
цих умов не виконується, то пуансон піднімається.
Пневмоциліндр приводиться в дію розподільником з одностороннім електромагнітним
управлінням і пружинним поверненням.

Рис. 2.1. Ескіз об'єкта управління
Завдання
1. Домалюйте
принципову схему даної системи.
2. Позначте
електричні і пневматичні елементи та пронумеруйте всі з'єднання.
3. В пакеті FluidSIM-P, використовуючи елементи бібліотеки, створіть
розроблену принципову електропневматичну схему та перевірте її працездатність.

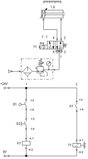
Рис. 2.2. Принципова електропневматична схема
Рішення
Доки
вимикачі S1 і S2 (рис. 2.3) не натиснуті, ланцюги 1 і 2 розімкнені. При
натисненні лише на один з вимикачів ланцюги залишаються розімкненими. Якщо ж
огородження закрите (S1 натиснутий) і оператор натиснув кнопку S2, то струм
поступає на обмотку реле К1. Контакт К1 замикається, вмикається електромагніт
Y1, та перемикається розподільник 1.1. Стиснене повітря поступає від джерела
живлення на вихід 4 розподільника, і шток циліндра 1.0 витягується. З штокової
порожнини циліндра повітря через отвір 3 виходить в атмосферу. Якщо відпустити
вимикач S1 або S2, контакт реле К1 розімкнеться і електромагніт відключиться.
Тому пружина повертає розподільник в початкове положення, в якому стиснене
повітря подається на вихід 2. Шток втягується, а повітря з поршневої порожнини
через отвір 5 виходить в атмосферу.

Рис. 2.3. Принципова електропневматична схема
Вимикачі S1
і S2 підключені послідовно, однак вони не повністю виконують функції пристрою
безпечного старту (двома руками). На практиці таке підключення не повинно
використовуватися для даних цілей, тому необхідно дотримуватися правив техніки
безпеки та застосовувати відповідні пристрої.
Для
реалізації логічної функції "І" перемикачі під'єднують
послідовно так, щоб тільки одночасне їх спрацювання замкнуло електричний
ланцюг.
В даній
схемі послідовно підключено два вимикачі, що реалізовують функцію "І"
на два входи.
Для
реалізації функції "І" на три входи необхідно використати послідовне
з'єднання трьох перемикачів (рис. 2.4).

Рис. 2.4. Функція "І" на три входи
Логічні
функції можуть позначатися і символами, які на стадії проектування дозволяють
простіше зображати логічну частину системи. Перевага цих символів ще й в тому,
що вони є єдиними для пневмо- і гідроавтоматики,
електроавтоматики та електроніки.

Рис. 2.5. Логічний символ "І"
Контрольні
питання
1. Як
з'єднати перемикачі для реалізації функції "І"?
2. Як
реалізується функція "І" на три входи?
3. Яким
логічним символом позначається функція "І"?
Реалізація логічної функції "АБО"
Постановка завдання
Зіштовхувач
картонних коробок управляється за допомогою кнопок, що розташовані з обох боків
конвеєра. При натисненні на кнопку S1 або S2 циліндр зіштовхує коробку з
конвеєра. Якщо обидві кнопки відпущені, шток циліндра втягується. Циліндр
управляється 5/2-розподільником з одним електромагнітом.

Рис. 2.6. Ескіз об'єкта управління

Рис. 2.7. Принципова електропневматична схема
Завдання
1. Домалюйте
принципову схему.
2. Позначте
електричні і пневматичні елементи та пронумеруйте всі з'єднання.
3. В пакеті FluidSIM-P, використовуючи елементи бібліотеки, створіть
розроблену принципову електропневматичну схему та перевірте її працездатність.
Рішення
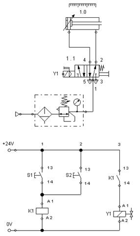
Доки кнопки
S1 і S2 (рис. 2.8) не натиснуті, струм на обмотку реле К1 не поступає. Якщо
натиснути на кнопку S1, то струм поступить на обмотку К1 по ланцюгу 1, а якщо
на S2, то - по ланцюгу 2.
Натиснення
на кнопку S1 або S2 приведе до замикання контакту К1 і струм по ланцюгу 3 подасться на електромагніт Y1, який перемкне розподільник
1.1. Стиснене повітря від джерела живлення 1 поступить на вихід 4 і шток
циліндра витягуватиметься. При цьому повітря з штокової порожнини виходитиме в
атмосферу через отвір 3. Якщо обидві кнопки відпустити, то контакт К1
розімкнеться, електромагніт вимкнеться, а розподільник повернеться в початкове
положення, при якому стиснене повітря від джерела живлення поступає на вихід 2.
Шток циліндра втягнеться, а повітря з поршневої порожнини виходитиме в
атмосферу через отвір 5.
Для
реалізації логічної функції "АБО" перемикачі під'єднуються
паралельно. Ланцюг замкнеться, якщо спрацює хоча б один з них.
В цій схемі
кнопки S1 і S2 підключені паралельно та реалізують функцію "АБО" на
два входи.
Для
реалізації функції "АБО" на три входи необхідно три паралельно
включених контакти (рис. 2.9).

Рис. 2.8. Принципова електропневматична схема

Рис. 2.9. Функція "АБО" на три входи

Рис. 2.10. Логічні символи "АБО"
Шини
живлення в електричних схемах є позитивним і негативним полюсами, до яких
підключаються кінці ланцюгів з елементами.
Контрольні
питання
1. Як
з'єднати перемикачі для реалізації функції "АБО"?
2. Як
реалізується функція "АБО" на три входи?
3. Яким
логічним символом позначається функція "АБО"?
4. Які
функції виконують шини +24 В і 0 В?
Реалізація логічної функції "НЕ".
Інверсія сигналу
Постановка завдання
При
натисненні на кнопку шток циліндра односторонньої дії висувається. У
початковому положенні штока встановлений кінцевий вимикач з роликовим важелем.
Лампочка L1 служить для індикації виконання циліндром роботи, коли його шток
знаходиться не в початковому положенні.

Рис. 2.11. Ескіз об'єкта управління
Завдання
1.
Домалюйте принципову схему.
2. Позначте
електричні і пневматичні елементи та пронумеруйте всі з'єднання.
3. В пакеті FluidSIM-P, використовуючи елементи бібліотеки, створіть
розроблену принципову електропневматичну схему та перевірте її працездатність.
Зауваження
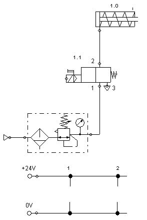
На
принциповій пневматичній схемі кінцевий вимикач S2 позначений маркером (рискою)
в початковому положенні штока циліндра 1.0. Це фізичне розташування вимикача.
Необхідно показати вимикач S2 на електричній схемі.

Рис. 2.12. Принципова електропневматична схема
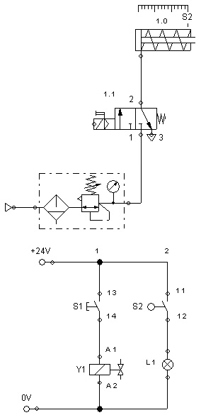
Рішення
В
початковому положенні нормально закритий вимикач S2 (рис. 2.14) включений і його контакт розімкнений.
Натиснення на кнопку S1 призводить до ввімкнення електромагніту Y1 і висунення
штока, що звільняє кінцевий вимикач S2. Його контакт замикається, і струм
поступає на лампочку L1, яка, спалахуючи, показує, що шток не знаходиться в
початковому положенні.

Рис. 2.13. Інверсія сигналу

Рис. 2.14. Принципова електропневматична схема
В цій схемі
контакт вимикача S2 не повинен пропускати струм на лампочку до тих пір, доки
шток не піде з початкового положення. Вимикач S2 має нормально замкнутий
контакт, однак в початковому положенні він розімкнутий. Стрілка зліва від
позначення вимикача показує, що на нього впливає дія, тому S2 інвертує вхідний
сигнал. Коли ж шток сходить з кінцевого вимикача, то з'являється вихідний
сигнал.
Коли важіль
кінцевого вимикача натиснутий, сигнал не поступає. Така інверсія сигналу і є
логічною функцією "НЕ".
На схемах
невелике коло на виході з елемента означає інверсію сигналу (рис. 2.15).

Рис. 2.15. Логічний символ "НЕ"
Контрольні
питання
1. В чому суть логічної функції
"НЕ"?
2. Як на схемах зображується інверсія
сигналу?