Практична робота №1. Пряме
і непряме керування циліндрами односторонньої та двосторонньої дії
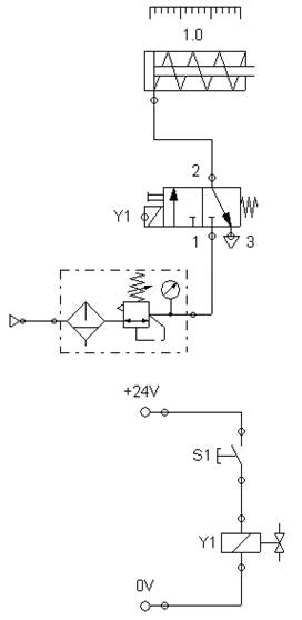
Пряме керування циліндром односторонньої дії.
Постановка завдання
Циліндр односторонньої дії з діаметром поршня 25 мм при натисненні на кнопку повинен
затиснути деталь. Якщо кнопка відпущена, деталь звільняється (рис. 1.1).

Рис. 1.1. Затискний пристрій
Завдання
1. Намалюйте принципову схему даної системи.
2. Позначте пневматичні та електричні
елементи.
3. Пронумеруйте отвори розподільника і місця
електричних з'єднань.
4. Опишіть роботу схеми.
5. В пакеті FluidSIM-P, використовуючи
елементи бібліотеки, створіть розроблену принципову електропневматичну схему та
перевірте її працездатність.
Рішення
Для керування циліндром односторонньої дії
використовуємо 3/2-розподільник (рис. 1.2).
Оскільки в даному випадку розмір циліндра є
невеликим, то для його керування потрібна незначна витрата повітря.
Операцією затискання можна безпосередньо
управляти перемикачем з кнопкою, який подає струм на обмотку електромагніту
розподільника.
При натисненні на кнопку S1 струм потече по
обмотці електромагніту Y1, який переключить розподільник 1.1. Стиснене повітря
через розподільник поступить від 1 до 2 і примусить поршень циліндра рухатися,
витягуючи шток і стискаючи пружину. Якщо кнопку S1 відпустити, то струм
перестане поступати на електромагніт і
розподільник під дією пружини повернеться в початкове положення. Повітря з робочої
порожнини циліндра через вихлопний отвір 3 розподільника вийде в атмосферу і
шток циліндра втягнеться.
Оскільки в даному випадку є лише один
виконавчий елемент – циліндр, який на схемі позначений 1.0, то керуючий елемент (розподільник)
позначено 1.1, перемикач – S1, а електромагніт – Y1.

Рис. 1.2. Принципова електропневматична схема
Контрольні питання
1. Що відбудеться з циліндром, якщо кнопку
натиснути на дуже короткий час і відпустити?
2. Які можуть бути наслідки протікання через
контакти перемикача високого струму?
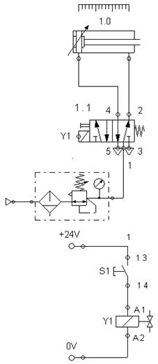
Пряме керування циліндром двосторонньої дії
Постановка завдання
Шток циліндра двосторонньої дії витягується
при натисненні на кнопку. При відпусканні кнопки шток втягується.
Циліндр має невеликі розміри (діаметр поршня 25 мм), тому для його роботи потрібна
невелика витрата повітря.

Рис. 1.3. Ескіз об'єкта керування

Рис. 1.4. Принципова електропневматична схема
Завдання
1. Домалюйте принципову схему даної системи.
2. Позначте пневматичні та електричні
елементи.
3. Пронумеруйте отвори розподільника і місця
електричних з'єднань.
4. Опишіть роботу схеми.
5. В пакеті FluidSIM-P, використовуючи
елементи бібліотеки, створіть розроблену принципову електропневматичну схему та
перевірте її працездатність.
Додаткова інформація
В даній схемі циліндр має невеликий діаметр
поршня, тому керуючий розподільник може бути незначних розмірів з малим
діаметром отворів. Для його роботи буде потрібно невеликий електромагніт з
малим споживанням струму.
У зв'язку з цим можливе використання прямого керування
від кнопкового перемикача.
Рішення
При натисненні на кнопку перемикача S1 (рис.
1.5) струм подається через його контакт на електромагніт Y1, який вмикає
розподільник. Стиснене повітря проходить від отвору живлення 1 до виходу 4 і
примушує поршень переміщуватися, витягуючи шток. При відпусканні кнопки струм
перестає поступати на електромагніт, розподільник за допомогою пружини
повертається в початкове положення і шток циліндра втягується. При витягуванні
штока повітря з штокової порожнини виходить через отвір 3 розподільника, а при
втягуванні (з поршневої порожнини) – через отвір 5.

Рис. 1.5. Принципова електропневматична схема
Оскільки циліндр є єдиним виконавчим
пристроєм в даній схемі, то він позначається як 1.0, а його розподільник – 1.1.
Для того, щоб полегшити читання пневматичної та електричної частин схеми,
прийнято ідентичне позначення елементів.
В цій схемі перемикач S1 може бути
ідентифікований як багатоконтактний, оскільки для позначення його контактів
використовуються двозначні цифри (13/14). Якби він мав одну пару контактів, то
вони позначалися б цифрами 3/4.
Якщо перемикач натиснени на короткий час, то
шток витягнеться не повністю і втягнеться. Це відбувається через те, що
електромагніт вимкнеться і дозволить зворотній пружині повернути розподільник в
початкове положення. Тому можливо, що шток взагалі ніколи не витягуватиметься
повністю.
В цій схемі шток безпосередньо реагує на
спрацьовування перемикача S1.
Якщо для вмикання електромагніту буде
потрібно великий струм, то контакти перемикача можуть згоріти або оплавитися. В
останньому випадку контакт замкнеться і шток утримуватиметься у витягненому
положенні.
Контрольні питання
1. Що відбудеться з циліндром, якщо кнопку
натиснути на дуже короткий час і відпустити?
2. Які вірогідні наслідки протікання через
контакти перемикача високого струму?
Непряме керування циліндром двосторонньої дії
Постановка завдання
Циліндр двосторонньої дії керує роликовим
пресом для листового металу. Його шток витягується при натисненні на перемикач.
Циліндр має поршень діаметром 250 мм, і для керування ним необхідна
велика витрата повітря.

Рис. 1.6. Ескіз об'єкта керування
Завдання
1. Домалюйте принципову схему для даного
завдання.
2. Позначте пневматичні та електричні
елементи і з'єднання.
3. В пакеті FluidSIM-P, використовуючи
елементи бібліотеки, створіть розроблену принципову електропневматичну схему та
перевірте її працездатність.
Додаткова інформація
Необхідність в непрямому управлінні
пневмоциліндром визначається наступними умовами:
– витратою повітря;
– величиной зусилля, що
необхідне для перемикання розподільників;
– потребою в
дистанційному керуванні системою;
– можливостями перемикачів
пропускати великий струм;
– навантаженням на
контакти перемикача при зростанні розмірів електромагнітів.
В даній схемі контакти перемикача
розвантажуються за рахунок використання реле, що витримує струм, який
необхідний для вмикання електромагніту.

Рис. 1.7. Принципова електропневматична схема
Рішення
При натисненні на кнопку перемикача S1 (рис.
1.7) струм подається на обмотку реле К1. Контакти К1 13 і 14 замикаються,
пропускаючи струм на електромагніт Y1. Розподільник 1.1 перемикається, і на
його виході 4 з'являється сигнал, що примушує шток циліндра витягуватися. При
відпусканні кнопки S1 контакт К1 розмикається, електромагніт Y1 вимикається і
за допомогою пружини розподільник повертається в початкове положення, в якому
сигнал з виходу 2 примушує шток втягнутися.

Рис. 1.8. Принципова електропневматична схема
При втягуванні штока повітря з поршневої
порожнини через отвір 5 розподільника виходить в атмосферу, а при витягуванні – воно
виходить з штокової порожнини через отвір 3.
Якщо кнопку відпустити до того, як шток повністю
витягуватиметься, то він
відразу повернеться в початкове положення.
Використаний в даній схемі розподільник з
пружинним поверненням вимагає для підтримання вихідного сигналу постійної
подачі струму на електромагніт. Тобто дана система не володіє властивістю
пам'яті.
Умовні позначення електричних елементів
розташовуються у вертикальних ланцюгах, що пронумеровані зліва направо 1 і 2.
Зазвичай на корпусі електричних перемикачів
вказані допустимі значення напруги та струму. Їх перевищення може привести до зварювання
контактів один з одним електричною дугою, що виникає між ними. Відкладення, що
залишилися на контактах після іскріння, можуть настільки підвищити їх опір, що
струм не зможе поступати на електромагніт.
Контрольні питання
1. Опишіть роботу схеми.
2. Що відбудеться з циліндром, якщо перемикач
ввімкнути і відразу ж вимкнути?
3. Що таке струмові ланцюги і як вони
позначаються?
4. Чому важливо знати допустиме навантаження
на перемикач?