Змістовний
модуль 2
Тема 4. Електромагнітні
механізми апаратів низької напруги
(ч. 2)
Електромагнітні механізми змінного струму
У цьому
параграфі наведено задачі, які характеризують особливості розрахунку магнітних
кіл електромагнітних механізмів змінного струму, а також задачі на перевірочний
розрахунок магнітних систем та розрахунок розмірів електромагніту при заданій
характеристиці протидіючих сил. Розглянуто задачі на визначення
електромагнітних сил та коефіцієнту повернення.
Амплітудне
значення магнітного потоку
при напрузі живлення U, частоті f і
кількості витків W без врахування активного опору обмотка визначається за
формулою:
. (4.29)
Кількість
витків обмотки дорівнює:
. (4.30)
З
врахуванням активного опору обмотки (коефіцієнт
=0,7....0,9) при заданій індукції в робочому зазорі
і площі перерізу
магнітопроводу
число витків:
, (4.31)
де
– в теслах, а
– у квадратних метрах.
Амплітудне
значення сили (Н) для однофазних систем без екранувального витка при
рівномірному полі в робочому зазорі та ненасиченої магнітної системі
визначається за формулою Максвела:
, (4.32)
де S – площа полюса (
).
Середнє
значення сили (Н):
. (4.33)
Для
однофазних магнітних систем з екранувальними витками і відомими розмірами
магнітопроводу магнітний реактивний опір екранувального (короткозамкненого)
витка (
) дорівнює:
, (4.34)
де
– активний опір витка
(Ом);
– частота (Гц).
Відношення
магнітного потоку
у неекранованій
частині полюса шириною
до потоку
в екранованій частині
полюса шириною
:
, (4.35)
де
– фазовий зсув між
потоками
та
, який визначається за формулою:
, (4.36)
де
– активний магнітний
опір екранованої частини полюса (
).
Потік
в екранованій частині
полюса зв‘язаний з потоком
рівнянням:
. (4.37)
Середнє
значення електромагнітної сили (Н) в неекранованій частині полюса дорівнює:
, (4.38)
в
екранованій частині:
, (4.39)
де
та
– площі полюсів (
).
Амплітуда
змінної складової сили:
. (4.40)
Пульсація
електромагнітної сили (%):
. (4.41)
Площа
перерізу обмоткового дроту котушки (
):
, (4.42)
де F – МРС
котушки (А); J – густина струму (
).
Площа
обмоткового вікна однієї котушки в електромагніті з двома котушками (
) дорівнює:
, (4.43)
де
– коефіцієнт
заповнення по міді.
Індуктивність
обмотки:
, (4.44)
де
– еквівалентна
магнітна провідність системи (Гн).
Струм
зрушення (А) при початковій протидіючий силі
(Н) для електромагніту
з двома котушками та робочими зазорами дорівнює:
, (4.45)
де
– похідна
індуктивності від ходу якоря при початковому зазорі (Гн/м).
Амплітудне
значення пускового струму при опорі обмотки
:
, (4.46)
де
– амплітудне значення
напруги живлення.
Задача 4.3. На рис.
4.3 наведено ескіз швидкодіючого електромагніту з втягувальним якорем, який на постійному струмі при МРС
робочої обмотки
2670 А і робочому зазорі
створює магнітний
потік
Вб та розвиває
електромагнітну силу F=342 Н. Визначити кількість витків,
необхідних для створення того ж магнітного потоку
у випадку живлення
обмотки змінним струмом напругою U=127 В з частотою 50 Гц, а також
електромагнітну силу, яку розвиває електромагніт, і намагнічувальний
струм при тому ж значенні МРС обмотки. Магнітопровід набраний із
електротехнічної сталі з коефіцієнтом заповнення
=0,93.

Рис. 4.3. Ескіз електромагніту змінного
струму з втягувальним якорем квадратного перерізу: 1
– якір, 2 – осердя
Якір і стоп
мають квадратний переріз зі стороною квадрату
м.
Розв’язок. Кількість витків
котушки електромагніту змінного струму визначимо за формулою (4.30):

Намагнічувальний струм обмотки дорівнює:
А.
Обрахувавши
площу полюса по сталі:
,
визначимо
амплітудне значення електромагнітної сили за формулою (4.32):
Н
та середню
силу за формулою (4.33):
Н.
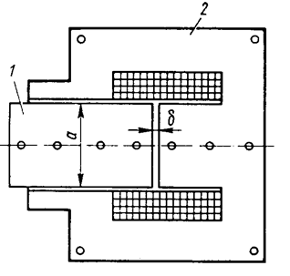
Задача 4.4. Знайти пульсацію
електромагнітної сили у відсотках
для електромагніту
змінного струму (рис. 4.4). Потоки
Вб,
Вб, кут зсуву між ними
дорівнює
. Розміри полюса
м,
м,
м. Коефіцієнт заповнення по сталі
=0,9.

Рис. 4.4. Ескіз клапанного П-подібного електромагніту змінного струму: 1 – якір, 2 –
короткозамкнений виток, 3 – осердя
Розв’язок. Середні значення
електромагнітних сил під полюсами за формулами (4.38) та (4.39):
Н;
Н,
де площі
дорівнюють:
;
.
Амплітуда
змінної складової сили за формулою (4.40):
Н.
Пульсація
електромагнітної сили за формулою (4.41):
.
Задача 4.5. Визначити
обмоткові дані, розміри котушки електромагніту змінного струму (рис. 4.4).
Мінімальна напруга мережі
108 В, частота 50 Гц, індукція
=1,1 Тл, площа перерізу
, МРС
=399 А, розмір
м.
Розв’язок. Приймаючи
коефіцієнт
=0,85, визначимо за формулою (4.31) кількість витків обмотки:

Для густини
струму
переріз дроту за
формулою (4.42):
.
Діаметр
голого дроту:
м.
За таблицею
додатку 5 вибираємо найближчий діаметр
мм, марка дроту ПЭВ-2 та уточнюємо переріз:
.
Площа обмоткового
вікна за формулою (4.43):
,
де
– коефіцієнт
заповнення по міді.
Задамо
відношення довжини обмотки до її висоти
. Оскільки при цьому
, то
м.
Тоді
м. Активний опір обмотки при нормальній температурі 20
дорівнює:
Ом,
де середня
довжина витка:
м, при
м.
Задача 4.6. Знайти струм
зрушення електромагніту при початковій протидіючій силі
= 4 Н. Похідна, яка
відповідає початковому положенню якоря, дорівнює
= 6 Гн/м.
Розв’язок. Струм зрушення
визначимо за формулою (4.45):
А.