7.2.1. СЗ керованих
напівпровідникових приладів у БЕК
Схеми запуску (СЗ) призначені для підсилення та
перетворення інформаційного сигналу систем керування безконтактних НА до сигналу з параметрами, які
необхідні для гарантованого ввімкнення та вимкнення керованого
напівпровідникового приладу ЕК. В
безконтактних ЕК напівпровідникових
приладів (вище 25 А) в якості керованих напівпровідникових приладів
використовуються тиристори, симистори, оптроні тиристори, двоопераційні
тиристори, IGCT-тиристори та біполярні
транзистори з ізольованим затвором (IGBT-транзистори).
В слабкострумових мережах (нижче 25 А) ЕК
в якості вказаних приладів застосовують потужні біполярні та польові
транзистори. Умовні позначення усіх перерахованих напівпровідникових приладів
наведені на рис. 7.1.

Рис. 7.1. Умовні позначення керованих напівпровідникових
приладів:
тиристор (а); симистор (б); оптронний
тиристор (в); двоопераційний тиристор або IGCT-тиристор
(г); біполярний транзистор з ізольованим затвором (ґ);
біполярний транзистор n-p-n-типу (д);
польовий транзистор з вбудованим каналом n-типу (е)
Перші
три з перерахованих вище приладів є не повністю керованими, інші прилади –
повністю керовані.
У
випадку створення ЕК
напівпровідникових апаратів різних типів найбільш часто використовуються
тиристори. Це пояснюється тим, що вони суттєво переважають інші керовані
напівпровідникові прилади за рівнями номінальних струмів та напруг, величини
яких у сучасних тиристорів вимірюються тисячами ампер та вольт відповідно. У
результаті їх перевантажувальна здатність досягає рівня десятків кілоампер із
відносно малими втратами потужності. До недоліків тиристорів відносять низькі
частотні характеристики (їхня робоча частота знаходиться в межах до
500 Гц). В якості таких СЗ можуть
використовуватись підсилювачі-формувачі
імпульсів. Вони представляють собою поєднання одновібратора, який задає
необхідну тривалість імпульсу керування, з імпульсним підсилювачем з
трансформаторним виходом, який забезпечує підсилення сигналу з унеможливленням
потенціального зв’язку між силовою схемою (високий потенціал) та системою
керування (низький потенціал). Структурна схема такого пристрою наведена на
рис. 7.2, а часові діаграми напруг, які пояснюють роботу схеми – на рис. 7.3.

Рис. 7.2. Структурна схема підсилювача-формувача імпульсів
Якщо
відсутній сигнал з виходу системи керування НА
генератор імпульсів знаходиться в закритому стані і на керований вхід основного
тиристора
сигнал не надходить. Із приходом сигналу
на вхід одновібратора він виробляє прямокутний сигнал (рис. 7.3) необхідної
довжини tі та вмикає на
цей проміжок часу генератор імпульсів. Імпульсний підсилювач підсилює імпульси
генератора до величини, яка потрібна для надійного відпирання
. У якості генератора імпульсів використовується
мультивібратор. Можливі схеми імпульсних підсилювачів зображено на рис. 7.4.

Рис. 7.3. Діаграми напруг на виході окремих вузлів
підсилювача-формувача імпульсів

а) б)
Рис. 7.4. Схеми імпульсних підсилювачів:
а - проста схема; б - схема з частотним заповненням
Тип
схемного рішення імпульсного підсилювача в значній мірі визначається необхідною
тривалістю керування. Передача імпульсів тривалістю до 0,2 мс може
здійснюватись за допомогою простого імпульсного підсилювача (рис. 7.4, а).
Магнітопровід імпульсного трансформатора
працює за частотною петлею гістерезису
(рис. 7.5), тобто, робоча індукція в магнітопроводі змінюється від
залишкової
до максимальної
. Тривалість
імпульсу керування, яку може підсилити без спотворень цей підсилювач,
визначається з виразу:
, (7.1)
де
– кількість витків первинної обмотки імпульсного
трансформатора;
– січення
магнітопроводу;
– напруга генератора.

Рис. 2.5. Характеристика намагнічування магнітопроводу
Для
передавання імпульсів тривалістю більше 0,2 мс використовується частотне
заповнення (рис. 7.3), у якому імпульс керування формується у вигляді
частотного посилання. У цьому випадку для їх підсилення використовується схема
підсилювача рис. 7.4, б. Почергове ввімкнення транзисторних ключів
та
призводить до того, що
магнітопровід імпульсного трансформатора
використовується повністю, тобто, він
працює з повним циклом перемагнічування. За полярності сигналів на входах
транзисторів
та
, у провідному
стані знаходиться транзистор
, а напруга
керування поступає на вхід
через діод
від лівої вихідної
напівобмотки трансформатора. Із зміною полярності вхідної напруги напруга
керування буде поступати з правої напівобмотки трансформатора через діод
. Тривалість імпульсу, яку можна передати за допомогою даної
схеми, визначається з достатньою точністю з виразу:
, (7.2)
де
– кількість витків
первинної напівобмотки.
Частотна
модуляція імпульсу керування здійснюється частотою приблизно 5-10 кГц, причому
півперіод модельованого імпульсу та параметри осердя магнітопроводу пов’язані
виразом (7.2).
В
окремих випадках, коли тиристори ЕК
мають загальну точку або їхня кількість невелика, в якості імпульсного
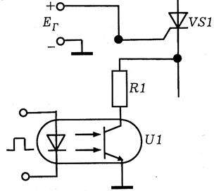
підсилювача може використовуватися транзисторний оптронний ключ (рис. 7.6).


Рис. 7.6. Схема імпульсного підсилювача на базі оптронного
транзистора
Проектування
схем запуску тиристорів повинно спиратися на знання вхідних статистичних та
динамічних характеристиках керування, а
також на врахуванні механізму перемикання тиристорів.
Вхідні
вольт-амперні характеристики керуючого переходу залежать від типу тиристора,
температури напівпровідникової структури і навіть для одного і того ж типу
суттєво відрізняються із-за особливостей технології виготовлення приладу.
Схема
запуску (СЗ) тиристорів на базі
підсилювача-формувача є універсальною схемою. Вона може використовуватись в
безконтактних напівпровідникових апаратах (БНА)
постійного та змінного струму. Однак, ця СЗ
достатньо складна. Тому в БНА
застосовують СЗ, в яких для створення керованих імпульсів
використовується анодна напруга силового тиристора електронного ключа (ЕК). Варіант такої схеми наведено на
рис. 7.7.

Рис. 7.7. Схема запуску тиристорів від анодної напруги
Схема
на рис. 7.7 достатньо проста та дуже економічна за споживаною потужністю,
оскільки напруга для імпульсу подається на тиристор тільки під час його
ввімкнення.
Роль
імпульсного ключа виконує оптронний тиристор
, за допомогою якого формуються керуючі імпульси для
надійного відмикання тиристора ЕК.
За
наявності сигналу на виході системи керування (СК) транзистор
ввімкнений і на коло
керування оптронного ключа подається необхідна для його відкривання напруга.
Коли напруга на аноді силового тиристора
досягне значення, за
яким струм через обмежуючий резистор
стане рівним струму
вимкнення
цього тиристора,
останній ввімкнеться та зашунтує головне коло оптронного ключа
, вимикаючи струм в колі керування
.
За
відсутності сигналу на виході СК
оптронний ключ закритий і струм керування на тиристор ЕК не подається.
Діод
захищає коло керування
тиристори ЕК від дії недопустимої
зворотної напруги.
Час
ввімкнення
силового тиристора
буде максимальним за активного навантаження та кута керування
:
, (7.3)
де
– колова частота;
– амплітудне значення
фазної напруги мережі.
Величина
опору
має задовольняти
нерівності:
.
За
активно-індуктивного навантаження час ввімкнення силового тиристора:
, (7.4)
де
– стала часу кола
керування;
– усталене значення
струму в колі керування.
Під
час вибору типу оптронного ключа необхідно виходити з наступного:
– робоча напруга оптронного ключа
відповідає робочій напрузі силового транзистора;
– максимально допустимий імпульсний струм
оптронного ключа має бути не меншим
силового тиристора;
– максимальний час протікання стуму через
оптронний ключ визначається з формул (7.3) або (7.4).
С3 тиристора від
анодної напруги застосовуються в тиристорних контакторах, пускачах, вимикачах
та перемикачах напруги.
С3 силових біполярних
та польових транзисторів це звичайні імпульсні підсилювачі, які забезпечують за
станом керування стрибкоподібний перехід цих транзисторів у режим насичення
(повністю відкритий стан). На рис. 7.8 наведено СЗ силового біполярного транзистора
, яка являє собою двокаскадний підсилювач, виконаний на
малопотужних транзисторах
та
з різним типом
провідності.

Рис. 7.8. Схема запуску силового біполярного транзистора
За
наявності позитивного керуючого імпульсу
на вході транзистора
, потужний транзистор
під дією великого
колекторного струму транзистора
знаходиться в режимі
насичення (
). За відсутності імпульсу транзистор
під дією від’ємної
напруги
буде знаходитись у
режимі відсічки.
СЗ силового
біполярного транзистора з ізольованим затвором (БТІЗ) наведено на рис. 7.9.

Рис. 7.9. Схема захисту БТІЗ через активний опір
За
позитивної полярності імпульсу керування транзистор
підключає джерело
через резистор
до затвору
, що викликає його подвійне ввімкнення. За від’ємної
полярності імпульсу керування за допомогою транзистора
відбувається вимкнення БТІЗ. Швидкістю ввімкнення та втратами
можна керувати шляхом зміни величини
. Однак за умови вимкнення транзистора за допомогою цього
резистора можна керувати швидкістю вимкнення транзистора лише до моменту
досягнення колекторним струмом величини залишкового струму. Величина останнього
та швидкість його спадання виражається тільки конструкцією конкретного типу БТІЗ.