7.2.2. СК
безконтактною частиною ГНА
У
гібридних апаратах СК безконтактною
частиною апарата має відповідати не тільки вимогам до СЗ, але й забезпечувати певну послідовність у роботі контактної
системи та безконтактної частини, яка необхідна для створення якісну бездугову
комутацію кола. Для зручності порівняльного аналізу СК безконтактною частиною апарата, характерні ознаки СК наведені в табл. 7.1.
Варіант
керування безконтактною частиною гібридного контактора за групою «а» подано на
рис. 7.10.
Таблиця 7.1
Характерні ознаки
схем керування


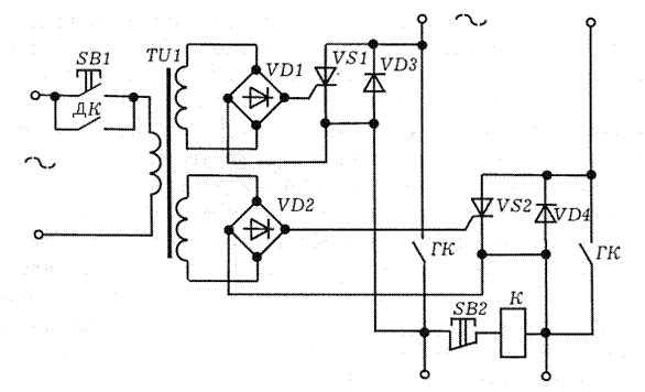
Рис. 7.10. Варіант керування групи «а»
Із
натисканням кнопки
змінна напруга
надходить на первинну обмотку трансформатора
, з вторинних обмоток якого через випрямлячі
,
напруга надходить на керуючі електроди
тиристорів
та
; тиристори вмикаються, напруга мережі подається на
навантаження та одночасно через кнопку
на котушку контактора К. Контактор К вмикається та шунтує своїми головними
контактами (ГК) кола: тиристор
– діод
та тиристор
– діод
, внаслідок чого, струм навантаження переходить у коло ГК. Одночасно допоміжний контакт (ДК)
шунтує кнопку
. Отже, сигнал керування на тиристорі
,
подається протягом
всього часу ввімкненого стану апарата, анодна напруга на тиристорах, яка
дорівнює спаду напруги замкнених контактах ГК,
достатньо мала, і тиристорами
,
анодний струм не тече. Вимкнення апарата
здійснюється кнопкою
, і коло котушки К
розмикається. Умова бездугової комутації виконується, якщо ДК розмикається дещо пізніше ніж ГК. Тоді до початку розмикання ГК
тиристори
,
за керуванням
ввімкненні, і струм навантаження з кола ГК
переходить в шунтувальне коло. Після розмикання ДК керування з тиристорів знімається, і вони вимикаються за умови
переходу струму через нуль.
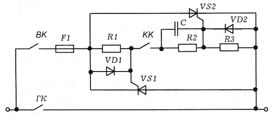
У
пристрої на рис. 7.11, який відноситься до варіанту керування групи «b», має
бути забезпечена наступна послідовність спрацювання контактів:
1)
із ввімкненням спочатку замикається відокремлюючий контакт ВК, потім контакт керування КК,
а потім головний контакт ГК;
2)
за умови вимкнення спочатку розмикається ГК,
потім КК, а потім через проміжок часу
не менший за півперіод струму головного кола – ВК.
За
такою послідовністю спрацювання контактів забезпечується ввімкнення тиристорів
,
до замикання ГК, що забезпечує режим без дугового
ввімкнення. Після замикання ГК з
тиристорів знімається сигнал керування та анодна напруга. На початку розмикання
ГК збільшується спад напруги на
ньому. Цей спад є керуючим сигналом і вмикає тиристори
,
. Цим забезпечується бездугове вимкнення.

Рис. 7.11. Варіант керування групи «b»
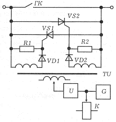
До
варіантів керування групи «с» відноситься пристрій на рис. 7.12.

Рис. 7.12. Варіант керування групи «с»
Генератор
імпульсів
отримує живлення від
джерела постійного струму
одночасно з котушкою
контактора К, тобто, тиристори
,
вмикаються раннім
замиканням ГК, що забезпечує
бездугове ввімкнення. Наявність у складі генератора імпульсів кола затримки
забезпечує надходження керуючого сигналу на тиристори та деякий час після
зняття напруги джерела постійного струму, чим забезпечується бездугове
вимкнення.
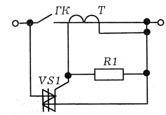
Представляє
інтерес пристрій (рис. 7.13), який відноситься до групи «d».

Рис. 7.13. Варіант керування групи «d»
Коло
керування симистором
складається з
реактивних елементів
та
, параметри яких підібрані так, щоб забезпечити ввімкнення
на початку процесу
вимкнення дуги на ГК. Однак схемою
забезпечується робота пристрою лише за незначним розкидом параметрів кола
керування
. Застосування його в апаратах з реальними
напівпровідниковими приладами, які мають суттєвий розкид зазначених параметрів
та різний характер навантаження не є можливим.
Пристрій,
в якому керування відповідає варіанту групи «е», має трансформатор струму
, від вторинних обмоток якого надходить сигнал на керуючий
електрод симистора
(рис. 7.14).

Рис. 7.14. Варіант керування групи «е»
Із
замиканням ГК та протіканні струму
головним колом на вторинних обмотках трансформатора виникає напруга, і
симистор, який шунтує ГК,
підготовлений для ввімкнення. Із розходженням ГК та збільшенням спаду напруги на них струм з головного кола
переходить в шунтувальне. Коли струм повністю переходить в шунтувальне коло, з
симистора знімається сигнал керування і він вимикається за умови переходу
струму через нульову позначку.
З
результатів порівняння випливає, що за розробки гібридних БНА недоцільно використовувати лише варіанти «а» та «d», оскільки:
1)
для варіанту «а» необхідне стороннє джерело сигналу керування, що знижує
експлуатаційні характеристики апарата та утруднює його застосування в
автоматизованих комплектних пристроях;
2)
варіант «d» працездатний лише в обмеженому діапазоні розкиду параметрів кіл
керування силових напівпровідникових приладів та тільки за визначеним
характером навантаження, що принципово не відповідає вимогам, що пред’являються
до комутаційних апаратів.
Решта
варіантів володіють як перевагами, так і недоліками, причому останні неможна
рахувати такими, що принципово не можуть бути усунені.