Задача №1. Визначити
потужність
, крутний момент
і частоту обертання
на тихохідному валу
одноступінчастого прямозубого циліндричного редуктора, якщо задано:
|
Параметри |
Варіанти |
||||
|
1 |
2 |
3 |
4 |
5 |
|
|
Потужність на шестірні |
2 |
4 |
6 |
8 |
10 |
|
Частота обертання шестірні
|
900 |
1000 |
1200 |
1400 |
1500 |
|
Модуль |
2 |
3 |
4 |
5 |
4,5 |
|
Число зубців шестірні |
20 |
30 |
40 |
50 |
28 |
|
Ділильний (початковий) діаметр
колеса |
80 |
270 |
240 |
625 |
441 |
Подати розрахункову схему і
найменування усіх символів.
Приклад розв’язання
задачі №1. Визначити потужність
, крутний момент
і частоту обертання
на тихохідному валу
одноступінчастого прямозубого циліндричного редуктора, якщо задано: потужність
на шестірні
кВт; частота обертання шестірні
хв-1;
модуль
мм; число зубців шестірні
; ділильний діаметр колеса
мм. Подати розрахункову схему і найменування усіх
символів.
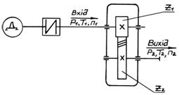
Розв’язання.

Рис.1. Схема приводу з
одноступінчастим прямозубим циліндричним редуктором
Коефіцієнт корисної дії:
![]()
Потужність на тихохідному валі:
![]()
Крутний момент на
шестірні:
![]()
Ділильний (початковий) діаметр
шестірні:
![]()
Передаточне відношення:
![]()
Крутний момент на тихохідному валі:
![]()
Частота обертання тихохідного вала:
![]()
Задача №2. Визначити
потужність
, крутний момент
і частоту обертання
на тихохідному валу
одноступінчастого косозубого циліндричного редуктора, якщо задано:
|
Параметри |
Варіанти |
||||
|
1 |
2 |
3 |
4 |
5 |
|
|
Потужність на шестірні |
2 |
4 |
6 |
8 |
10 |
|
Частота обертання шестірні
|
900 |
1000 |
1200 |
1400 |
1500 |
|
Модуль |
2 |
3 |
4 |
5 |
4,5 |
|
Ділильний (початковий) діаметр
шестірні |
40 |
90 |
160 |
250 |
126 |
|
Число зубців колеса |
40 |
90 |
60 |
125 |
98 |
|
Кут нахилу зубців |
10°30¢ |
12°30¢ |
14°30¢ |
15°30¢ |
17°30¢ |
Подати розрахункову схему і найменування
усіх символів.
Приклад розв’язання
задачі №2. Визначити потужність
, крутний момент
і частоту обертання
на тихохідному валу
одноступінчастого косозубого циліндричного редуктора, якщо задано: потужність
на шестірні
кВт; частота обертання шестірні
хв-1;
модуль
мм; число зубців колеса
; ділильний діаметр шестірні
мм; кут нахилу зубців
. Подати розрахункову схему і найменування усіх символів.
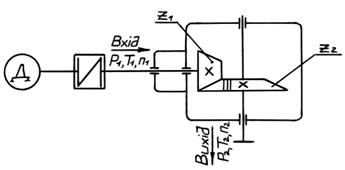
Розв’язання.

Рис.2. Схема приводу з
одноступінчастим косозубим циліндричним редуктором
Коефіцієнт корисної дії:
![]()
Потужність на тихохідному валі:
![]()
Крутний момент на
шестірні:
![]()
Ділильний (початковий) діаметр
колеса:
![]()
Передаточне відношення:
![]()
Частота обертання тихохідного вала:
![]()
Крутний момент на тихохідному валі:
![]()
Задача №3. Визначити потужність
, крутний момент
і частоту обертання
на тихохідному валу
одноступінчастого прямозубого конічного редуктора, якщо задано:
|
Параметри |
Варіанти |
||||
|
1 |
2 |
3 |
4 |
5 |
|
|
Потужність на шестірні
|
4,5 |
7 |
10 |
6 |
8 |
|
Частота обертання шестірні |
960 |
300 |
640 |
800 |
500 |
|
Кут при вершині початкового конуса шестірні |
14°2¢ |
26°34¢ |
17°37¢ |
33°41¢ |
31°12¢ |
Подати розрахункову схему і
найменування усіх символів.
Приклад розв’язання
задачі №3. Визначити потужність
, крутний момент
і частоту обертання
на тихохідному валу
одноступінчастого прямозубого конічного редуктора, якщо задано: потужність на
шестірні
кВт; частота обертання шестірні
хв-1; кут
при вершині початкового конуса шестірні
. Подати розрахункову схему і найменування усіх символів.
Розв’язання.

Рис.3. Схема приводу з
одноступінчастим прямозубим конічним редуктором
Коефіцієнт
корисної дії конічної передачі: ![]()
Передаточне відношення:
, або
.
Потужність на тихохідному валі:
кВт.
Частота обертання тихохідного вала:
хв-1.
Крутний момент на шестірні:
Н×м.
Крутний момент на тихохідному валі
Н×м.
Задача №4. Визначити потужність
, крутний момент
і частоту обертання
на тихохідному валу
черв’ячного редуктора, якщо задано:
|
Параметри |
Варіанти |
||||
|
1 |
2 |
3 |
4 |
5 |
|
|
Потужність на черв’яку |
1,5 |
2,2 |
3 |
4 |
5,5 |
|
Частота обертання черв’яка
|
2850 |
1425 |
1440 |
960 |
1445 |
|
Модуль |
8 |
10 |
5 |
6,3 |
4 |
|
Коефіцієнт діаметра черв’яка |
10 |
8 |
9 |
12,5 |
8 |
|
Число зубців черв’ячного колеса |
40 |
32 |
64 |
40 |
32 |
|
Кут підйому лінії витка
|
5°43¢ |
26°33¢ |
12°32¢ |
9°5¢ |
14°2¢ |
Подати розрахункову схему і
найменування усіх символів.
Приклад розв’язання
задачі №4. Визначити потужність
, крутний момент
і частоту обертання
на тихохідному валу
черв’ячного редуктора, якщо задано: потужність на черв’яку
кВт; частота обертання черв’яка
хв-1; модуль
мм; коефіцієнт діаметра черв’яка
; число зубців черв’ячного колеса
; кут підйому лінії витка черв’яка
Подати розрахункову
схему і найменування усіх символів.
Розв’язання.

Рис.4. Схема приводу з
одноступінчастим черв’ячним редуктором
Коефіцієнт корисної дії черв’ячної
передачі в залежності від
:
|
|
1 |
2 |
3 |
|
|
0,7…0,75 |
0,75…0,82 |
0,87…0,92 |
Кількість витків різі черв’яка:
![]()
Передаточне відношення:
![]()
Потужність на
тихохідному валі:
![]()
Частота обертання тихохідного вала:
![]()
Крутний момент на
черв’яку:
![]()
Крутний момент на тихохідному валі:
![]()
Задача №5. Визначити
основні геометричні параметри косозубого циліндричного колеса:
- ділильний діаметр;
- початковий діаметр;
- діаметр вершин зубців;
- діаметр западин зубців;
- ширина вінця;
- нормальний крок;
- коловий крок, якщо задано:
|
Параметри |
Варіанти |
||||
|
1 |
2 |
3 |
4 |
5 |
|
|
Нормальний модуль
|
2 |
3 |
4 |
5 |
6 |
|
Число зубців |
50 |
60 |
70 |
80 |
90 |
|
Коефіцієнт ширини |
0,25 |
0,315 |
0,4 |
0,5 |
0,63 |
|
Кут нахилу зубців |
10°30¢ |
12°30¢ |
14°30¢ |
15°30¢ |
17°30¢ |
Подати розрахункову схему і
найменування усіх символів.
Приклад розв’язання
задачі №5.
Визначити основні геометричні параметри косозубого циліндричного колеса:
- ділильний діаметр;
- початковий діаметр;
- діаметр вершин зубців;
- діаметр западин зубців;
- ширина вінця;
- нормальний крок;
- коловий крок, якщо задано: нормальний модуль
мм; число зубців
; коефіцієнт ширини
; кут нахилу зубців
. Подати розрахункову схему і найменування усіх символів.
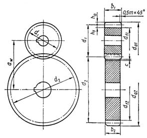
Розв’язання.
Приймаємо коефіцієнт зміщення
![]()
мм;
мм;
мм;
мм;
мм;
мм.

Рис.5. Параметри циліндричної
зубчастої передачі
Задача №6. Визначити основні
геометричні параметри прямозубого конічного колеса:
– кут при вершині початкового конуса колеса;
– зовнішній ділильний діаметр;
– зовнішній діаметр вершин зубців;
– зовнішній діаметр западин зубців;
– середній ділильний діаметр;
– зовнішня конусна відстань;
– ширина вінця зубчастого колеса, якщо задано:
|
Параметри |
Варіанти |
||||
|
1 |
2 |
3 |
4 |
5 |
|
|
Зовнішній коловий модуль
|
2,5 |
3 |
4 |
5 |
6 |
|
Число зубців шестерні |
20 |
25 |
22 |
20 |
30 |
|
Число зубців колеса |
63 |
75 |
88 |
40 |
75 |
Подати розрахункову схему і
найменування усіх символів.
Приклад розв’язання
задачі №6.
Визначити основні геометричні параметри прямозубого конічного колеса:
– кут при вершині початкового конуса колеса;
– зовнішній ділильний діаметр;
– зовнішній діаметр вершин зубців;
– зовнішній діаметр западин зубців;
– середній ділильний діаметр;
– зовнішня конусна відстань;
– ширина вінця зубчастого колеса, якщо задано: зовнішній
коловий модуль
мм; число зубців шестірні
; число зубців колеса
. Подати розрахункову схему і найменування усіх символів.
Розв’язання.

Рис.6. Параметри прямозубої
конічної зубчастої передачі
Передаточне відношення
дорівнює відношенню числа зубців колеса до числа зубців шестірні:
![]()
![]()
Зовнішня конусна відстань
дорівнює модулю, помноженому на число зубців колеса діленому на
:
мм.
![]()
![]()
Зовнішня висота головки і ніжки
зубця:
і ![]()
![]()
![]()
![]()
Задача №7. Визначити основні
геометричні параметри черв’ячної передачі:
і
– ділильні діаметри, відповідно, черв’яка і черв’ячного
колеса;
і
– діаметри вершин витків черв’яка і зубців черв’ячного
колеса;
і
– діаметри западин витків черв’яка і зубців черв’ячного
колеса;
– довжина нарізаної
частини черв’яка;
– ширина вінця
черв’ячного колеса;
– найбільший діаметр
черв’ячного колеса, якщо задано:
|
Параметри |
Варіанти |
||||
|
1 |
2 |
3 |
4 |
5 |
|
|
Передаточне відношення |
16 |
20 |
40 |
50 |
8 |
|
Кількість витків різьби черв’яка
(число заходів) |
2 |
2 |
1 |
1 |
4 |
|
Коефіцієнт діаметра черв’яка |
8 |
10 |
16 |
12,5 |
12,5 |
|
Модуль |
5 |
3,15 |
5 |
4 |
8 |
|
Коефіцієнт зміщення |
0 |
+0,4 |
0 |
0 |
+0,25 |
Подати розрахункову схему і
найменування усіх символів.
Приклад розв’язання
задачі №7.
Визначити основні геометричні параметри черв’ячної передачі:
і
– ділильні діаметри, відповідно, черв’яка і черв’ячного
колеса;
і
– діаметри вершин витків черв’яка і зубців черв’ячного
колеса;
і
– діаметри западин витків черв’яка і зубців черв’ячного
колеса;
– довжина нарізаної
частини черв’яка;
– ширина вінця
черв’ячного колеса;
– найбільший діаметр
черв’ячного колеса, якщо задано: передаточне відношення
; кількість витків різьби черв’яка
; коефіцієнт діаметра черв’яка
; модуль
; коефіцієнт зміщення
. Подати розрахункову схему і найменування усіх символів.
Розв’язання.
мм;
мм;
мм;
мм;
мм;

а

б
Рис.7. Параметри черв’яка (а), черв’ячного колеса та черв’ячної
передачі (б)
мм;
мм.
Якщо
або 2, тоді:
мм;
згідно ГОСТ 6636 за [4], c.67, т.11.2 приймаємо
мм.
Якщо
, тоді:
.
При
або 2, тоді
, а при
-
.
Отже,
мм. За ГОСТ 6636 за [4], c.67, т.11.2 приймаємо
мм.
мм.
За ГОСТ 6636 за [4], c.67, т.11.2 приймаємо
мм.
Задача №8. Визначити усі
зусилля, що діють в прямозубій циліндричній передачі, якщо задано:
|
Параметри |
Варіанти |
||||
|
1 |
2 |
3 |
4 |
5 |
|
|
Потужність на шестірні
|
2 |
5 |
10 |
15 |
10 |
|
Частота обертання шестірні |
2960 |
1470 |
970 |
940 |
1470 |
|
Модуль |
2 |
2,5 |
3 |
4 |
5 |
|
Число зубців шестірні |
20 |
24 |
30 |
25 |
22 |
Подати розрахункову схему і
найменування усіх символів.
Приклад розв’язання
задачі №8.
Визначити усі зусилля, що діють в прямозубій циліндричній передачі, якщо
задано: потужність на шестірні
кВт; частота обертання шестірні
хв-1; модуль
мм; число зубців шестірні
. Подати розрахункову схему і найменування усіх символів.
Розв’язання.
Крутний (обертальний) момент:

Рис.8. Зусилля на зубці
в прямозубій циліндричній передачі
![]()
Ділильний
(початковий) діаметр:
![]()
Колова сила на шестірні і колесі:
![]()
Радіальна сила на шестірні і колесі:
![]()
![]()
Задача №9. Визначити усі
зусилля, що діють в косозубій циліндричній передачі, якщо задано:
|
Параметри |
Варіанти |
||||
|
1 |
2 |
3 |
4 |
5 |
|
|
Потужність на шестірні
|
2 |
5 |
10 |
15 |
10 |
|
Частота обертання шестірні |
2960 |
1470 |
970 |
940 |
1470 |
|
Модуль |
2 |
2,5 |
3 |
4 |
5 |
|
Число зубців шестірні |
20 |
24 |
30 |
25 |
22 |
|
Кут нахилу зубців шестірні |
10°30¢ |
12°30¢ |
14°30¢ |
16°30¢ |
17°30¢ |
Подати розрахункову схему і
найменування усіх символів.
Приклад розв’язання
задачі №9. Визначити усі зусилля, що діють в косозубій
циліндричній передачі, якщо задано: потужність на шестірні
кВт; частота обертання шестірні
хв-1;
модуль
мм; число зубців
шестірні
; кут нахилу зубців шестірні
. Подати розрахункову схему і найменування усіх символів.
Розв’язання.
|
|
Рис.9. Зусилля на зубці в
косозубій циліндричній передачі |
Крутний (обертальний) момент:
![]()
Ділильний
(початковий) діаметр:
![]()
Колова сила на шестірні і колесі:
![]()
Радіальна сила на шестірні і колесі:
![]()
Осьова сила на шестірні і колесі:
![]()
Задача №10. Визначити усі зусилля, що
діють в прямозубій конічній передачі, якщо задано:
|
Параметри |
Варіанти |
||||
|
1 |
2 |
3 |
4 |
5 |
|
|
Потужність на шестірні
|
5 |
8 |
9 |
11 |
12 |
|
Частота обертання шестірні |
970 |
1460 |
970 |
1460 |
970 |
|
Середній ділильний діаметр
|
60 |
70 |
80 |
90 |
100 |
|
Кут при вершині початкового конуса |
18°30¢ |
20°30¢ |
23°30¢ |
25°30¢ |
27°30¢ |
Подати розрахункову схему і
найменування усіх символів.
Приклад розв’язання
задачі №10. Визначити усі зусилля, що діють в прямозубій конічній
передачі, якщо задано: потужність на шестірні
кВт; частота обертання шестірні
хв-1;
середній ділильний діаметр
мм; кут при вершині початкового конуса
. Подати розрахункову схему і найменування усіх символів.
Розв’язання.

Рис.10. Зусилля в прямозубій
конічній передачі
Крутний (обертальний) момент на
шестірні:
![]()
Колова сила на шестірні і колесі:
![]()
Радіальна сила на шестірні:
![]()
Осьова сила на шестірні:
![]()
Задача №11. Визначити усі зусилля, що діють
в черв’ячній передачі, якщо задано:
|
Параметри |
Варіанти |
||||
|
1 |
2 |
3 |
4 |
5 |
|
|
Потужність на черв’яку
|
1,1 |
2,2 |
3 |
5,5 |
4 |
|
Частота обертання черв’яка |
920 |
2850 |
1435 |
970 |
950 |
|
Модуль |
2 |
8 |
10 |
4 |
5 |
|
Коефіцієнт діаметра черв’яка, |
10 |
8 |
8 |
20 |
16 |
|
Передаточне відношення |
20 |
16 |
8 |
50 |
40 |
|
Число витків різьби черв’яка |
2 |
2 |
4 |
1 |
1 |
Подати розрахункову схему і
найменування усіх символів.
Рекомендації: при
приймати коефіцієнт
корисної дії передачі
; при
,
; при
,
.
Приклад розв’язання
задачі №11. Визначити усі зусилля, що діють в черв’ячній передачі,
якщо задано: потужність на черв’яку
кВт; частота обертання черв’яка
хв-1; модуль
мм; коефіцієнт діаметра черв’яка
; передаточне відношення
; число витків різьби черв’яка
. Подати розрахункову схему і найменування усіх символів.
Розв’язання.
Ділильні
діаметри черв’яка і черв’ячного колеса:
![]()
![]()
Число зубців черв’ячного колеса:
![]()
|
|
Рис.11. Зусилля в черв’ячній
передачі |
Крутні (обертальні)
моменти на черв’яку і черв’ячному колесі:
![]()
![]()
Колова сила на черв’яку, яка
дорівнює за значенням осьовій силі на черв’ячному колесі:
![]()
Колова сила на черв’ячному
колесі, яка дорівнює за значенням осьовій силі на черв’яку:
![]()
Радіальна сила в черв’ячній парі:
![]()
Задача №12. Визначити усі
зусилля і передаточні відношення
і
в планетарній
передачі, якщо задано:
|
Параметри |
Варіанти |
||||
|
1 |
2 |
3 |
4 |
5 |
|
|
Потужність на колесі |
7,5 |
12 |
15 |
20 |
16 |
|
Частота обертання колеса |
720 |
1500 |
960 |
920 |
200 |
|
Ділильний (початковий) діаметр
колеса |
50 |
40 |
63 |
84 |
80 |
|
Ділильний діаметр колеса |
100 |
80 |
108 |
144 |
120 |
|
Ділильний діаметр колеса |
250 |
200 |
279 |
372 |
320 |
|
Модуль |
2,5 |
2 |
3 |
4 |
4 |
Подати розрахункову схему і
найменування усіх символів.
Приклад розв’язання
задачі №12. Визначити усі зусилля і передаточні відношення
і
в планетарній
передачі, якщо задано: потужність на колесі а
кВт; частота обертання
колеса а
хв-1; ділильний діаметр колеса а
мм; ділильний діаметр колеса
мм; ділильний діаметр колеса
мм; модуль
мм. Подати розрахункову схему і найменування усіх
символів.
Розв’язання.
|
|
Рис. 12. Зусилля
в планетарній передачі: |
Передаточні
відношення:
![]()
![]()
Крутний (обертальний) момент на
колесі а:
![]()
Колова сила на колесі
і
:
![]()
Радіальна сила на колесі
і
:
![]()
де
- число сателітів;
- коефіцієнт, що враховує
нерівномірність розподілу навантаження між сателітами.
Колова сила на водилі:
![]()
Задача №13. Визначити потужність
, крутний
момент
і частоту обертання
на веденому шківі
клинопасової передачі, якщо задано:
|
Параметри |
Варіанти |
||||
|
1 |
2 |
3 |
4 |
5 |
|
|
Потужність на ведучому шківі |
3 |
4 |
5,5 |
7,5 |
11 |
|
Частота обертання ведучого шківа |
1435 |
950 |
720 |
2900 |
2900 |
|
Діаметр ведучого шківа
|
63 |
80 |
100 |
71 |
90 |
|
Діаметр веденого шківа
|
180 |
200 |
200 |
280 |
355 |
Подати розрахункову схему і
найменування усіх символів.
Приклад розв’язання
задачі №13. Визначити потужність
, крутний момент
і частоту обертання
на веденому шківі
клинопасової передачі, якщо задано: потужність на ведучому шківі
кВт; частота обертання ведучого шківа
хв-1; діаметр ведучого шківа
мм; діаметр веденого шківа
мм. Подати розрахункову схему і найменування усіх
символів.
Розв’язання.
|
|
Рис.13. Схема
клинопасової передачі |
Коефіцієнт корисної дії передачі:
.
Передаточне відношення:
,
де
– коефіцієнт пружного ковзання.
Потужність на веденому шківі:
кВт.
Частота обертання веденого шківа:
.
Крутний момент на ведучому шківі:
Н×м.
Крутний момент на веденому шківі:
Н×м.
Задача №14. Визначити потужність
, крутний момент
і частоту обертання
на веденій зірочці
ланцюгової передачі, якщо задано:
|
Параметри |
Варіанти |
||||
|
1 |
2 |
3 |
4 |
5 |
|
|
Потужність на ведучій зірочці |
2,6 |
4 |
5,5 |
7,5 |
11 |
|
Частота обертання ведучої зірочки |
800 |
600 |
720 |
970 |
900 |
|
Число зубців ведучої зірочки |
25 |
21 |
19 |
17 |
27 |
|
Число зубців веденої зірочки |
50 |
63 |
48 |
68 |
96 |
Подати розрахункову схему і
найменування усіх символів.
Приклад розв’язання
задачі №14. Визначити потужність
, крутний момент
і частоту обертання
на веденій зірочці
ланцюгової передачі, якщо задано: потужність на ведучій зірочці
кВт; частота обертання ведучої зірочки
хв-1; число зубців ведучої зірочки
; число зубців веденої зірочки
. Подати розрахункову схему і найменування усіх символів.
Розв’язання.
|
|
Рис.14. Схема ланцюгової передачі |
Коефіцієнт
корисної дії передачі:
.
Передаточне
відношення:
.
Потужність на
веденій зірочці:
кВт.
Частота обертання
веденої зірочки:
хв.-1
Крутний момент на ведучій зірочці:
Н×м.
Крутний момент на веденій зірочці:
Н×м.
Задача №15. Перевірити на статичну
міцність вал в небезпечному перерізі діаметром
(на валу є канавка для
призматичної шпонки за ГОСТ 23360-78), у якому діє найбільший сумарний
згинальний момент
. Інші силові фактори в даному перерізі: крутний момент
та осьова сила
. Коефіцієнт можливого перевантаження
, типовий режим навантаження
. Матеріал вала – сталь 45 ГОСТ 1050-88,
термообробка - поліпшення. Числові значення вихідних даних до задачі
подано в таблиці:
|
Параметри |
Варіанти |
||||
|
1 |
2 |
3 |
4 |
5 |
|
|
Найбільший сумарний згинальний момент |
15×104 |
16×104 |
17×104 |
19×104 |
22×104 |
|
Діаметр вала в небезпечному
перерізі |
30 |
35 |
40 |
45 |
50 |
|
Крутний момент |
9×104 |
10×104 |
11×104 |
12×104 |
14×104 |
|
Осьова сила |
150 |
170 |
200 |
250 |
300 |
Подати розрахункову схему і
найменування усіх символів.
Приклад розв’язання
задачі №15. Перевірити на статичну міцність вал в небезпечному
перерізі діаметром
мм (на валу є канавка для призматичної шпонки за
ГОСТ 23360-78), у якому діє найбільший сумарний згинальний момент
Н×мм. Інші силові
фактори в даному перерізі: крутний момент
Н×мм та осьова сила
Н. Коефіцієнт можливого перевантаження
, типовий режим навантаження
. Матеріал вала – сталь 45 ГОСТ 1050-88,
термообробка - поліпшення. Подати
розрахункову схему і найменування усіх символів.
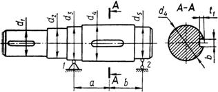
Розв’язання.
Параметри шпонкового з’єднання для
вала
мм приймаємо за [4], c.87, т.11.19.

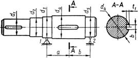
Рис.15. Схема до розрахунку вала на
статичну міцність
Геометричні характеристики небезпечного перерізу в точці
С:
момент
опору при згинанні
![]()
![]()
момент
опору при крутінні
![]()
![]()
площа
перерізу
![]()
Розрахункові максимальні навантаження в перерізі:
максимальний
згинальний момент
![]()
максимальний
крутний (обертальний) момент
![]()
максимальне
осьове навантаження
![]()
Максимальні напруги в розглядуваному перерізі:
напруги
згинання і стиску
![]()
напруга
крутіння
![]()
Коефіцієнти запасу міцності за
нормальними і дотичними напругами:

Загальний коефіцієнт запасу міцності
за границею плинності:
![]()
Для сталі 45 при
і режимі роботи ІІІ
допустиме значення загального коефіцієнта запасу за границею плинності
(за [4], с.87,
т.11.18).
Статична міцність вала забезпечена, оскільки
![]()
Задача №16. Визначити на тихохідному
котку циліндричної фрикційної передачі: потужність
, крутний момент
, частоту обертання
і силу стиску
, якщо задано:
|
Параметри |
Варіанти |
||||
|
1 |
2 |
3 |
4 |
5 |
|
|
Потужність на ведучому котку |
1,5 |
2,2 |
3 |
4 |
5,5 |
|
Частота обертання ведучого котка |
1415 |
700 |
1430 |
950 |
965 |
|
Діаметр ведучого котка |
100 |
125 |
160 |
180 |
200 |
|
Діаметр веденого котка |
200 |
475 |
320 |
450 |
600 |
Подати розрахункову схему і
найменування усіх символів.
Приклад розв’язання
задачі №16. Визначити на тихохідному котку циліндричної фрикційної
передачі: потужність
, крутний момент
, частоту обертання
і силу стиску
, якщо задано: потужність на ведучому котку
кВт; частоту обертання ведучого котка
хв-1; діаметр ведучого котка
мм; діаметр веденого котка
мм. Подати розрахункову схему і найменування усіх
символів.
Розв’язання.
|
|
Рис.16. Схема циліндричної
фрикційної передачі |
Коефіцієнт корисної дії передачі:
, приймаємо
.
Коефіцієнт запасу зчеплення
, приймаємо
.
Коефіцієнт тертя ковзання сталь по
сталі або по чавуну всуху:
, приймаємо
.
Потужність на тихохідному котку:
кВт.
Передаточне відношення:
.
Крутний момент на ведучому котку:
Н×м.
Крутний момент на тихохідному котку:
Н×м.
Сила стиску котків:
Н.
Частота обертання:
хв-1.
Задача №17. Перевірити на втомну
міцність вал в небезпечному перерізі діаметром
, у якому діють найбільший сумарний згинальний момент
та крутний момент
. Типовий режим навантаження
. Матеріал вала – сталь 45 ГОСТ 1050-88,
термообробка - поліпшення. Числові значення вихідних даних до задачі
подано в таблиці:
|
Параметри |
Варіанти |
||||
|
1 |
2 |
3 |
4 |
5 |
|
|
Найбільший сумарний згинальний момент
|
15×104 |
16×104 |
17×104 |
19×104 |
22×104 |
|
Діаметр вала в небезпечному
перерізі
|
30 |
35 |
40 |
45 |
50 |
|
Крутний момент |
9×104 |
10×104 |
11×104 |
12×104 |
14×104 |
Подати розрахункову схему і
найменування усіх символів.
Рекомендації: для вала напруги
згинання змінюються за симетричним циклом, а напруги крутіння – за віднульовим
(пульсуючим) циклом.
Приклад розв’язання
задачі №17. Перевірити на втомну міцність вал в небезпечному
перерізі діаметром
мм (на валу є канавка для призматичної шпонки за
ГОСТ 23360-78), у якому діють найбільший сумарний згинальний момент
Н×мм та крутний момент
Н×мм. Типовий режим
навантаження
. Матеріал вала – сталь 45 ГОСТ 1050-88,
термообробка - поліпшення. Подати
розрахункову схему і найменування усіх символів.
Розв’язання.
Параметри шпонкового з’єднання для
вала
мм приймаємо за [4], c.87, т.11.19.
|
|
|
|
А |
б |
Рис.17. Схеми до розрахунку вала на
втомну міцність
Проводимо розрахунок перерізу в точці
С. Оскільки редуктор працює в нереверсивному режимі привода стрічкового
конвеєра, приймемо для вала, що напруги згинання змінюються за симетричним
циклом, а напруги крутіння – за віднульовим /пульсивним/ циклом.
Визначення характеристик втомного
опору вала.
Коефіцієнти, які враховують вплив
усіх факторів на втомний опір, відповідно при згинанні і крутінні:
![]()
![]()
де
і
- ефективні коефіцієнти
концентрації напруг для шпонкових ділянок валів при
(за [4], с.90,
т.11.24);
і
- коефіцієнти впливу
абсолютних розмірів для вала
([4], с.93, т.11.27);
- коефіцієнт впливу якості
обробки поверхні при розрахунку на згинання;
для механічної обробки поверхні – обточки
, при
([4], с.94 т.11.29);
- коефіцієнт впливу якості
обробки поверхні при розрахунку на крутіння;
- коефіцієнт впливу зміцнення
при поверхневій обробці; (для випадку, коли поверхня вала не зміцнюється ([4], c.94 т.11.28). Коефіцієнти, що
характеризують чутливість матеріалу до асиметрії циклу напруг, відповідно при
згинанні і крутінні:

Амплітуди напруг циклу при згинанні і
крутінні:

Середні напруги циклу при згинанні і
крутінні:
![]()
Коефіцієнти запасу міцності при
розрахунку на втомний опір відповідно за нормальними і дотичними напругами:
![]()
![]()
Загальний розрахунковий коефіцієнт
запасу міцності:
![]()
Для режиму роботи
допустимий запас
міцності за границею витривалості
([4], с.87, т.11.18).
Втомна міцність вала забезпечена,
адже ![]()
Задача №18. Визначити діаметр та
кількість болтів, встановлених в отвір із зазором для з’єднання фланців муфти,
за заданими значеннями:
|
Параметри |
Варіанти |
||||
|
1 |
2 |
3 |
4 |
5 |
|
|
Розрахунковий обертальний момент |
350 |
400 |
300 |
200 |
100 |
|
Діаметр розміщення болтів
|
150 |
160 |
180 |
140 |
100 |
|
Допустима напруга при розтягу |
60 |
50 |
60 |
50 |
60 |
Подати розрахункову схему і
найменування усіх символів.
Приклад розв’язання
задачі №18. Визначити діаметр та кількість болтів, встановлених в
отвір із зазором для з’єднання фланців муфти, за заданими значеннями:
розрахункового крутного моменту
Н×м; діаметру
розміщення болтів
мм; допустимої напруги при розтягу
МПа. Подати розрахункову схему і найменування усіх
символів.
Розв’язання.
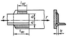
|
|
Рис.18. Схема до розрахунку
діаметра та кількості болтів, що з’єднують фланці муфти |
Приймаємо матеріал болтів і муфти
сталь Ст. 3.
Затягування болтів не контролюється.
Сила затягування одного болта:
Н,
де
- число болтів;
- коефіцієнт тертя ковзання;
- коефіцієнт запасу від взаємного зсуву деталей при
статичному навантаженні, приймаємо
.
мм,
де
МПа – допустима
напруга при розтягу.
Приймаємо болт М 18 з
внутрішніми діаметром різі
мм ([8], с.218, 219).
Задача №19. Визначити усі параметри
нерухомого шпонкового з’єднання: ширину
, висоту
і довжину
призматичної шпонки за
заданими значеннями:
|
Параметри |
Варіанти |
||||
|
1 |
2 |
3 |
4 |
5 |
|
|
Крутного моменту |
100 |
500 |
800 |
1100 |
1400 |
|
Діаметру вала |
20 |
40 |
50 |
60 |
70 |
Подати розрахункову схему і
найменування усіх символів.
Приклад розв’язання
задачі №19. Визначити усі параметри нерухомого шпонкового
з’єднання: ширину
, висоту
і довжину
призматичної шпонки за
заданими значеннями: крутного моменту
Н×м; діаметра вала
мм. Подати розрахункову схему і найменування усіх
символів.
Розв’язання.
|
|
Рис.19. Схема з’єднання
призматичною шпонкою |
Для вала діаметром
мм вибираємо шпонку
шириною та висотою
мм ([8], с. 370, 371
або [1], Т.2, с.520).
Для нерухомого шпонкового з’єднання
допустима напруга зминання
([8] с.370):
МПа,
де
Мпа – границя
текучості для сталі 35 ([8] с.35, т. ІІ.11).
Приймаємо допустиму напругу зминання
МПа.
Робоча довжина шпонки:
мм.
Умовне позначення вибраної шпонки з округленими торцями:
шпонка
ГОСТ 23360-78 (СТ. СЭВ 189-75).
Задача №20. Визначити діаметр
болта, встановленого в отвір із зазором і без зазору, якщо він навантажений
поперечною силою
, значення якої подано в таблиці:
|
Параметри |
Варіанти |
||||
|
1 |
2 |
3 |
4 |
5 |
|
|
Поперечна сила |
5 |
7 |
8 |
9 |
10 |
Подати розрахункову схему і
найменування усіх символів.
Приклад розв’язання
задачі №20. Визначити діаметр болта, встановленого в отвір із
зазором і без зазору, якщо він навантажений поперечною силою
кН. Подати розрахункову схему і найменування усіх
символів.
Розв’язання.
|
|
|
|
а |
б |
Рис.20.
Схема болта встановленого в отвір із зазором (а) і без зазору (б)
Приймаємо
матеріал болта сталь Ст. 3 ГОСТ 380-88, затягування
болта не контролюється, кількість площин зрізу
, поперечна сила
кН.
1.
Розрахунок болта, встановленого в отвір із зазором.
Сила
затягування болта:
Н,
де
- коефіцієнт запасу від взаємного зсуву деталей при статичному
навантаженні; приймаємо
;
- коефіцієнт тертя ковзання;
- кількість площин зрізу.
Внутрішній діаметр різі болта:
мм,
де
МПа – допустима
напруга при розтягу;
де
МПа – границя
текучості для сталі Ст. 3 ([8], с.34, т. ІІ.9);
- коефіцієнт запасу ([8], с.236, т.V.11).
Приймаємо болт М33 з внутрішнім
діаметром різі
мм ([8],
с.218, 219).
2. Розрахунок болта, вставленого в
отвір без зазору.
Діаметр не нарізаної частини болта:
мм,
де
МПа – допустима
напруга зрізу при статичному навантаженні ([2], с.53, т.1.2);
- кількість площин зрізу.
Приймаємо болт М6 за ГОСТ 7817-72 з діаметром не нарізаної
частини болта
мм ([8], с.255, т.VІ-10).
Задача №21. Розрахувати зварне з’єднання
кутника з косинкою, якщо задано розтягуючи осьове навантаження
; шов кутовий. Визначити довжини лобового і двох флангових
швів.
|
Параметри |
Варіанти |
||||
|
1 |
2 |
3 |
4 |
5 |
|
|
Осьова розтягувальна сила |
20 |
30 |
40 |
80 |
100 |
Подати розрахункову схему і
найменування усіх символів.
Приклад розв’язання
задачі №21. Розрахувати зварне з’єднання кутника з косинкою, якщо
задано розтягувальне осьове навантаження
кН; шов кутовий. Визначити довжини лобового і двох
флангових швів. Подати розрахункову схему і найменування усіх символів.
Розв’язання.
|
|
Рис.21. Схема до розрахунку
зварного з’єднання кутника з косинкою |
Вибір кутника за умовою міцності на розтяг:
,
де
для Ст3 ([1], Т.3, c.81, т.29)
За ГОСТ 8509-72 ([1], Т.1, c.136) вибираємо кутник
, у якого
;
;
;
– відстань від центру
ваги до навантаженої грані полички.
Приймаємо катет зварного шва
і напускне зварне з’єднання.
Загальна довжина зварних швів визначається з умови
міцності на зріз:
;
мм.
Загальна довжина швів складається з лобового та двох
флангових швів:
.
Для ручного зварювання електродами Э42 ([1], Т.3, c.81, т.28) допустима напруга в швах
при зрізі:
.
Довжина лобового шва і двох флангових швів:
;
;
![]()
![]()
Задача №22. Визначити діаметр зрізного
штифта дискової запобіжної муфти за заданими значеннями:
|
Параметри |
Варіанти |
||||
|
1 |
2 |
3 |
4 |
5 |
|
|
Обертального моменту
|
500 |
400 |
500 |
400 |
300 |
|
Діаметра розміщення штифта |
100 |
120 |
140 |
170 |
90 |
Подати розрахункову схему і
найменування усіх символів.
Приклад розв’язання
задачі №22. Визначити діаметр зрізного штифта дискової запобіжної
муфти за заданими значеннями: крутного моменту
Н×м; діаметру
розміщення штифта
мм. Подати розрахункову схему і найменування усіх
символів.
Розв’язання.
Розрахунковий обертальний момент:
![]()
де
-
коефіцієнт динамічності режиму
навантажування (для стрічкового конвеєра).
|
|
Рис. 22. Схема до визначення
діаметру зрізного штифта дискової запобіжної муфти |
Граничний обертальний момент:
![]()
Для загартованих штифтів зі сталі Ст 5
допустимі напруги зрізу
([2], с. 371).
Розрахунковий діаметр штифта:
,
де
– коефіцієнт
нерівномірності розподілу навантаження по штифтах, при числі штифтів
а при
.
За ГОСТ 6636, за рядом
, приймаємо діаметр штифта
d=7,5 мм ([1], Т.1, с.364).
Задача №23. Визначити діаметр
затягнутого болта, якщо зовнішнє навантаження відсутнє і задано:
|
Параметри |
Варіанти |
||||
|
1 |
2 |
3 |
4 |
5 |
|
|
Площа стику деталей для одного болта
|
500 |
1000 |
1500 |
2000 |
1300 |
|
Допустима напруга зминання в стиці дета-лей |
2 |
3 |
2,5 |
2 |
3 |
Подати розрахункову схему і
найменування усіх символів.
Приклад розв’язання
задачі №23. Визначити діаметр затягнутого болта, якщо зовнішнє
навантаження відсутнє і задано: площу стику деталей для одного болта
мм2; допустиму напругу зминання в стиці
деталей
МПа. Подати розрахункову схему і найменування усіх
символів.
Розв’язання.
Приймаємо: матеріал болта –
сталь 45, затягування болта не контролюється. Сила затяжки болта:
Н.
Внутрішній діаметр різі болта:
мм,
де
МПа – допустима напруга розтягу,
МПа – границя текучості для сталі 45 ([1], с.35,
т.ІІ.1);
- коефіцієнт запасу ([1], с.236, т.V.11).
Приймаємо болт М6 з внутрішнім
діаметром
мм
за [1], с.218, 219.
|
|
Рис.23. Схема до визначення
діаметру затягнутого болта |
Задача №24. Визначити діаметр болта,
навантаженого зовнішньою силою розтягу
. Затяжка болта відсутня. Діаметр різі болта підібрати за
ГОСТ. Матеріал болта - сталь 35 ГОСТ 1050-88. Вихідні дані для розрахунку
подано в таблиці:
|
Параметри |
Варіанти |
||||
|
1 |
2 |
3 |
4 |
5 |
|
|
Сила розтягу |
8 |
10 |
14 |
16 |
20 |
|
Матеріал болта, сталь |
Ст 3 |
Ст 5 |
20 |
35 |
45 |
Подати розрахункову схему і
найменування усіх символів.
Приклад розв’язання
задачі №24. Визначити діаметр болта, навантаженого зовнішньою силою
розтягу
кН. Затяжка болта відсутня. Діаметр різі болта
підібрати за ГОСТ. Матеріал болта - сталь 35
ГОСТ 1050-88. Подати розрахункову схему і найменування усіх символів.
Розв’язання.
Записуємо умову
міцності з врахуванням виду деформації при розтягу:
, (1)
де
- площа небезпечного перерізу болта (по внутрішньому
діаметру різьби
):
, мм2;
кгс/см2=180 Н/мм2=180 МПа
-
величина допустимої напруги розтягу при статичному (постійному) навантаженні
для сталі 35, при термообробці – нормалізація [1], Т.1, с.86.
|
|
Рис.24. Схема до визначення
діаметра болта навантаженого зовнішньою силою |
Із залежності (1) визначаємо
внутрішній діаметр різі болта:
мм.
За ГОСТ 9150-89 ([1], Т.1, с.427)
вибираємо болт М12 з внутрішнім діаметром
мм.
Задача №25. Для з’єднання вала
електродвигуна і вала гвинтового конвейєра підібрати пружну втулково-пальцеву
муфту (МПВП) і перевірити міцність пальців і втулок за заданими значеннями:
|
Параметри |
Варіанти |
||||
|
1 |
2 |
3 |
4 |
5 |
|
|
Діаметр вала електро-двигуна |
18 |
22 |
38 |
45 |
28 |
|
Діаметр вала конвейєра |
16 |
20 |
30 |
40 |
25 |
|
Потужність електро-двигуна |
3 |
4 |
15 |
22 |
11 |
|
Частота обертання
|
1435 |
1435 |
960 |
730 |
1465 |
Подати розрахункову схему і
найменування усіх символів.
Приклад розв’язання
задачі №25. Для з’єднання вала електродвигуна і вала гвинтового
конвейєра підібрати пружну втулково-пальцеву муфту (МПВП) і перевірити міцність
пальців і втулок за заданими значеннями: діаметру вала електродвигуна
мм; діаметру вала конвейєра
мм; потужності електродвигуна
кВт; частоти обертання
хв-1. Подати розрахункову схему і найменування
усіх символів.
Розв’язання.
Номінальний обертальний момент на
муфті:
Н×м.
Розрахунковий обертальний момент для
вибору муфти:
Н×м.

Рис.25. Схема пружної
втулково-пальцевої муфти
За розрахунковим обертальним моментом
та діаметром валів двигуна
мм і конвейєра
мм вибираємо за [6], с.182, т.16.1 муфту пружну
втулково-пальцеву МУВП-38 з допустимим обертальним моментом
Н×м, довжиною пальця
мм, діаметром пальця
мм, довжиною пружної втулки
мм, діаметром розміщення пальців
мм, числом пальців
.
Розрахунок пальця на згин.
Розрахункові напруги згину:
МПа![]()
МПа,
де
- згинальний момент, що діє на палець;
- момент опору згину.
Допустима напруга згину для сталі 45
МПа.
Допускається перевантаження за
напругами згину до 5%.
Перевантаження матеріалу пальця:
![]()
Розрахунок втулки на зминання.
Розрахункові напруги зминання:
МПа
МПа - для втулки, виготовленої з
гуми;
де
- колова сила, що діє на втулку;
- площа зминання втулки.