РОЗРАХУНКОВО-ГРАФІЧНА
РОБОТА №1
“Кінематичний та силовий
розрахунок привода електромеханічного тягла з двоступінчастим циліндричним косозубим редуктором”
1. Завдання на
проектування електромеханічного тягла:
тягове зусилля
на линві ![]()
довжина траси
транспортування ![]()
швидкість
переміщення вантажу ![]()
режим роботи
привода
(важкий);
коефіцієнт
перевантаження ![]()
ресурс, ![]()

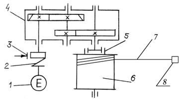
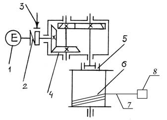
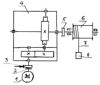
Рис. Д.1. Схема
тягла
На схемі
показано: 1 – електродвигун; 2 – муфта пружна; 3 – гальмо; 4 – редуктор
циліндричний двоступінчастий за розгорнутою схемою; 5 – муфта компенсна (зубчаста); 6 – барабан тяговий; 7 – линва; 8 –
вантаж.
2. Вибір линви
та визначення діаметра барабана 6.
Максимальний
натяг на вітці линви, що намотується на барабан при транспортуванні вантажу,
![]()
Тут не
враховується вага вантажозахватного органу. Найменше допустиме розривне зусилля
линви
![]()
де
- коефіцієнт запасу
міцності линви (додаток 7),
;
![]()
За табл.
(додаток 8) вибираємо линву сталеву, подвійного сукання типу ЛК діаметром
маркувальної групи
з розривним зусиллям
, тобто з деяким недовантаженням, бо ж
.
Діаметр барабана
по його поверхні
![]()
де
- коефіцієнт, що
залежить від режиму роботи (додаток 7).
Округлюємо до
більшого значення (додаток 6):
![]()
Довжина одного
витка линви на барабані буде
![]()
а довжина траси транспортування
(задано). На барабані
має бути укладено
витків, тобто
витків, де 5 – загальна
кількість витків, що йде на закріплення і про запас (для надійності!). Оскільки
, то довжина барабана буде не меншою за
, враховуючи, що укладання витків буде один до одного (без
проміжків); тоді
![]()
Умова
, що свідчить про жорсткість барабана і додаткового
розрахунку проводити немає сенсу.
3. Визначення
потрібної потужності двигуна
,
де
- ККД передачі;
- вихідна потужність
на валі барабана;
- потрібна потужність
двигуна.
![]()
де
(із
) згідно цього посібника, с. 40, табл. 14:
![]()
![]()
![]()
![]()
![]()
![]()
4. Вибір
двигуна:
![]()
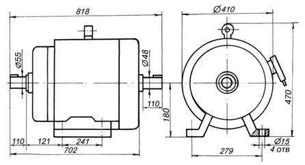
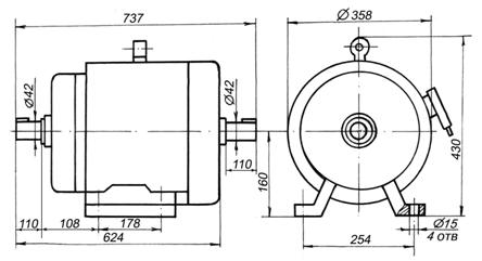
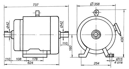
Вибираємо двигун
(додаток 9): 4А 180М4/1470 потужністю
.
.

Рис. Д.1, а.
Ескіз двигуна 4А 180М4/1470
5. Кінематичні
параметри привода; передатне число привода
![]()
Розподілимо
передатне число привода на передатні числа ступенів редуктора, бо інших передач
у схемі немає. Визначимо
за формулою
![]()
де
- передатне число
тихохідної передачі (за посібником:
Дунаев П.Ф., Леликов
О.П. Детали машин. Курсовое
проектирование. – М.: Высш. шк., 1990,с.9,
табл. 1.3).
Зауваження. Якщо
в межах
, то
знаходять за графіком
на рис.11 цього НМП.
Передатне число
швидкохідної передачі
![]()
Приймаємо
остаточно
(стандартне,
максимальне) при твердості коліс
, а передатне число швидкохідної передачі
![]()
при такій же твердості, як і тихохідної передачі (табл.
13 цього НМП).
6. Частота
обертання валів та їхні кутові швидкості
![]()
![]()
![]()
![]()
![]()
![]()
7. Обертові
моменти на валах
![]()
![]()
![]()
![]()
![]()
8. Зведемо
знайдені параметри в таблицю
|
Знайдені параметри |
Двигун 4А180М4/1470 |
Швидко-хідний вал |
Проміж-ний вал |
Тихохід-ний вал |
Вал барабана |
|
Обертовий момент,
|
173,5 |
170,1 |
1258,6 |
7691,7 |
7537,8 |
|
Кутова швидкість,
|
153,86 |
153,86 |
20,16 |
3,2 |
3,2 |
|
Частота обертання,
|
1470 |
1470 |
192,7 |
30,6 |
30, |
|
Передатні
числа |
Редуктор Швидкохідний
вал Тихохідний
вал |
||||
|
Діаметр линви, |
|
||||
|
Діаметр барабана,
|
500 |
||||
РОЗРАХУНКОВО-ГРАФІЧНА
РОБОТА №2
“Кінематичний та силовий
розрахунок електромеханічного тягла з циліндричним двоступінчастим співвісним редуктором” за схемою 2

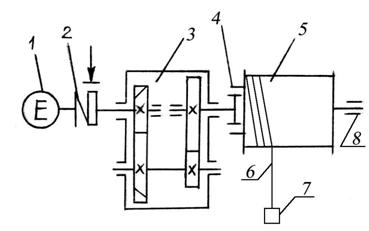
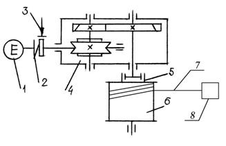
Рис. Д.2.
Кінематична схема тягла електричного:
1
– двигун електричний; 2 – муфта пружна з гальмом; 3 – редуктор співвісний
циліндричний косозубо-прямозубий; 4 – муфта
компенсаційна (зубчаста); 5 – барабан тяговий; 6 – линва; 7 – вантаж; 8 –
радіальна дворядна кулькова сферична само установка.
Потрібно:
запроектувати тягло електромеханічне за такими даними:
тягове зусилля
на линві ![]()
довжина траси
транспортування ![]()
швидкість
переміщення вантажу ![]()
режим роботи
привода
(легкий);
коефіцієнт
перевантаження ![]()
ресурс
(тривалість роботи) ![]()
Твердість коліс
погодити з викладачем.
1.1. Вибір
діаметра барабана
Розривне зусилля
на линві
![]()
де
- легкий режим роботи
(додаток 7),
- зусилля на линві від
заданого вантажу.
Отже, ![]()
За ГОСТ 7665
(додаток 8) вибираємо діаметр линви
, а маркувальну групу 1568
(друга колонка цієї
таблиці).
Розраховуємо
діаметр барабана
![]()
де
(додаток 7).
Згідно ГОСТ 6616
приймаємо діаметр барабана
.
Довжина витка
линви на барабані
.
Кількість витків
витків.
де
- довжина траси
транспортування.
Довжина барабана
буде
![]()
де
враховуючи запасні
витки і витки, що йдуть на закріплення линви на барабані.
Визначаємо
відношення
що дає можливість намотувати
на барабан линву в один шар. Для економії матеріалу барабана і більшої жорсткості
його будемо намотувати линву на барабані в 2 шари. Приймемо довжину барабана
Тоді
Остаточно ![]()
1.2. Вибір
електродвигуна
Обертовий момент
на валі барабана
![]()
Кутова швидкість
на валі барабана
![]()
Потужність на валі барабана
![]()
Потужність
потрібного двигуна
![]()
де
- ККД привода;
![]()
де
- відповідно ККД
першої і другої муфт;
- ККД редуктора; ![]()
Тоді ![]()
де
- середнє значення ККД
зубчатої передачі (а їх 2!) (див. цей посібник на с.40, табл. 14).
Тоді ![]()
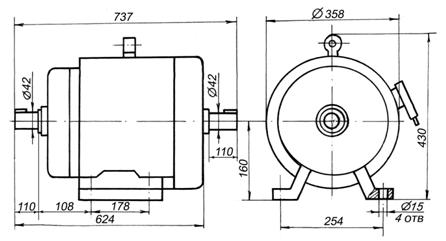
Вибираємо
електродвигун (додаток 9) асинхронний 4А160S2/2940 потужністю 15 кВт, що працюватиме з
недовантаженням (очевидно), але меншої потужності не можна брати, бо буде
перевантажений. Наприклад,
Тоді
![]()
а це недопустимо.
Остаточно ![]()
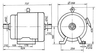
Подамо ескіз
двигуна (додаток 9) з усіма параметрами із додатку 9, що належить вибраному
двигуну 4А160S2/2940.
.

Рис. Д.2, а.
Ескіз двигуна 4А160S2/2940
Визначимо
частоту обертання барабана
із залежності
![]()
Знайдемо
передатне число редуктора тягла за залежністю
![]()
Згідно цього
посібника, табл. 16, д, передатне число тихохідної передачі співвісного
редуктора
![]()
Передатне число
швидкохідної передачі співвісного редуктора ![]()
Приймемо
стандартне значення
а
знайдемо за формулою
![]()
що є нестандартним.
Отже, маємо:
- остаточні значення
передатних чисел ступенів редуктора.
Знайдемо частоти
обертання, кутові швидкості і обертові моменти на кожному з валів і зведемо
одержані значення в таблицю:
|
|
|
|
|
|
|
|
|
|
2940 |
307,72 |
2940 |
307,72 |
735 |
76,93 |
191 |
20 |
|
|
|
|
|
|
|
|
|
|
43,57 |
42,66 |
167,32 |
613,82 |
600 |
|
|
|
РОЗРАХУНКОВО-ГРАФІЧНА
РОБОТА № 3
“Кінематичний та силовий
розрахунок електромеханічного тягла з конічно-циліндричним редуктором”
за схемою 3
1. Дано: тягове зусилля
на линві ![]()
довжина траси транспортування ![]()
швидкість переміщення вантажу ![]()
режим навантаження ![]()
коефіцієнт перевантаження ![]()
ресурс ![]()

Рис. Д.3.
Кінематична схема тягла:
1 – двигун; 2 –
муфта пружна; 3 – гальмо; 4 – редуктор;
5 – муфта
зубчата; 6 – барабан; 7 – линва; 8 – вантаж.
Обертовий момент від
електродвигуна 1 через пружну муфту 2 передається редуктору 4, який через
зубчасту муфту 5 приводить в рух барабан, а він, в свою чергу, линву 7 з
вантажем 8. Зубчаста муфта 5 служить для компенсації неспіввісності
валів.
2. Максимальний
натяг у вітці линви, що намотується на барабан при транспортуванні вантажу,
Тут не враховується
вага вантажозахватного органу.
Найменше допустиме розривне зусилля на линві
![]()
де
- коефіцієнт запасу
міцності линви при режимі
(додаток 7).
За значенням
знаходимо в додатку 8
потрібну линву сталеву подвійного сукання, типу ЛК діаметром
маркувальної групи
1568
з розривним зусиллям ![]()
Діаметр барабана
по його поверхні
![]()
де
- коефіцієнт, що
залежить від режиму роботи (додаток 7).
Округлюємо до
більшого значення згідно додатку 6 і приймаємо ![]()
3.1. Частота
обертання барабана
![]()
де ![]()
3.2. Для привода
з конічно-циліндричним редуктором ККД буде:
![]()
де
- ККД муфти;
- ККД конічної
передачі;
- ККД циліндричної
зубчастої передачі.
Середні значення
коефіцієнта корисної дії (ККД) передач з врахуванням витрат в опорах (вальниць) взяті з цього посібника (табл. 14).
3.3. Потужність
на валі барабана електромеханічного тягла
![]()
де
- тягове зусилля на
линві;
- швидкість
переміщення вантажу.
Потрібна
потужність двигуна (на валі двигуна)
![]()
Вибираємо
електричний двигун асинхронний потужністю
моделі 4А160S6/975 (додаток 9).
.

Рис. Д.3, а.
Ескіз електродвигуна
Параметри
двигуна:
асинхронна
частота обертання![]()
потужність ![]()
![]()
![]()
![]()
момент інерції
ротора ![]()
діаметр вала
двигуна ![]()
4.1. Передатне
відношення редуктора
![]()
а передатні числа ступеней
редуктора визначаємо за табл. 16, е цього посібника:
![]()
Приймаємо
- стандартне.
Тоді ![]()
Приймаємо
- стандартне.
Тоді
а відхилення від
фактичного передатного числа
![]()
що в межах допустимого відхилення (п.9.8. цього
посібника).
Тут
- передатне число швидкохідної конічної передачі, а
- передатне число
тихохідного ступеня редуктора. Передатні числа взяті з цього посібника, с. 56.
4.2. Для
швидкохідного вала:
![]()
- кутова швидкість
швидкохідного вала.
Проміжний вал:
![]()
![]()
Тихохідний вал:
![]()
- кутова швидкість
тихохідного вала
5. Потужність на
швидкохідному валі
,
а обертовий момент
![]()
На проміжному валі:
![]()
На тихохідному валі:
![]()
6. Занесемо всі
обчислені параметри в таблицю:
|
Параметри |
|
|
|
|
|
|
|
|||
|
Числові значення |
9,7 |
0,28 |
61,39 |
0,9035 |
7,97·103 |
4 |
4 |
|||
|
|
|
|
|
|
|
|
|
|
|
|
|
16 |
975 |
60,94 |
243,75 |
102,1 |
6,38 |
25,52 |
76,89 |
295,26 |
1145,6 |
|
РОЗРАХУНКОВО-ГРАФІЧНА
РОБОТА №4
“Кінематичний та силовий
розрахунок електромеханічного тягла з черв’ячно-циліндричним редуктором” за схемою 4
1. Дано:
тягове зусилля на линві ![]()
довжина траси транспортування ![]()
швидкість переміщення вантажу ![]()
режим навантаження
(легкий);
коефіцієнт перевантаження ![]()
ресурс ![]()

Рис. Д.4.
Кінематична схема привода тягла:
1 – двигун; 2 –
муфта пружна; 3 – гальмо; 4 – редуктор черв’ячно-циліндричний; 5 – муфта
зубчаста (компенсна);
6 – барабан; 7 –
линва; 8 – вантаж.
Обертовий момент від
електродвигуна 1 через пружну муфту 2 передається редуктору 4, який через
зубчасту муфту 5 приводить в рух барабан, а він, в свою чергу, линву 7 з
вантажем 8. Зубчаста муфта 5 є компенсною, бо
компенсує неспіввісності валів (тихохідного вала
редуктора і вала барабана): осьову, радіальну і кутову.
2. Максимальний
натяг у вітці линви, що намотується на барабан при транспортуванні вантажу,
![]()
Тут не
враховується вага вантажозахватного органу, який може складати максимум 3% від
.
Найменше
допустиме розривне зусилля линви
![]()
де
- коефіцієнт запасу
міцності линви (додаток 7 цього посібника).
За табл. додатку
7 вибираємо линву сталеву, подвійного сукання, типу ЛК діаметром
маркувальної групи
1568
з розривним зусиллям ![]()
Діаметр барабана
по його поверхні
![]()
де е=16
- коефіцієнт, що залежить від режиму роботи (додаток 6).
Округлюємо
одержане значення
до більшого значення
згідно додатку 6 і приймаємо діаметр барабана ![]()
3.1. Частота
обертання барабана
![]()
де ![]()
3.2.
Відомо, що для черв’ячно-циліндричного редуктора його ККД становить:
![]()
де
- ККД муфти;
- ККД черв’ячної
передачі;
- ККД циліндричної
передачі.
Середні значення
коефіцієнта корисної дії (ККД) передач з врахуванням витрат в опорах (вальниць) взяті з табл. 14 цього посібника.
3.3.
Потужність, яка необхідна для привода електромеханічного тягла
![]()
де
- тягове зусилля на
линві, Н;
- швидкість
переміщення вантажу, м/с.
Потрібна
потужність двигуна (на валі двигуна)
![]()
Вибираємо
електричний двигуна синхронний потужністю
моделі 4А160S2У3/2940 (додаток 9).
.

Рис. Д.4, а.
Ескіз електродвигуна
Параметри
двигуна:
асинхронна
частота обертання![]()
потужність ![]()
![]()
![]()
![]()
момент інерції
ротора ![]()
діаметри валів
двигуна ![]()
4.1. Передатне
відношення редуктора
![]()
а передатні числа ступеней
черв’ячно-циліндричного редуктора визначаємо за табл. 16, д цього посібника:
- стандартне;
![]()
Приймаємо
(с.47 цього посібника).
Тоді
а відхилення від
фактичного передатного числа
![]()
що в межах допустимого відхилення (п.9.7, с.47 цього
посібника).
Тут
- передатне число
швидкохідної черв’ячної передачі, а
- передатне число
тихохідного ступеня редуктора.
4.2.
Для швидкохідного вала:
![]()
- кутова швидкість
швидкохідного вала.
Проміжний
вал:
![]()
- кутова швидкість проміжного
вала.
Тихохідний вал:
![]()
- кутова швидкість
тихохідного вала.
5. Потрібна
потужність на швидкохідному валі
,
а обертовий момент
![]()
На проміжному валі:
![]()
На тихохідному валі:
![]()
6. Одержані в
розрахунках параметри вносимо в таблицю
|
Параметри |
|
|
|
|
|
|
|
|||
|
Числове значення |
13 |
0,32 |
41,78 |
0,7529 |
13,02 |
11,2 |
6,3 |
|||
|
|
|
|
|
|
|
|
|
|
|
|
|
70,56 |
2940 |
41,7 |
262,5 |
307,9 |
4,37 |
27,49 |
42,29 |
378,9 |
2315,46 |
|
РОЗРАХУНКОВО-ГРАФІЧНА
РОБОТА №5
“Кінематичний та силовий
розрахунок електромеханічного тягла з циліндрично-черв’ячним редуктором” за схемою 5
1. Запроектувати
електромеханічне тягло з циліндрично-черв’ячним редуктором, якщо задано:
тягове зусилля на линві ![]()
довжина траси транспортування ![]()
швидкість переміщення вантажу ![]()
режим навантаження
(легкий);
коефіцієнт перевантаження ![]()
ресурс ![]()

Рис. Д.5. Кінематична
схема привода тягла:
1 – двигун; 2 –
муфта пружна; 3 – гальмо; 4 – редуктор циліндрично-черв’ячний; 5 – муфта
зубчаста (компенсна);
6 – барабан; 7 –
линва; 8 – вантаж.
Обертовий момент від
електродвигуна 1 через пружну муфту 2 передається редуктору 4, який через
зубчасту муфту 5 приводить в рух барабан, а він, в свою чергу, линву 7 з
вантажем 8. Зубчаста муфта 5 є компенсною, бо
компенсує неспіввісності валів (тихохідного вала
редуктора і вала барабана): осьову, радіальну і кутову.
2. Максимальний
натяг у вітці линви, що намотується на барабан при транспортуванні вантажу,
![]()
Тут не
враховується вага вантажозахватного органу, який може складати максимум 3% від
.
Найменше
допустиме розривне зусилля линви
![]()
де
- коефіцієнт запасу
міцності линви при режимі
(додаток 7).
За значенням
знаходимо у табл.
додатку 8 потрібну сталеву линву, подвійного сукання, типу ЛК, діаметром
маркувальної групи
1568
з розривним зусиллям ![]()
Діаметр барабана
по його поверхні
![]()
де
- коефіцієнт, що
залежить від режиму роботи (додаток 7).
Округлюємо
одержане значення
до більшого значення
згідно додатку 6 і приймаємо діаметр барабана ![]()
3.1. Частота
обертання барабана
![]()
де ![]()
3.2.
ККД привода електромеханічного тягла:
![]()
де
- ККД муфти, а їх дві,
тому
;
- ККД зубчатої
циліндричної передачі;
- ККД черв’ячної
передачі.
Середні значення
коефіцієнта корисної дії (ККД) передач з врахуванням витрат в опорах (вальниць) взяті з табл. 14 цього посібника.
3.3.
Потужність, яка необхідна для привода електромеханічного тягла
![]()
де
- тягове зусилля на
линві, Н;
- швидкість
переміщення вантажу, м/с.
Потрібна
потужність двигуна
![]()
Вибираємо
електричний двигуна синхронний потужністю
моделі 4А160S2У3/2940 (додаток 9).
.

Рис. Д.5, а.
Ескіз електродвигуна
Параметри
двигуна:
асинхронна
частота обертання![]()
потужність ![]()
![]()
![]()
![]()
момент інерції
ротора ![]()
діаметр вала
двигуна ![]()
З додатку 9
виписуємо необхідні розміри.
4.1. Передатне
відношення редуктора
![]()
передатні числа ступеней
циліндрично-черв’ячного редуктора визначаємо за табл. 16, ж цього посібника:
- стандартне;
Приймаємо
- стандартне.
Тоді ![]()
Приймаємо
- стандартне.
Тоді
а відхилення від
фактичного передатного числа
![]()
що в межах допустимого відхилення (п.9.7 цього
посібника).
Тут
- передатне число
швидкохідної циліндричної передачі, а
- передатне число
тихохідного ступеня редуктора (черв’ячної передачі).
4.2.
Частоти обертання валів і кутові швидкості
Швидкохідний
вал:
![]()
- кутова швидкість
швидкохідного вала.
Проміжний
вал:
![]()
- кутова швидкість
проміжного вала.
Тихохідний вал:
![]()
- кутова швидкість
тихохідного вала.
5. Обертові
(крутні) моменти на валах:
Потрібна
потужність на швидкохідному валі
,
а обертовий момент
![]()
На проміжному валі:
![]()
На тихохідному валі:
![]()
6. Зведена
таблиця шуканих параметрів
|
Параметри |
|
|
|
|
|
|
|
|||
|
Числове значення |
11,5 |
280 |
54,60 |
0,753 |
12,75 |
2,8 |
20 |
|||
|
|
|
|
|
|
|
|
|
|
|
|
|
56 |
2940 |
52,50 |
1050 |
307,9 |
5,50 |
109,9 |
41,43 |
112,53 |
1800,48 |
|