Тема. Технологічне планування. Проектування організації робочих місць
|
Лабораторна робота № 6 Проектування організації робочих місць |
|
Мета — навчитися проектувати
робоче місце робітника.
Короткі теоретичні відомості
Первинним елементом виробничої структури підприємства є робоче
місце, яке об'єднує в єдине ціле засоби і предмети праці, а також сама праця, і
на ньому створюється новий продукт.
Робоче
місце - частина виробничої площі цеху з розташованими
на ній технологічним, допоміжним, підйомно-транспортним
устаткуванням і пристроями, оснащенням і різним інвентарем, необхідним
виконавцю або групі виконавців для виконання виробничого завдання (роботи або
операції). Робоче місце є первинною ланкою організації праці на підприємстві,
дільниці, в цеху, тобто результат роботи значною мірою залежить від результатів
праці на кожному робочому місці.
Основною
задачею проектування організації робочого місця є створення такої
конструкції організаційного оснащення і такого розташування обладнання,
заготовок, готових деталей і оснастки, при яких відсутні лишні і нераціональні
рухи та прийоми (повороти, нагинання, присідання і т.п.),
максимально скорочується віддаль переміщення робітника в робочій зоні.
Робоча
зона – площа в трьохвимірному просторі (в
горизонтальній, вертикальній площинах і по глибині) в
межах якої робітник може нормально виконувати трудові дії. Особливу увагу слід
приділяти використанню робочої зони простору, що знаходиться в межах досяжності
витягнутих рук працівника. Тут розміщують основне технологічне обладнання та
засоби оснащення. Зони досяжності можуть бути оптимальними (нормальними) і
максимальними. Оптимальна зона визначається розмахом зігнутою в ліктьовому
суглобі руки при вільно опущеному плечі. Робота в цій зоні менш втомлює.
Максимальна зона досяжності обмежується розмахом витягнутої руки. Органи
управління обладнанням, інструменти, матеріали та пристосування повинні
знаходитися в межах зон досяжності перед робочим в поле його зору. Засоби
оснащення розміщують з урахуванням дотримання правил безпеки життєдіяльності.
Мінімальні межі виробничої площі на кожного працюючого наведені в табл. 6.1.
Таблиця 6.1.
Зона оптимальної досяжності рук при роботі стоячи залежно від росту людини, мм
|
Межі зони досяжності |
Ріст людини |
||||||
|
Низький |
Середній |
Високий |
|||||
|
чоловік |
жінка |
чоловік |
жінка |
чоловік |
жінка |
||
|
По глибині По висоті По фронту для однієї руки По фронту для обох рук Нижня межа по висоті від відмітки підлоги |
540 1180 470 1400 6100 |
440 980 460 1200 550 |
600 1200 480 1600 700 |
500 1000 470 1300 625 |
660 1220 500 1800 780 |
550 1020 480 1400 720 |
|
Примітка: ріст у мужчин: низький 1520 – 1630, середній 1631 – 1690,
високий 1691 – 1900; у жінок низький 1420 – 1520, середній 1521 – 1570, високий
1571 – 1800 мм
Під плануванням робочого місця розуміють доцільне просторове
розміщення всіх функціонально пов'язаних між собою засобів праці, предметів
праці і самого працівника. Причому розміщення засобів і предметів праці повинне
задовольняти дві вимоги: не створювати загромадження і тісноти на робочому
місці, з одного боку, і не викликати зайвих рухів — з іншого.
Система організації робочого
місця повинна відповідати характеру виробництва,
прийнятої спеціалізації, типу технічної диференціації виробничих процесів і
пов’язаними з ними форм розподілу і кооперації праці. Ця залежність найбільш
різко виділяється на характері оснащеності і плануванні робочих місць. В умовах
одиничного виробництва виконання на
робочому місці великої кількості різноманітних операцій вимагаються всілякі
інструменти, пристосування, а звідси і відповідний інвентар для їх збереження і
розташування. В разі переходу до серійного
виробництва і спеціалізації виробничих дільниць, число операцій виконуваних
на робочому місці, скорочується, починає застосовуватись спеціалізований
інструмент і пристосування і відповідно міняються планування і оснащення
робочого місця.
Найбільш значні зміни в організації робочих місць виникають під впливом
механізації і автоматизації виробництва. Так на робочих місцях автоматичних і
безперервно-потокових ліній ніякі види спеціального стаціонарного інвентарю, як
правило не передбачаються. Нижче наводяться приклади типових планувань робочих
місць, розроблених на основі обліку антропометричних даних людини, виявлення
зручних зон поля огляду і послідовності виконання операцій.
Зовнішнє оформлення
робочих місць та виробничих приміщень повинно відповідати вимогам технічної
естетики.

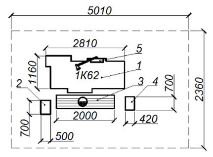
Рис. 6.1 – Загальний вигляд типового робочого місця токаря – універсала
Місце робітника у
верстата під час роботи позначається на плані кружком Ø5мм, половина
якого затемнюється. При цьому світла частина кружка, що позначає лице
робітника, повинна бути звернена до верстата.
Приклад виконання плану робочого місця робітника

Рис. 6.1 - Робоче місце
токаря в серійному виробництві: 1- верстат; 2- приймальний стіл; 3- трап;
4 –тумбочка; 5- поличка для креслення.
Порядок
виконання роботи
1. На основі розрахованої виробничої площі
дільниці розробити план робочого місця робітника.
2. Висновки.
Зміст звіту
1. Мета і порядок виконання роботи.
2.
План робочого місця робітника.