14 ПРИВІДНІ ПНЕВМАТИЧНІ МОЛОТИ
Пневматичні
молоти приводяться в дію стисненим повітрям, яке поступає не з цехової
магістралі, а від індивідуального компресора, вмонтованого в станину молота.
Основними
вузлами молоту (рис. 14.1) є станина з робочим та компресорним циліндром,
порожниста баба, яка одночасно слугує поршнем та штоком робочого циліндру,
шабот, повітряно розподільчі пристрої та
привід молоту.

Рис. 14.1. Схема та вигляд привідного пневматичного
молота
1 – педаль керування, 2 – шабот, 3 – баба, 4 – робочий циліндр, 5 –
повітряно-розподільча система, 6 – циліндр компресора, 7 – привід з кривошипним
механізмом
В привідних
пневматичних молотах повітря виступає ніби пружним елементом, який розміщений
між робочим поршнем та поршнем компресора. Це забезпечує рух робочого поршня в
певній залежності від руху поршня компресора. При роботі молота число ходів за
одиницю часу робочого і компресорного поршнів однакове.
Пневматичні
молоти є порівняно швидкохідними, дозволяють регулювати ефективну енергію удару
в процесі роботи, забезпечують порівняно високий ККД та є простими за
конструкцією й обслуговуванням. Завдяки цьому вони є більш поширеними в
сучасних системах ОМТ, в порівнянні з іншими видами молотових КШМ.
Пневматичні
молоти переважно використовуються для виконання операцій кування на плоских та
вирізних бійниках, іноді для штампування. Останнім
часом їх виготовляють з масою падаючих частин 25...1000 кг, зі швидкість в
момент удару 5...7,5 м/с. Всі пневматичні молоти є шаботними
з масою шаботу в 12 крат більшою від маси падаючих
частин.
За
характером дії повітря на робочий поршень пневматичні молоти класифікують на
молоти односторонньої та двохсторонньої дії. Також молоти поділяють: за числом
циліндрів на одноциліндрові та двохциліндрові; за способом напрямку руху баби –
без направляючих та з направляючими; за конструкцією повітряно розподільчого
пристрою – з кранами та золотниками; за типом станини – одно та двохстійкові. Останнім часом, переважно, використовуються одностійкові повітряні молоти двосторонньої дії без
направляючих.
Рух поршня
компресору являється рухом з одним ступенем вільності, який визначається кутом
повороту кривошипу (рис. 14.2).
Робочий
поршень займає крайнє нижнє положення (бійники
зімкнуті), а компресорний поршень займає крайнє верхнє положення. В цьому
положенні верхня і нижня порожнини компресорного циліндру з’єднані з атмосферою
і початковий тиск в них є рівним атмосферному (
МПа). Такий же тиск встановлюється у верхній і нижній
порожнинах робочого циліндра, оскільки ці порожнини з’єднуються за допомогою
кранів з відповідними порожнинами компресорного циліндру.
При русі
поршня компресорного циліндру вниз від початкового положення, тиск в нижніх
порожнинах обох циліндрів збільшується, а у верхніх зменшується. При збільшенні
тиску в нижніх порожнинах до величини, якої достатньо для подолання сили
тяжіння рухомих частин, опору сил тертя і тиску зовнішнього повітря, робочий
поршень починає рухатись вгору. Це відбувається при деякому куті повороту
кривошипу
=25…45°.
Прийнято, що зміна тиску в нижніх і верхніх
порожнинах буде в подальшому проходити по політропі відповідно до зміни об’ємів
нижньої і верхньої порожнин обох циліндрів.

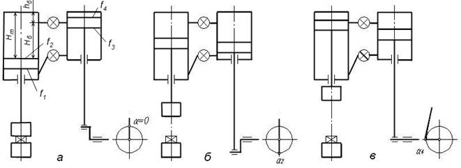
Рис. 14.2 Схема режимів
роботи пневматичного молота
а – початкове положення,
б – рух робочого поршня вгору, в – рух робочого поршня вниз (
– максимальний хід робочого поршня, f1, f2 –
відповідно площі нижньої та верхньої площин робочого поршня; f3, f4 – відповідно площі нижньої та верхньої площин
компресорного поршня; hб
– висота буферу;
– кут повороту
кривошипа)
При куті повороту кривошипу
=p поршень компресора доходить до
нижнього положення, а поршень робочого циліндру продовжує рухатись вгору.
Надалі обидва поршні молота рухаються вгору. У верхньому положенні робочий
поршень перекриває вікно верхнього повітряного каналу та переходить в зону
буфера. Тиск повітря в буфері різко зростає та робочий поршень починає рух вниз
до поковки. При цьому повітря з верхньої порожнини компресорного циліндру
розганяє поршень робочого циліндру.
Зв’язок між роботою приводу молота та його робочими
частинами можна встановити з розгляду кругової циклової діаграми.
Робота компресорного циліндру жорстко залежить від
характеру обертання кривошипного валу приводу пневматичного молоту. Цей зв’язок
встановлюють за допомогою кругової циклової діаграми (рис. 14.3).
Кут повороту кривошипа, який відповідає моменту
відриву верхнього бійника від поковки позначений
. При цьому куті рівнодіюча тиску в нижніх порожнинах
циліндрів молота починає перевищувати силу тяжіння рухомих частин та інші сили
опору.

Рис.14.3. Кругова циклова діаграма машинного циклу молота
При куті повороту кривошипа
, коли поршень компресора займе нижнє положення, відбувається
з’єднання верхньої порожнини компресорного циліндра з атмосферою. В цей момент
нижня порожнина з атмосферою не з’єднується.
Подальший рух обох поршнів здійснюється в одному
напрямку – вверх. При
, в момент вмикання буфера, робочий поршень закриває верхній
канал і роз’єднує верхні порожнини циліндрів. У результаті збільшення опору
повітря в буфері і падіння тиску в нижніх порожнинах рух робочого поршня
сповільнюється. Миттєва зупинка поршня здійснюється при
. Після цього під дією повітря, стиснутого в буфері, робочий
поршень почне рухатись вниз. Тиск повітря в буфері знижується, і в момент, коли
він стає рівним тиску у верхній порожнині компресорного циліндра, здійснюється
з’єднання обох порожнин через зворотній клапан. Кут
, при якому це відбувається називається кутом виходу поршня
із буфера.
При подальшому обертанні кривошипа поршень
компресора наближається до крайнього верхнього положення, а робочий
поршень – до крайнього нижнього. Удар бійника по
поковці, як правило, здійснюється при куті
, який трохи менше
. При повороті кривошипа на кут від
до
робочий поршень
залишається деякий час внизу в нерухомому стані, здійснюючи так званий прилипаючий удар. Далі цикл повторюється.
У молотах вітчизняного виробництва
,
,
. Раціональніше мати
, оскільки при цьому вищий ККД молота.
Рух поршня
компресору, який здійснює розширення та стиснення повітря, є заданим та
визначається кінематикою кривошипно-шатунного механізму. Це дозволяє виконати
приблизний аналітичний розрахунок роботи пневматичних молотів. Як правило його
здійснюють за допомогою побудови рівнянь руху робочого поршня та поршня
компресору з наступним їх розв’язком. Зазвичай це виконують для кожного етапу
повороту кривошипу. Приведемо кінцеві залежності для визначення основних
параметрів пневматичних молотів.
Кут α1 при відриві бійника від поковки визначають:

де λ – коефіцієнт шатуна λ=R/L, ϕ0 – коефіцієнт, що враховує тертя при нерухомому стані
робочих частин, b0 – емпіричний
безрозмірний коефіцієнт

тут р0 – атмосферний тиск, R
– радіус кривошипу, n – показник
політропи зміни тиску в порожнинах циліндрів, m – маса падаючих частин, g
– прискорення вільного падіння, f1, f2 – нижня кільцева та верхня площі
поршня робочого циліндру, f3, f4 – нижня кільцева та верхня площі
поршня компресорного циліндру, V01 –
нижній початковий об’єм (об’єм нижніх порожнин циліндрів, включаючи об’єм
нижніх каналів), V02 – верхній
початковий об’єм (об’єм верхніх порожнин циліндрів, включаючи об’єм верхніх
каналів).
Переміщення
поршня компресору при α=α1:

Корисна
робота компресора визначається за один цикл

де w – коефіцієнт, що враховує об’ємні
втрати повітря (w=0,95...0,98), b – постійний коефіцієнт
,
ω – кутова швидкість обертання кривошипного валу
компресора, ω0 – частота власних
коливань системи
.
Кінетичну
енергію удару молоту визначають за формулою:
![]()
де ηм, ηм – механічний та індикаторний ККД робочого циліндру (ηм=0,70; ηм=0,75).
При
проектуванні пневматичних двохциліндрових молотів з крановим розподіленням
більшість параметрів визначають за допомогою емпіричних залежностей.
Монтажний
хід баби Н має перебувати в
залежності з числом ударів n0 в
хвилину
.
Хід баби в цій залежності
приймається в см.
Радіус
кривошипу, в см
.
Довжина
шатуна
.
Колова
швидкість пальця кривошипу
м/с
Діаметр
робочого штоку
,
де Dб – довжина діагоналі робочої
площини верхнього бійника.
Нижня
кільцева площа f1 (см2)
робочого поршня визначається
,
де G – вага падаючих частин, кН.
Верхня площа
робочого циліндру
.
Діаметр
робочого циліндру визначають
.
Діаметр
циліндру компресору визначають
.
Діаметр
штоку поршня компресору визначають
.
Електрична енергія, яка споживається
електродвигуном пневматичного молоту, послідовно перетворюється в механічну
енергію електродвигуна, індикаторну роботу повітря в робочому циліндрі, потім в
механічну роботу підйому робочих частин і, нарешті, в ефективну роботу удару.
Ефективна енергія
, яка віддається молотом за один подвійний хід робочих
частин, отримується в результаті витрати індикаторної роботи, що здійснюється
повітрям в робочому циліндрі молота.
Індикаторна робота повітря за один подвійний хід
поршня дорівнює сумі індикаторних робіт верхнього і нижнього повітря:
![]()
де
і
– індикаторна робота
нижнього і верхнього повітря. Визначаються за індикаторними діаграмами.
Індикаторна робота повітря витрачається на
створення ефективної кінетичної енергії і подолання сил тертя:
,
де
– коефіцієнт втрат на
тертя;
– маса рухомих частин
молота;
– хід робочого поршня.
Для молотів з масою рухомих частин 50…450 кг,
=0,5…0,3; для молотів з більшою масою рухомих частин -
=0,25.
Відношення ефективної енергії
до індикаторної роботи
повітря називається
механічним ККД робочого циліндра молота:
.
Величина цього ККД для пароповітряних молотів приблизно рівна 0,7.
Індикаторна робота повітря в компресорному
циліндрі:
,
де
і
– індикаторна робота
повітря у верхній і нижній порожнинах компресорного циліндру.
Відношення індикаторної роботи повітря в
компресорному циліндрі до енергії, яка підводиться до кривошипного валу
компресора
, називається механічним ККД компресора
,
де
– потужність
компресора;
.
Відношення індикаторних робіт повітря в робочому і
компресорному циліндрах називається відносним індикаторним ККД
.
Відносний індикаторний ККД характеризує втрату
енергії повітря при перетіканні його із компресорного циліндра в робочий
.
Механічним ККД пневматичного молота називають
відношення ефективної енергії до роботи кривошипного валу компресора:
,
Цей ККД залежить від ступеня досконалості
конструкції молоту. Середнє значення механічного ККД пневматичних молотів
становить
.