10 СИСТЕМИ ТА ХАРАКТЕРИСТИКИ ГІДРОПРИВОДУ ГІДРОПРЕСІВ
За
конструкцією установок для перетворення первинної (електричної, теплової)
енергії в енергію тиску рідини та її акумулювання гідроприводи поділяють на
насосні, насосно-акумуляторні, гідропульсуючі та мультиплікаторні. Для гідравлічних КШМ застосовують насосні
та акумуляторні приводи, гідропульсуючі – для
спеціальних машин, а мультиплікаторні – у випадку,
коли потрібне швидке збільшення тиску рідини.
В залежності
від призначення гідроприводи поділяють на індивідуальні та групові. Індивідуальні
використовують для окремого пресу, групові – для декількох пресів. В якості
групового гідроприводу зазвичай використовують насосно-акумуляторні станції.
Акумулятор запасає рідину високого тиску та віддає її в гідросистему, коли
витрати рідини перевищують подачу насосів.
За
особливістю роботи ГВМ розрізняють гідравлічні КШМ лінійного, обертового та
гвинтового руху (рис. 10.1).

Рис. 10.1. Схеми ГВМ
гідравлічних КШМ.
КШМ лінійного руху: а –
плунжерний; б – поршневий; в – диференціально-плунжерний. КШМ обертового та
гвинтового руху: г – гідродвигун;
д, е – гвинтові
гідроциліндри
Силові
гідроциліндри лінійного руху застосовують в якості робочих та зворотних
гідроциліндрів, а диференціально-плунжерні – зазвичай в якості зворотних чи зрівноважуючих. Диференціально-плунжерні циліндри, в якості
робочих, часто використовують в прутково-профільних гідропресах, коли в отворі
плунжеру необхідно розміщувати профільну голку, для формування отвору у виробі.
Робочою
ланкою в більшості приводів гідропресів слугує плунжер чи шток з поршнем, в
деяких випадках – рухомий циліндр. В приводах гідрогвинтових
пресів застосовують гідродвигуни обертового руху. В
деяких конструкціях лінійний рух гідроциліндру перетворюється в гвинтовий (рис.
10.1, д, е). Для приводу гідроколінних
пресів застосовують гідроциліндри лінійного та гвинтового руху, що діють на
колінний шарнір (рис. 10.1, ж, з).
В насосному гідроприводі з постійною подачею (рис. 10.2) на
протязі практично всього технологічного циклу роботи пресу потужність, яка
створюється електродвигуном Nе та насосом Nн, рівна
потужності плунжера робочого циліндру: Nе= Nн,=N1. На
початку руху та при розгоні плунжера можлива ситуація коли Nе= Nн,>N1. При
цьому частина подачі насосу може переходити в зливний бак через запобіжний
клапан.

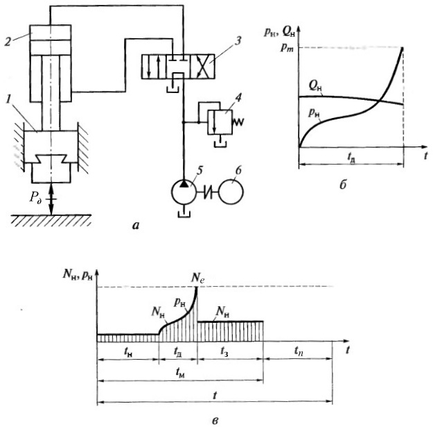
Рис. 10.2 – Принцип дії
насосного гідроприводу постійної
подачі.
а – схема; б – діаграма
тиску та подачі насосу під час робочого ходу tд; в – діаграма потужності
приводу (насосу Nн та електродвигуна Nе). 1 – повзун;
2 – робочий циліндр; 3 – розподілювач; 4 –
розвантажувально-запобіжний клапан; 5
– електродвигун; 6 – насос
Якщо прес виконує операцію штампування, то навантаження на робочий плунжер
характеризується діаграмою (рис. 10.2, в). Тиск рн, що створює насос
буде пропорційним навантаженню на робочому плунжері (рис. 10.2, б):
,
де α1=1,05...1,07 – коефіцієнт, що враховує тертя в
направляючих та ущільненнях.
Найбільше навантаження насос сприймає лише в кінці робочого ходу. Необхідну
потужність насосу визначають
,
де рт
– максимальний тиск; Qн
– подача насосу; ηо – об’ємний ККД; Рдт – максимальне
деформуюче зусилля; sд, tд – хід
пресу та час деформування.
Потужність
електродвигуна з врахуванням ККД насосу ηн
визначається
.
На протязі
часу tн холостого ходу наближення, коли
рухомі частини опускаються, насос працює з дуже малим навантаженням (рис. 10.2,в). На протязі часу tз зворотного ходу насос також недовантажений. Під
час технологічної паузи tп насос працює в холосту. Це здійснюється за допомогою розподільчих
золотників, які забезпечують з'єднання насосу з зливним баком.
В насосному гідроприводі постійної подачі електродвигун, який безпосередньо
з'єднаний з насосом, навантажений приблизно так само, як і насос. Такий
гідропривід є ефективним в ковальських гідропресах з короткими та частими
циклами (протяжка, шліхтування). При
великих циклах час наближення та технологічної паузи великий і двигун споживає
велику потужність.
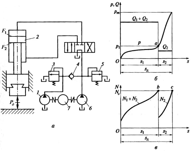
Насосний гідропривід зі ступінчастою подачею дозволяє покращити
використання встановленої потужності електродвигуна. Це досягається почерговим
включенням та відключенням насосів в гідросистемі пресу.
Найчастіше застосовують схему привода з насосами, що мають дві ступені
подачі і тиску (рис. 10.3). Використовують два насоси, один з яких
розрахований на менші тиски, ніж другий. Насоси можуть приводитись одним
електродвигуном.

Рис. 10.3 – Принцип дії насосного гідроприводу ступінчастої подачі.
а – схема; б – діаграма
тиску та подачі насосу; в – діаграма потужності приводу під час робочого ходу sд. 1 – насос низького тиску; 2 – робочий циліндр; 3 – розвантажувально-запобіжний клапан
першої ступені;
4 – зворотний клапан; 5 – розвантажувально-запобіжний клапан другої ступені; 6 – насос високого тиску; 7 – електродвигун
Спочатку, на ділянці s1, обидва насоси 1 та 6 працюють спільно, забезпечуючи подачу Q=Q1+Q2 (рис. 10.3, б).
Потім насос 1, досягнувши в точці а тиску р1, за допомогою розвантажувально-запобіжного клапану 3 перемикається на злив. Насос 6, напорна
лінія якого відділена зворотним клапаном 4,
продовжує працювати, завершуючи деформування на ділянці s2 з
пониженою швидкістю, яка відповідає подачі Q2
цього насосу. Розвантажувально-запобіжний клапан 5 має бути налаштований на тиск, дещо більший, ніж рт.
Встановлена потужність насосів, подача та тиск пов'язані співвідношенням
,
де s1, р1 можуть бути визначені
графічно (рис. 3.6, б)
чи аналітично.
Встановлена потужність насосів Nв може бути використана повністю в двох точках робочого ходу b і c
(рис. 10.3, в).
В насосному приводі зі змінною подачею застосовують насоси, в яких
передбачена можливість зміни подачі в залежності від тиску в гідросистемі. Це
аксіально-плунжерні чи радіально-плунжерні насоси.
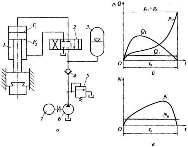
В насосно-акумуляторному гідроприводі (рис. 10.4) в
напірну магістраль гідропресу підключений акумулятор –
резервуар для накопичення рідиною високого тиску.

Рис. 10.4 – Принцип дії насосно-акумуляторного гідроприводу.
а – схема; б – діаграма
тиску та подачі; в – діаграма потужності. 1
– робочий циліндр; 2 – розподільчий
пристрій; 3 – акумулятор; 4 – зворотний клапан; 5 – розвантажувально-запобіжний клапан; 6 – насос; 7 – електродвигун
Електродвигун 7 приводить в дію
насос 6. Акумулятор 3 розташований між насосом та робочим
циліндром 1 пресу. Рідина високого
тиску накопичується під час пауз та під час тих етапів циклу пресу, коли
витрати рідини менші за подачу насосу.
Під час етапів роботи, коли необхідна підвищена витрата рідини високого
тиску, в робочий циліндр здійснюється одночасна подача рідини від насосу та
акумулятора. При цьому подача рідини від акумулятора значно перевищує подачу
насосу Qн. Для пресу такими періодами є
робочий та зворотний хід.
Для керування потоком рідини використовується золотниковий чи клапанний
розподільчий пристрій 2. Між насосом
та акумулятором розміщений зворотний клапан 4.
Він попереджує можливе розрядження акумулятора через
розвантажувально-запобіжний клапан 5
та захищає насос від дії зворотного потоку рідини з акумулятора.
Потужність, що розвиває гідроциліндр пресу, в окремі періоди роботи,
наприклад в період деформування N1,
значно перевищує потужність насосу Nн та електродвигуна. Підвищені витрати
потужності забезпечує акумулятор.
Встановлена потужність насосу (насосів) розраховується за середньою
величиною сумарного об'єму рідини високого тиску за час циклу t
,
де ηо – об’ємний ККД гідросистеми.
На відміну звичайного насосного приводу насосно-акумуляторний гідропривід
може бути як індивідуальним, так і груповим, тобто використовуватись для
декількох гідравлічних КШМ.
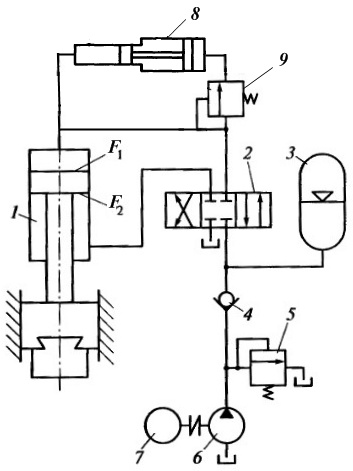
В мультиплікаторному гідроприводі енергія
стисненого повітря чи механічна енергія перетворюється в енергію тиску рідини
за допомогою пристрою збільшення тиску рідини – мультиплікатору. Для приводу
первинної ланки механізму мультиплікатора в сучасних конструкціях застосовують
електромеханічні пристрої: рейкові, гвинтові, кривошипні. Також знайшли
використання гідравлічні мультиплікатори. Схема пресу з таким мультиплікатором
показана на рис. 10.5.

Рис. 10.5 – Гідросхема
пресу з мультиплікаторним приводом гідравлічного типу. 1 –
робочий циліндр; 2 – розподільчий
пристрій; 3 – акумулятор; 4 – зворотний клапан; 5 – розвантажувально-запобіжний клапан;
6 – насос; 7
– електродвигун; 8 – мультиплікатор; 9 – напірний клапан
Мультиплікатор зазвичай складається з двох циліндрів різного діаметру. В
більший циліндр поступає рідина від насосно-акумуляторної станції. З малого
циліндру рідина високого тиску поступає в робочий циліндр пресу. Якщо у
великому циліндрі тиск рідини р1, то тиск рідини в малому циліндрі мультиплікатора
р2=р1(D/d)2=kмр1 ,
де kм
– коефіцієнт мультиплікації.
Гідравлічні мультиплікатори застосовують як доповнення до
насосно-акумуляторної станції гідропресу для отримання додаткової ступені
зусилля. Мультиплікатори з приводом від електродвигуна застосовують лише для
малих ковальських гідропресів.