Роль процесів обробки металів тиском в технічному плані
різних галузей господарства все більш зростає. Процеси обробки металів тиском
дозволяють отримувати деталі і заготовки необхідних форм, розмірів і
властивостей шляхом пластичної деформації металу в холодному або гарячому
стані.
Досконале знання
технології процесів гарячого об’ємного штампування дозволить майбутньому
інженеру правильно застосовувати операці ОМТ для
отримання якісних поковок з незначними витратами матеріальних, трудових та
енергетичних ресурсів. Лабораторний практикум з дисципліни "Тенологія гарячого штампування" включає лабораторні
роботи з вивчення основних технологічних процесів отримання фасонних поковок,
шляхом гарячої пластичної деформації. При складанні змісту даного видання
врахована специфіка роботи ковальських та штампувальних виробництв, характерних
для Волинського регіону.
При
підготовці до виконання кожної роботи студент повинен:
-
вивчити відповідні теоретичні розділи літератури, вказаної в учбовому плані;
-
ознайомитись з описом лабораторної роботи;
-
скласти таблиці для запису результатів;
-
засвоїти правила техніки безпеки при роботі з приладами і
обладнанням.
Готовність
студента до виконання чергової лабораторної роботи перевіряє викладач. Якщо
студент не знає змісту і методики проведення лабораторної роботи, то він не
допускається до її виконання.
По
кожній лабораторній роботі студент складає індивідуальний звіт, який повинний
містити принципові схеми і результати досліджень у вигляді таблиць, графіків,
виконаних олівцем з застосуванням креслярських інструментів. Звіт оформляється
на стандартних листах паперу. В кінці звіту наводяться висновки, сформульовані
студентом самостійно. Звіти по всіх роботах повинні бути підшиті під однією
обкладинкою і пред'явлені викладачу. Вони слугують основою для здачі заліку по
практикуму.
Студент
повинен мати міцні знання по відповідних розділах дисципліни, вміти
використовувати методи експериментального дослідження і розрахунку. В
протилежному випадку робота вважається не зарахованою. До повторного заліку
студент допускається не раніше, як через 7-10 днів. Якщо і при цьому студент
виявив незадовільні знання, то він повинен індивідуально знову виконати весь
об'єм лабораторних робіт.
Перед
початком роботи кожен студент повинен пройти спеціальний інструктаж з техніки
безпеки у викладача чи лаборанта, про що необхідно зробити відмітку в журналі з
техніки безпеки.
Лабораторні
роботи виконуються тільки з дозволу викладача в його присутності. Перед
початком лабораторних робіт необхідно:
-
переконатися в тому, що макет чи установка відключені від електроживлення;
-
перевірити типи заземлення та їх підключення до лабораторного стенду;
-
перевірити чи немає зовнішніх пошкоджень кабелів електропроводки, штампів пневмо- та гідроживлення;
-
забрати всі сторонні предмети з робочої зони.
При проведенні лабораторної роботи необхідно:
-
скласти схему і показати її викладачу або лаборанту і тільки після їх дозволу
провести включення;
-
увімкнувши лабораторний стенд, на короткий час, перевірити працездатність
системи екстреного відключення живлення;
-
увімкнувши лабораторний стенд провести необхідні роботи відповідно до
методичних вказівок.
Помітивши
під час експлуатації пошкодження лабораторної установки або обладнання,
необхідно негайно вимкнути електроживлення, повідомити про це викладача або
лаборанта.
Після
закінчення робіт лабораторний стенд показати для перевірки викладачу або
лаборанту, а після цього вимкнути. Всі органи управління необхідно
встановлювати у вихідне положення.
Тема: вивчення
технологічних особливостей розділових операцій гарячого штампування
Мета роботи: вивчити технологію розділових операцій для отримання штучних заготовок
для процесів гарячого штампування.
Теоретичні відомості
Для отримання
поковок гарячим штампуванням часто використовують штучні заготовки певних
розмірів, отримані з різних видів прокату. Переважно це прокат звичайної
точності, обточений, калібрований, шліфований. Розділення прокату на мірні
заготовки є відповідальною операцією. Вибір способу розділення залежить від
марки матеріалу, габаритних розмірів прокату, вимог до мірної заготовки.
1. Відрізка на прес-ножицях (зсувом). Це
найбільш розповсюджений спосіб розділення прокату на заготовки (рис. 1). При
верхньому положенні ножа 4 та притискача
3 пруток 2 розміром D0 подають до
упору 5. Далі опускають притискач,
який зусиллям Q притискає пруток до нерухомого ножа 1, а рухомий ніж, натискаючи на пруток зусиллям P, відділяє
від нього заготовку 6 довжиною L0. Змінюючи
положення упору 5, змінюють довжину
заготовок.

Рис. 1. Схема відрізки заготовки від прутка на сортових
прес-ножицях: 1, 4 – нижній та верхній ножі, 2 – пруток, 3 – притискач, 5 –
упор, 6 – заготовка.
Відділення
заготовки від прокату при відрізці відбувається за певним механізмом. При
натисканні верхнього ножа на пруток виникає момент сил М=Ра, який намагається повернути
заготовку на кут j2, а пруток на кут j1. Повороту прутка
перешкоджає сила притискання, тому j1<j2. В результаті
повороту прутка та заготовки обидва ножі контактують з металом лише незначною
частиною робочої поверхні, під якою метал зазнає зминання, а сусідня частина
прутка – утяжки (зменшення поперечного січення). При
досягненні певної глибини С занурення
ножів в метал, коли зусилля відрізки досягає максимуму, утворюються зустрічні
тріщини, що починаються від ріжучих кромок ножів. Надалі це зусилля швидко
зменшується, а тріщини з’єднуються, відділяючи заготовку від прутка.
Важливим параметром
відрізки є зазор між ножами Z. Від його значення залежить якість відрізаних
заготовок. З практики гарячештампувального
виробництва встановлено, що номінальний зазор між ножами Z має
складати 2...4 % від товщини різаного профілю. За фактом зазор завжди буде
більший номінального оскільки при зануренні ножів виникають горизонтальні сили
Т (рис. 1), що розсувають ножі. Прокат діаметром до
В умовах масового
чи багатосерійного виробництва в якості обладнання для відрізки застосовують
ножиці з кривошипним, ексцентриковим або кулачковим приводом, зусиллям
0,4...16 МН. Для вибору прес-ножиць розраховують
зусилля відрізання
P=kF0tзр ,
де P – зусилля
відрізання, МН; k –
коефіцієнт, що враховує затуплення ножів та інші фактори (k=1,7); F0 – площа
зрізу, м2; tзр – опір металу зрізу, МПа
(tзр=0,8sв при
температурі різу).
2. Дефекти відрізки на прес-ножицях.
Основними дефектами заготовок (рис. 2) є зминання поверхні (зона 1) та утяжина
(зона 2), які викликають овальність
січення заготовки. Крім того, на заготовці завжди є зони надрізу 3 та сколювання 4. Чим м’якіший метал, тим більші надріз, зона зминання та утяжина.

Рис. 2.
Дефекти заготовок, які виникають при відрізці на ножицях
Якщо зазор Z між ножами
вибраний правильно тріщини, що приводять до сколювання, з’єднуються та
утворюють одну поверхню. При Z менше оптимального тріщини не сходяться, а
утворюється нова тріщина, що з’єднує кінці двох попередніх. При штампуванні цей
дефект приводить до появи затиску (рис. 2, б). У випадку великого зазору Z чи
затуплення ножів на заготовках з пластичної сталі утворюються значна утяжина та заусенець (рис.2,в).
Причиною значного
косого зрізу (рис.
При холодному
відрізанні часто утворюються торцеві тріщини (рис. 2, е), які, так само як і
поперечний злам, є досить небезпечним дефектом.
Для зменшення
дефектів різки застосовують притискання заготовки до верхнього рухомого ножа.
При цьому зменшуються зона зминання, утяжина та
нерівність сколювання. Якщо повернути пруток на деякий кут a (рис. 3), можна отримати практично
перпендикулярні торці до осі заготовки.
Зусилля притискання
заготовки до рухомого ножа має важливе значення. При Q=const, виникають задирки та пригари. Тому
часто застосовують спосіб відрізки з диференціальним затисканням (рис. 3), коли
Q=kP т.т. змінюється пропорційно до зусилля відрізки.
3. Інструмент для різки на прес-ножицях.
Ножі при відрізанні
на ножицях бувають однорівчаковими та багаторівчаковими (рис. 4). Найбільшу стійкість мають збірні
ножі, що складаються з декількох секцій. Ножі виготовляють з інструментальних
сталей 5ХГТ, 5ХГМ, 4ХС, 8Х3, У10, загартовують та відпускають (НВ=4400...5200 МПа). Для економії інструментальної сталі застосовують ножі
із змінними вставками.
4. Відрізка в штампах.
Для точної різки
прокату малого діаметру (до
Пруток 7 (рис. 5) подається до упора 2 через нерухому втулку-ніж 5, що встановлена у державці 8, та рухому втулку-ніж 6. При русі повзуна пресу вниз державка 4 разом з втулкою-ножем 6опускається,
відрізаючи заготовку від прутка. При зворотному ході повзуна державка з ножем
та відрізаною заготовкою вертається в початкове положення пружиною 9 (упор 2 підіймає пружину 3).
Наступною подачею прутка відрізана заготовка видаляється в тару по коробу
нижньої плити 1. Діаметр отвору
втулки у втулочних штампах більше діаметра прокату на
0,3...0,5 мм.
Для відрізки в
штампах застосовують преси аналогічні за конструкцією обрізним. Їх розраховують
за номінальним зусиллям, яке розвивається при недоході
кривошипу до крайнього нижнього положення на 20...30°.
5. Ломка на холодноламах.
При відсутності ножиць або при великому діаметру
прокату (до

Рис. 5. Втулочний штамп для
відрізки заготовок від каліброваного прокату: 1 – плита, 2 – упор, 3, 9 – пружини,
4, 8 – державки, 5, 6 – нерухома та рухова втулки-ножі, 7 – пруток.
Найбільш
трудомісткою операцією в процесі ламання є виконання надрізу шириною b та
глибиною h. Надріз необхідно виконувати акуратно, для цього
використовують пили чи газові різаки. Оскільки в процесі ламання відбувається
крихке руйнування, то цей процес виконують без нагрівання. Для отримання
високоякісного зламу досягають умови: L0>1,2D0, де L0 – довжина заготовки; D0 – діаметр прутка. Глибину надрізу приймають 3...8 % від товщини заготовки.

Рис. 6. Схема ламання прутка: 1, 2 – опори, 3 – ломач
Ламання прокату
зазвичай виконують на кривошипних пресах з невеликим робочим ходом, іноді
застосовують гідравлічні преса. Зусилля ламання можна визначити за таким
рівнянням
Р=
,
де W – момент опору при згинанні; sзг – межа
міцності при згинанні; С – відстань
між опорами.
Перевагами ламання
є висока продуктивність та можливість контролю якості металу за зламом. Недолік
ломки – значні затрати часу на виконання якісного надрізу.
Хід роботи
1.
Ознайомитись зі способами відрізання мірних
заготовок в гарячештампувальному виробництві.
2.
Замалювати схему відрізки (рис. 1)
заготовки від прутка на сортових прес-ножицях та пояснити механізм відділення
заготовки від прокату.
3.
Описати можливі дефекти відрізки заготовок
на прес-ножицях та зобразити їх схематичн
(рис. 2).
4.
Описати конструкцію основного інструменту
для різки на прес-ножицях (рис. 4).
5.
Зобразити схему та описати процес ламання
прутків на холодноламах. Визначення зусилля ламання.
6.
Визначити зусилля відрізки на прес-ножицях
в холодному стані для заданого згідно варіанту діаметру прокату.
|
Варіант |
Сортамент |
Варіант |
Сортамент |
|
1 |
Круг |
6 |
Круг |
|
2 |
Круг |
7 |
Круг |
|
3 |
Круг |
8 |
Круг |
|
4 |
Круг |
9 |
Круг |
|
5 |
Круг |
10 |
Круг |
Контрольні питання
1.
В яких випадках
при відрізці на ножицях отримується косий зріз та дефекти?
2.
В чому суть
процесу газового різання прокату?
3.
Які дефекти
можуть утворюватись при відрізці на ножицях?
4.
Які відхилення
від номінального розміру мірної заготовки характерні для різних способів
відрізки?
5.
Зобразити схему
ламання прокату. Як визначається зусилля ламання?
6.
Як визначається
зусилля відрізання заготовки на ножицях?
7.
Які типи ножів
можуть використовувати при відрізці заготовок на ножицях?
8.
Як впливає зазор
між ножами при відрізці на прес-ножицях?
9.
Які значення
відхилень від номінальних розмірів характерні для різних способів розділення
прокату на мірні заготовки?
Тема: вибір ковальських
індукційних нагрівачів для нагріву заготовок до температур гарячого штампування
Мета
роботи: вивчити суть
індукційного способу нагріву та засвоїти принципи вибору ковальських
індукційних нагрівачів для операції нагріву в гарячому штампуванні
Теоретичні відомості
Для отримання
поковок гарячим штампуванням початкові заготовки нагрівають до температур, при
яких матеріал характеризується достатньою пластичністю та низьким опором
пластичному формуванню. В серійному та масовому типах виробництва для нагріву
заготовок часто використовують індукційний спосіб електронагріву.
1.
Фізична сутність індукційного нагріву
металів
Індукційний нагрів
здійснюється за рахунок теплоти, яка виділяється в металевій заготовці, що
поміщена в електромагнітне поле змінного електричного струму. Тепловий ефект в
металі заготовки виникає внаслідок струмів Фуко, що індукуються
в поверхневих шарах заготовки. Ці струми викликають інтенсивний розігрів лише
поверхні, а метал заготовки нагрівається за рахунок явища теплопровідності.
Наскрізний нагрів
металу під кування чи штампування може бути здійснений струмами промислової,
підвищеної та високої частоти. Глибина проникнення струму в металеву заготовку
може бути визначена згідно формули
,
де r – питомий
опір металу заготовки;
μ – магнітна
проникність матеріалу заготовки;
f – частота струму.
Ефективність
наскрізного нагріву заготовок переважно залежить від правильно вибраного
співвідношення між частотою струму та діаметром заготовки. Це видно з графіку
залежності ККД нагріву від співвідношення діаметру заготовки до глибини
проникнення струму (рис. 1).
Електричний ККД
зростає при підвищенні частоти струму, а тепловий, навпаки, падає. Якщо глибина
проникнення струму більше діаметру заготовки, то електричний та повний ККД
зменшуються, оскільки лише частина електромагнітної енергії поглинається
заготовкою. Тепловий ККД тим вищий, чим більша глибина проникнення струму, чим
менше, відповідно, об'єм металу, який нагрівається за рахунок теплопровідності.

Рис. 1. Залежність ККД індуктору від співвідношення діаметра
заготовки d до глибини проникнення
струму Δ в нагріту деталь: 1 – електричний ККД, 2 – тепловий ККД, 3 –
повний ККД.
Ефективність
та економічність індукційного наскрізного нагріву заготовок переважно залежить
від правильного вибору частоти струму. Потрібна частота, з врахуванням впливу
співвідношення d/Δ на значення
повного ККД індуктора, для сталей може бути визначення за формулою
,
де f – частота індуктора, в Гц;
d – діаметр заготовки (сторона
квадрату), в см.
2.
Застосування індукційного нагріву в
процесах гарячого штампування
Індукційний
нагрів вперше був використаний для поверхневого нагрівання заготовок. Зараз цей
спосіб нагрівання широко використовується для наскрізного нагріву заготовок під
штампування. В КШВ індукційні нагрівальні установки застосовують головним чином
для нагріву мірних заготовок.
Розширення
галузей використання індукційного способу нагріву завдячує його перевагам:
–
більша швидкість нагрівання, а відповідно,
і більша продуктивність;
–
можливість забезпечення потокового
характеру виробництва;
–
можливість автоматизації та механізації
процесу та регулювання електричного режиму індуктора;
–
малий угар металу;
–
мала виробнича площа устаткування;
–
висока культура виробництва.
До
недоліків індукційних установок слід віднести необхідність в джерелах струму
середньої частоти для заготовок з діаметрами менше
Індукційне
наскрізне нагрівання застосовується для різноманітних технологічних процесів
гарячого штампування. В ковальсько-штампувальних цехах використовують струми з
частотою 50...10000 Гц. Сучасні тиристорні перетворювачі частоти (ТПЧ)
дозволяють оптимізувати процес нагріву заготовок за рахунок автоматизованого
регулювання потужності та частоти струму індуктора. Зміна частоти дозволяє
покращити рівномірність нагріву для сталі, враховуючи її магнітне перетворення
(т. Кюрі) при 768 ºС. Магнітна проникність та питома
електропровідність сталі при цій температурі різко понижуються, що приводить до
збільшення глибини проникнення струму Δ. Тому, для нагрівання доцільно
використовувати дві частоти: більш низьку до т. Кюрі та більш високу –
після цієї температури.
Шляхом
підбору частоти для певного діаметру деталі можна досягнути прогріву лише
поверхні заготовки або більш глибокого – глибинного прогріву.
Поверхневим
нагрівом називають нагрів, коли теплота передається від поверхні в глибину
металу лише за рахунок явища теплопровідності при сильному нагріванні поверхні.
Глибинним
називають нагрів, який відбувається шляхом виділення теплоти в шарі достатньої
товщини за січенням деталі при відсутності значного перепаду температур. Нагрів
вважають глибинним, коли глибина проникнення струму складає не менше
0,15...0,20 діаметра заготовки.
3.
Типи індукційних нагрівачів в КШВ
Існують
різноманітні типи індукційних нагрівачів заготовок. В сучасних процесах
гарячого штампування використовують:
– індукційні
нагрівачі періодичної дії для місцевого нагріву (кінців чи середньої частини
заготовок);
– нагрівачі
методичної дії для суцільного нагріву мірних заготовок;
– нагрівачі
безперервної дії для суцільного нагрівання заготовок великої довжини (прутки,
прокат, бухтовий
матеріал та ін.).
В
нагрівачах періодичної дії для місцевого нагрівання (рис. 2) заготовка 3 подається в індуктор 2 лише на довжину тієї частини, яку
необхідно нагріти. Індуктор вмикається лише на той час, який необхідний для
нагрівання цієї частини заготовки.

Рис. 2. Індукційний нагрівач періодичної дії для місцевого
нагрівання заготовок: 1 – штовхач, 2 – індуктор, 3 –
заготовка, 4 – привідні ролики.
При
досягненні потрібної температури штовхач 1
виштовхує заготовку на привідні ролики 4,
а індуктор вимикається.
В
індукційному нагрівачі методичної дії для суцільного нагрівання штучних заготовок
індуктор ввімкнений на протязі всього часу роботи установки. Заготовки більшу
частину часу нагріву перебувають у нерухомому стані і лише в момент подачі в
індуктор чергової заготовки весь ряд заготовок з високою швидкістю
переміщується на величину, рівну довжині однієї заготовки.
За таким
принципом працюють добре відомі в КШВ нагрівачі серії КИН
(ковальські індукційні нагрівачі) та цілий ряд інших, які можуть відрізнятися
один від одного системою завантаження заготовок та ступенем автоматизації процесу.
В
нагрівачах серії КИН (рис. 3) штовхач 1 приводиться в рух кривошипно-кулісним
механізмом 6, який приводиться в рух
від електродвигуна 8 через черв'ячний
редуктор 7. Штовхач, безперервно
здійснюючи зворотно-поступальний рух, заштовхує холодну заготовку 3 з завантажувального лотка 2 в індуктор 4, одночасно переміщуючи всі заготовки в індукторі. Таким чином при
кожній подачі холодної заготовки з індуктора на ролик 5 викидається одна нагріта заготовка.

Рис. 2. Індукційний нагрівач методичної дії серії КИН для суцільного нагрівання штучних заготовок: 1 – штовхач, 2 – завантажувальний лоток, 3 – заготовка, 4 –
індуктор, 5 – ролик, 6 – кривошипно-кулісний механізм, 7 – черв'ячний редуктор,
8 – електродвигун.
Нагрівачі
серії КИН випускаються потужністю 250...1500 кВт
(додаток). Їх недоліком є можливість зварювання заготовок при великій їх
кількості в індукторі.
Нагрівачі
безперервної дії призначені для нагрівання прутків чи прокату, які піддаються
штампуванню на гарячештампувальних автоматах, ножицях
горизонтально-кувальних машинах.
4. Розрахунок режиму нагрівання штучних заготовок в
індукційному нагрівачі
Для
нагрівання заготовок під штампування на КГШП застосовується індукційний нагрів
в індукційному нагрівачі.
Тип
індукційного нагрівача визначаємо згідно розмірів заготовки.
Для
нагрівання заготовок
мм рекомендована частота струму індуктора буде
становити
Гц.
Згідно
параметрів індукторів (додаток) вибираємо установку КИН10‑500/1П з
продуктивністю 1200 кг/год. Максимальна температура нагріву сталі 40 становить
1250 ○С, мінімальна температура закінчення штампування –
780 ○С.
Тривалість
нагріву визначаємо виходячи із продуктивності індуктора і маси заготовки, що
нагрівається. Кількість заготовок, що нагріваються за 1 годину визначаємо за
формулою:
,
де П = 1200 кг/год – продуктивність
індуктора за 1 годину;
кг – маса заготовки.
Тривалість нагріву визначаємо за формулою:
хв.
Кількість заготовок, що нагріваються в індукторі одночасно:
,
де
мм – довжина
індуктора;
мм – довжина заготовки.
Для нагріву заготовок вибираємо індукційний нагрівач
КИН10-500/1П, з характеристиками: потужність індуктора – 500 кВт; частота
струму – 1 кГц; витрата води – 7,0 м3/год;
витрата стиснутого повітря – 21 м3/год;
довжина індуктора –
Хід роботи.
1.
Ознайомитись з сутністю та особливостями
застосування індукційного способу нагріву заготовок в гарячештампувальному виробництві.
2.
Зобразити схеми індукційних нагрівачів
періодичної та методичної дії. Описати роботу ковальських індукційних
нагрівачів серії КИН.
3.
Вибрати нагрівач серії КИН
(додаток) для наскрізного нагріву заготовки заданих розмірів (згідно варіанту
табл.).
4.
Розрахувати режим
нагрівання штучних заготовок в індукційному нагрівачі. Описати характеристику нагрівача.
|
Варіант |
Сталь |
Розміри
заготовки, мм |
Варіант |
Сталь |
Розміри
заготовки, мм |
|
1 |
Ст 6 |
Æ20´50 |
6 |
55 |
Æ70´140 |
|
2 |
Ст 3 |
Æ30´80 |
7 |
65 |
Æ80´160 |
|
3 |
25 |
Æ40´95 |
8 |
20Х |
Æ100´180 |
|
4 |
35 |
Æ50´100 |
9 |
40Х |
Æ120´200 |
|
5 |
45 |
Æ60´120 |
10 |
45ХН |
Æ150´250 |
Контрольні
питання
1.
За рахунок чого відбувається індукційний
нагрів металевих заготовок?
2.
Який струм використовують для індукційного
нагріву?
3.
Як визначають глибину проникнення струму в
металеву заготовку?
4.
Від чого залежить ефективність індукційного
наскрізного нагріву?
5.
Як можна визначити потрібну частоту струму
індуктора для нагріву заготовки певного діаметру?
6.
Назвіть основні переваги індукційного
способу нагріву в КШВ.
7.
Які недоліки індукційного способу нагріву?
8.
Які джерела струму дозволяють ефективно
регулювати потужність та частоту струму індуктора при індукційному нагріві?
9.
Що називають поверхневим нагрівом при
індукційному способі нагріву заготовок?
10.
Що називають глибинним нагрівом при індукційному
способі нагріву заготовок?
11.
Які типи індукційних нагрівачів
використовують в сучасних процесах гарячого штампування?
12.
Як працюють індукційні нагрівачі
періодичної дії для місцевого нагрівання заготовок?
13.
Як працюють індукційні нагрівачі методичної
дії для суцільного нагрівання заготовок?
14.
Опишіть конструкцію індукційного нагрівача
серії КИН.
ЛАБОРАТОРНЕ
ЗАНЯТТЯ №3
Тема: вивчення залежності
заповнення металом порожнини рівчака від розмірів облойного
містка штампу
Мета роботи: ознайомитись з основними типами облойних
канавок в гарячому штампуванні, підібрати тип та розміри облойної
канавки для поковки заданих розмірів
Теоретичні відомості
1 Основні типи облойних
канавок в гарячому штампуванні
Заусенцева (облойна) канавка при відкритому штампуванні сприяє
створенню необхідного опору течії металу з рівчака штампа та забезпечує умови
для оформлення всіх елементів поковки. Крім того, в поковці розміщується
надлишковий об’єм матеріалу заготовки, який передбачають заздалегідь виходячи з
принципу відкритого штампування. У випадку молотового штампування утворений заусенець попереджує жорсткий удар при змиканні верхнього
та нижнього штампів, що сприяє підвищенню їх стійкості.
Тип та форма облойної канавки (рис. 1) залежать
від конфігурації та розмірів поковки, об’єму та форми заготовки,
температурно-швидкісних умов штампування та характеру заповнення металом
рівчака, а також від опору металу деформуванню і його пластичності. Правильно
вибрана та сконструйована облойна канавка забезпечує
отримання якісних поковок при мінімальному відході металу в заусенець
та незначних витратах енергії.

Рис. 1 – Типи облойних канавок
штампів а – молотові; б – пресові. І – канавка з верхнім магазином; ІІ – канавка з нижнім магазином; ІІІ –
канавка з двостороннім магазином.
Крім розглянутих типів облойних канавок
використовують також канавки спеціальних типів: клинові канавки, канавки з
подвійним містком, канавки без магазину та інші.
2 Конструкція та розрахунок облойної канавки з верхнім магазином
Облойні канавки умовно
розділяють на канавки з магазином та без магазину. Найбільш часто застосовують
канавки з верхнім магазином (рис. 2). При зменшенні висоти містка hз. та збільшенні його ширини bз. підвищується опір течії металу в магазин облойної
канавки.

а б
Рис. 2. Схема (а)
та конструкція (б) облойної канавки молотового штампу. 1 – місток, 2 – магазин.
Товщину заусенця в зоні містка облойної канавки для поковок довільної форми в плані
визначають:
![]()
де:
- площа поковки в плані.
Для круглих в плані поковок з найбільшим діаметром Dп. товщину заусенця визначають:
![]()
За товщиною заусенця в зоні містка можна
визначити інші розміри облойної канавки.
В залежності від температурно-швидкісних умов процесу розміри облойної канавки для молотових та пресових штампів різні.
Для пресових штампів висота містка дещо більша, а ширина – менше. Отже,
табличні дані є орієнтовними при виборі розмірів облойних
канавок.
При штампуванні на КГШП в наслідок пружної деформації системи прес‑штамп значення hз. залежатимуть від зусилля штампування та величини пружної
деформації системи (Δ). Встановлено, що для більшості випадків hз.≈Δ. Величина пружної
деформації Δ для дрібних штампів
КГШП рівна 1,5…3 мм, середніх – 3,0…5,0 мм та великих –
5,0…8,5 мм.
Хід роботи.
1.
За кресленням
поковки (табл. 1) визначити основні розміри облойної
канавки, об’єми поковки та заготовки.
2.
Зібрати штамп за
схемою рис. 3. Користуючись змінними вставками, забезпечити задані розміри hз та bз.
3.
Виконати процес
штампування свинцевої заготовки на випробувальній машині, після чого провести
контроль якості отриманої поковки. У випадку браку зменшити висоту облойного містка шляхом заміни вставок. Процес штампування
повторити до випадку отримання якісної поковки.
4.
Виконати
порівняння розрахункових та експериментальних даних.
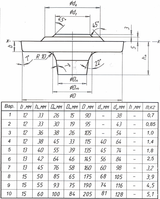
Таблиця 1 – Варіанти завдань
|
|
|||||||
|
Варіант |
d1, мм |
d2, мм |
h1, мм |
h2, мм |
h3, мм |
R1, мм |
R2, мм |
|
1 |
40 |
30 |
30 |
13 |
4 |
3 |
5 |
|
2 |
45 |
30 |
40 |
18 |
4 |
3 |
5 |
|
3 |
45 |
30 |
45 |
20,5 |
4 |
3 |
5 |
|
4 |
50 |
30 |
40 |
18 |
4 |
3 |
5 |
|
5 |
50 |
35 |
45 |
20,5 |
4 |
3 |
5 |
|
6 |
55 |
35 |
45 |
20,5 |
4 |
3 |
5 |
|
7 |
55 |
40 |
50 |
23 |
5 |
5 |
7 |
|
8 |
60 |
35 |
40 |
18 |
5 |
5 |
7 |
|
9 |
60 |
40 |
40 |
18 |
5 |
5 |
7 |
|
10 |
65 |
40 |
50 |
23 |
5 |
5 |
7 |
|
11 |
65 |
45 |
50 |
23 |
5 |
5 |
7 |
|
12 |
70 |
45 |
50 |
23 |
5 |
5 |
8 |

Рис. 3.
Схема лабораторного штампу. 1 – нижня основа; 2, 6 – вставки (бійники); 3 – верхня основа; 4 – кільце змінне; 5 –
підкладка.
Тема: особливості штампування видовжених в плані
поковок
Мета роботи: вивчення конструкції молотового багаторівчакового
штампу, методики розрахунку та вибору рівчаків, визначення розмірів початкової
заготовки
Теоретичні відомості
При розробці технології штампування видовжених в плані поковок з
потовщеннями на окремих ділянках (шатуни, гайкові ключі, важелі, балки і т.п.)
особливу увагу надають питанню перерозподілу металу вздовж осі заготовки. Від
цього будуть залежати стійкість штампу, об’єм необхідного облою
та зусилля штампування. Стійкість облойного містка,
яка впливає на загальну стійкість всього штампу, може бути підвищена
рівномірним розподіленням облою по периметру поковки.
Від об’єму облою залежить якість заповнення рівчака
штампу.
Видовжені поковки штампують в багаторівчакових
штампах (рис. 1). Такі штампи дозволяють виконати перерозподіл металу за
довжиною заготовки перед штампуванням в кінцевому чистовому рівчаку.

Рис. 1. Молотовий багаторівчаковий
штамп. 1 – протяжний рівчак, 2 – підкатний закритий рівчак, 3 – згинальний рівчак, 4 –
штампувальний чорновий рівчак, 5 – штампувальний чистовий рівчак, 6 – западина
під кліщі. І – протяжка, ІІ – підкатка, ІІІ – гнуття,
ІV – чорнове штампування, V – чистове
штампування.
В залежності від маси поковки та можливостей перерозподілу металу
застосовують такі типи заготівельних рівчаків: перетискний,
підкатний відкритий та закритий, протяжний,
формувальний. Необхідність застосування того чи іншого рівчака
визначається за діаграмою А.В.Ребельського
(рис. 2). Для використання цієї діаграми необхідно побудувати розрахункову
заготовку, а також епюру січень та діаметрів.

Рис. 2. Діаграма Ребельського щодо
меж застосування заготівельних рівчаків. БЗ – штампування без застосування заготівельних рівчаків, Перет –
штампування з перетискним рівчаком, ПВ – підкатний відкритий рівчак, ПЗ – підкатний закритий рівчак, Пр – протяжний рівчак.
Розрахунковою називають умовну заготовку з круглими поперечними січеннями,
площа яких рівна площам поперечних січень поковки з двостороннім облоєм. Площу кожного січення визначають:
,
де:
- площа і-го поперечного
січення поковки,
- площа січення облойної канавки, f – коефіцієнт заповнення облойної канавки. f для фасонних поковок приймають
рівним 0,4, для січення заготовки біля торця – 0,75, а для облою
на торці – 1,0.
Довжина розрахункової заготовки рівна довжині поковки.
Для розрахунку об’єму будь-якої частини заготовки (рис. 3, а) будують
епюру січень (рис. 3, б), ординати якої відповідають в масштабі площам
поперечних січень
розрахункової заготовки. Епюру діаметрів (рис.
3, в) будують симетрично, відкладаючи відносно вісі абсцис ординати, що
розраховуються за формулою
![]()
Середня розрахункова заготовка будується на епюрі діаметрів і являє
собою циліндр, довжина якого рівна довжині поковки, а об’єм – сумі об’ємів
поковки Vпок., облою
Vобл. та плівки (перемички) під
пробивку отвору Vпер. Площа поперечного січення
середньої розрахункової заготовки рівна
Fср.=( Vпок.+ Vобл.+
Vпер.)/lпок.= Vр.з./ lпок.
Після побудови та відповідного коректування конфігурації розрахункової
заготовки, а також приведення її до сукупності елементарних заготовок (з однією
головкою та одним стержнем), необхідно визначити значення dmin, dmax, dср., lпок., довжину стержня та діаметр в місці
переходу від стержня до головки dк. (рис.2).
Далі підраховують геометричні показники поковки:
a= dmax
/ dср. ; b= lр.з./ dср. ; k=( dк.- dmin)/lс.
У відповідності з отриманими розмірами розрахункової заготовки можна
визначити необхідний коефіцієнт підкатки KПЗ (коефіцієнт підкатки загальний) за формулою
![]()
Можливі значення коефіцієнту підкатки, які можна
досягнути в окремих рівчаках, приведені в табл. 1.
Комбінацію рівчаків вибирають таким чином, щоб КПЗ<КПР, де КПР – розрахунковий
коефіцієнт підкатки. КПР відповідає добутку коефіцієнтів підкатки
вибраних рівчаків. Наприклад, якщо вибрані підкатний
закритий, чорновий та кінцевий чистовий штампувальні рівчаки, то КПР=1,6×1,1×1,05=1,8.

Рис. 3. Розрахункова заготовка та епюра її січень
Таблиця 1 – Значення коефіцієнтів підкатки
рівчаків
|
Рівчак |
КПО |
|
Формувальний |
1,2 |
|
Перетискний |
1,2 |
|
Підкатний відкритий |
1,3 |
|
Підкатний закритий |
1,6 |
|
Чорновий
штампувальний (попередній) |
1,1 |
|
Чистовий
штампувальний (кінцевий) |
1,05 |
Якщо КПР>1,8, то необхідно
застосувати протяжний рівчак.
Вибір заготівельних рівчаків можна виконати користуючись діаграмою Ребельського (рис. 2). При виборі переходів слід
враховувати, що застосування підкатного рівчака
виключає використання формувального та перетискного,
якщо останній призначений для перерозподілу об’єму заготовки лише вздовж її
осі.
Об’єм початкової заготовки визначають за формулою
Vзаг.=( Vпок.+ Vобл.+
Vпер.+ Vкл.)h
де h - коефіцієнт, що враховує угар
металу при нагріванні (1,02), - об’єм металу, що перебуває в кліщівині.
Западина під кліщі (кліщівина) необхідна при
штампуванні однієї поковки з мірної заготовки. Її обєм
визначають як частину заготовки, що захоплюється кліщами, довжиною lкл.=(0,4…0,5)dзаг.
Хід роботи.
1.
Вивчити
конструкцію молотового багаторівчакового штампу.
Звернути увагу на розміщення рівчаків.
2.
У відповідності з
індивідуальним завданням (рис. 4) розрахувати розміри, об’єм та масу початкової
заготовки, вибрати необхідні заготівельні рівчаки.
3.
Зобразити технологічну
схему виготовлення поковки.


Рис. 4. Креслення поковки
Тема: розрахунок
заготівельних рівчаків при гарячому штампуванні видовжених в плані поковок на
молотах
Мета роботи: засвоїти методику розрахунку та проектування протяжного та підкатного заготівельних рівчаків при штампуванні на
молотах.
Теоретичні відомості
Обробку заготовки в
одному рівчаку при гарячому штампуванні називають переходом штампування.
Кількість рівчаків і, відповідно, переходів штампування залежить від складності
поковки. Найчастіше багатоперехідне штампування
проектують для видовжених в плані поковок.
Заготівельні
переходи та рівчаки дозволяють наблизити форму простої заготовки до форми
майбутньої поковки. При молотовому штампуванні видовжених в плані поковок
основними заготівельними рівчаками є протяжний та підкатний.
1.
Розрахунок та проектування протяжного
рівчака молотового штампу
За розміщенням в
штампі протяжні рівчаки поділяють на прямі та з нахилом до фронтальної площини.
Протягування в прямих рівчаках виконується до упору заготовки в задню стінку
рівчака або із зазором не більше
Розміри протяжного
рівчака (рис. 1) залежать від розмірів розрахункової та початкової
заготовок.

Рис. 1 – Протяжний рівчак.
При протягуванні з
наступною підкаткою ростверк h протяжного рівчака визначається за формулою:
,
де Vc, lc –
об'єм та довжина протягнутої ділянки;
Sc – середня
площа січення розрахункової заготовки.
Довжина протяжного
рівчака визначається:
мм.
Найбільша
продуктивність при протягуванні забезпечується вибором оптимального розміру
робочої частини рівчака с. Її
визначають за діаметром початкової заготовки Dз.
c=(1,3...1,5)Dз.
Менші
значення с рекомендують приймати при lc>
Ширину
протяжного рівчака визначають
b=(1,25...1,5)Dз.+(10...20)мм.
Більші
значення ширини приймають при Dз<
Радіуси
заокруглень робочої частини R=2,5c.
Інші радіуси заокруглень приймають R=0,25c.
При
залишенні на кінці головки довжиною lв та товщиною hв глибина рівчака
приймається h1=1,2hв, але не менше 2h.
2.
Розрахунок та проектування підкатного рівчака молотового штампу
В підкатний рівчак заготовка поступає після обробки в
протяжному рівчаку та після підкатування профільовану
заготовку переносять у штампувальний рівчак.
Розміри
профілю підкатного рівчака (рис. 2) по висоті h залежать від діаметру відповідного
січення розрахункової заготовки dе, середнього діаметру розрахункової заготовки dср,
площі Sе
поперечних січень поковки з облоєм та діаметру
початкової заготовки Dз.
h=μdе ,
де μ – коефіцієнт, який вибирають
згідно таблиці 1.

Рис. 2 – Розрахункова схема підкатного
рівчака.
Таблиця 1 –
Значення коефіцієнта μ
|
Січення |
Dз, мм |
||
|
до 30 |
30...60 |
Більше 60 |
|
|
стрижня: |
|
|
|
|
dеmin (hmin) |
0,8 |
0,75 |
0,7 |
|
dек (hк) |
0,85 |
0,8 |
0,75 |
|
набору: |
|
|
|
|
dеmax (hmax) |
1,1 |
1,05 |
1,0 |
Ширину
рівчака визначають згідно формули:
мм,
де Sз –
площа поперечного січення початкової заготовки.
Завищена ширина підкатного рівчака знижує інтенсивність підкатування,
а занижена – приводить до утворення заусенців. Тому,
згідно практичних рекомендацій ширина рівчака повинна бути в межах В=(dеmax+10)...1,5Dз,
та бути не меншою за значення:
мм,
де Sс –
середня площа поперечного січення стрижня розрахункової заготовки.
Передній кінець
заготовки має торцеві дефекти (тріщини та ін.), тому важливим є уникнення явища
їх заштампування в поковку. Для цього в кінці підкатного рівчака виконують додаткову канавку глибиною а=5 мм, шириною в=30 мм та довжиною с=30 мм.
Радіуси заокруглень
визначають:
R=0,1Dз+
Ra=2,5 мм;
Rв=7 мм;
R1=(1,5...3,0)К1+
R2=(1,5...3,0)К2+
R3=5 мм;
R4=10 мм;
Довжину l1 визначають графічно з
умови плавного спряження згідно креслення рівчака.
Хід роботи
1.
Ознайомитись з методикою розрахунку та
проектування протяжного та підкатного заготівельних
рівчаків при штампуванні на молотах.
2.
Згідно завдання спроектувати протяжний та підкатний рівчаки молотового штампу.
3.
Виконати ескіз штампу з розрізами
заготівельних рівчаків.
Контрольні питання
1.
Що називають переходом штампування?
2.
Як поділяють протяжні рівчаки за
розміщенням в молотовому штампі?
3.
Від чого залежать розміри протяжного рівчака?
4.
Від чого залежить продуктивність обробки
заготовки в протяжному рівчаку?
5.
Від чого залежить ширина протяжного
рівчака?
6.
Від чого залежать висотні розміри підкатного рівчака?
7.
Як визначають ширину підкатного
рівчака? Поясніть правила вибору її значення.
8.
Для чого в задній частині підкатного рівчака виконують додаткову канавку?
Тема: розрахунок і
проектування перетискного, формувального та
згинального заготівельних рівчаків.
Мета роботи: засвоїти
методику розрахунку та проектування перетискного,
формувального та згинального заготівельних рівчаків при гарячому штампуванні на
молотах.
Теоретичні відомості
1.
Розрахунок і проектування перетискного рівчака молотового штампу
Перетискний
заготівельний рівчак при гарячому штампуванні слугує для перетискання
та незначного набору металу перед штампуванням видовжених в плані поковок. Його
розміщують з лівої чи правої сторони молотового штампу.
Висоту профілю перетискного рівчака в зоні перетискання
(рис. 1) визначають: h1=(0,6...0,75)dеmin, де dеmin –
мінімальний діаметр розрахункової заготовки. Висоту h2 приймають рівною h2=(1,05...1,1)dеmax, де dеmax –
максимальний діаметр розрахункової заготовки. Значення dеmin та dеmax визначають
з епюри діаметрів за методикою побудови розрахункової заготовки, згідно
залежності
,
де
та
– площі поперечних
січень поковки та облою за довжиною поковки.

Рис. 1 – Перетискний рівчак
молотового штампу.
Ширину перетискного рівчака визначають згідно формули:
мм,
де Sз –
площа поперечного січення початкової заготовки.
Радіуси скруглень приймають з умови плавності спряження елементів
рівчака. Радіус
.
2.
Розрахунок і проектування формувального
рівчака молотового штампу
Формувальний
заготівельний рівчак при гарячому штампуванні слугує для надання заготовці
форми, наближеної до контуру поковки в плані.
Контур
формувального рівчака (рис. 2) має вписуватись в контур поковки в плані
штампу. Тобто побудова профілю рівчака полягає у побудові такої фігури, яка
впишеться в контур поковки в плані. Причому в місцях набору металу зазор між
контурами поковки та формувального рівчака має становити 1...2 мм, а в
місцях витиснення металу – 3...5 мм.

Рис. 2 – Формувальний рівчак молотового штампу.
Ширина
формувального рівчака визначається згідно формули
мм,
де Sз –
площа поперечного січення початкової заготовки;
h – найменша висота порожнини формувального рівчака.
Значення перевіряють згідно нерівності:
мм,
де Вз –
ширина розплющеної заготовки.
Вхідний
ростверк h1 рівчака
становить (0,2...0,3)Dз.
Горизонтальні
ділянки в формувальному рівчаку виконують по похилим площинам з кутом нахилу
2...5º до лінії роз'єму штампів.
3.
Розрахунок та проектування згинального
рівчака молотового штампу
Згинальний
заготівельний рівчак при гарячому штампуванні слугує для згинання заготовки у
відповідності з контуром поковки в плані штампу.
Принцип побудови
згинального рівчака (рис. 3) полягає у вписуванні його в контур поковки в
плані. При цьому зазор між контуром рівчака та контуром плану поковки має
складати 2...5 мм.

Рис. 3 – Згинальний рівчак.
Найбільший
ростверк рівчака Н повинен бути більшим
відповідного розміру поковки для кращого заповнення металом порожнини рівчака в
процесі гнуття та часткової формовки.
Розмір К становить: К=(0,1...0,2)Н. Висоту
рівчака визначаємо згідно формули
h=(0,8...0,9)h1,
де h1 – висота поковки у
відповідному січенні.
Радіус R3 при ширині рівчака В до
Інші
розміри згинального рівчака вибирають в залежності від маси падаючих частин
молота. Зазор t=5...10 мм, R1=10...16 мм,
R2=16...20 мм.
Ширину
рівчака В визначають за найбільшим
розміром поперечного січення заготовки при тій висоті ростверку рівчака, коли
очікується найбільше розширення заготовки (табл. 1).
Таблиця 1 –
Розміри ширини В згинального рівчака,
в мм
|
Діаметр
початкової заготовки, мм |
Висота h,
до якої розплющується заготовка, мм |
||||||
|
20 |
40 |
60 |
80 |
100 |
120 |
140 |
|
|
Bmin |
|||||||
|
20 |
40 |
– |
– |
– |
– |
– |
– |
|
40 |
– |
55 |
– |
– |
– |
– |
– |
|
60 |
– |
100 |
81 |
– |
– |
– |
– |
|
80 |
– |
– |
120 |
100 |
– |
– |
– |
|
100 |
– |
– |
– |
140 |
120 |
– |
– |
|
120 |
– |
– |
– |
185 |
160 |
140 |
– |
|
140 |
– |
– |
– |
– |
200 |
180 |
160 |
Хід роботи.
1.
згинального заготівельних рівчаків при
гарячому штампуванні.
2.
Згідно завдання спроектувати перетискний та формувальний рівчаки молотового штампу.
3.
Виконати ескіз штампу з розрізами
заготівельних рівчаків.
Контрольні питання
1.
Для чого слугує перетискний
рівчак молотового штампу?
2.
Як визначають висоту профілю перетискного рівчака в зоні перетискання?
3.
Як визначають ширину перетискного
рівчака?
4.
Для чого слугує формувальний рівчак
молотового штампу?
5.
Як будують контур формувального рівчака?
Які особливості його побудови?
6.
Як визначають ширину формувального рівчака?
7.
Для чого слугує згинальний рівчак
молотового штампу?
8.
Як будують контур згинального рівчака? Які
особливості його побудови?
9.
Як визначають висоту згинального рівчака?
10.
Від чого залежить ширина згинального
рівчака?
Тема: вибір
ковальсько-штампувального обладнання при гарячому штампуванні.
Мета роботи: засвоїти методику
розрахунку зусиль гарячого штампування та вибору ковальсько-штампувальної
машини.
Теоретичні відомості.
Одним з відповідальних етапів при розробці технологічного процесу
гарячого штампування є вибір ковальсько-штампувальної машини (КШМ). Від
правильного вибору машини залежать витрати енергії, продуктивність виробництва,
точність отримуваних виробів, стійкість інструменту та, загалом, собівартість
поковок. Вибір КШМ виконують згідно вимог технології та за розрахованим
зусиллям штампування поковки.
1.
Розрахунок маси падаючих частин молоту
При штампуванні на
молотах вибір основної штампувальної машини виконують на основі розрахунку маси
падаючих частин, необхідної для остаточного формоутворення поковки в кінцевому
штампувальному рівчаку. Це обумовлено найбільшим значенням роботи молота при
деформуванні у чистових рівчаках.
Масу падаючих
частин можна визначити за спрощеними та уточненими залежностями. Проте,
точність розрахунку має певне значення: при заниженому значенні маси падаючих
частин зменшується продуктивність штампування; при завищеному значенні –
зменшується стійкість штампу та збільшуються витрати, пов’язані з експлуатацією
молота.
Основними
необхідними параметрами при інженерних розрахунках маси падаючих частин є
розміри поковки в плані та властивості матеріалу поковки. В уточнених
розрахунках використовуються також розміри облойного заусенця поковки.
З достатньою точністю
масу падаючих частин (G, в кг) штампувального молоту можна
визначити за залежністю:
- для поковок
круглих в плані
[кг];
- для поковок
видовжених в плані
[кг],
де
– умовна межа
текучості матеріалу при температурі штампування, в МПа;
D – діаметр круглої в плані поковки, в см (D≤60 см);
F – площа поковки в плані (площа проекції для некруглих поковок в плані), в см2;
L – довжина поковки, в см;
В – середня ширина поковки (В=F/L), в см.
Важливим, при
розрахунках за цими емпіричними формулами, є чітке врахування зазначених розмірностей величин, оскільки вони явно не скорочуються.
За визначеною масою
G вибирають штампувальний молот
відповідного типу (пароповітряний, електрогідравлічний, гідравлічний чи
повітряний). При цьому маса падаючих частин вибраного молоту має бути більшою
за розраховане значення, або рівною йому.
2.
Розрахунок зусилля кривошипного пресу при
гарячому відкритому штампуванні
Кривошипні гарячештампувальні преси (КГШП) характеризуються
максимально допустимим зусиллям в кінці робочого ходу повзуна. При штампуванні
максимальне зусилля буде виникати в кінцевому штампувальному рівчаку в момент
закінчення процесу пластичного формоутворення. В цей момент розміри поковки в
плані будуть найбільшими, а надлишок металу утворює облой.
Оскільки кінцевий
чистовий рівчак виконують за кресленням гарячої поковки, то необхідне зусилля
пресу можна визначити виходячи з її розмірів. Для цього, також як для молотів,
існує декілька формул, які отримані з використанням теоретичних методів аналізу
процесів пластичного формування металів.
Орієнтовно зусилля
гарячого штампування на КГШП можна визначити за емпіричною залежністю
,
де P – зусилля штампування, в МН;
k – коефіцієнт, що враховує складність поковки;
F – площа поковки в плані, включаючи облойний
місток, в м2;
Емпіричний
коефіцієнт k вибирають в межах
6,4…7,3. Більші значення приймають для складних поковок з гострими кутами,
тонкими та високими ребрами та ін.
Числовий коефіцієнт
(100) попереду в цій формулі умовно відповідає межі текучості для
конструкційних сталей, прийнятий із значним запасом. Для сталей іншого
призначення слід використовувати інші залежності.
Для більш точного
розрахунку зусилля пресу можна використовувати формулу Є.І.Семенова, яка
враховує розміри облойного містка
- для круглих та
квадратних поковок в плані, а також наближених до них форм
;
- для поковок
видовжених в плані
,
де
– напруження текучості
при умовах штампування (приймають
);
b – ширина облойного містка;
h0 – висота облойного
містка (товщина облою);
D – діаметр поковки в плані штампу (чи сторона квадрату);
F0 – площа проекції облойного
містка в плані;
F – площа поковки в плані;
Вср – ширина
поковки в плані (Вср=F/L, де L – максимальний
габаритний розмір поковки в плані).
При
розрахунках за цими формулами величини слід підставляти в узгоджених одиницях
вимірювання, щоб досягнути відповідних скорочень.
Номінальне
зусилля пресу має бути більшим за розраховане значення.
3.
Розрахунок зусилля гарячого штампування на
ГКМ, гідравлічних та гвинтових пресах
Необхідне
зусилля горизонтально-кувальної машини залежить від характеру виконуваної
операції. В технології гарячого штампування часто застосовують формулу В.І.Залєского
,
де k – коефіцієнт, що враховує складність
операції, а також від товщини найбільш тонкого елемента поковки (k=2…8);
Fп – площа
проекції поковки на площину, перпендикулярну напрямку руху пуансона штампу ГКМ.
Зусилля гарячого штампування на гідравлічних пресах може
бути визначене за формулами для розрахунку зусиль на механічних пресах з
врахуванням поправочного коефіцієнту
,
де Рк.п –
зусилля КГШП, що визначене згідно відповідної методики розрахунку зусиль
механічних пресів при відкритому штампуванні;
k – коефіцієнт, що враховує
інтенсивне охолодження заготовки в процесі штампування на гідропресах (k=1,1…2,0).
При
штампуванні на гвинтових пресах зусилля штампування визначають згідно формули
,
де а – коефіцієнт, що враховує схему
штампування (а=3 при штампуванні в
закритих штампах, а=4 при штампуванні
в закритих штампах, а=5 при
штампуванні видавлюванням);
– межа міцності
матеріалу при температурі штампування;
F – площа поковки в плані;
Vп – об'єм
поковки.
При виборі
відповідного штампувального агрегату, його номінальне зусилля не має бути
меншим за розрахункові значення.
Хід роботи.
1.
Ознайомитись з методикою розрахунку зусиль
штампування на різних видах обладнання.
2.
Вибрати кривошипний прес для виготовлення
поковки, представленої на рисунку.

Тема: дослідження
характеру течіння металу при видавлюванні
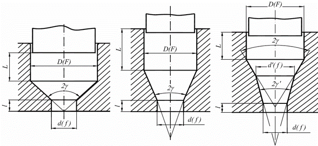
Теоретичні відомості
1. Загальна характеристика процесу видавлювання на пресах
Штампування
поковок видавлюванням дозволяє зменшити витрати металу, знизити трудомісткість
їх виготовлення та підвищити якість продукції. Процесу видавлювання властива яскраво виражена схема всебічного
нерівномірного стиснення і, тому, висока пластичність металу в осередку
деформації.
В залежності від напрямку течіння металу
розрізняють пряме, зворотне, комбіноване та бокове видавлювання (рис. 1).
Вибір способу видавлювання визначається перш за все формою поковки, яка може
мати вигляд суцільного стержня, стержня з голівкою, типу стакану, тіл з глухими
двосторонніми порожнинами або відгалуженнями в напрямку головної осі, тіл з боковими
відгалуженнями чи внутрішніми западинами.

Рис.
1 – Схеми видавлювання на пресах а, б – прямого; в, г – зворотного; д, ж
– комбінованого; з - бокового
Від характеру течіння металу залежать якість
отримуваних поковок, енерговитрати, зносостійкість інструменту, міцнісні властивості поковки. При розробці технологічного
процесу видавлювання поковок велику увагу слід приділяти створенню сприятливих
умов для течіння металу в рівчаку штампа,
забезпеченню найбільшої рівномірності деформації в об’ємі поковки, запобіганню
появі гальмівних зон, на межу яких виходить метал поверхневих шарів заготовки
та утворюються дефекти затиску.
2. Характер течіння металу при
видавлюванні
Характер течіння металу при видавлюванні
залежить від кута вхідного конусу матриці (рис. 2) та способу видавлювання. Для
його дослідження, а також отримання інформації про осередок деформування в
перехідних зонах, нерівномірність напружено-деформованого стану в залежності
від температурно-швидкісного режиму та контактних умов використовують метод координатних
сіток. Часто координатну сітку виконують у вигляді кола, що дозволяє швидко
визначати головні деформації шляхом вимірювання її розмірів після деформування
(великої та малої осі еліпсу).

Рис. 2 – Схема інструменту для штампування
видавлюванням: основна форма матриці; матриця з малим кутом 2γ; матриця з
двома робочими конусами.
Інтенсивність деформацій в різних ділянках поковки, отриманої
видавлюванням, значно відрізняється. В
верхній потовщеній частині деформація незначна, шари металу проходять через
конічну ділянку рівчака та зазнають значних деформацій, причому найбільшого
ступеня – в поверхневих шарах, що пояснюється впливом контактного тертя.
Практикою встановлено, що при
значних кутах вхідного конусу матриці 2γ виникають гальмівні зони в тих
місцях рівчака штампу, які заповнюються металом в першу чергу, а потім
залишаються осторонь від основного напрямку течіння
металу. При зменшенні кута вхідного конусу об’єм гальмівних зон скорочується, а
при кутах менше 90º вони часто повністю зникають.
3. Параметри процесу
прямого видавлювання на пресах
Для отримання якісних поковок та
задовільного перебігу процесу слід забезпечувати певні режими видавлювання, які
характеризуються коефіцієнтом витяжки λ=F/f,
коефіцієнтом обтискання q=f/F, ступенем деформації ε=(F-f)/F, логарифмічною
деформацією η=ln(F/f), швидкістю витікання металу ω=(F/f)·v, де F та f – відповідно площа
поперечного січення контейнера та видавленого стержня; v – швидкість деформування.
Основними вимогами при
конструюванні поковок є максимальна простота їх форми та плавність спряження
між окремими елементами. Найбільш технологічні поковки, що мають циліндричний
стержень постійного січення з потовщенням на одному з кінців. При наявності на
стержні конічних елементів, перепадів січення, а також при малій висоті
потовщеної частини – поковки є нетехнологічними. При їх видавлюванні зростають
сили контактного тертя та опір деформуванню, ускладнюється течіння
металу. Крім того, в такому випадку, необхідно використовувати спеціальний
інструмент складної конструкції.
При видавлюванні використовують
матриці трьох типів: конічні з одним чи двома робочими конусами (див. рис. 2),
плоскі (циліндричні) та радіальні (з течінням металу
в боковому напрямку). При ідентичних умовах зусилля видавлювання через конічну
матрицю є меншим ніж в інших випадках.
Зусилля видавлювання для основної
форми матриці (рис. 2, а) визначається:
.
Для отримання поковок при
використанні матриць з малим кутом (2γ) робочого конусу (рис. 2, б):
.
При виготовленні поковок в матриці
з двома робочими конусами (рис. 2, в):
.
В цих формулах: L, D
– довжина та діаметр заготовки, l –
довжина калібруючої частини (пояска) матриці; γ´ – кут входу в конічний стержень; f´ – площа поперечного січення більшої основи конічного
стержня, σs – межа текучості за температури видавлювання.
Хід роботи.
1.
Для виконання роботи необхідні свинцеві
зразки діаметром 20 та довжиною
2.
Розрізати зразки по діаметральній площині,
на кожну другу половину нанести координатну сітку. З’єднати половинки зразків
сплавом Вуда
3.
Виміряти кути вхідного конусу комплекту
матриць.
4.
Зібрати штамп за схемою, що забезпечує
спосіб прямого видавлювання, з найменшим кутом вхідного конусу матриці.
5.
Встановити зібраний штамп на прес ПГ-10, завантажити підготовлений зразок та провести його
деформування.
6.
Вийняти деформований зразок з штампу.
7.
Повторити процес видавлювання з
використанням інших матриць, що входять в штамповий комплект. Переналагодження
виконується за схемою, що забезпечує спосіб зворотного видавлювання.
8.
Частини видавлених зразків роз'єднати та
замалювати деформовані координатні сітки.
9.
Проаналізувати отримані картини
координатних сіток.
Контрольні
питання
1.
Як відбувається штампування поковок
видавлюванням?
2.
Які є способи видавлювання в залежності від
напрямку течіння металу?
3.
Яка схема НДС властива процесу
видавлювання?
4.
Від чого залежить характер течіння металу при видавлюванні?
5.
Як визначають коефіцієнт витяжки та
обтискання при видавлюванні?
6.
Якої форми поковки є найбільш
технологічними для процесів видавлювання?
7.
Які типи матриць використовують при
видавлюванні?