Лекція15.
Знешкодження та переробка міських відходів
15.1.
Методи знезаражування твердих побутових відходів (ТПВ)
15.3.
Польове компостування
15.2.
Полігони твердих побутових відходів
15.4.
Сміттєпереробні
заводи
15.5.
Сміттєспалювальні заводи
15.1.
Методи знезаражування твердих побутових відходів (ТПВ)
З урахуванням санітарних вимог
захисту населення у світовій практиці розроблені наступні схеми знезаражування,
переробки, утилізації й захоронення ТПВ:
– знезаражування ТПВ методом
компостування (аеробний процес);
– знезаражування ТПВ методом його
захоронення у ґрунт на полігонах (анаеробний процес);
– термічне знезаражування шляхом
спалювання ТПВ в колосникових печах;
– термічне знезаражування шляхом
прожарювання ТПВ без доступу кисню (піролізний процес);
– знезаражування ТПВ у шарі
розплавленого шлаків;
– знезаражування ТПВ шляхом
механічного здрібнювання та наступне капсулювання з отвердителем;
– знезаражування ТПВ шляхом
глибокого пресування.
15.2.
Полігони твердих побутових відходів
Найпростішим і найпоширенішими
спорудами з переробки ТПВ є полігони. Полігони – це природоохоронні
споруди, на яких відходи складують на ґрунт із дотриманням умов, які
забезпечують захист від забруднення атмосфери, ґрунту, поверхневих і ґрунтових
вод, і перешкоджають поширенню патогенних мікроорганізмів за межі майданчика
складування, та забезпечують знезаражування ТПВ біологічним (за допомогою
аеробних процесів) способом.
На полігонах можлива утилізація
органічної складової ТПВ шляхом уловлювання біогазу. На полігонах проводять
ущільнення ТПВ, що дозволяє збільшити навантаження відходів на одиницю площі
споруд, забезпечуючи ощадливе використання земельних ділянок. Після закриття
полігону поверхня землі рекультивується для наступного використання земельної
ділянки. Усі роботи на полігонах із складування, ущільнення, ізоляції ТПВ і
наступної рекультивації ділянки повинні бути повністю механізовані.
Захист від забруднення ґрунтів і
ґрунтових вод здійснюють шляхом обладнання спеціального протифільтраційного
екрана, покладеного по його днищу та бортах полігону, системи перехоплення,
відводу й очищення фільтрату, а також системи спостережливих свердловин для
контролю якості ґрунтових вод.
Захист від забруднення ґрунтів і
повітряного басейну здійснюється шляхом щоденного перекриття заповнених
робочих карт полігона шарами ґрунту, організації системи збору, відводу й
утилізації біогазу, обладнання робочих карт переносними сітками які
перехоплюють вітром легкі фракції (папір, плівки), рекультивації поверхні
заповнених ділянок полігона.
Захист поверхневих водних об'єктів
від забруднення зливовими й поталими водами, що стікають з території
полігона обмеженої лісосмугою, здійснюється шляхом очищення поверхневого стоку
па майданчику "біоплато" і
відводу транзитних поверхневих вод.
Термін служби полігона повинен
бути не менше 15-20 років. Розміщати полігони необхідно з урахуванням вимог
санітарних норм, з видаленням від найближчої житлової забудови на відстані не
менш 500 м. До полігона повинна бути підведена дорога з твердим покриттям по
всім периметру майданчика, відведеного для полігона, повинна бути влаштована
захисна лісосмуга шириною не менш 20м. Рівень ґрунтових вод під днищем полігона
повинен перебувати на глибині більш 2м. На майданчику полігону не повинні
перебувати виходи джерел. Категорично забороняється використовувати під
полігони акваторії рік, озер, стариць і боліт.
Площу ділянки складування полігона
розбивають на черги експлуатації з розрахунку 3-5 років на кожну чергу. У
складі першої черги виділяється перший пусковий комплекс з об’ємом складування
протягом 1-2 років.
На першій стадії проектування
розробляють форпроект полігону, де розглядають
кілька альтернативних варіантів розміщення майданчика складування ТПВ,
приводять їх техніко-економічні показники, на підставі яких вибирають
оптимальний варіант.
Проектом полігону визначається
його потрібна ємність. Залежно від місця розташування встановлюється тип і
конструкція полігону – висотний, яружний, кар'єрний, траншейний (рис.
15.1). Майданчик полігону розбивають па черги будівництва й пускові комплекси,
складають технологічну схему заповнення по сезонах року. У проекті організації
робіт приводяться розрахунки потреби в машинах, механізмах і обслуговуючому
персоналі, визначається потреба ґрунту для перекриття робочих карт і приводиться
технологія рекультивації полігона. Архітектурно-будівельний розділ проекту
включає генеральний план, вертикальне планування внутрішньоквартальні
дороги, усі види будинків і приміщень, огородження та інші конструкції.
Гідротехнічний розділ прорізу включає розрахунки стійкості укосів, гребель і
дамб, протифільтраційних екранів, нагірних канав, бистротоків,
системи очищення стічних вод типу "біоплато" і
відкачки фільтрату. Санітарно-технічний розділ включає зони санітарного
розриву, водопровід, каналізацію, установку мийки машин, обладнання по поливу
поверхонь, що порошать з робочих карт, боротьбі з
пацюками, очищенню фільтрату, утилізації біогазу та ін. Проектом передбачається
електропостачання, освітлення і засоби зв'язку.
Майданчик під полігон вибирають
спочатку на великомасштабній карті з урахуванням рельєфу, розташування доріг,
населених пунктів, троянди вітрів та інших факторів,
причому намічають кілька можливих варіантів. Перевага віддається ділянкам, де в
підвалинах залягають глини, суглинки, або інші водостійкі породи.
Після попередньої оцінки можливих
місць розміщення полігона майданчик вибирається на місцевості.
Схема полігону залежить від
рельєфу місцевості. На плоских ділянках влаштовують полігони висотного або
траншейного типу. Полігон висотного типу утворюється шляхом
обвалування плоскої ділянки. Висота дамби обвалування визначається з умови
закладення укосів 1:4 і більш при ширині верхнього майданчика дамби, який
забезпечує безпечний проїзд сміттєвозів і роботу ущільнювальної техніки –
котків, бульдозерів.
Ущільнений шар ТПВ висотою 2-3м
ізолюють ґрунтом або іншими інертними матеріалами, наприклад, промисловими
відходами. Товщина шару проміжної ізоляції – 0,25м. після ущільнення – 0,15м.
Для забезпечення гідроізоляції дно котловану покривають ущільненим шаром глини.
Можливо також у якості гідроізоляції використовувати компостирувані відходи,
які пролежали в буртах не менш року.
Полігони траншейного типу створюються
на плоских ділянках шляхом прокладки траншей глибиною 3–6м і шириною поверху
10–12м. Ґрунт, отриманий від розробки траншеї, використовується для зворотного
засипання після їх заповнення ТПВ. Довжину однієї траншеї проектують із
урахуванням приймання ТПВ протягом 1–2 місяців, якщо температура вище 0°С, а
при більш низьких температурах – на весь період промерзання ґрунтів.
Яружні ділянки
заповнюють за схемою вирівнювання. При цьому поглиблення дна
яру й зрізку ґрунту з укосів з метою додати їм необхідний нахил проектують з
урахуванням забезпечення полігона ізолюючим матеріалом. На дно яру (основа
полігона) укладають глинистий ґрунт пошаровим ущільненням для створення
водонепроникного протифільтраційного екрана. Ділянки складування в яру
розбивають, починаючи верхів'я, на черзі, споруджуючи наприкінці кожної ділянки
земляні греблі. Місткість полігону розташованого в яружній ділянці,
розраховуєте у два етапи.

Рис.
15.1. Схема полігона кар'єрного і яружного типів
На першому етапі визначають
місткість при заповненні до брівки яру, на другому – з урахуванням створення
дамб обвалування за схемою висотного полігону.
Складування ТПВ в кар'єрах здійснюють
за схемою вирівнювання (до рівня брівки кар'єру) або за висотною схемою з
перевищенням рівня брівки кар'єру за рахунок створення дамб обвалування.
Передбачається з'їзд сміттєвозів на дно кар'єру та пошарове укладання відходів.
Пошарове укладання досягається насуванням знизу нагору утвореного ТПВ.
Ущільнення ТПВ проводять чотириразовим і більше проходом котка або бульдозера.
Товщина шару, що ущільнюється, не повинна
перевищувати 0,5м.
Після закінчення експлуатації
полігонів їх покривають ізолюючим шаром ґрунту товщиною не менше 1м відповідно
до проекту рекультивації.
15.3.
Польове компостування
Польове компостування є найбільш
простим способом знешкодження та переробки ТПВ. Якщо на полігонах знешкодження
протікає понад
50-100 років, то при польовому компостуванні цей процес відбувається за 6-18
місяців залежно від кліматичних умов.
Компостування – складний
аеробний біологічний процес, що супроводжується інтенсивним виділенням
тепла, Лeгкогниючі
органічні речовини розкладають з утворенням рухливих форм гумінових кислот, які
добре засвоюються рослинами. У результаті компостування синтезується гумус,
який є основним компонентом ґрунту. В основі одержання компосту лежить процес
амоніфікації під впливом аеробних бактерій. У свою чергу амоніфікація є
процесом розкладання органічних сполук ТПВ з
виділенням аміаку. Тому при компостуванні ТПВ втрачають до 20% ( за вагою)
органічних речовин.
Розкладання органічної речовини
ТПВ, яке ініціюється аеробною мікрофлорою, вимагає
постійного притоку кисню та відведення газоподібних продуктів окиснення, у тому
числі вуглекислого газу. Накоплення вуглекислого газу, знижує окисний
потенціал, що може гальмувати процес. Тому в ТПВ повинне підтримуватися певне
співвідношення вуглецю та азоту (С:N = 25–30). У процесі компостування можна
виділити дві основні фази:
– I – одержання біопалива; при
цьому зниження змісту органічної речовини становить 5-8% ваги;
– II – одержання компосту, при якому
зниження ваги органічної речовини становить 20% вагу.
Компостування ТПВ проводять на
майданчиках, розташованих поруч із полігонами. Найбільш проста технологія
компостування полягає в складуванні в штабелі, які розташовані паралельними
рядами з проїздом між ними 3м.
Ширина основи і висота варіюються
залежно від кліматичних умов. Для запобігання виплоду мух, усунення запахів і
зменшення теплообміну між штабелями і повітряним середовищем їх покривають
шаром землі або торфу висотою 15–20 см.
У штабелях весняно-літньої
закладки в результаті протікання аеробного компостування протягом перших 15–20
діб відбувається саморозігрів штабеля до 60–70°С; потім
протягом 2–4 місяців температура тримається на рівні 40–45° С, а надалі
знижується до 30–35 С. Через
10 місяців "горіння" температура встановлюється на рівні 14–18°С і
тримається до наступної весни.
Рекомендована тривалість
компостування ТБО в штабелях – від 12 до 18 місяців. При регулярному
перелопачуванні та зволоженні штабелів строк може бути суттєво зменшений.
У процесі компостування інтенсивно знижується вологість відходів. Для забезпечення
активізації процесу поряд з перелопачуванням і примусовою аерацією матеріал
слід зволожувати. Отриманий компост очищається від баластових фракцій – скла,
каменів, металу з використанням установки для механізованого сортування.
Установка для механізованого сортування містить магнітний сепаратор, віброгуркіт
і транспортери.
Іншим варіантом технології
польового компостування є попереднє дроблення ТПВ перед укладанням у
штабелі здійснюване за допомогою молоткових дробарок. У цьому випадку вихід
компосту збільшується, а кількість відходів знижується. Більш досконала
технологія польового компостування здійснюється на спеціальних секційних
майданчиках з водонепроникною основою (бетонні плити), обладнаних грейферним
краном, який здійснює утворення та перелопачування штабелів. На майданчиках є
дробильно-сортувальне відділення, обладнане прийомним бункером з пластинчастим
живильником, магнітним сепаратором для відбору металобрухту, системою
стрічкових транспортерів, циліндричним гуркотом, дробаркою для компосту. Для
аерації ТПВ у штабелях прокладають перфоровані повітроводи, з'єднані з
вентилятором. Майданчика містять також системи поливу та пожежогасіння.
Для ліквідації крупного відсіву
баластових фракцій майданчика можуть містити сміттєспалювальні або піролізні
установки невеликої потужності. При їх відсутності баласт вивозиться на
полігон. Для невеликих міст ( до 200 тис. жителів) такі майданчики
компостування є реальною альтернативою полігонам ТПВ.
Компостування в максимальній мірі
відповідає природному кругообігу речовин, забезпечуючи знешкодження та
утилізацію ТПВ.
Санітарне знешкодження ТПВ при
компостуванні відбувається в результаті їх нагрівання, яке забезпечується
життєдіяльністю різних мікроорганізмів.
Перспективно спільне
компостування ТБО та осаду стічних вод (ОСВ). Осади
стічних вод є великотоннажним відходом, що утворюються при біологічнім очищенні
стічних вод. Утилізація й знешкодження ОСВ є складною екологічною проблемою
Вдобрювальні властивості висушеної та прокомпостируваних осадів вище, ніж
компосту із ТПВ. З іншого боку, застосування осадів лімітується вмістом у них
сполучень важких металів (кадмії, свинець, ртуть та ін.), особливо для ОСВ
великих промислових міст.
Компости з ОСВ
успішно застосовується в якості добрив. При спільнім компостуванні ТПВ та ОСВ
вдається поліпшити структуру та товарний вид компосту, підвищити зміст у ньому
живильних речовин. Для спільної переробки доцільно використовувати механічно
зневоднені осади вологістю 70 – 80%. Суміш ТПВ та ОСВ повинна мати вологість не
більш 60%. Враховуючи, що необезводнені
ОСВ мають високу вологість (-97%), доцільно використовувати їх для поливу
штабелів ТПВ в умовах польового компостування, компенсуючи втрату вологості в
поверхневих обсягах матеріалу. Важливою умовою спільного компостування ОСВ і
ТПВ є правильне дозування ОСВ, контроль вмісту сполучень важких металів у
компості відповідно до встановлених нормативів, контроль над правильним дозуванням
при внесенні компостів у ґрунт.
15.4. Сміттєпереробні
заводи
Основним завданням сміттєпереробних
заводів (СПЗ) є знешкодження ТПВ та переробка знешкоджених компонентів ТПВ для
подальшої утилізації.
Як правило, на СПЗ застосовують
аеробний метод знешкодження ТПВ (компостування), який може бути доповнений
наступними технологіями:
- вивіз частини ТПВ на полігони ( ліквідаційно-біологічний метод);
- спалювання частини ТПВ на
сміттєспалювальних заводах ССМ (ліквідаційно-термічний
метод);
- спалювання частини ТПВ на ССЗ з
використанням отриманого тепла (утилізаційно-термічний метод);
- термічна обробка ТПВ без доступу
повітря (піроліз) з утилізацією газів та інших продуктів піролізу (
утилізаційно-термічний метод).
При використанні вказаних вище
технологій на СПЗ можливе одержання наступних коштовних компонентів ТПВ: чорні
і кольорові метали, скло, пластмаси, сировина для картонних фабрик,
продукти піролізу, тепло та органічні добрива (компост).
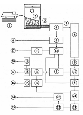
Принципова технологічна схема СПЗ
наведена на рис. 15.2.
Переробка ТПВ на СПЗ включає
наступні основні операції.
– Технологічна
підготовка ТПВ. Сміттєвози, які прибули на СПЗ зважуються та направляються в
прийомне відділення, що представляє собою закрите приміщення, обладнане:
– воротами з гумовими
ущільнювачами для захисту навколишнього середовища від пилу, мух, пацюків і
заходів; після розвантаження сміттєвозів ворота закриваються;
– прийомними бункерами (2–3
робочих, один резервний) для забезпечення безперервної подачі ТПВ в подальші
технологічні процеси при нерівномірнім розвантаженні сміттєвозів;
– мостовим краном із грейфером, що
забезпечують перевантаження ТПВ з бункера в бункер, а також видалення
негабаритних включень з бункерів;
- системами пожежегасіння
та освітлення;
- системою вологого порохоподавлення
та водопроводу для мийки та дезінфекції бункерів;
- системою примусової витяжної
вентиляції, що забезпечує негативний тиск у прийомному відділенні;
- рамами або постами під'їздів, що
забезпечують безпечне розвантаження сміттєвозів;
- системою безперервного видалення
ТПВ з робочих бункерів (пластинчасті живильники, установлені в днище бункерів),
що забезпечують безперервність подачі, ТПВ та дозування;
- системою видалення
великогабаритних фракцій, які не підлягають компостуванню (вироби розміром
більше 400мм з дерева, картону, пластмаси, гілки, текстиль і металобрухт).
Великогабаритні фракції ТПВ після сепарації на грохотах і витягу чорних металів
віддаляють на полігон або сміттєспалювальний завод, тому що більша частина
великих фракцій представлена виробами з дерева, картону й текстилю.

Рис.
15.2. Технологічна схема сміттєпереробного
заводу
1 – зважування сміттєвозів; 2 –
прийомне відділення; 3 – пластинчастий живильник; 4 – сепаратор великих (більш
400мм) фракцій ТПВ; 5 – сепаратор чорних металів; 6 – видалення великих фракцій
на ССЗ або полігон ТПВ; 7 – подача фракцій ТПВ дрібніше 400мм на біобарабани;
8 – біобарабани;
9 – сушіння компосту; 10 – сепаратор баласту; 11 – сепаратор кольорових
металів; 12 – бункер для чорних металів; 13 – прес для брикетування чорних
металів; 14 – бункер для кольорових металів; 15 – прес для брикетування
кольорових металів; 16 – вторчермет; 17 – вторцветмет;
19 – бункер скла; 20 – скляний завод; 21 – дробарки; 22 – сепаратор дробленої
плівки; 23 – бункер дробленої плівки; 24 – завод пластмас; 25 – штабелі
дозрівання компосту
Послідовність процесу:
– знезаражування
тпв
в біотермічних
барабанах.
– контрольне
сортування знезаражених тпв.
– вилучення
чорних металів.
– вилучення
кольорових металів
– вилучення
баластових включень, менших 250мм.
– вилучення
подрібненої плівки з компосту.
15.5.
Сміттєспалювальні заводи
Знешкодження ТПВ на
сміттєспалювальних заводах (ССЗ) одержало широкий розвиток у світовій практиці.
Такі країни, як Данія. Швейцарія і Японія спалюють близько 70% своїх ТБО;
Німеччина, Нідерланди й Франція – близько 40%. Потужності ССЗ у Європі й
Америці продовжують рости.
ССЗ займають порівняно невеликі
площі від 2 до 5га. Їх застосування виправдане в тих випадках, коли полігони
ТПВ розташовані на значнім видаленні від міста. Однак спалювання ТПВ зв'язане з
значними викидами в атмосферу й складністю їх очищення. При
низькотемпературному спалюванні ТПВ (нижче 1000°С) імовірність утворення
високотоксичних газів збільшується. Не вирішені питання використання шлаків, що
утворюються, і летучої золи, які є великотоннажними відходами. При спалюванні
утворюється 10-15% золошлаків від ваги
відходів, що потрапляють на ССЗ.
Розроблені різні технологічні
схеми ССЗ. В останні роки в ряді країн ідуть інтенсивні промислові дослідження
в напрямку термічної переробки ТПВ нагріванням без доступу повітря до
температур 500–600°С (низькотемпературний піроліз) і вище 1100°С
(високотемпературний піроліз).
Створені дослідні та
дослідно-промислові установки різної продуктивності.
Відомі три типи установок з
піролізу ТПВ: горизонтальні (барабанного типу), вертикальні (шахтного типу) і
змішані. Наприклад, на заводі по переробці ТПВ у Санкт-Петербурзі створена та
успішно експлуатується установка барабанного типу з піролізу некомпостуємих
ТПВ продуктивністю 30 тис. т відходів у рік. Установка складається з двох
обертових барабанів – сушильного та піролізного.
Сушильний барабан розташован над піролізним.
Кожний барабан має топку.
Некомпостовані ТПВ надходять через завантажувальний пристрій у сушильний
барабан.
При обертанні відходи просуваються
до кінця барабана та одночасно просушуються (температура ТПВ на виході –
150°С). Через пересипне обладнання відходи надходять у піролізний
барабан, де здійснюється їх пряме нагрівання до 500–600°С. Димові гази в
сушильному барабані рухаються прямотоком по
відношенню до ТПВ, у піролізном –
протитечією. Гази, що утворюються в сушильному барабані, які утримують воду,
через систему очисних обладнань викидаються в атмосферу. Гази, що утворюються у
піролізному
барабані, подаються в сушильний барабан і спалюються, виконуючи роль
додаткового палива.

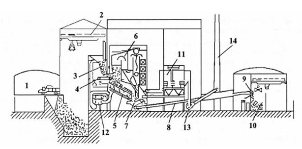
Рис.
15.3. Технологічна схема сміттєспалювального заводу
1 – прийомне відділення з бункером
для приймання ТПВ; 2 – мостовий кран із грейфером; 3 – прийомний бункер
котлоагрегату; 4 – живильник топлення; 5 – колосникові ґрати
сміттєспалювального агрегату з топковим обладнанням; 6 – казан-утилізатор пари;
7 – гасильна ванна зі скребковим обладнанням для видалення шлаків; 8 –
жужільний конвеєр; 9 – електромагнітний сепаратор для витягу чорних металів; 10
– заводська система тимчасового складування й видалення шлаків; 11 – система
фільтрів і циклонів для очищення газів; 12 – тягодутьевое
обладнання з вентиляторами для подачі повітря; 13 – димосос; 14 – димар
Перед подачею в сушильний барабан піролізні
гази проходять мокре очищення, у процесі якого видділяється
смола та утворюється підсмольна вода.
Твердий вуглецевий залишок з піролізного барабана
надходить у пристрій для охолодження, а потім у дробильно-фасувальне
відділення. Піролізна установка працює в комплексі
із заводом, який перероблює ТПВ у компост. При цьому частина відходів (-30%) не
компостуються (гуми, шкіри, текстиль та ін.) і обробка їх у піролізній
установці дозволяє в максимальній ступені вирішувати завдання безвідхідної
технології переробки ТПВ.
До недоліків існуючих піролізних
установок слід віднести малу продуктивність, недосконалу систему очищення
газоподібних продуктів, а також нерозв'язаність питань повної утилізації
продуктів піроліза.
Контрольні
запитання
1. Які ви
знаєте схеми знезаражування, переробки, утилізації й захоронення ТПВ?
2. Охарактеризуйте полігони твердих побутових відходів.
3. Як відбувається захист від забруднення ґрунтів
і ґрунтових вод?
4. Як відбувається захист від забруднення ґрунтів
і повітряного басейну?
5. Як відбувається захист поверхневих водних
об'єктів від забруднення зливовими й поталими водами, що стікають з території полігона обмеженої
лісосмугою?
6. Термін
служби полігона.
7. Охарактеризуйте
полігон висотного типу.
8. Охарактеризуйте
полігони траншейного типу створюються
на плоских ділянках.
9. За якою
схемою вирівнювання здійснюють складування ТПВ в кар'єрах?
10. Охарактеризуйте польове компостування.
11. Основні завданням сміттєпереробних
заводів (СПЗ).
12. Охарактеризуйте сміттєпереробні заводи.
13. Які
основні операції включає переробка ТПВ на СПЗ?
14. Охарактеризуйте
сміттєспалювальні
заводи.