10. Вимірювання опору
Активні
опори твердих провідників звичайно вимірюють при постійному струмі,
провідників, які мають високу вологість – при змінному.
Найчастіше
вимірювання здійснюють непрямим методом,
за допомогою амперметра і вольтметра (особливо при вимірюванні опорів
обмоток потужних електричних машин). Похибка залежить від похибок приладів і
схеми їх вмикання і лежить в межах 1..5%.

Cхема а):
,
- великі опори,
Схема б):
,
- для малих опорів
На
основі цього методу заснована дія омметрів
– приладів для вимірювання активного опору.

Прилади
для вимірювання опорів до 1кОм мають паралельну схему вмикання (б) і пряму
шкалу; прилади для опорів порядку кількох тис. Ом
виконуються по послідовній схемі (рис а) і мають зворотню
шкалу. При вмиканні джерела живлення струм в колі:
, де Е- ЕРС джерела,
- вимірюваний опір,
- обмежуючий опір,
- внутрішній опір
джерела живлення і приладу. Оскільки значення
постійні, то значення
струму залежить від
, і шкалу приладу можна проградуювати в одиницях опору.
Оскільки величина ЕРС живлення може змінюватись з часом, в приладі передбачено
магнітний шунт, що регулює чутливість приладу, змінюючи магнітну індукцію в
зазорі МЕ ВМ. Перед вимірюванням натискають кнопку SA, шунтуючи
вимірюваний опір, і за допомогою магнітного шунта встановлюють стрілку на
контрольну відмітку. Відпускають кнопку і вмикають вимірюваний опір, значення
якого знімають по шкалі.
В
омметрах послідовної схеми при вимірюванні великих опорів через рамку буде
проходити малий струм, тому для встановлення стрілки на нуль застосовують
потенціометр, закорочуючи
.
Для
вимірювань в діапазоні 10-5..109 Ом
використовують магнітоелектричні омметри та мегомметри, при 1014..1015
Ом – електронні мегомметри (на основі МЕ
логометричних ВМ, в яких послідовно до однієї рамки вмикають зразковий опір, до
другої, рухомої - вимірюваний) та тераомметри,
похибка вимірювання 5-10%.
При вимірюванні малих опорів треба звернути
увагу на усунення впливу опорів з’єднувальних провідників та контактів. При
великих – опорів ізоляції.
Для
точних вимірювань використовується мостовий метод (на ньому заснований принцип
дії цифрових приладів).
Прилади порівняння. Вимірювальні мости
Вимірювання
мостовим методом засноване на використанні диференціального (різницевого)
методу вимірювань.
Схема
одинарного моста
Вимірюваний
опір Rх вмикають в одне з плеч моста, діагоналі якого
підключають до джерела живлення і нуль-індикатора (гальванометр, мікроамперметр з нулем посередині шкали). Плечі R4 і R3
виконують у вигляді магазинів опорів, за допомогою R3 встановлюють ряд значень
відношення R3/R2 (звичайно кратні 10) а за допомогою підбору R4 врівноважують
міст (зрівноважений міст).
Умова рівноваги моста (Iг=0
або UAB=0): R 1R3= 2R R4, тоді значення невідомого опору: Rх= R1= R4 R2/ R3.
Відлік вимірюваного опору здійснюють по значенню встановленому ручками
магазинів опорів.
Незрівноважені
мости вимірюють величину відхилення опору від номінального Rн,
залежно від струму чи напруги в діагоналі індикації і використовуються для
визначення відхилення Rх від Rн
в відсотках.
Діапазон
вимірювання моста 10-3…108 Ом.
Для
вимірювання опорів в діапазоні від 100 до 10-7 .. 10-8 застосовують подвійні (шестиплечі) мости постійного
струму.
Умова
зрівноваження моста за 1 з-ном Кіргофа:
,
при
d=о, тоді
.
Отже
опори плеч R1 R4 а також R 2 R3
вибираються попарно зрівноваженими. Такий метод дозволяє вимірювати опори при
великому струмовом у навантаженні.


Схема
подвійного моста
Автоматичний міст
Автоматичні мости постійного струму –
зрівноваження відбувається автоматично. Підсилена напруга надходить до керуючої
обмотки реверсивного двигуна РД, ротор якого пов'язаний з повзунком реохорда і
покажчиком приладу. Ротор буде обертатись, доки не наступить рівновага моста і
напруга розбалансу =0.
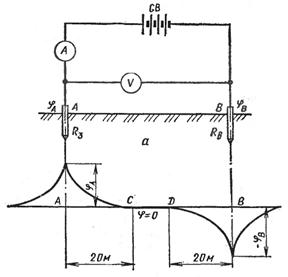
Вимірювання опору заземлення (0,4 Ом)
Заземленню
підлягаютьвсі металеві корпуси електрообладнання,
короби, металеві корпуси кабелів, труби водопроводу і каналізації. Опір
заземлюючих провідників не повинен перевищувати 0,05 Ом.
Вимірювання проводиться від електрообладнання до контура
заземлення (шина заземлення).
Принцип вимірювання розглянемо на методі амперметра
і вольтметра.
Якщо
зібрати коло (рис а): джерело живлення, амперметр, головний заземлювач А,
земля, допоміжний заземлювач В або електрод, джерело, то, вимірявши струм і
напругу в мережі, отримаємо:
, якщо електроди однакові, то
або
, де
Е – ЕРС
джерела,
- потенціали точок А і
В.
З
рисунка видно, що потенціал землі на відстані 20 м від заземлення практично =
0, отже. Якщо в цьому місці встановити ще один допоміжний електрод (зонд) і
виміряти електростатичним вольтметром напругу між точкою А і зондом С, то
значення опору:
.



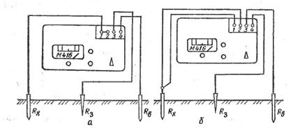
На рис
б) схема вимірювача заземлення МС-0,8. Один кінець джерела живлення підключений
до однієї з котушок логометра і далі до головного електроду (заземлювачу).
Струм в цій котушці пропорційний струму заземлення. В коло другої котушки
ввімкнені додатковий опір і зонд. Струм в катушці
пропорційний напрузі між головним електродом і зондом. Тоді кут відхилення
стрілки приладу пропорційний вимірюваному опору заземлювача.
Прилад М416:
на панелі має 4 клеми. Для грубих вимірювань затискачі 1 і 2 зєднують перемичкою.
Для
вимірювання опору заземлення і опору ізоляції використовують мегометри.
Прилад містить джерело живлення (генератор постійного струму з паралельним
збудженням і ручним приводом). Кут відхилення стрілки залежить лише від
відношення струмів в рамках і не залежить від поданої напруги. Послідовно з
однією рамкою вмикають зразковий опір, а до іншої – вимірюваний. Прилад має
кілька границь вимірювання. Перед вимірюванням слід переконатись, що
досліджуване коло не знаходиться під напругою.
Для
вимірювання опору ізоляції слід відімкнути все електрообладнання. Заміри опорів
ізоляції здійснюються між фазними провідниками (А-В, В-С, С-А), між фазними і
нейтральними провідниками (А-N, В- N, С- N), між фазними провідниками і землею,
між нейтральним провідником і землею. Вимірювання ізоляції здійснюється від
найбільш дальньої точки вимірювальної лінії до автоматичного вимикача.
Допустимий опір ізоляції не повинен бути меншим 0,5 Мом.
Для вимірювання повного опору по змінному
струму використовують метод трьох приладів:
амперметра, вольтметра і ватметра.

Тоді
значення повного опору визначається:
.