4.1. План траси та
поздовжній профіль дороги
Повздовжню вісь автомобільної дороги, прокладеної на
поверхні землі, називають трасою.
Проекція траси на горизонтальну площину є планом траси.
Повздовжнім профілем дороги називають розріз земельного
полотна вертикальною площиною, проведеною через вісь дороги.
Трасу при проектуванні задають двома (початковим і
кінцевим), а також проміжними пунктами (основні опорні точки), через які
повинна пройти дорога. Найменшою відстанню між двома заданими точками є пряма
лінія.
Трасу автомобільної
дороги слід проектувати як плавну лінію у просторі з ув'язкою елементів плану,
поздовжнього та поперечного профілів між собою, з навколишнім ландшафтом і з
оцінкою їх впливу на умови руху та зорове сприйняття дороги.
Проектування плану і
поздовжнього профілю автомобільної дороги слід виконувати виходячи з
інтенсивності руху, умови забезпечення безпеки та комфортності руху
транспортних засобів з урахуванням можливості реконструкції дороги за межею
термінів перспективного розрахункового періоду.
Для елементів плану та поздовжнього
профілю основні параметри слід призначати такими:
-
поздовжні
похили до 30 %;
-
відстань
видимості за умови зупинки транспортного засобу перед перешкодою – не
менше ніж
-
радіуси
кривих у плані – понад
-
радіуси
опуклих кривих у поздовжньому профілі – понад
-
радіуси
увігнутих кривих у поздовжньому профілі – понад
-
довжину
опуклих кривих у поздовжньому профілі – понад
-
довжину
увігнутих кривих у поздовжньому профілі – понад
Якщо за умовами рельєфу
та іншими місцевими умовами неможливо виконати наведені вимоги або виконання їх
пов'язане зі значними обсягами робіт і вартістю будівництва, при проектуванні
доріг допускається знижувати нормативні параметри до гранично допустимих,
визначених відповідно до розрахункових швидкостей згідно з таблицею 4.1.
Таблиця 4.1.
Параметри елементів плану і поздовжнього
профілю, що залежать від розрахункової швидкості
|
Найменування елементів |
Параметри залежно від розрахункових швидкостей,
км/год |
|||||||||
|
150 |
140 |
120 |
110 |
100 |
90 |
80 |
60 |
50 |
30 |
|
|
Найбільший
поздовжній похил, %. |
30 |
35 |
40 |
45 |
50 |
55 |
60 |
70 |
80 |
100 |
|
Найменший радіус
кривої у плані, м |
1200 |
1100 |
800 |
700 |
600 |
450 |
300 |
150 |
100 |
30 |
|
Найменший радіус
кривої у поздовжньому профілі, м; |
|
|
|
|
|
|
|
|
|
|
|
- опуклої; |
30000 |
25000 |
15000 |
12500 |
10000 |
7500 |
5000 |
2500 |
1500 |
600 |
|
- увігнутої |
8000 |
7000 |
5000 |
4000 |
3000 |
2500 |
2000 |
1500 |
1200 |
600 |
|
Найменша
відстань видимості, м: |
|
|
|
|
|
|
|
|
|
|
|
- для зупинки
автомобіля; |
300 |
300 |
250 |
225 |
200 |
175 |
150 |
85 |
75 |
45 |
|
- зустрічного
автомобіля |
- |
- |
450 |
400 |
350 |
300 |
250 |
170 |
130 |
90 |
Найбільші поздовжні
похили на кривих у плані радіусами
Таблиця 4.2.
Зменшення поздовжніх похилів
автомобільних доріг на кривих у плані
|
Радіус кривої у плані, м |
50 |
45 |
40 |
35 |
30 |
|
Зменшення
найбільших поздовжніх похилів проти наведених у
таблиці 5.6, не менше, ‰ |
10 |
15 |
20 |
25 |
30 |
При проектуванні доріг
I-а і І-б категорій на самостійному земляному полотні для різних напрямків руху
у гірській і горбистій місцевості поздовжні похили для спуску можна збільшувати
у порівнянні з похилами на підйом, але не більше ніж
на 20 ‰.
При проектуванні ділянок
доріг у гірській місцевості на підходах до тунелів найбільший поздовжній похил
не повинен перевищувати 45 ‰ на відстані
На ділянках доріг у
гірській місцевості допускаються затяжні похили понад 60 ‰ з обов'язковим
влаштуванням майданчиків для зупинки транспортних засобів на відстані не більше
довжини ділянок, наведених у таблиці 4.3.
Таблиця
4.3.
Довжина ділянок із затяжним
похилом у гірських умовах
|
Поздовжній похил, ‰ |
Довжина ділянки, м |
|
60 |
2200 |
|
70 |
1900 |
|
80 |
1600 |
|
90 |
1200 |
Примітка. При проміжних значеннях
поздовжніх похилів довжину ділянок із затяжними похилами необхідно інтерполювати
Розміри майданчиків для зупинки
автомобілів визначаються розрахунком, але вони повинні вміщувати не менше трьох
автопоїздів завдовжки
На затяжних спусках з похилом понад 60 ‰
необхідно передбачати влаштування уловлювальних з'їздів.
Відстані між уловлювальними з'їздами та їх
довжину необхідно визначати залежно від величини похилу ділянки дороги, рельєфу
місцевості та інтенсивності руху транспортних засобів.
Ділянки прямих і кривих у плані при
радіусі кривої у плані
Таблиця
4.4.
Найменші довжини перехідних кривих у метрах
|
Радіус колової
кривої |
30 |
50 |
60 |
80 |
100 |
150 |
200 |
250 |
300 |
400 |
500 |
600-1000 |
1000-2000 |
|
Довжина
перехідної кривої |
30 |
35 |
40 |
45 |
50 |
60 |
70 |
80 |
90 |
100 |
110 |
120 |
100 |
Криві у плані і
поздовжньому профілі доцільно суміщати. При цьому криві у плані повинні бути на
100 –
Слід уникати сполучення кінців кривих у
плані з початком кривих у поздовжньому профілі. Відстань між ними
рекомендується приймати від
При малих кутах повороту
дороги у плані рекомендується застосовувати радіуси колових кривих згідно з
таблицею 4.5.
Таблиця 4.5.
Радіуси
горизонтальних кривих при малих кутах повороту
|
Кут повороту, град |
1 |
2 |
3 |
4 |
5 |
6 |
7 |
|
Найменший радіус колової кривої, м |
30000 |
20000 |
10000 |
6000 |
500 |
3000 |
2500 |
Якщо крива у плані
розташована в кінці спуску понад 30 ‰ та довжиною більше
Не рекомендується коротка
пряма вставка між двома кривими у плані, які спрямовані в один бік. При довжині
її менше
Максимальну довжину прямих
вставок у поздовжньому профілі необхідно обмежувати залежно від алгебраїчної
різниці поздовжніх похилів та радіусів увігнутих
кривих, наведених у таблиці 4.6.
Таблиця 4.6.
Максимальна довжина прямих вставок у
поздовжньому профілі
|
Радіус
увігнутої кривої у поздовжньому профілі, м |
Найбільша довжина прямої вставки у поздовжньому
профілі (при алгебраїчній різниці поздовжніх похилів,
‰), м |
||||||
|
20 |
30 |
40 |
50 |
60 |
80 |
100 |
|
|
Для доріг
I-а, I-6 та II категорій |
|||||||
|
4000 |
150 |
100 |
50 |
- |
- |
- |
- |
|
8000 |
360 |
250 |
200 |
170 |
140 |
110 |
- |
|
1200 |
680 |
500 |
400 |
350 |
250 |
200 |
- |
|
20000 |
- |
- |
850 |
700 |
600 |
550 |
- |
|
25000 |
- |
- |
- |
- |
900 |
800 |
- |
|
Для доріг
III та IV категорій |
|||||||
|
2000 |
120 |
100 |
50 |
- |
- |
- |
- |
|
6000 |
550 |
440 |
320 |
220 |
140 |
60 |
- |
|
1000 |
- |
- |
680 |
660 |
420 |
300 |
200 |
|
15000 |
- |
- |
- |
- |
- |
800 |
600 |
4.2.
Елементи поперечного профілю
Міська магістральна вулиця забезпечує
рух пішоходів, транзитних та місцевих автомобілів громадського пасажирського
транспорту. Крім цього, по червоних лініях вулиці розташовані будівлі, в яких
живуть і працюють люди. Все це вимагає розміщення у поперечному перерізі вулиці
ряду планувальних елементів, кожен з яких повинен виконувати певну функцію.
Ширина вулиці в червоних лініях визначається
її категорією і функціональним призначенням та встановлюється розрахунком в
залежності від інтенсивності руху пішоходів та міських транспортних засобів.
Ширину технічних, розділювальних смуг, а
також смуг озеленення приймають відповідно до діючих нормативів з урахуванням
рельєфу місцевості, вимог безпеки руху та захисту навколишнього середовища.
Таблиця 4.7.
Рекомендована ширина вулиць в червоних
лініях
|
Категорія вулиці |
Ширина вулиці в червоних
лініях, м |
|
Міські магістральні дороги швидкісного руху |
75 |
|
Магістральні вулиці: |
|
|
загальноміського значення
безперервного руху |
80 |
|
теж, регульованого руху |
60 |
|
районного значення |
40 |
|
Вулиці та дороги місцевого
значення: |
|
|
вулиці в житловій
(багатоповерховій) забудові |
25 |
|
теж, одноповерхова забудова |
15 |
|
промислові дороги і вулиці |
15-25 |
|
паркові дороги |
15 |
Ширина магістральних вулиць і доріг у
червоних лініях може бути збільшена для прокладання інженерних мереж на окремій
(технічній) смузі, а також для ліній позавуличного
підземного транспорту мілкого закладення в містах з населенням більше 1 млн. чол.
Ці значення ширини вулиць достатні для
розміщення всіх планувальних елементів лише при організації руху на
пересіченнях в одному рівні. Для розміщення повних транспортних розв'язок
потрібна велика ширина - до

Рис. 4.1. Поперечний профіль міжміської магістральної вулиці
(розміри всіх елементів в метрах): а - безперервного руху; б - регульованого руху;
1 - основна проїзна
частина; 2 – бокові (місцеві) проїзди; 3 - крайові смуги; 4 - тротуари; 5- смуги озеленення;
розділювальні смуги; 6 - пішохідні огорожі; Т - телефонні кабелі; В - водопровід; В-К – водопровід і
каналізація; К - каналізація; КЗ – кабелі зв’язку; КО - кабелі освітлення ; ГНТ - газопровід низького тиску; ГСТ - газопровід середнього тиску; ККТ - колектор електричних і телефонних
кабелів.
Основна проїзна частина вулиці
загальноміського значення призначена для транспортного потоку, головним чином
транзитного, у відношенні до даної вулиці. Проїзні частини, кожна з яких
повинна мати 3 - 4 смуги руху,
розділені центральною розділювальною смугою. Права кромка проїзної частини
відокремлена від бортового каменю крайньою запобіжною смугою (
Для організації руху пасажирського
транспорту та місцевого руху на загальноміських магістральних вулицях
влаштовують додаткові проїзди. Якщо на них виведено рух громадського
транспорту, вони називаються бічними проїздами і повинні мати не менше трьох
смуг руху в кожному напрямку. Якщо на ці смуги виведено тільки місцевий рух,
вони називаються місцевими проїздами. Їх проїзна частина повинна мати не більше
двох смуг руху.
Основна проїзна частина від бічних
(місцевих) проїздів розділяється розділювальною смугою. Ця смуга в залежності
від її ширини може виконувати функцію озеленення вулиці (при ширині
Тротуар призначений для руху пішоходів.
Ширина його визначається інтенсивністю руху пішоходів та планувальним рішенням
зупинок пасажирського транспорту. Норми на проектування міських вулиць
дозволяють влаштування смуг озеленення, які поділяють тротуар і місцевий
проїзд. Проте досвід експлуатації міських вулиць показує, що такі смуги дуже
незручні: вони заважають виходу із зупиненого автомобіля, підходу до нього, зелень
на них витоптується, відкритий грунт
під час дощу розмокає і забруднює проїзну частину і тротуар, в суху погоду
пилить. Замість такої смуги рекомендується однорядна посадка дерев з укладанням
в проміжках між ними дорожнього одягу на всю ширину тротуару.
Підземні мережі, до яких відносять
кабелі та трубопроводи різного призначення, розташовують під елементами
поперечного профілю, де допускається розриття
в разі необхідності перекладки цих мереж. Потужність інженерних мереж залежить
від рівня благоустрою та інженерного обладнання міської території. Підземні
мережі, особливо на магістральних вулицях, слід розташовувати на спеціальних
смугах (технічних). За рахунок цього не тільки полегшується їх експлуатація,
але і підвищується безпека руху.
Щогли освітлення та дорожні огорожі
розташовують на розділювальних смугах або смугах озеленення.
За наявності трамвайного руху земляне
полотно з трамвайними шляхами розташовують у межах поперечного профілю вулиць
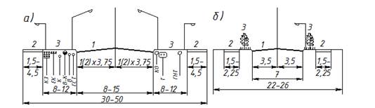
найчастіше за рахунок одного з місцевих проїздів (рис. 4.2).

Рис. 4.2. Поперечний профіль міжміської
магістральної вулиці з трамвайними шляхами: ЕК - електричний кабель освітлення.

Рис. 4.3. Поперечний профіль районної
магістральної вулиці: а - без трамвайних шляхів; б
- з трамвайними шляхами; 1
- основна проїзна
частина; 2 - тротуари; 3 - смуги озеленення.
Ширину смуги для розташування трамвайних
колій приймають: двоколійного відокремленого полотна з урахуванням розміщення
посадочних майданчиків не менше
Районні магістральні вулиці мають малу
інтенсивність транзитного руху, тому виділяти для нього окрему проїзну частину
не має сенсу (рис. 4.3). Усі транспортні засоби рухаються однією проїзною
частиною, число смуг руху на якій залежно від інтенсивності руху складає 2 - 4 в одному напрямку.
Розділювальна смуга на районних
магістральних вулицях влаштовується тільки при числі смуг руху в одному
напрямку чотири і більше. Цю смугу можна влаштовувати в одному рівні з проїзною
частиною і виділяти тільки розміткою.
Розділювальні смуги, що відокремлюють
тротуар від проїзної частини на районних магістральних вулицях, повинні бути
широкими, оскільки всі інженерні мережі повинні розташовуватися під ними.
Перенесення підземних мереж під проїзну частину або під тротуар недопустимо,
так як при першій аварії та ремонті мереж рух по вулиці через розриття стане неможливим. Мінімальна
ширина смуг озеленення повинна бути достатньою (не менше
Вулиці переважно вантажного руху мають
поперечний профіль такий же, як і магістральні вулиці районного значення.
Особливого значення набувають зелені насадження. На таких вулицях вони повинні
бути багаторядними, оскільки не тільки очищають повітряний басейн вулиці, а й
служать протишумовими бар'єром. Поперечні профілі міських доріг вантажного
руху, що прокладаються на територіях поза забудови (рис. 4.4, а) і з нежитловою
забудовою (рис. 4.4, б), мають проїзну частину з потужним дорожнім одягом і
числом смуг руху не менше двох у кожному напрямку. Розділювальна смуга для
таких доріг обов'язкова, бажане встановлення на них огороджень, розрахованих на
утримання вантажного автомобіля. Інженерні мережі та водостік розташовують під
смугами озеленення з одного боку вулиці. Бажано об'єднувати ці мережі спільною
прокладкою в одному колекторі. Це полегшує їх експлуатацію і ремонт.
Поперечні профілі вулиць місцевого
значення мають основну проїзну частину та тротуари. Число смуг руху залежить
від наявності пасажирського транспорту, але має бути не менше двох у кожному
напрямку (рис. 4.5).

Рис. 4.4. Поперечний профіль дороги вантажного руху: а - поза забудовою; б - в забудові; 1 - проїзна частина; 2 - тротуари; 3 - смуги озеленення; 4 - центральна розділювальна смуга.

Рис. 4.5. Поперечний профіль вулиць місцевого руху: а - в промислових і складських зонах; б - в межах житлової забудови; 1 - проїзна частина; 2 - тротуари; 3 - газони (технічні
смуги).
Між тротуаром і проїзною частиною
розташовують технічну зону, в межах якої розміщують всі інженерні мережі.
На житлових вулицях та проїздах
постійний рух транспортних засобів відсутній, тому проїзна частина на них
повинна забезпечувати тільки під'їзд автомобілів до будинків (рис. 4.6). Для
цього достатньо двох смуг руху. Якщо ці вулиці і проїзди розглядати як можливі
площі для зберігання автомобілів, що належать жителям цієї вулиці, ширина
проїзної частини повинна бути більшою і забезпечувати дворядний рух при
зайнятих стоянкових смугах.
При реконструкції вулично-дорожньої
мережі через недостатню ширину вулиць у червоних лініях не завжди буває
можливим розташувати на них всі планувальні елементи, передбачені
функціональним призначенням вулиці.
У цьому випадку необхідно забезпечувати
мінімальні розміри планувальних елементів у наступному порядку: тротуари,
проїжджа частина, центральна розділювальна смуга, смуги озеленення.

Рис. 4.6. Поперечний профіль вулиць і
проїздів: а - житлові вулиці; б - проїзди; 1 - проїзна частина; 2 - тротуари; 3 - газони.
4.3. Ширина смуги руху
Для забезпечення зручного та безпечного
руху ширина смуги проїзної частини повинна забезпечувати вільний роз'їзд із
зустрічними автомобілями або випередження попутних автомобілів. Вимоги до
ширини смуги руху на двосмугових
і багатосмугових проїзних
частинах неоднакові.
На вулицях і дорогах з двома смугами
руху водій повинен так розташовувати свій автомобіль на проїзній частині, щоб
був забезпечений достатній зазор у до кромки проїзної частини, що виключає
з'їзд автомобіля на узбіччя або удар у бортовий камінь і витриманий зазор х до
краю смуги руху. Це дозволить забезпечити зазор безпеки до зустрічного
автомобіля, а при багатосмуговому
русі - зазор D (рис. 4.7).
Крім того, ці зазори забезпечують
психологічну впевненість водія в безпеці руху, вони дозволяють компенсувати
бічні переміщення автомобіля, викликані нерівностями
проїзної частини, аеродинамічними силами. З ростом швидкості руху необхідні
зазори збільшуються.
Зазори х і у для двосмугової проїзної частини розраховують за
емпіричними формулами. Найбільшого поширення набула формула, що представляє
лінійну залежність зазорів від швидкості руху: х=0,3+0,05ʋ; у=0,5+0,05ʋ
. Якщо по кромці проїзної частини встановлений бортовий камінь, зазор у
збільшують. Це збільшення тим більше, чим вище бортовий камінь. При висоті
каменю до
у=0,35+0,2
. (4.1)
Якщо права смуга примикає до тротуару,
то близькість пішоходів змушує водіїв збільшувати зазор у тим більше, чим вище
інтенсивність пішохідного руху. Вплив пішоходів на зазор у можна усунути
дорожніми огородженнями. Для міських вулиць до зазору від колеса автомобіля до
бортового каменю (упр), що
відокремлює тротуар від проїзної частини, додають не менше
Ширина смуги руху з урахуванням х і у:
П=А+х+у,
де А - ширина кузова автомобіля, м.
Розрахункова ширина кузова приймається:
для легкового автомобіля

Рис. 4.7. Схема для розрахунку ширини
смуги руху на двосмуговій
проїзній частині:
а - дорога; б - вулиця
Рис. 4.8. Схема для розрахунку ширини внутрішньої смуги руху на багатосмуговій проїзній частині
Ширину смуги руху багатосмугової проїзної частини слід розраховувати
за іншою схемою. Водій, перебуваючи на багатосмуговій
проїзній частині на внутрішніх смугах, змушений дотримуватися рядності руху, не
виходити за межі смуги руху і витримувати безпечні зазори до попутних
автомобілів, що рухаються праворуч і ліворуч (рис. 4.8). Більш складно водієві
контролювати зазор справа (Dп),
ніж зліва (Dл). Тому при
русі в транспортному потоці водії при випередженні транспортних засобів, що
рухаються сусідніми смугами, витримують праві зазори значно більшими, ніж ліві
(рис. 4.9). Швидкість транспортних потоків на міських магістралях змінюється у
відносно вузьких межах: 40-
Зазор безпеки між автомобілями (сума
зазору одного автомобіля та іншого) залежить від типу автомобіля. Найбільш чутливим
до зміни складу потоку є легковий автомобіль (рис. 4.10).

Рис. 4.9. Розподіл зазорів безпеки при випередженні легковим
автомобілем вантажного:
а - випередження праворуч
(Dп);
б - випередження ліворуч (Dл).
Рис. 4.10. Вплив складу потоку на зазор безпеки 2D між легковими автомобілями і:
1
- легковими; 2 - вантажними; 3 - вантажними особливо великої
вантажопідйомності.
Найбільший вплив на розташування
автомобілів на сусідніх смугах надають вантажні автомобілі особливо великої
вантажопідйомності. Це особливо важливо враховувати на міських магістралях зі
змішаним рухом. При проектуванні вулиць необхідно приймати і певну схему
організації руху, яка допускає рух вантажних автомобілів або спеціальними позавуличними дорогами, або
спеціальними смугами магістральних вулиць. В останньому випадку необхідно
вибрати для кожної смуги проїзної частини розрахунковий автомобіль.

Рис. 4.11. Вплив зазору безпеки 2D
на рівень напруги
водія Н: І - перевантаження; ІІ - оптимально; ІІІ - недовантаження.

Рис. 4.12. Схема розрахунку ширини внутрішніх смуг багатосмугових проїзних частин: а
- перешкода справа; б - перешкода зліва; в - перешкода з двох сторін
Статистика дорожньо-транспортних пригод показує, що
відносна аварійність на вулицях з багатосмуговою проїзною частиною залежить від ширини смуги
руху, числа смуг і складу руху. Вузька проїзна частина збільшує небезпеку
зіткнень автомобілів, занадто широка призводить до дезорганізації, порушення
рядності руху і зіткнення автомобілів під час маневрів змін смуг руху. Для
транспортного потоку, що складається з легкових автомобілів, найменша
аварійність спостерігається при ширині смуг руху (3,2+0,2) м, для потоку
вантажних автомобілів (3,7 + 0,3) м.
Вивчення напруженості роботи водіїв на
міських магістралях показало, що водій починає відчувати дискомфорт при русі по
смузі проїзної частини з шириною менше
Ширина смуги руху повинна бути
достатньою як мінімум при зміщенні автомобіля до лівого краю смуги для
створення зазору 2D, при якому забезпечується безпека і комфортабельність руху.
Це положення і визначає розрахункову схему вибору ширини внутрішньої смуги руху
багатосмугової проїзної
частини (рис. 4.12). З урахуванням того, що 2D= Dп+ Dл,
П=А+2D,
де 2D - розрахунковий зазор між автомобілями.
Розрахункове значення зазорів між
автомобілями 2D для внутрішніх смуг руху на багатосмуговій проїзній частині приймають залежно
від розрахункової пари автомобілів (табл. 4.8).
|
Пари автомобілів |
Значення зазорів |
|
Легковий-легковий |
0,9 |
|
Легковий-вантажний |
1,05 |
|
Легковий-вантажний
особливо великої вантажопідйомності |
1,15 |
|
Вантажний-вантажний |
1,1 |
Таблиця 4.8
Для швидкостей руху (60 ± 10) км/год на внутрішніх смугах багатосмугових міських магістралей достатня ширина
для руху легкових автомобілів
Ширину правої крайньої смуги багатосмугової проїзної частини
приймають залежно від схеми організації руху. Можливі три випадки: зупинки і
стоянки автомобілів на правій крайній смузі відсутні; зупинки і стоянки
автомобілів дозволені, наявні зупинки громадського пасажирського транспорту.
Для першої схеми ширину смуги руху
визначають з урахуванням забезпечення достатніх упр і D. Зазор упр визначають за формулою (4.3) з урахуванням
висоти бортового каменю, а D приймають рівним половині 2D при розрахункових
вантажних автомобілях. Повна ширина такої смуги: П1=А+Dл+упр.
При розрахунковій ширині вантажного автомобіля або автобуса
Друга розрахункова схема передбачає
спільну роботу смуги для руху і смуги для стоянки автомобілів. Ширину смуг для
стоянки при поздовжній розстановці транспортних засобів приймають для легкових
автомобілів
Зазор безпеки при проїзді повз стоячого
автомобіля (d) в 1,5-2,0 рази більше, ніж зазор 2D між попутно рухомими
автомобілями. За даними досліджень:
d =0,6+0,26ʋ (4.2)
Необхідна сумарна ширина смуги руху:
П1=Пcт+0,5+d+А+Dл , (4.3)
де Пcт - ширина смуги для
стоянки.
Для міських магістральних вулиць із розрахунковою
швидкістю організації руху (60 ±10) км/год сумарна
ширина цих смуг у залежності від ширини розрахункового автомобіля повинна бути
6,5 -
Третя розрахункова схема вимагає
збільшення ширини смуги для стоянки, оскільки на ній можуть перебувати не
тільки автобуси, а й пішоходи. Крім цього, для запобігання наїздів на пішоходів
слід передбачати зниження швидкості руху по крайній правій смузі. Сумарну
ширину цих двох смуг можна визначити за формулою (4.3).
Третя розрахункова схема для міських багатосмугових вулиць дуже
нераціональна. Громадський пасажирський транспорт краще вивести на бічні
проїзди, вивільнивши крайню праву смугу для безперервного руху. При відсутності
бічних проїздів підвищити безпеку руху та ефективність використання всієї
проїзної частини можна за рахунок пристрою спеціальних розширень для зупинок
громадського пасажирського транспорту.
Ширина крайньої лівої смуги, що примикає
до розділювальної смуги магістральної вулиці або до лівого тротуару на вулицях
з одностороннім рухом, повинна забезпечувати безпечну відстань між колесом і
бортовим каменем і зазор 2D / 2 до краю смуги з
урахуванням типу автомобіля, що рухається по сусідній смузі.
У міських умовах при швидкостях руху,
характерних для крайніх лівих смуг багатосмугової
проїзної частини, зазор ул мало залежить від швидкості руху автомобілів. Більш істотний
вплив роблять висота бортового каменю, а при розташуванні зліва тротуару або
бульвару - пішоходи. Зазор ул
в залежності від планування визначають за табл. 4.9.
Таблиця 4.9
|
Показник |
Зазор ул |
|
Розділююча смуга
обкладена скошеним і втопленим бортом |
1,3 |
|
Теж саме, з висотою борта до |
1,5 |
|
Теж саме, з висотою борта більше |
1,7 |
|
Примикання лівої смуги до тротуару чи
бульвару |
2,0 |
|
Теж саме за наявністю пішохідних
огороджень |
1,5 |
Зазор до правої межі смуги 2D/2 залежить
від типу автомобілів, рухомих по сусідній смузі. Якщо розрахунковий рух по цій
смузі легковий, 2D =
Дослідження показують, що на вулицях із багатосмуговою проїзною частиною крайня ліва смуга шириною
4.4.
Ширина проїзної частини
Ширина проїжджої частини вулиць повинна
забезпечувати транспортні потоки розрахункової інтенсивності. Необхідне число
смуг руху розраховують з урахуванням пропускної здатності однієї смуги при
обраній схеми організації руху та інтенсивності приведеного транспортного
потоку. В якості приведеного автомобіля в потоці беруть легковий автомобіль. Коефіцієнти приведення реальних автомобілів до
наведених вибирають з урахуванням вантажопідйомності автомобілів.
Значення коефіцієнтів багатосмуговості (Кп) слід приймати з урахуванням
очікуваного числа змін смуг руху. Значення, наведені в підрозділі 3.2,
відповідають кількістю змін на внутрішніх смугах руху 20-25%. При меншій
кількості таких маневрів коефіцієнт для внутрішніх смуг збільшується на 10-15%.
Необхідне число смуг руху:
n=N/(ZPKn) (4.4)
де N - приведена інтенсивність руху всього
транспортного потоку, що рухається по вулиці, авт / год; Z - розрахунковий рівень завантаження
вулиці рухом; P - розрахункова пропускна здатність однієї
смуги руху з урахуванням організації та умов руху на вулиці, авт/год;
Kn - коефіцієнт багатосмуговості, що враховує зниження пропускної
здатності багатосмугової
проїжджої частини.
Ширина проїжджої частини складається з
ширини окремих смуг руху, кожна з яких призначена для пропуску транспортного
потоку певного складу. Труднощі розрахунку ширини проїжджої частини міської
вулиці полягають у тому, що не завжди можна встановити заздалегідь
розрахунковий тип автомобіля для кожної смуги проїзної частини: схема
організації руху при експлуатації вулиці може змінюватися неодноразово.
Розрахункові автомобілі для крайніх смуг
встановлюють відповідно до Правил дорожнього руху: для крайньої лівої смуги - легкові; для крайньої правої - вантажний автомобіль або автобус.
Розрахунковий автомобіль для внутрішніх смуг вибирають залежно від складу
очікуваного по них руху. Рекомендовані розрахункові автомобілі, ширина смуг і всієї
проїжджої частини міської магістральної вулиці, розраховані за формулами (4.2) - (4.4), наведені в табл. 4.10 та 4.11.
Таблиця 4.10
|
Сумарна
інтенсивність руху в
одному напрямку, авт./год. |
Рекомендовані
розрахункові автомобілі на смузі руху |
||||
|
1 |
2 |
3 |
4 |
5 |
|
|
|
Вантажних
автомобілів не менше 30% |
||||
|
Менше
1200 |
В |
Л |
Л |
Л |
Л |
|
1200….1200 |
В |
В |
Л |
Л |
Л |
|
Більше
1200 |
В |
В |
В |
Л |
Л |
|
|
Вантажних
автомобілів більше 30% |
||||
|
Менше
1600 |
В |
В |
Л |
Л |
Л |
|
Більше
1600 |
В |
В |
В |
Л |
Л |
Примітка:
В - вантажні автомобілі; Л
- легкові автомобілі.
Залежно від складу і інтенсивності руху
необхідна ширина чотирисмугової
проїзної частини вулиці змінюється в межах 14...15 м. Надійність розрахунку
ширини проїзної частини визначатиметься надійністю прогнозу інтенсивності і
складу руху. При відсутності даних про склад майбутнього руху під час
проектування вулиці приймають ширину всіх смуг руху однаковою (табл. 4.11). Це
означає, що в якості розрахункового для всіх смуг руху приймають вантажний
автомобіль. Такий підхід дозволяє виключити при експлуатації вулиць ситуації
недостатності ширини проїжджої частини, але в більшості випадків призводить до
перевитрат коштів при будівництві та утриманні вулиць.
Проїзні частини вулиць, ширину яких
беруть згідно з даними табл. 4.11, рекомендується розділяти розміткою на смуги
руху відповідно за інтенсивністю і складом потоку (див. табл. 4.10). Звільнену
при цьому ширину проїзної частини рекомендується додавати до правої крайньої
смуги, якою рухається громадський пасажирський транспорт.
При призначенні ширини проїзної частини
вирішують задачу не тільки пропуску транспортного потоку розрахункової
інтенсивності руху, а й поділу його за складом і забезпечення руху
пасажирського транспорту. З цих умов для магістральних вулиць число смуг руху в
одному напрямку має бути не менше двох. Рух по одній смузі в кожному напрямку
допускається лише для вулиць і міських доріг місцевого значення без постійної
інтенсивності руху.
Таблиця 4.11
Рекомендована ширина смуг руху
|
Характеристика
дороги |
Частка
вантажних автомобілів в потоці, % |
Рекомендована
ширина (м) для смуги руху |
||||
|
1 |
2 |
3 |
4 |
загальна |
||
|
Двосмугова |
До 30 |
4,0 |
3,5 |
- |
- |
7,5 |
|
Більше 30 |
4,0 |
4,0 |
- |
- |
8,0 |
|
|
Трисмугова |
До 30 |
4,0 |
3,5 |
3,5 |
- |
11,0 |
|
Більше 30 |
4,0 |
4,0 |
3,5 |
- |
11,5 |
|
|
Чотирисмугова |
До 30 |
4,0 |
3,5 |
3,5 |
3,5 |
14,5 |
|
Більше 30 |
4,0 |
4,0 |
3,5 |
3,5 |
15,0 |
|
Для забезпечення руху всередині житлових
кварталів і під'їзду до будинків у зоні багатоповерхової забудови
передбачаються проїзди шириною не менше
Із двох сторін житлових будинків висотою
дев'ять поверхів і більше та громадських будівель заввишки п'ять поверхів і
більше необхідно передбачати проїзди (шириною не менше
Таблиця 4.12
Ширина смуг руху за категорією вулиць і доріг
|
Категорія
вулиць і доріг |
Найменше
число смуг руху |
Ширина,
м |
||
|
Однієї
смуги руху, м |
Крайові
смуги, м |
Розділюючі смуги, м |
||
|
Швидкісні дороги |
2х2 |
3,75 |
1,0 |
6,0 |
|
Магістральні вулиці: Загальноміського значення
безперервного руху Загальноміського значення
регульованого руху Районного значення |
2х2 |
3,5 |
0,75 |
4,0-6,0 |
|
2х2 |
3,5 |
- |
4,0-6,0 |
|
|
2х2 |
3,5 |
- |
- |
|
|
Дороги вантажного руху |
2х2 |
3,5 |
- |
- |
|
Вулиці і дороги місцевого значення |
1х2 |
3,0-3,5 |
- |
- |
|
Проїзди в важких умовах, вулиці в
старих частинах міста |
1х1 |
2,8 |
- |
- |
|
Бокові проїзди з рухом громадського
транспорту |
3 |
3,5 |
- |
- |
|
Місцеві проїзди |
2 |
3,0 |
- |
- |
При розрахунку ширини багатосмугової проїзної частини
магістральних вулиць слід брати до уваги схему організації руху та можливий
розподіл типів автомобілів по смугах. Транспортний потік бажано розподілити по
ширині проїзної частини так, щоб по кожній смузі рух був однорідним за складом.
Доцільно крайню праву смугу відвести для руху громадського транспорту та
вантажних автомобілів. При інтенсивності руху автобусів і тролейбусів більше
150 авт./год. цю смугу можна виділити тільки для руху
громадського транспорту, а для зупинок слід передбачити спеціальні майданчики з
перехідно-швидкісними смугами.
Внутрішні смуги залежно від
інтенсивності руху вантажних автомобілів можуть бути завантажені вантажним або
змішаним рухом. В цьому випадку розрахунковими автомобілями для визначення
ширини цих смуг будуть вантажні автомобілі. Четверта, п'ята, а за необхідністю
і шоста смуга, рахуючи від тротуару, повинні бути орієнтовані на пропуск
легкових автомобілів. Виняток становлять ділянки вулиць, де крайні ліві смуги
використовуються для організації лівоповоротного руху. На таких ділянках для
всіх смуг руху розрахунковим є вантажний автомобіль.
Число смуг руху, ширина кожної, а також
загальна ширина проїзної частини магістральної вулиці і міських доріг
вантажного руху можуть відрізнятися від нормативів діючих будівельних норм і
правил. Обґрунтуванням такої відмінності є розрахунки необхідного числа смуг
руху з урахуванням можливої пропускної здатності смуги і ширини проїзної
частини з урахуванням складу руху.
4.5. Ширина
розділювальних та спеціальних смуг на
міській магістральній вулиці
Для поділу транспортних потоків за
напрямками на міських вулицях влаштовують розділювальні смуги: для поділу
зустрічних потоків на основній проїзній частині - центральну розділювальну смугу; для відділення основної проїзної
частини від місцевого проїзду - смуги озеленення.
За високої інтенсивності і швидкості
руху центральна розділювальна смуга є необхідним планувальним елементом міської
магістралі. З її допомогою можна майже повністю виключити дорожньо-транспортні
пригоди з тяжкими наслідками, пов'язані з виїздом на смугу зустрічного руху.
Ефективність центральної розділювальної смуги залежить від її ширини. При
збільшенні ширини розділювальної смуги число переїздів через неї зменшується і
стабілізується при ширині
Для забезпечення безпеки руху корисна
центральна розділювальна смуга будь-якої ширини, але особливо ефективною вона
стає при ширині, достатній для повного запобігання виїзду автомобіля на
зустрічний напрям навіть при випадковому наїзді на неї. Це умова забезпечується
при ширині розділювальної смуги більше
Центральні розділювальні смуги за своєю
конструкцією діляться на три типи: вільно перетинаючі, перетинаючі
з перешкодами та неперетинаючі (рис. 4.13).


Рис. 4.13 Розділювальні смуги різної
ширини: а,б - вільно перетинаючі;
в,г,д - перетинаючі
з перешкодами; е - неперетинаючі.
Вільно перетинаючі смуги влаштовують в одному рівні з
проїзною частиною. Вони можуть мати тверде покриття і відкритий грунт. В останньому випадку ширина
їх повинна бути більше
Перетинаючі з перешкодами смуги
включають всі розділові смуги, підняті над проїзною частиною і обкладені
бортовим каменем. При висоті бортового каменю до
Неперетинаючі смуги відрізняються
тим, що на них встановлюються огорожі, які виключають переїзд автомобілів,
навіть тих, що рухаються з високою швидкістю і втратили управління. Ширина цих
смуг визначається конструкцією огорожі за умови, що відстань від краю смуги до
огорожі повинна бути не менше
Вибір типу розділювальної смуги
визначається місцевими умовами. Найбільш поширеними є смуги другої групи без
підвищеного бортового каменю.
Вибір типу покриття є серйозною
проблемою при проектуванні розділювальної смуги в місті. Найбільш бажаним є
створення її на поверхні газону з
посадкою чагарнику. Однак зберегти рослинність на розділювальній смузі дуже
важко. Частина реагентів, розсипаних на проїзній частині взимку для боротьби зі
слизькістю (найчастіше хлориди), потрапляючи на відкритий грунт, засолюють його. Через кожні 4 - 5 років потрібно міняти не тільки
чагарники на розділювальній смузі, а й грунт.
Влаштування на широкій розділювальній смузі твердого покриття небажано, так як
при цьому збільшується шар і без цього досить великого стоку з багатосмугової проїзної частини.
Найчастіше в містах на розділювальних смугах першої групи влаштовують дорожній
одяг і покриття такі ж, як і на проїзній частині, а саму розділювальну смугу
використовують як реверсивну смугу в години найбільшого завантаження рухом.
Смуги другої і третьої груп найбільш доцільно закривати трав'яним газоном.
Розділювальна смуга між основною
проїзною частиною і бічними проїздами поділяє транзитний та місцевий рух. Такі
смуги влаштовують підвищеними над проїзною частиною і обкладають бортовим каменем висотою 0,15 -
Із метою збільшення площі покритої
рослинністю, між тротуаром і проїзною частиною влаштовують смуги озеленення.
Практика показала, що рослинність на таких смугах зберігається лише в тому
випадку, якщо вона захищена від пішоходів огородженнями. Як планувальний
елемент вулиці така смуга допускається на ділянках, де не передбачено зупинок і
стоянок автомобілів на проїзній частині. Найбільш доцільна смуга озеленення на
магістралях вантажного руху: посадка на ній дерев не тільки знизить
загазованість у прилеглих кварталах, а й зменшить у них рівень транспортного
шуму.
Мінімальні ширини розділових смуг (у м)
між елементами поперечного профілю представлені в табл. 4.13. В дужках вказані
розміри смуг у реконструйованих містах з тісною забудовою.
Для прокладки інженерних мереж на
міських вулицях передбачають технічні смуги. Ширину технічних смуг визначають
числом і типом підземних і наземних споруд і вимогами озеленення. Ширину
технічної смуги на швидкісних міських дорогах приймають у межах 5 ...
Таблиця 4.13
|
Місце
розташування смуги |
Магістральні
вулиці |
Житлові
вулиці |
||
|
Загальноміські |
Районні |
|||
|
Безперервно-го руху |
Регульовано-го руху |
|||
|
Між основної проїзною частиною і
місцевими проїздами |
8 (5) |
6 (2) |
- |
- |
|
Між проїзною частиною і трамвайними
шляхами |
6 (2) |
3 (2) |
3 |
- |
|
Між проїзною частиною і велодоріжкою |
- |
3 |
2 |
2 |
|
Між проїзною частиною і тротуаром |
3 |
3 |
3 |
2 |
|
Між тротуаром і трамвайними шляхами |
- |
3 |
2 |
- |
|
Між тротуаром і велодоріжкою |
- |
2 |
2 |
2 |
Розташування і вибір ширини тротуарів
визначаються інтенсивністю руху пішоходів і типом забудови вулиці.
4.6.
Стадійний розвиток поперечного профілю
Елементи поперечного профілю вулиці, що
забезпечують рух пішоходів і транспортних засобів, розраховують із урахуванням
інтенсивності руху. Віддаленість перспективи може становити 20 - 25 років.
Це досить великий термін і приймаючи
рішення щодо стадійності проектного рішення, орієнтуються на динаміку зміни
інтенсивності руху.
Найбільш швидкий щорічний приріст руху
спостерігається в середніх і великих містах, що розвиваються - до 10%. У великих і найбільших містах
цей приріст значно менший, в середньому він відповідає річному приросту
національного доходу. При цьому можливі деякі відхилення, викликані місцевими
умовами і особливостями плану розвитку національної економіки в кожній із
п'ятирічок. У середньому в містах щорічний приріст руху становить 3 - 5%, а за розрахунковий період дивитись табл. 4.14
Таблиця 4.14
|
Збільшення інтенсивності руху за розрахунковий
період, років: |
Щорічний приріст руху, % |
|||
|
3 |
5 |
7 |
10 |
|
|
10 |
1,35 |
1,6 |
2,0 |
2,6 |
|
20 |
1,8 |
2,5 |
6,0 |
6,6 |
Під час проектування магістральних
вулиць рекомендується розглядати три стадії їх розвитку: повне здійснення
проекту, розрахованого на перспективу 20 - 25 років; неповне здійснення проекту, розрахованого на
перспективу 15 - 20 років; неповне здійснення проекту з
урахуванням інтенсивності руху в період 10 - 15-річної перспективи (друга стадія); перша стадія, що
забезпечує рух в період перших 5 - 10 років. За розрахунковий термін служби вулиці її планування
повинно змінитися як мінімум один раз. Розрахункова інтенсивність руху при
цьому збільшиться в перший період в 1,3 - 1,5 раза, у
другій в 2,0 - 2,5 раза.
Стадійність підвищення пропускної
спроможності магістральних вулиць дозволяє більш раціонально використовувати
кошти, що виділяються на соціальний, культурний та транспортний розвиток міста.
При цьому зовсім необов'язково перебудовувати кожну вулицю раз у 10 - 15 років. Орієнтиром у цьому випадку
служить рівень завантаження її рухом. Економічно доцільним є рівень завантаження
0,3 - 0,5. Рівень 0,3 слід
розглядати як розрахунковий при введенні магістралі в експлуатацію після
будівництва або реконструкції, а рівень 0,5 - граничний, після досягнення якого, необхідно переходити до
наступної стадії поліпшення умов руху.
Стадійність розвитку магістральної
вулиці охоплює, головним чином, основну проїзну частину і розділювальні смуги.
Стадійний розвиток поперечного профілю
вулиць можна вести двома способами: почерговим будівництвом правої і лівої
основної проїзної частини і послідовним розширенням обох проїзних частин.
Перший спосіб передбачає будівництво спочатку однієї проїзної частини і пропуск
по ній всього руху доти, поки не буде досягнутий граничний рівень завантаження
рухом. Потім будують розділювальну смугу і другу проїзну частину.
Другий спосіб дозволяє розвивати
поперечний профіль вулиці симетрично щодо її осі, розширяючи проїзні частини в
міру зростання інтенсивності руху. При цьому для можливого розширення проїзної
частини, прокладок нових інженерних мереж і споруд уздовж вулиці рекомендується
передбачати в поперечному профілі вулиці резервні смуги. Їх слід розташовувати
праворуч від основних проїзних частин, збільшуючи за їх рахунок бічні
розділювальні смуги. Це дозволить при здійсненні другої стадії планування
вулиці без особливих перешкод руху збільшити ширину проїзної частини.
По всій протяжності резервні смуги
повинні закриватися газоном. У зимовий період ці смуги використовують для
складування снігу. В окремих випадках на резервних смугах з боку місцевого
проїзду або тротуару (за відсутності місцевого проїзду) можна влаштовувати
стоянки автомобілів. Дорожній одяг таких стоянок може бути менш міцним, ніж на
основній проїзній частині, з покриттям полегшеного типу або зі збірних
залізобетонних плит. Бажано, щоб основу цього дорожнього одягу можна було
використовувати при будівництві наступної стадії.
Рівень інженерної проробки проекту
магістралі тим вище, чим повніше планувальне рішення, інженерна підготовка і
розташування підземних мереж використовуються в подальших стадіях здійснення
проекту.
Контрольні
питання
1. Що
розташовують у межах червоних ліній?
2. В якій
частині поперечного профілю розташовують підземні інженерні мережі на
магістральних вулицях та місцевого значення?
3. У чому
відмінність у схемах розрахунку ширини смуги руху для двосмугової і багатосмугової
проїжджої частини?
4. У чому
відмінність у схемах розрахунку ширини внутрішніх і зовнішніх смуг проїзної
частини?
5. Як
вибирається розрахунковий тип автомобіля при розрахунку ширини смуги руху?
6. Як
визначити необхідну кількість смуг руху, якщо відомі інтенсивність і склад
руху?
7. Який
принцип покладений в основу вибору ширини центральних і бічних розділових смуг?
8. Що є
підставою для стадійного розвитку поперечного профілю вулиці, яка послідовність
такого розвитку?