Практична робота 5
Тема: Розрахунок циклу світлофорного регулювання
Мета: набути практичні навички з розрахунку
циклу світлофорного регулювання на перехресті.
Вихідні дані: представлено в додатках 1,2
Завдання
1. Розрахувати потоки
насичення напрямків руху на перехресті.
2. Розрахувати фазові
коефіцієнти.
3. Розрахувати тривалість
проміжних тактів і час циклу регулювання.
4. Розрахувати тривалість
основного такту регулювання.
5. Розрахувати час
необхідний для пропуску пішохідного потоку.
Вказівки до виконання
роботи
1. Потоки насичення
розраховують окремо для кожного напрямку руху транспортних потоків на
перехресті. Оскільки перехрестя є проектованим, потоки насичення визначають не
шляхом натурних спостережень, а за емпіричними залежностями:
, (1)
де M Hij
- потік насичення j -го напрямку руху в і-й фазі регулювання, авт/год;
Впч - ширина проїзної
частини, м.;
Ki - коефіцієнт,
що враховує вплив поздовжнього ухилу дороги на потік насичення;
KR - коефіцієнт,
що враховує вплив радіусу кривизни траєкторії руху поворотних
потоків на потік насичення;
K C - коефіцієнт,
що враховує вплив складу транспортних потоків на потік насичення.
Потік насичення розраховують
за даною формулою, якщо ширина проїзної частини для відповідного напрямку руху
не менше
Таблиця 1.
Залежність потоку насичення від ширини проїзної
частини
|
Ширина проїзної частини, м |
3,0 |
3,3 |
3,6 |
4,2 |
4,8 |
5,1 |
|
Значення (525
ВПЧ), авт/год |
1850 |
1875 |
1950 |
2075 |
2475 |
2700 |
Коефіцієнт Ki
визначають за формулою:

, (2)
де і – поздовжній ухил, %.
Напрямок і значення поздовжнього
ухилу вибирають довільно.
Коефіцієнт Kr визначають за формулою:
(3)
де R - радіус кривизни траєкторії руху поворотних потоків, м. Значення
R встановлюють за планом перехрестя,
накресленому в масштабі.
Якщо з якоїсь смуги
транспортні засоби рухаються в різних напрямках, потік насичення зменшується
через взаємні перешкоди автомобілів. У цьому випадку коефіцієнт Kr не використовується у
формулі (1). Замість цього застосовують коефіцієнт Kc :
(4)
де a, b, c
- частки інтенсивності руху транспортних засобів відповідно прямо, ліворуч і
праворуч від загальної інтенсивності руху по смузі, %.
Впливом Kc можна знехтувати при частці поворотних
потоків менше 10%. Перед розрахунком Kc
слід визначити інтенсивність руху по смугах відповідно до обраної схеми пофазного роз’їзду.
2.
Для
напрямку руху в кожній фазі регулювання визначають фазові коефіцієнти:
, (5)
де
- фазовий коефіцієнт j -го напрямку руху в і-й фазі регулювання;
-
інтенсивність руху в j
-му напрямку і-ї фази регулювання, авт/год.
Якщо
розрахункові фазові коефіцієнти для кожної фази, приймають найбільші значення
в кожній фазі. Якщо
якийсь транспортний потік пропускається протягом двох фаз, то для нього окремо
розраховують фазовий коефіцієнт. Якщо цей фазовий коефіцієнт більше суми
розрахункових фазових коефіцієнтів тих фаз, протягом яких він пропускається, то
розрахункові фазові коефіцієнти збільшують.
3. Тривалість проміжних
тактів у кожній фазі розраховують за формулою:
, (6)
де
- середня швидкість руху транспортних засобів у зоні
перехрестя, км/год;
-
середнє уповільнення транспортного засобу при вмиканні сигналу,
що
забороняє рух, м/с2;
- відстань від стоп-лінії до самої дальньої конфліктної точки
перетинання з транспортними засобами, які починають рух у наступній фазі, м;
- довжина транспортного засобу, що найбільш часто
зустрічається у потоці, м.
Уповільнення
приймають
=
3...4,м/с.
Виходячи
з вимог безпеки руху, приймають
= 3...4 с, незалежно від
розрахункового значення.
Оскільки
інтервали між послідовно прибуваючими транспортними засобами до перехрестя, як
правило, неоднакові, тривалість циклу світлофорного регулювання розраховують за
формулою Вебстера:
, (7)
де
Тп
- сума тривалості проміжних тактів tп,
с;
Y -
сума розрахункових фазових коефіцієнтів.
, (8)
, (9)
де
k -
число фаз регулювання.
Виходячи
з вимог безпеки руху, незалежно від розрахункового значення приймають ТЦ
= 25...120 с.
4.
Тривалість основного такту в і-й фазі регулювання розраховують за формулою:
, (10)
приймають не менше 7 с
для забезпечення вимог безпеки руху.
5.
Час, необхідний для пропускання пішоходів по якомусь напрямку руху,
розраховують за формулою:
, (11)
де
- швидкість руху
пішоходів, м/с.
Для
практичних розрахунків можна прийняти
=
більше тривалості
відповідних основних тактів, то приймають
. Тривалість циклу в цьому випадку також необхідно збільшити.
Контрольні запитання
1. З яких елементів
складається час циклу регулювання?
2. Що розуміється під
фазовим коефіцієнтом?
3.
За яких
умов після розрахунків часу циклу проводять його коригування?
4. За яке значення
приймають час проміжного такту регулювання?
5. Що розуміється під
дальньою конфліктною точкою?
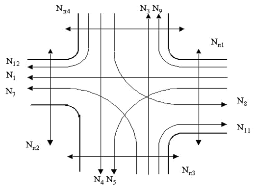
Додаток 1

Рис. 1.
Варіант 1-ї схеми перехрестя

Рис. 2.
Варіант 2-ї схеми перехрестя

Рис. 3.
Варіант 3-ї схеми перехрестя

Рис. 4.
Варіант 4-ї схеми перехрестя

Рис. 5.
Варіант 5-ї схеми перехрестя

Рис. 6.
Варіант 6-ї схеми перехрестя

Рис. 7.
Варіант 7-ї схеми перехрестя

Рис. 8.
Варіант 8-ї схеми перехрестя

Рис. 9.
Варіант 9-ї схеми перехрестя

Рис. 10.
Варіант 10-ї схеми перехрестя
Додаток Б
Таблиця 1.
Інтенсивність пішохідних потоків на
перехресті, піш/год
|
Пішохідний
потік |
Варіант |
|||||||||
|
0 |
1 |
2 |
3 |
4 |
5 |
6 |
7 |
8 |
9 |
|
|
Nn1 |
720 |
1070 |
630 |
700 |
630 |
1100 |
700 |
780 |
750 |
650 |
|
Nn2 |
850 |
700 |
920 |
1270 |
1200 |
650 |
680 |
650 |
650 |
600 |
|
Nn3 |
650 |
830 |
1150 |
600 |
840 |
820 |
250 |
530 |
650 |
650 |
|
Nn4 |
770 |
600 |
700 |
900 |
600 |
690 |
750 |
900 |
540 |
1240 |
Примітка:
Варіант визначається за останньою цифрою номеру залікової книжки
Таблиця 2
Інтенсивність транспортних потоків на перехресті, авт/год
![]()
![]()
![]()
![]()
|
Транспортний
потік |
Варіант |
|||||||||
|
0 |
1 |
2 |
3 |
4 |
5 |
6 |
7 |
8 |
9 |
|
|
N1 |
720 |
600 |
650 |
700 |
800 |
510 |
480 |
750 |
550 |
620 |
|
N2 |
770 |
640 |
580 |
670 |
600 |
590 |
480 |
720 |
800 |
680 |
|
N3 |
550 |
440 |
750 |
800 |
640 |
730 |
750 |
500 |
600 |
650 |
|
N4 |
830 |
800 |
780 |
900 |
710 |
850 |
840 |
640 |
560 |
530 |
|
N5 |
80 |
140 |
70 |
100 |
70 |
150 |
50 |
130 |
90 |
70 |
|
N6 |
60 |
80 |
40 |
160 |
40 |
90 |
100 |
80 |
70 |
150 |
|
N7 |
150 |
100 |
130 |
40 |
140 |
60 |
130 |
90 |
110 |
60 |
|
N8 |
70 |
80 |
100 |
70 |
90 |
80 |
90 |
60 |
140 |
80 |
|
N9 |
50 |
70 |
90 |
60 |
100 |
110 |
100 |
90 |
60 |
60 |
|
N10 |
70 |
90 |
60 |
90 |
100 |
80 |
80 |
70 |
90 |
90 |
|
N11 |
90 |
100 |
100 |
80 |
70 |
90 |
90 |
90 |
100 |
80 |
|
N12 |
80 |
110 |
110 |
100 |
80 |
60 |
100 |
100 |
80 |
110 |
Примітка: Варіант
визначається за останньою цифрою номеру залікової книжки
Таблиця 3
Характеристика обсягів вантажного руху
|
Варіант |
0 |
1 |
2 |
3 |
4 |
5 |
6 |
7 |
8 |
9 |
|
Питома
вага вантажних автомобілів у потоці,% |
15 |
10 |
35 |
25 |
30 |
20 |
35 |
15 |
35 |
20 |
Примітка: Варіант
визначається за останньою цифрою номеру залікової книжки