Практична робота 4
Тема: Вибір схеми пофазного роз’їзду
Мета: набути практичні навички щодо вибору схеми пофазного роз’їзду на перехресті.
Вихідні дані: представлено у додатках 1, 2.
Завдання
1. Зробити вибір кількості
фаз й розробити схеми пофазного
роз’їзду.
2.
На окремих
рисунках зобразити дозволені напрямки руху транспортних і пішохідних потоків у
кожній фазі регулювання і розташування технічних засобів регулювання руху:
світлофорів, дорожньої розмітки.
Вказівки до виконання
роботи
1.
Вихідними
даними для розробки схеми пофазного
роз’їзду є характеристики дорожнього руху на перехресті. Спочатку необхідно
вибрати число фаз регулювання. При цьому слід завжди прагнути до мінімального
числа фаз для забезпечення високої пропускної спроможності перехрестя, якщо це
не суперечить вимогам безпеки руху.
Застосування трьох і
більше фаз регулювання пов’язано, як правило, з високою інтенсивністю
транспортних лівоповоротних потоків або з високою інтенсивністю пішохідного
руху. У випадку застосування трифазного циклу можливі різні варіанти пофазного роз’їзду. Наприклад,
третя фаза може обслуговувати два зустрічних лівоповоротних потоки. В іншому
варіанті можливе об’єднання в третій фазі лівого поворотного потоку з потоком у
прямому побіжному напрямку при його високій інтенсивності. Можливе також
виділення окремої пішохідної фази або використання третьої фази для пропускання
правих поворотних потоків з метою забезпечення безпеки руху пішоходів. Можуть
бути застосовані й інші схеми пофазного
роз’їзду.
При розробці схеми пофазного
роз’їзду необхідно витримувати такі принципи:
- припускається сполучати
в одній фазі лівий поворотний потік, що конфліктує з зустрічним потоком прямого
напрямку, якщо інтенсивність лівоповоротного потоку не більше 120 авт/год;
-
пішохідний
і конфліктуючий з ним поворотні транспортні потоки можуть сполучатися в одній
фазі, якщо інтенсивність пішохідного потоку не перевищує 900 чол/год., а інтенсивність кожного
з поворотних транспортних потоків не перевищує 120 авт/год;.
-
смуги руху
необхідно закріплювати за визначеними фазами. Не планувати виїзд транспортних
засобів, які одержують право руху в різних фазах, з однієї смуги;
-
прагнути
до того, щоб інтенсивність руху, яка в середньому припадає на одну смугу, не
перевищувала 600 – 700 авт/год;
-
якщо
проїжджа частина має 3 смуги руху і більше в одному напрямку, необхідно
розглядати можливість поетапного переходу пішоходами вулиці протягом 2 фаз
регулювання.
2. Після вибору кількості
фаз і розробки схеми пофазного
роз’їзду треба на окремих рисунках зобразити дозволені напрямки руху
транспортних і пішохідних потоків у кожній фазі регулювання. Крім того на
рисунках необхідно зобразити розташування технічних засобів регулювання руху:
світлофорів, дорожньої розмітки. При цьому слід використовувати стандартні
умовні позначення .
Контрольні запитання
1. Для чого потрібно раціонально організовувати
схеми пофазного розїзду?
2. Чим треба керуватися при визначенні кількості
фаз регулювання на перехресті?
3. Які технічні засоби регулювання використовують
для організації світлофорного регулювання?
4. В якому випадку потрібно призначати три фази
регулювання?
5. В якому випадку потрібно призначати пішохідну фазу
регулювання?
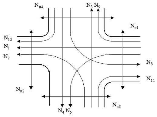
Додаток 1

Рис. 1.
Варіант 1-ї схеми перехрестя

Рис. 2.
Варіант 2-ї схеми перехрестя

Рис. 3.
Варіант 3-ї схеми перехрестя

Рис. 4.
Варіант 4-ї схеми перехрестя

Рис. 5.
Варіант 5-ї схеми перехрестя

Рис. 6.
Варіант 6-ї схеми перехрестя

Рис. 7.
Варіант 7-ї схеми перехрестя

Рис. 8.
Варіант 8-ї схеми перехрестя

Рис. 9.
Варіант 9-ї схеми перехрестя

Рис. 10.
Варіант 10-ї схеми перехрестя
Додаток Б
Таблиця 1.
Інтенсивність
пішохідних потоків на перехресті, піш/год
|
Пішохідний
потік |
Варіант |
|||||||||
|
0 |
1 |
2 |
3 |
4 |
5 |
6 |
7 |
8 |
9 |
|
|
Nn1 |
720 |
1070 |
630 |
700 |
630 |
1100 |
700 |
780 |
750 |
650 |
|
Nn2 |
850 |
700 |
920 |
1270 |
1200 |
650 |
680 |
650 |
650 |
600 |
|
Nn3 |
650 |
830 |
1150 |
600 |
840 |
820 |
250 |
530 |
650 |
650 |
|
Nn4 |
770 |
600 |
700 |
900 |
600 |
690 |
750 |
900 |
540 |
1240 |
Примітка:
Варіант визначається за останньою цифрою номеру залікової книжки
Таблиця 2
Інтенсивність транспортних потоків на перехресті, авт/год
![]()
![]()
![]()
![]()
|
Транспортний
потік |
Варіант |
|||||||||
|
0 |
1 |
2 |
3 |
4 |
5 |
6 |
7 |
8 |
9 |
|
|
N1 |
720 |
600 |
650 |
700 |
800 |
510 |
480 |
750 |
550 |
620 |
|
N2 |
770 |
640 |
580 |
670 |
600 |
590 |
480 |
720 |
800 |
680 |
|
N3 |
550 |
440 |
750 |
800 |
640 |
730 |
750 |
500 |
600 |
650 |
|
N4 |
830 |
800 |
780 |
900 |
710 |
850 |
840 |
640 |
560 |
530 |
|
N5 |
80 |
140 |
70 |
100 |
70 |
150 |
50 |
130 |
90 |
70 |
|
N6 |
60 |
80 |
40 |
160 |
40 |
90 |
100 |
80 |
70 |
150 |
|
N7 |
150 |
100 |
130 |
40 |
140 |
60 |
130 |
90 |
110 |
60 |
|
N8 |
70 |
80 |
100 |
70 |
90 |
80 |
90 |
60 |
140 |
80 |
|
N9 |
50 |
70 |
90 |
60 |
100 |
110 |
100 |
90 |
60 |
60 |
|
N10 |
70 |
90 |
60 |
90 |
100 |
80 |
80 |
70 |
90 |
90 |
|
N11 |
90 |
100 |
100 |
80 |
70 |
90 |
90 |
90 |
100 |
80 |
|
N12 |
80 |
110 |
110 |
100 |
80 |
60 |
100 |
100 |
80 |
110 |
Примітка: Варіант
визначається за останньою цифрою номеру залікової книжки
Таблиця 3
Характеристика обсягів вантажного руху
|
Варіант |
0 |
1 |
2 |
3 |
4 |
5 |
6 |
7 |
8 |
9 |
|
Питома
вага вантажних автомобілів у потоці,% |
15 |
10 |
35 |
25 |
30 |
20 |
35 |
15 |
35 |
20 |
Примітка: Варіант
визначається за останньою цифрою номеру залікової книжки