Практична робота 2
Тема: Вибір кількості смуг руху на підходах
до перехрестя
Мета: придбати практичні
навички щодо визначення кількості смуг руху на підходах до перехрестя та ширину
проїзної частини.
Вихідні дані: дані представлено в додатках 1,2
Завдання
1.
Визначити
сумарну інтенсивність руху на підходах перехрестя з урахуванням перспективи.
2.
Визначити
пропускну спроможність багатосмугової проїзної
частини.
3.
Зробити
вибір потрібної кількості числа смуг руху на підході до перехрестя.
Вказівки до виконання
роботи
1. Потрібну кількість
смуг рух на підходах до перехрестя і ширину проїзної частини визначають на
основі вихідних даних з прогнозування інтенсивності руху транспортних потоків.
Розрахунок потрібної
кількості смуг виконують для кожного підходу окремо в прямому і оберненому
напрямках. Попередньо для кожного підходу слід визначити фактичну сумарну
інтенсивність у прямому й оберненому напрямках
2. Сумарну
інтенсивність руху на підходах перехрестя визначають з урахуванням перспективи:
(1)
де Nфакт – фактична
сумарна приведена інтенсивність руху в прямому (оберненому) напрямку на підході
до перехрестя, авт/год.;
kр –
коефіцієнт зростання інтенсивності руху на перспективу 10 років.
Для стійкого функціонування
транспортного потоку з урахуванням перспективи на 10 років рекомендується
приймати kр
= 1,8 [6,7].
3. Пропускну
спроможність багатосмугової проїзної частини
рекомендується розраховувати за формулою:
, (2)
де Ро –
розрахункова пропускна спроможність 1 смуги руху, авт/год.;
Кп –
коефіцієнт багатосмуговості;
Кг
– коефіцієнт, що враховує вплив складу
транспортного потоку;
Кф –
коефіцієнт, що враховує вплив типу покриття проїзної частини.
Значення Ро приймають рівним 1000 авт/год для виконання умов забезпечення у транспортному
потоці необхідних маневрів і змін смуг руху. При відсутності змін смуг руху
приймають Ро = 1200 авт/год. Значення коефіцієнтів Кп і Кгр
у формулі (2) вибирають відповідно до дорожніх умов за допомогою табл. 1,2.
Таблиця 1
Значення коефіцієнтів багатосмуговості
|
Кількість смуг |
1 |
2 |
3 |
4 |
5 |
|
Кп |
1,0 |
1,8 |
2,4 |
2,9 |
3,4 |
Таблиця 2
Значення коефіцієнтів, що враховують вплив складу транспортних потоків на пропускну
спроможність
|
Частка
вантажних автомобілів у потоці,% |
0 |
10 |
20 |
30 |
40 |
|
Кгр |
1,0 |
0,95 |
0,9 |
0,85 |
0,8 |
Залежно від типу
покриття проїзної частини приймають Кф = 1,0 – для асфальтобетонного і
цементобетонного покриття і Кф =
0,88 – для збірного бетонного покриття.
3.
Вибір
потрібної кількості числа смуг руху на підході до перехрестя здійснюється
шляхом порівняння Nпрог
із пропускною спроможністю вулиць безупинного руху, що мають багатосмугову проїзну частину.
Значення Nпрог
у кожному напрямку слід порівняти з розрахованими значеннями Р при різноманітному числі смуг і
вибрати потрібну кількість смуг з умови Nпрог <
Р.
Ширину смуг руху
вибирають таким чином. Ширину першої смуги рекомендується прийняти
Контрольні запитання
1. Що розуміється під
пропускною здатністю автомобільної дороги?
2. Що розуміється під
інтенсивністю транспортного потоку?
3.
Як впливає
склад транспортного потоку на пропускну здатність автомобільної дороги?
4. Чим треба керуватись
при визначенні потрібної кількості смуг руху на підходах до перехрестя?
5.
Чому слід
визначати пропускну здатність автомобільної дороги з урахуванням переспективи росту інтенсивності транспотного
потоку.
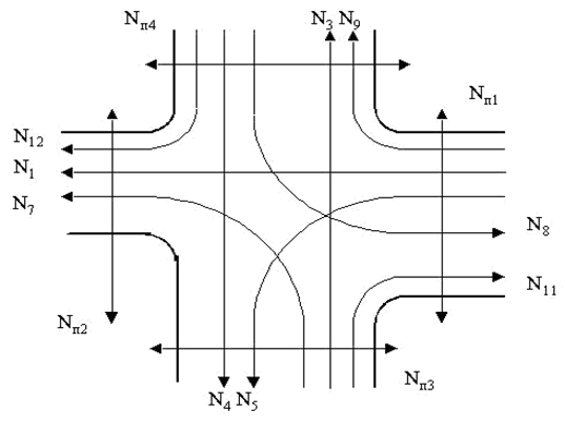
Додаток 1

Рис. 1.
Варіант 1-ї схеми перехрестя

Рис. 2.
Варіант 2-ї схеми перехрестя

Рис. 3.
Варіант 3-ї схеми перехрестя

Рис. 4.
Варіант 4-ї схеми перехрестя

Рис. 5.
Варіант 5-ї схеми перехрестя

Рис. 6.
Варіант 6-ї схеми перехрестя

Рис. 7.
Варіант 7-ї схеми перехрестя

Рис. 8.
Варіант 8-ї схеми перехрестя

Рис. 9.
Варіант 9-ї схеми перехрестя

Рис. 10.
Варіант 10-ї схеми перехрестя
Додаток Б
Таблиця 1.
Інтенсивність
пішохідних потоків на перехресті, піш/год
|
Пішохідний
потік |
Варіант |
|||||||||
|
0 |
1 |
2 |
3 |
4 |
5 |
6 |
7 |
8 |
9 |
|
|
Nn1 |
720 |
1070 |
630 |
700 |
630 |
1100 |
700 |
780 |
750 |
650 |
|
Nn2 |
850 |
700 |
920 |
1270 |
1200 |
650 |
680 |
650 |
650 |
600 |
|
Nn3 |
650 |
830 |
1150 |
600 |
840 |
820 |
250 |
530 |
650 |
650 |
|
Nn4 |
770 |
600 |
700 |
900 |
600 |
690 |
750 |
900 |
540 |
1240 |
Примітка:
Варіант визначається за останньою цифрою номеру залікової книжки
Таблиця 2
Інтенсивність транспортних потоків на перехресті, авт/год
![]()
![]()
![]()
![]()
|
Транспортний
потік |
Варіант |
|||||||||
|
0 |
1 |
2 |
3 |
4 |
5 |
6 |
7 |
8 |
9 |
|
|
N1 |
720 |
600 |
650 |
700 |
800 |
510 |
480 |
750 |
550 |
620 |
|
N2 |
770 |
640 |
580 |
670 |
600 |
590 |
480 |
720 |
800 |
680 |
|
N3 |
550 |
440 |
750 |
800 |
640 |
730 |
750 |
500 |
600 |
650 |
|
N4 |
830 |
800 |
780 |
900 |
710 |
850 |
840 |
640 |
560 |
530 |
|
N5 |
80 |
140 |
70 |
100 |
70 |
150 |
50 |
130 |
90 |
70 |
|
N6 |
60 |
80 |
40 |
160 |
40 |
90 |
100 |
80 |
70 |
150 |
|
N7 |
150 |
100 |
130 |
40 |
140 |
60 |
130 |
90 |
110 |
60 |
|
N8 |
70 |
80 |
100 |
70 |
90 |
80 |
90 |
60 |
140 |
80 |
|
N9 |
50 |
70 |
90 |
60 |
100 |
110 |
100 |
90 |
60 |
60 |
|
N10 |
70 |
90 |
60 |
90 |
100 |
80 |
80 |
70 |
90 |
90 |
|
N11 |
90 |
100 |
100 |
80 |
70 |
90 |
90 |
90 |
100 |
80 |
|
N12 |
80 |
110 |
110 |
100 |
80 |
60 |
100 |
100 |
80 |
110 |
Примітка: Варіант визначається за останньою цифрою номеру залікової книжки
Таблиця 3
Характеристика обсягів вантажного руху
|
Варіант |
0 |
1 |
2 |
3 |
4 |
5 |
6 |
7 |
8 |
9 |
|
Питома
вага вантажних автомобілів у потоці |
15 |
10 |
35 |
25 |
30 |
20 |
35 |
15 |
35 |
20 |
Примітка: Варіант визначається за останньою цифрою номеру залікової книжки