ТЕМА 10. ТЕХНІЧНІ
ЗАСОБИ ОРГАНІЗАЦІЇ ДОРОЖНЬОГО РУХУ
10.1.
Сучасна класифікація технічних засобів організації дорожнього руху
Безпека, зручність і ефективність ДР на вулично-дорожній
мережі забезпечуються двома основними напрямками:
- архітектурно-планувальними
заходами (будівництво і реконструкція вулиць, доріг, перетинів, площ,
пішохідних переходів і т.п.);
- організацією руху
(введення одностороннього руху, кругового руху на площах, організація
пішохідних зон і вулиць, автомобільних стоянок, зупинок громадського транспорту
– всі ці завдання вирішуються із застосуванням ТЗОДР).
Організація руху здійснюється із застосуванням ТЗ:
- дорожніх знаків,
- дорожньої розмітки,
- засобів світлофорного
регулювання,
- дорожніх огороджень,
- направляючих пристроїв.
Класифікація ТЗ за їх призначенням включає дві групи:
ТЗ, що безпосередньо впливають на транспортні і пішохідні
потоки і формують необхідні режими руху і параметри цих режимів (траєкторії,
швидкості, прискорення, інтервали, дистанції).
ТЗ, що забезпечують роботу ТЗ першої групи по заданому
алгоритму (контролери, детектори транспорту, засоби обробки і передачі
інформації, устаткування пунктів АСУД, засоби диспетчерського зв'язку).
Характер дії таких ТЗ першої групи, як дорожні знаки і
дорожня розмітка, дорожні огорожі і направляючі пристрої, забезпечують
постійний режим, порядок руху. Змінити режим руху можна лише замінивши
відповідне ТЗ (знак, розмітку).
Режим руху – закономірна зміна в часі і просторі таких
характеристик руху як траєкторія, швидкість, прискорення, інтервали і дистанції
між транспортними засобами і між учасниками руху.
Дію світлофорів і
керованих дорожніх знаків забезпечують змінний порядок руху. Робота саме цих ТЗ
вимагає застосування ТЗ другої групи. Самі дорожні контролери підрозділяються
на контролери локального і системного управління. Контролери забезпечують або
жорстке (з незмінною програмою), або, за наявності зворотного зв'язку
(детектори транспорту), адаптивне управління.
Управління може бути
ручним, автоматичним або автоматизованим. При ручному і автоматизованому
управлінні використовуються засоби телевізійного спостереження, телефонного
зв'язку, різні засоби відображення інформації.
10.2. Дорожні знаки
10.2.1. Призначення і
класифікація дорожніх знаків
Дорожні знаки застосовують для забезпечення БР та
організації руху за прийнятою схемою . ДЗ класифікують за
інформаційно-смисловим змістом на сім груп, (табл.10.1.)
Таблиця 10.1.
Функціональне
призначення дорожніх знаків
|
№ групи |
Група знаків |
Функціональне призначення
дорожніх знаків групи |
|
1 |
2 |
3 |
|
1 |
Застережливі |
Інформують
водія про наближення до небезпечної ділянки дороги і характер небезпеки |
|
2 |
Пріоритету |
Встановлюють
черговість проїзду перехресть, перетинів проїзної частин або вузьких ділянок
доріг |
|
3 |
Що забороняють |
Вводять
або відміняють певні обмеження у русі |
|
4 |
Приписуючі |
Показують
обов'язкові напрями руху або дозволяють деяким категоріям учасників руху по
проїжджій частині або окремим її ділянкам, а також вводять або відміняють
окремі обмеження |
Продовження
таблиці 10.1
|
1 |
2 |
3 |
|
5 |
Інформаційно-вказівні |
Вводять
або відміняють певний режим руху, а також інформують учасників дорожнього
руху про розташування населених пунктів, різних об'єктів, територій, де діють
спеціальні правила |
|
6 |
Сервісу |
Інформують
учасників дорожнього руху про розташування об'єктів обслуговування |
|
7 |
Додаткової інформації |
Уточнюють
або обмежують дії знаків, разом з якими вони встановлені |
Номер знака:
Перша цифра – номер групи, друга – номер знака у групі, третя – різновид знака.
Наприклад, 1.15 (слизька дорога), 1.16 (нерівна дорога), 3.1 (в'їзд
заборонений), 3.17.1 (митниця), 7.8 (платні послуги).
10.2.2. Конструкція
дорожніх знаків
Таблиця 10.2
|
Форма знака |
Група знаків |
|
|
Попереджувальні знаки |
|
|
Знаки пріоритету |
|
|
Заборонні знаки |
|
|
Наказові знаки |
|
|
Інформаційно-вказівні знаки |
|
|
Знаки сервісу |
|
|
Таблички до дорожніх знаків |
10.2.3.Типорозміри
знаків
Для своєчасного сприйняття водієм
інформації, що передається знаком, незалежно від часу доби погодних умов
передбачено
4 типорозміра.
Таблиця 10.3.
Типорозміри знаків
|
Типо-розмір |
Особливість ділянки дорогі |
Сторона трикутника, мм |
Діаметр круга, сторона квадрата, мм |
Сторони прямокут-ника, мм |
|
1 |
Дороги з однією смугою руху |
700 |
600 |
600х900 |
|
2 |
Дороги з двома і трьома смугами руху |
900 |
700 |
700х1050 |
|
3 |
Дороги з чотирма і більше смугами руху |
1200 |
900 |
900х1350 |
|
4 |
Небезпечні ділянки, ділянки, на яких проводяться ремонтні
роботи |
1500 |
1200 |
- |
10.2.4. Вид знака за способом освітлення:
- із зовнішнім освітленням,
- з внутрішнім освітленням,
- з світлоповерненям.
Знаки із зовнішнім освітленням. Матеріал – в основному,
листова сталь 0.8 –
Знаки з внутрішнім
освітленням. Матеріал – в основному, полімер, забарвлений усередині білою
фарбою для поліпшення розсіювання світла. На передню панель з тильного боку
наносять символ знака, а площу, що залишилася,
зафарбовують фарбою, відповідно до кольору фону. Корпус зовні повинен бути
сірого кольору. Всі з'єднання і отвори герметизують гумовими прокладками і
ущільнювачами.
Знаки із світловідбиванням.
Лицьова сторона має поверхню, що повертає промінь світа
від фари автомобіля до водія, для забезпечення необхідної видимості знака у темний час доби. Чорні і сірі елементи не повинні
володіти світловідбиваючим ефектом. Для створення світловідбиваючого ефекту найчастіше використовують світловідбиваючі плівки. Переваги: довговічність, простота
закріплення на щитку знака, зручність ремонту і
утримання.
10.2.5. Керовані дорожні
знаки
Застосовують за необхідності зміни символу знака:
Наприклад:
- тимчасова зміна
швидкості;
- зміна порядку руху на
реверсних смугах, залежно від ступеня завантаження дороги.
Тимчасове обмеження швидкості призначають із-за
несприятливих дорожніх умов (сніг, ожеледь, туман, сильний бічний вітер).
Символ знака змінюють також при
необхідності інформувати водія про зміни умов руху на маршруті. Символ знака змінюється або вручну або автоматично за наявності
датчика, за командою ЕОМ. Спосіб зміни символу: механічний або світлотехнічний.
10.2.6. Загальні
принципи установки дорожніх знаків
ДЗ встановлюють тільки відповідно до правил установки
дорожніх знаків на автомобільних дорогах.
Всі заборони і обмеження повинні бути обґрунтовані. В першу
чергу слід з'ясувати можливість усунення причини установки знаків, що застережують про небезпеку або вводять які-небудь
обмеження.
Знаки короткочасної дії встановлюють тільки на той період,
коли вони необхідні, і знімають негайно після усунення або зникнення причини
установки знака.
ДЗ повинні бути встановлені так, щоб їх видимість в темний
час доби складала не меншого
Наприклад, для першої категорії при розрахунковій швидкості
Vp = 150 км/г відстань видимості знака
L >=
У населених пунктах ДЗ встановлюють на відстані 50 –
Знаки слід видаляти від дерев і чагарників, які можуть
загороджувати або затінювати лицьову сторону знака.
Дорожньо-експлуатаційні організації зобов'язані своєчасно підрізати гілки дерев
та кущів.
ДЗ повинні бути встановлені так, щоб водії могли легко
виявляти їх серед інших елементів у будь-який час доби. Вогні реклами не
повинні створювати перешкод читанню знаків.
Знаки з білим фоном краще видно на темному однорідному фоні дерев і чагарників.
Знаки з блакитним фоном – на фоні світлих ділянок неба, далеких полів, сніжного
покриву. Для знаків з білим фоном слід влаштовувати темний фон від чагарника
або групової посадки дерев або розташовувати ці знаки на суцільних темних
щитах. Перед будь-якою ділянкою дороги слід встановлювати тільки один знак. У
виняткових випадках допускається підсилювати увагу водія до небезпечної ділянки
(крутий поворот і обмеження швидкості) та встановлювати не більше трьох знаків.
На автомагістралях з інтенсивним рухом рекомендується
встановлювати багатопозиційні (керовані) знаки. Ці знаки оперативно
попереджають водіїв про зміну умов руху і дають рекомендації про оптимальну
швидкість руху.
10.3. Дорожня розмітка
10.3.1. Види дорожньої
розмітки і її призначення
Розмітка – лінії, написи і інші позначення на проїзній
частині і елементах дорожніх споруд, що встановлюють порядок руху або
інформують водіїв і пішоходів про умови руху.
Розмітка – складова частина загальної схеми організації
руху, тому необхідно, щоб вона відповідала встановлюваним на дорозі знакам,
світлофорам та іншим технічним засобам організації руху.
Розмітка ділиться на горизонтальну і вертикальну.
Горизонтальна розмітка (ГР) наноситься на дорожнє покриття
у вигляді подовжніх і поперечних ліній, і інших видів розмітки: острівці,
написи, вказівні стріли. ГР, як правило, застосовується на дорогах із
вдосконаленими покриттями з інтенсивністю руху більше 1000 авт/добу.
У населених пунктах ГР повинна застосовуватися на швидкісних дорогах,
магістральних вулицях, на вулицях з рухом громадського транспорту.
Вертикальна розмітка
наноситься у вигляді ліній на елементи дорожніх споруд, що представляють
небезпеку для руху з метою попередження наїзду на них транспортних засобів.
Наявність і
параметри розмітки на проїзній частині впливають на психічну та фізіологічну
напруженість водія. Прагнення водія підтримувати цю напруженість на
оптимальному рівні примушує його вибирати відповідну цій меті швидкість і
траєкторію руху.
Наприклад, водій вибирає таку швидкість руху, при якій
частота миготіння штрихів і ліній переривистої розмітки не перевищує 3-х герц.
Найбільший вплив на режим руху надає розмітка із співвідношенням довжини штриха
до розриву 1:1, а якнайменше 1:3. Таким чином, для зниження швидкості
збільшують частоту миготіння за рахунок зниження загальної довжини штриха і
розмітки.
10.3.2. Вимоги до
розмітки (згідно ДСТУ 2587-94)
Вимоги у стандарті ДСТУ 2587-94 відповідають вимогам
Конвенції про дорожні знаки і сигнали і Протоколу про розмітку доріг до
Європейської Угоди, що доповнюють цю Конвенцію.
Розмітка повинна
виконуватися термопластичними масами або зносостійкими матеріалами. Поверхня
горизонтальної розмітки у зволоженому стані повинна мати коефіцієнт зчеплення
не менше 0.45. На дорогах державного призначення горизонтальна розмітка повинна
бути із світлоповерненням, на інших – переважно із світлоповерненням. Колір розмітки – білий, жовтий, чорний,
а також червоний.
Таблиця 10.4.
Нормативне значення дальності видимості розмітки у денний
(темне) час доби
|
Класифікація доріг і вулиць |
Максимально допустима швидкість, км/год |
Відстань видимості горизонтальної розмітки, м |
Відстань видимості вертикальної розмітки, м |
||
|
Подовжньої |
Поперечної |
Інших видів |
|||
|
Автомагістралі |
130 |
200(95) |
130 |
200(95) |
200(95) |
|
Інші дороги загального користування |
90 |
135(65) |
135(80) |
135(65) |
135(65) |
|
Дороги у межах малих населених пунктів |
60 |
90(45) |
70(40) |
90(45) |
90(45) |
Контраст яскравості розмітки і дорожнього покриття повинен
бути максимально можливим.
Відстань видимості слід контролювати працівниками
дорожньо-експлуатаційної служби щокварталу і відновлювати, якщо її видимість
менше нормативних значень.
10.4. Призначення і види
дорожніх огороджень та напрямних пристроїв
Дорожні огородження (ДО) і напрямні пристрої (НП)
розміщують для забезпечення безпеки руху на небезпечних ділянках доріг, вулиць
і штучних споруд. Видимість ДО і НП на
прямолінійних ділянках доріг повинна бути не менше
ДО діляться на дві групи:
- огородження бар'єрного і парапетного типу;
- сітки, конструкції поручневого типу.
ДО першої групи призначені для запобігання вимушених
з'їздів транспортних засобів із земляного полотна доріг, проїзної частини
мостів, шляхопроводів, естакад, зіткненням із зустрічними транспортними
засобами, наїздам на масивні предмети і споруди, які були розміщені у смузі
відведення дороги. Висота ДО 0.75–0.8 м.
ДО другої групи призначені для впорядкування руху пішоходів
і запобігання виходу на проїзну частину тварин. Висота ДО 0.75–0.8
м.
НП включають: напрямні стовпчики (НС), тумби, напрямні
острівці (НО).
НС і тумби були призначені для забезпечення видимості
зовнішньої кромки узбіч і небезпечних перешкод у темний час доби і за
несприятливих метеорологічних умов. Висота НС і тумб 0.75–0.8
м.
НО призначені для розділення транспортних потоків за
напрямами. НО підведені над проїзною частиною на 0.1–0.15
м.
Дорожні огородження (згідно ДСТУ 2587-94)
Дорожні огородження першої групи встановлюють:
- на мостах, шляхопроводах, естакадах, на
підходах до штучних споруд у межах ділянок доріг з висотою насипу
- на центральній розділовій смузі міських вулиць
і доріг, на узбіччях і тротуарах, якщо висота насипу
- на узбіччях і тротуарах, паралельних ж.д. колії, болотам, водним потокам, ярам і т.п., що знаходяться на відстані
- на узбіччях і розділовій смузі за населеними
пунктами біля опор шляхопроводів, освітлення, консольних і рамних опор дорожніх
знаків, дерев, які були розміщені на відстані
ДО другої групи встановлюють:
- на розділовій смузі
шириною не менше
- на тротуарі у
транспортному тунелі, біля пішохідних переходів на відстані не менше
Напрямні пристрої
Напрямні пристрої встановлюють за умов, коли немає
необхідності встановлювати споруди першої групи:
- у межах кривих у
подовжньому профілі і на підходах до них (по три НС з кожної сторони дороги) на
відстанях від 5 до
- у межах кривої в плані
і на підходах (по три НС з кожної сторони дороги), якщо висота насипу не менше
1м на відстанях від 3 до
- на підходах до
перетинів (по три НС з кожної сторони головної дороги) на відстанях
- на ділянках доріг
паралельних залізничним коліям, болотам, водним потокам, ярам і т.п., що знаходяться на відстані
- біля водопропускних
труб поодинці НС з кожної сторони дороги на осі труби.
НС встановлюють на узбіччі на відстані
Тумби з штучним освітленням або світлоповертаючої
плівкою встановлюють на початку розділової смуги, на підведених острівцях безпеки.
10.5. Світлофори
Світлофори
призначені для почергового пропуску учасників руху через певну ділянку вулично-дорожньої мережі, а також для позначення
небезпечних ділянок доріг. У залежності від умов світлофори застосовуються для
керування рухом у визначених напрямках чи по окремих смугах даного напрямку:
- у місцях, де зустрічаються конфліктуючі транспортні, а
також транспортні і пішохідні потоки (перехрестя, пішохідні переходи);
- по смугах, де напрямок руху може змінюватися на протилежний
- на залізничних переїздах, розвідних мостах, причалах,
переправах;
- при виїздах автомобілів спецслужб на дороги з інтенсивним
рухом;
- для управління рухом транспортних засобів загального
користування.
Порядок
чергування сигналів, їхній вид і значення, прийняті в Україні, відповідають
міжнародній Конвенції про дорожні знаки і сигнали.
10.5.1. Класифікація
світлофорів
Залежно
від призначення світлофори поділяють на групи:
- транспортні (в умовному
позначенні — Т);
- пішохідні (в умовному
позначенні — П).
У
кожній групі світлофори поділяють на типи залежно від функціонального
призначення і виконання (рис.10.1)

Рис. 10.1. Групи світлофорів
Світлофори
типу 1 призначені для одночасного пропускання транспортних засобів в усіх
дозволених напрямках на даному підході до перехрестя.
Транспортні
світлофори типу 2 призначені для регулювання руху у визначених напрямках у тих
випадках.
Транспортні
світлофори типу 3 використовуються як повторювачі сигналів світлофорів типу 1 у
разі, якщо їх видимість ускладнена для водія першого транспортного засобу, що
зупинився біля стоп-лінії на крайній смузі проїзної частини даного напрямку.
Транспортні
світлофори типу 4 призначені для регулювання в'їзду на окремі смуги проїзної
частини.
Транспортні
світлофори типу 5 призначені для безконфліктного регулювання руху трамваїв, а
також маршрутних автобусів і тролейбусів, що рухаються спеціально виділеною
смугою. В інших випадках для регулювання руху цих видів транспортних засобів
необхідно використовувати транспортні світлофори типу 1 або 2.
Транспортні
світлофори типу 6 призначені для регулювання дорожнього руху через залізничні
переїзди, розвідні мости, причали поромних переправ, у місцях виїзду на дорогу
спеціальних транспортних засобів (оперативних, дорожньо-експлуатаційних і
комунальних служб).
Транспортні
світлофори типу 7 призначені для позначання нерегульованих перехресть чи
пішохідних переходів.
10.5.2. Загальні
принципи установки світлофорів
Розташування
дорожніх світлофорів (окрім транспортних типу 3 та пішохідних) повинна
забезпечувати видимість їх сигналів на відстані не меншій ніж
Мінімальну
відстань видимості сигналів світлофора розраховують за формулою:
L ≥ LP + LГ + LС , (1)
де
L — відстань видимості світлофора (м);
LP — шлях, що проїде
автомобіль за час реакції водія (м);
LГ — шлях, що проїде
автомобіль за час гальмування (м);
LC — відстань від
світлофора до розмітки 1.12 "Стоп-лінія".
,
,
де
VД, — максимальна дозволена швидкість руху на дорозі (м/с);
t — тривалість часу
усвідомлювання водієм необхідності гальмування й приведення в дію гальмівної
системи (с);
g — пришвидшення сили
тяжіння (м/с2);
— коефіцієнт зчеплення;
i — повздовжній нахил
(‰).
Світлофори
треба встановлювати на спеціальних колонках, кронштейнах, прикріплюваних
до існуючих опор або стін будинків, на консольних чи рамних опорах, на стояках,
а також підвішувати на тросах-розтяжках.
Спеціальні
колонки та опорні елементи консольних або рамних опор треба розташовувати поза
проїзною частиною дороги.
Висота
встановлених світлофорів від нижньої точки корпусу до поверхні проїзної частини
(рис. 10.2) повинна становити:
а)
для транспортних світлофорів (окрім типу 3):
-
у разі
розташування над проїзною частиною — від 5,0 до
-
у разі
розташування збоку від проїзної частини — від 2,0 до
б)
для транспортних світлофорів типу 3 — від 1,5 до
в)
для пішохідних світлофорів — від 2,0 до
Розташовувати
на одній опорі транспортні світлофори типів 1 або 2 не можна нижче пішохідних
світлофорів.
Уздовж
однієї дороги висота встановлених світлофорів та їх віддаленість від проїзної
частини повинна бути за можливості однакова.
Відстань
від краю проїзної частини до світлофора, встановленого збоку від проїзної
частини, повинна становити від 0,5 до
Розташування
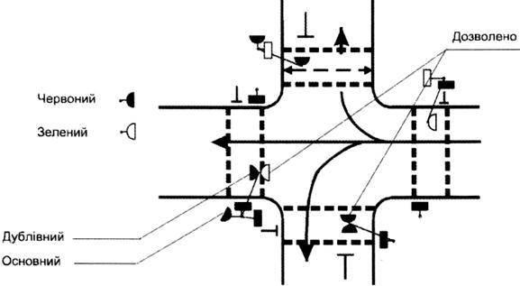
світлофорів відносно розмітки 1.12 "Стоп-лінія" повинна забезпечувати
розпізнаваність їхніх сигналів водіями перших транспортних засобів, що стоять
біля неї ( рис. 10.3.).

Рис. 10.2. Приклад установки світлофорів
Рекомендована відстань у горизонтальній площині від
транспортних світлофорів до розмітки 1.12 "Стоп-лінія" на підході до
регульованої ділянки повинна бути не менша ніж

Рис. 10.3. Схема установки світлофорів
10.5.3.
Режими роботи світлофорної сигналізації
Режим роботи світлофорної сигналізації
характеризується тактом, фазою та циклом.
Такт – період, протягом якого не
змінюється поєднання включених сигналів. Розрізняють: основний такт – час
горіння дозволяючих або забороняючих сигналів; проміжний такт – час горіння
поєднання сигналів, при яких здійснюється передача права руху наступній групі
транспортних засобів.
Фаза – сукупність основного та проміжного
тактів.
Цикл – період протягом якого проходить
повна зміна послідовності фаз.
Введення світлофорного регулювання має дві
цілі: скорочення затримок транспортних та пішохідних потоків, а також зменшення
числа конфліктних ситуацій на перехресті.
Розрізняють двох-, трьох-, та багатофазне
(4 фази і більше) світлофорне регулювання.
10.5.4. Вибір схеми пофазного
роз’їзду
Вихідними
даними для розробки схеми пофазного роз’їзду є
характеристики дорожнього руху на перехресті. Спочатку треба визначити
оптимальне число фаз регулювання, керуючись наступним:
1.
Допускається сполучати в одній фазі
лівоповоротний потік, що конфліктує із зустрічним потоком прямого напрямку,
якщо інтенсивність лівоповоротного потоку не більше 120 авт/год.
2.
Пішохідний і конфліктуючі з ним транспортні
поворотні потоки можуть сполучатися в одній фазі, якщо інтенсивність
пішохідного потоку не перевищує 900 чол/год, а
інтенсивність поворотних транспортних потоків не більше 120 авт/год.
3.
Смуги руху необхідно закріплювати за певними
фазами. Не планувати виїзд транспортних засобів, які одержують право, в різних
фазах, з однієї смуги.
4.
Прагнути, щоб інтенсивність руху, в середньому
на одну смугу не перевищувала 600 – 700 авт/год.
5.
Якщо проїзна частина має три й більше смуг руху
в одному напрямку, необхідно розглядати можливість поетапного переходу
пішоходами вулиці протягом двох фаз регулювання.
Посилаючись
на вищевказані правила, потрібно визначити кількість фаз регулювання і схему
роз'їзду на досліджуваному перехресті.
10.5.5. Розрахунок режиму роботи світлофорної
сигналізації
Потоки
насичення розраховують окремо для кожного напрямку руху транспортних потоків на
перехресті. Оскільки перехрестя є проектованим, потоки насичення визначають не
шляхом натурних спостережень, а за емпіричними залежностями:
.
Потік насичення розраховують за даною формулою,
якщо ширина проїзної частини для відповідного напрямку руху не менше
Таблиця 10.6.
Залежність потоку
насичення від ширини проїзної частини
|
Ширина проїзної частини, м |
3,0 |
3,3 |
3,6 |
4,2 |
4,8 |
5,1 |
|
Значення (525 ВПЧ), авт/год |
1850 |
1875 |
1950 |
2075 |
2475 |
2700 |
Для
напрямку руху в кожній фазі регулювання визначають фазові коефіцієнти:
,
де
– фазовий коефіцієнт j
-го напрямку руху в і-й фазі
регулювання;
–
інтенсивність руху в j
-му напрямку і-ї фази регулювання, авт/год.
Якщо
розрахункові фазові коефіцієнти для кожної фази, приймають найбільші значення
в кожній фазі. Якщо
якийсь транспортний потік пропускається протягом двох фаз, то для нього окремо
розраховують фазовий коефіцієнт. Якщо цей фазовий коефіцієнт більше суми
розрахункових фазових коефіцієнтів тих фаз, протягом яких він пропускається, то
розрахункові фазові коефіцієнти збільшують.
Тривалість проміжних тактів у кожній фазі
розраховують за формулою:
,
де
– середня швидкість
руху транспортних засобів у зоні перехрестя, км/год;
–
середнє уповільнення транспортного засобу при вмиканні сигналу, що забороняє
рух, м/с2;
– відстань від
стоп-лінії до самої дальньої конфліктної точки перетинання з транспортними
засобами, які починають рух у наступній фазі, м;
– довжина
транспортного засобу, що найбільш часто зустрічається у потоці, м.
Уповільнення
приймають
=
3...4, м/с.
Виходячи
з вимог безпеки руху, приймають
= 3...4 с, незалежно від
розрахункового значення.
Оскільки
інтервали між послідовно прибуваючими транспортними засобами до перехрестя, як
правило, неоднакові, тривалість циклу світлофорного регулювання розраховують за
формулою Вебстера:
,
де
Тп
– сума тривалості проміжних тактів tп,
с;
Y –
сума розрахункових фазових коефіцієнтів.
,
,
де
k –
число фаз регулювання.
Виходячи
з вимог безпеки руху, незалежно від розрахункового значення приймають ТЦ
= 25...120 с.
Тривалість
основного такту в і-й фазі регулювання розраховують за формулою:
,
приймають не менше 7 с
для забезпечення вимог безпеки руху.
Час,
необхідний для пропускання пішоходів по якомусь напрямку руху, розраховують за
формулою:
,
де
– швидкість руху
пішоходів, м/с.
Для
практичних розрахунків можна прийняти
=
більше тривалості
відповідних основних тактів, то приймають
. Тривалість циклу в цьому випадку також необхідно збільшити.
Контрольні
питання
1.
Класифікація технічних засобів організації дорожнього руху.
2. На які
групи поділяються дорожні знаки за інформаційним змістом?
3. Які
бувають знаки за способом освітлення?
4. Які
існують види дорожньої розмітки?
5.
Призначення дорожніх огороджень.
6.
Класифікація світлофорів за призначенням.
7. Якими основними
правилами слід керуватися при виборі схеми пофазного
роз’їзду?
8. Яке завдання вирішує світлофорне регулювання?