Лабораторне заняття №4
Тема: Вимірювання температури контактним методом.
Мета: Ознайомитись
з методами та технічними засобами, які використовуються при вимірюванні
температури контактним методом, а також з будовою і принципом дії термометра
ЭТП–М і навчитись практично з ним працювати.
Теоретичні відомості
1.
Призначення термометра ЭТП–М:
1.1.
Термометр ЭТП–М призначений для вимірювання температури металевих поверхонь,
неагресивних рідин і газів.
1.2. Прилад
за стійкістю і впливом температури та вологості оточуючого повітря належить до
приладів ІІ групи ДСП ГОСТ 12997–67.
2.
Основні технічні характеристики:
|
Діапазон вимірювань, оС |
–30 – +120 |
|
Основна похибка, оС |
1,25 |
|
Ціна поділки, оС |
1,0 |
|
Час повного вимірювання, с |
не більше 180 |
|
Живлення постійним струмом, напругою, В |
6,0 |
|
Габаритні розміри, мм |
114х204х120 |
|
Маса, кг |
1,9 |
|
Межі вимірювань, оС |
Номери контактів перемикача В3 |
|||||||||||
|
1а |
2а |
3а |
4а |
5б |
6б |
7б |
8б |
9в |
10в |
11в |
12в |
|
|
Від –30 до +20 |
|
|
|
|
|
|
|
|
|
|
|
|
|
Від +20 до +70 |
|
|
|
|
|
|
|
|
|
|
|
|
|
Від +70 до +120 |
|
|
|
|
|
|
|
|
|
|
|
|
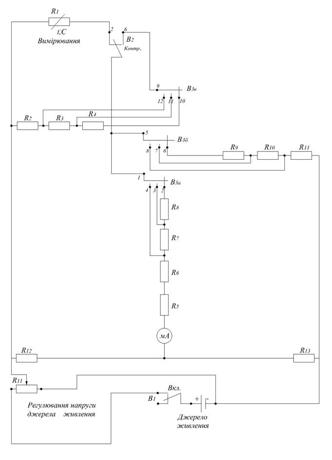
Резистори 12, 13 –
це постійні плечі моста. Перемикач В3
здійснює перехід з однієї межі вимірювання температури на іншу шляхом
вмикання в інші плечі і діагональ мостової схеми відповідних резисторів.
На межі “
При
розбалансовуванні мостової схеми, викликаної зміною опору терморезистора R1
вимірювальної температури, в діагоналі моста виникає струм, який фіксується
вказівником на градусній шкалі мікроамперметра в мкА.
3.2. Термометр
ЭТП–М виконаний в металевому прямокутному корпусі. На внутрішній поверхні
відкидної кришки, яка служить для захисту лицевої панелі від механічних
пошкоджень, розміщені первинний перетворювач і насадки.

Рис. 1. Електрична схема температуроміра моделі ЭТП-М

Органи керування (рис. 2) розміщені на лицевій панелі,
встановленій у корпус, у нижній частині якого передбачена касета для розміщення
елементів живлення. Для переносу термометр оснащений паском.
4. Порядок роботи.
4.1. Приступаючи
до роботи з приладом необхідно вивчити інструкцію.
4.2. Підготовте
прилад до експлуатації:
·
зніміть кришку касети,
попередньо відкрутивши 2 гвинта;
·
встановіть 4 елемента
живлення в касету у відповідності із зазначеною полярністю;
·
встановіть кришку касети
і закріпіть її гвинтами;
·
встановіть на первинний
перетворювач відповідну насадку (рис.
3.3) і розмістіть її в середовище, температуру якого потрібно виміряти (місця
для вимірювання температури поверхні вибирайте з радіусом заокруглення не менше
4.3. Поверніть
ручку “регулировка напряжения”
проти годинникової стрілки до упору.
4.4. Встановіть
перемикач “пределы оС”
на потрібну межу вимірювання.
4.5. Встановіть
тумблер в положення “КОНТР”.
4.6. Встановіть
тумблер “питание” в положення
“ВКЛ”.
4.7. Покажчик
термометра, ручкою “регулировка
напряжения”, встановіть на кінцеву позначку температури відповідної
межі.
4.8. Встановіть
тумблер в положення “измер.”
Відхід покажчика термометра за діапазон показів шкали вказує на неправильно
вибрану межу вимірювання.
4.9. За шкалою
термометра визначте значення вимірювальної температури.
4.10. Після
закінчення вимірювань виключити термометр тумблером “питание”.

![]()

Обробка результатів досліджень
Для
отримання при лабораторних вимірюваннях найбільш достовірних результатів відлік
показів приладу проводиться за одних і тих самих умов за можливістю певне число
разів і із знайденого ряду значень вимірювальної величини після виключення
систематичних і грубих похибок визначається більш точне середнє арифметичне її
значення tср, яке є кінцевим результатом вимірювання. Ця
величина знаходиться за формулою:
,
де
– ряд значень
вимірювальної величини; n – число відрахувань показів приладу.
Результати
вимірювань записати у таблицю 1.
Таблиця 1
Результати вимірювань
|
№
досліду |
Діапазон |
Кількість
поділок шкали |
Температура t,
oC |
Відхилення еі |
|
1. |
|
|
|
|
|
2. |
|
|
|
|
|
3. |
|
|
|
|
|
4. |
|
|
|
|
|
5. |
|
|
|
|
|
6. |
|
|
|
|
|
7. |
|
|
|
|
|
8. |
|
|
|
|
Значення
включають в себе не тільки випадкові похибки,
вплив яких на ступінь відхилення tср
від дійсного значення t тим
менше, чим більше число окремих вимірювань n є в ряду, так як згідно теорії похибок при великому
числі вимірювань випадкові похибки, які рівні за абсолютною величиною, але
різні за значенням, зустрічаються однаково часто і тому взаємознищуються.
Відхилення
е окремих значень вимірювальної величини від tср знаходиться
за формулою із виразів:
При
правильному визначенні tср алгебраїчна сума відхилень е повинна
дорівнювати нулю, тобто:
.
У практичних умовах зазвичай оцінюють точність кінцевого
результату вимірювання tср шляхом
визначення абсолютних значень середньої квадратичної похибки σ, ймовірної похибки ρ і найбільш можливої (граничної) похибки λ за формулами:
Значення
коефіцієнтів у формулах (4-6)
вибираються залежно від величини (n–1) за таблицею 2 (складена за даними
В.І. Романовського).
Результат
вимірювання:
.
Табл. 2
Значення
коефіцієнтів похибок вимірювання
|
n–1 |
v |
k |
m |
n–1 |
v |
k |
m |
|
1 |
1,000 |
1,84 |
400,0 |
11 |
0,697 |
1,05 |
3,9 |
|
2 |
0,816 |
1,28 |
22,0 |
12 |
0,695 |
1,04 |
3,8 |
|
3 |
0,765 |
1,20 |
9,0 |
13 |
0,694 |
1,04 |
3,7 |
|
4 |
0,741 |
1,14 |
6,6 |
14 |
0,692 |
1,04 |
3,6 |
|
5 |
0,727 |
1,11 |
5,7 |
15 |
0,691 |
1,03 |
3,6 |
|
6 |
0,718 |
1,09 |
5,1 |
16 |
0,690 |
1,03 |
3,5 |
|
7 |
0,711 |
1,08 |
4,7 |
17 |
0,689 |
1,03 |
3,5 |
|
8 |
0,706 |
1,07 |
4,4 |
18 |
0,688 |
1,03 |
3,5 |
|
9 |
0,703 |
1,06 |
4,2 |
19 |
0,688 |
1,02 |
3,4 |
|
10 |
0,700 |
1,05 |
4,0 |
20 |
0,687 |
1,02 |
3,4 |
1.
Призначення термометра ЭТП–М.
2.
Технічні
харакетристики термометра ЭТП–М.
3. Принцип дії термометра ЭТП–М.