ТЕМА 5. РІЗЦІ
Різець - однолезовий
інструмент для обробки з поступальним або обертальним головним рухом різання і
можливістю руху подачі в будь-якому напрямку.
5.1. Типи і
призначення різців
Різці класифікуються за
різними ознаками:
1. За типом верстатів - токарні,
стругальні, довбальні, розточувальні,
автоматні і т.д.
2. За розташуванням головного ріжучого леза або
напряму подачі - праві, ліві і нормальні .
3. За видом обробки
(рис.5.1):
- прохідні прямі з
кутами
= ср1 =
450, φ = 600 і φ1 = 300 ,
φ = 750 і φ1 = 200;
- прохідні відігнуті з φ = φ1 = 450;
- прохідні упорні прямі і відігнуті;
- підрізні відігнуті;
- відрізні;
- розточувальні для глухих і наскрізних отворів;
- різьбові;
- різці для контурного точіння фасонні.
4. За характером обробки: чорнові , чистові, для
тонкого точіння;
5. За установкою щодо деталі: радіальні,
тангенціальні .
6. За конструкції головки: прямі, відігнуті,
вигнуті, відтягнуті.
7. За конструкцією: цілісні , складові ,
збірні .
8. За матеріалом
робочої частини: з інструментальних сталей, з твердого сплаву, з керамічних
матеріалів, з алмазу, з надтвердих синтетичних матеріалів.
9. За
перерізом державки
Рис 5.1 – Типи токарних різців; 1 і 2 — відповідно
ліві і праві різці; 4, 6, 7 — прямі різці; 9, 13 — відігнуті; 3,
5 — відрізні з витягнутою голівкою; 4, 7, 8, 9 — прохідні; 11 —
прохідний упорний; 12 — підрізний; 13, 14 — розточні;
16 — фасонний; 10, 15 — для нарізання різьби, зовнішньої і
внутрішньої відповідно
5.2. Вибір перерізу
державок
Державки різців характеризуються формою і розмірами
поперечного січення, матеріалом і твердістю. Форма перетину ─ прямокутна,
квадратна або кругла.
Для різців з напаяними пластинками доцільно застосовувати
державки прямокутного перерізу з відношенням висоти державки до її ширини Н: В = 1,6 для чистових і напівчистових
різців; Н:В = 1,25 для чорнових різців.
Державки квадратного січення чинять опір деформацій
складного вигину і рекомендуються для револьверних і розточувальних різців.
Державки круглого перерізу застосовуються в розточувальних і різьбових різцях.

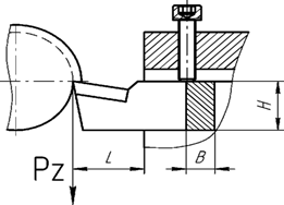
Рис. 5.2 – Переріз державки різця
Розміри поперечного перерізу державки (рис. 5.2)
вибираються з умови рівності
діючого згинального моменту і максимального моменту, який
допускається перерізом державки, тобто
В свою чергу,
, Нм;
, Нм,
де
– вильот різця, мм,
;
допустиме напруження на
згин матеріалу державки, МПа;
момент опору січення державки різця, мм3.
,
,
.
де В і Н -
відповідно ширина і висота державки різця в небезпечному січенні, мм.
Ширина державки
різця прямокутного перерізу при висоті Н = 1,6В

Ширина державки
квадратного перетину при висоті Н = В

Діаметр круглої
державки

Перевірочний
розрахунок державки на жорсткість

де Е ─ модуль пружності матеріалу
державки різця, МПа (2,0÷2,2) х 105;
J ─ момент
інерції перерізу державки, мм4.
,
,
.
Допускається
стріла прогину різця для попереднього точіння f ≈ 0,1 мм, для напівчистового
точіння f = 0,05 мм, для чистового
точіння f = 0,02 мм.
5.3. Різці
фасонні
Фасонні різці
застосовують для обробки деталей з різною формою твірної. В порівнянні із
звичайними різцями вони забезпечують ідентичніть
форми, точність розмірів деталі, яка залежить в основному від точності
виготовлення різця, високу продуктивність завдяки одночасній обробці всіх
ділянок фасонного профілю деталі і велику економію машинного часу.
Фасонні різці
класифікують за такими ознаками:
1 . За формою:
стрижневі , призматичні й круглі.
Стрижневі різці
можна встановлювати в різцетримачах універсальних верстатів. Недоліком їх є
зменшення висоти робочої частини після переточування.
Призматичні
фасонні різці мають більше число переточувань. Кріплення і базування різця в різцетримачі здійснюється за допомогою
хвостовика типу ластівкового хвоста. Недолік призматичних різців - неможливість
обробки внутрішніх фасонних поверхонь.
Круглі фасонні
різці застосовують для обробки як зовнішніх, так і внутрішніх фасонних
поверхонь . Вони більш технологічні, ніж призматичні, тому що
представляють собою тіла обертання, і
допускають більшу кількість
переточувань і сточуються до залишкової за умовою міцності величини.
2. По установці щодо
заготовки: радіальні і тангенціальні.
3. По розташуванню осі отвору або бази кріплення різця: з паралельним
розташуванням осі або бази кріплення різця щодо осі заготовки, з похилим
розташуванням осі отвору або бази
кріплення різця ( з розгорнутою базою) . Останні використовують для збільшення
задніх кутів за профілем різця при обробки заготовок, що мають прямолінійні
ділянки, перпендикулярні до її осі. Подача різців здійснюється в напрямку,
перпендикулярному до баз установки різця.
4. За формою утворюють фасонних поверхонь: з кільцевими твірними, з гвинтовими твірними.
5. По розташуванню передній поверхні: з позитивним (або рівним нулю) переднім кутом; з позитивним
переднім кутом і кутом нахилу ріжучої кромки. Такі різці дозволяють збільшити
точність обробки деталей, що мають конічні ділянки .
6. По конструкції: цільні,
складені.
5.4. Конструктивні
та геометричні параметри призматичного різця

Рис.
5.3 – Конструктивні та геометричні параметри призматичного різця
Задній кут
призматичних різців дорівнює 10 ... 15 градусів. Передній кут приймають залежно
від властивостей оброблюваного матеріалу, наприклад : для обробки стали від 8
до 20 градусів, для чавуну від 8 до 15 градусів.
Види
кріплень:
-
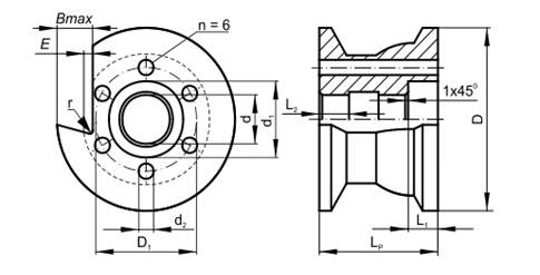
кріплення за допомогою штифта (рис. 5.4)
![]()

Рис.
5.4 –
Круглий різець. Кріплення штифтом
-
кріплення за допомогою рифлень (рис. 5.5)

Рис.
5.5– Круглий різець. Кріплення за допомогою рифлень
Задній кут
приймають від 8 до 12 градусів. Для отримання заднього кута різець піднімають
щодо осі заготовки на величину п.
Штифти і рифлення
необхідні для сприйняття сили різання і для повороту різця після його
переточування по передній поверхні.