2.5. Методи
одержання імпульсних струмів
При проведенні
різних фізичних досліджень: створення сильних магнітних полів, одержання
ударних хвиль високотемпературної плазми і т.д. потрібні імпульсні
струми, величина, форма і тривалість яких змінюється в широких межах. Широко
застосовуються імпульсні струми при випробуванні комутаційних апаратур для
енергосистем і різних електрофізичних установок. Представлення про
різноманітність застосування імпульсних струмів можна одержати з наукової літератури,
наприклад з [1-4, 8].
Будь-яке джерело
або генератор імпульсів являє собою один з видів накопичувачів енергії з
комутатором. До найпоширеніших накопичувачів у наш час відносяться ємнісні
(рис. 2.14), індуктивні, електромеханічні (ударні генератори), хімічні
(імпульсні акумулятори), а також різні комбінації декількох накопичувачів.
Рис. 2.14. Електрична схема ГІТ: V – високовольтний
випрямляч; RЗАЩ – опір для обмеження зарядного струму; С1-Ссn
– батарея конденсаторів; Р – розрядник керований; RН – навантаження;
L – індуктивність розрядного контуру
Ланцюг імпульсного струму ГІТ (розрядний ланцюг) складається з послідовно
з'єднаних і заряджених до напруги U0
ємностей С, індуктивності L й активного опору Rк. Індуктивність L
й активний опір Rк містять
у собі, відповідно, індуктивність й
опір накопичувача, комутатора і
сполучних шин.
Перехідний
процес може носити коливальний або аперіодичний характер, залежно від величини g » 0,5 R(С/L)0,5, що залежить від
співвідношення параметрів розрядного контуру ГІТ і навантаження.
При розробці і
створенні ГІТ на базі ємнісного накопичувача прагнуть зменшити індуктивність й
активний опір розрядного контуру і накопичувача. Досягається це шляхом застосування
паралельних розрядників, сполучних шин великого перетину і кабелів, а також
скорочення довжин шин і кабелів, що з'єднують накопичувач із навантаженням.
Конструктивно
ГІТ повинен виконуватися компактно з можливими мінімальними відстанями між
блоками конденсаторів, навантаженням і розрядником. Як правило, це розташування
блоків конденсаторів по периметрі окружності або багатокутника з розташуванням
навантаження і розрядника в центрі. Конструкції ГІТ можуть відрізнятися типом
ошиновки, збірних шин і розрядників, кількістю блоків конденсаторів у них і
т.д. (рис. 2.15).
Крім ємнісних
накопичувачів енергії, перспективними є індуктивні накопичувачі, у яких енергія
накопичується в магнітному полі індуктивності [4].
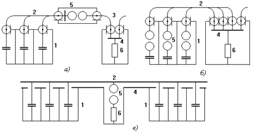
в б а
![]()
![]()
![]()

Рис. 2.15. Схема конструктивного виконання
ГІТ: а – блок накопичувача з кабельної ошиновкою і одним розрядником на блок; б
– те ж, але з розрядником на кожен конденсатор блоку; в – накопичувач із
плоскою ошиновкою і одним розрядником; 1 – блок конденсаторів; 2,
3, 4 – ошиновка; 5 – розрядник; 6 – навантаження