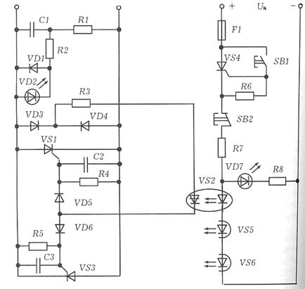
9.2. Безконтактні
напівпровідникові контактори змінного струму
Ці
апарати призначені для здійснення пуску, регулювання швидкості обертання,
напруги та струму асинхронних електродвигунів.
Основним
виконанням безконтактного НК є
триполюсне виконання з запуском тиристорів силового кола за допомогою оптронних
тиристорів (рис. 9.1).
Кожний
полюс містить такі функціональні вузли:
– напівпровідниковий (тиристорний) ЕК,
який складається з тиристорів
,
;
– схема запуску, яка складається з
оптронного тиристора
, обмежуючого струм резистора
та випрямного моста
;
– демпферне коло, яке складається з
резистора
та ємності
;
– захисні елементи: резистори ![]()
та конденсатори
;
– коло контролю, яке складається з діоду
, світлодіоду
та резистора
;
– схема керування, яка складається із
кнопок
,
, малопотужного тиристора
, обмежуючого резистора
, трьох світлодіодів оптронних тиристорів (
,
,
), резисторів
та світлодіода
.

Рис. 9.1. Електрична схема триполюсного контактора змінного
струму з оптронним керуванням силових тиристорів
Під
час натискання кнопки
напруга
через резистор
проходить через світлодіод
оптронних тиристорів, забезпечуючи подання напруги керування на тиристор ЕК та їх ввімкнення. Силові тиристори
вмикаються за колом: відкритий оптронний тиристор
, резистор
, випрямні діоди
,
, (
,
), керувальний перехід тиристора
(
).
Із
натисканням кнопки
коло живлення
світлодіодів оптронних тиристорів розмикається, тиристор
переходить у
непровідний стан і оптронні тиристори вимикаються. Внаслідок цього під час
першого переходу струму в силовому колі через нуль тиристори ЕК вимикаються, що забезпечує вимкнення
контактора.