5.11. Реле струму
та напруги
Будова
реле струму та реле напруги є досить різноманітною. Реле струму і реле напруги
можуть застосовуватись в якості реле захисту. Ці реле працюють переважно в
тривалому режимі роботи. У них значно менша, ніж у реле керування, механічна і
комутаційна зносостійкість.
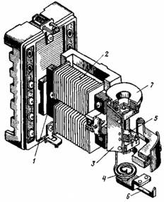
Будова
реле струму серії РТ-40 наведена на рис. 5.19. Магнітна система реле
складається з П-подібного шихтованого осердя 1 і Г-подібного якоря 3. На осерді
розташовані дві котушки 2, кінці яких виведені на затискачі цоколя реле. При
проходженні струму по обмотці реле магнітний потік, створюваний цим струмом,
намагнічує рухливий якір. Виникаюча при цьому електромагнітна сила, що діє на
якір, буде обумовлювати обертальний момент, що повертає рухливу систему й
пов’язаний з віссю контактний місток 5. Замикання кола відбудеться при
зіткненні рухливих контактів з нерухомими, привареними до плоских бронзових
пружин.


а) б)
Рис. 5.19. Будова (а) та зовнішній вигляд (б) реле струму
серії РТ-40
Для
надійного спрацьовування реле необхідно, щоб обертаючий момент перевершував
протидіючий момент пружини, а також моменти тертя й інерції рухливої системи.
Рівність моментів визначає гранична умова, тобто, умова спрацьовування реле.
Звідси слідує, що для реле подібного типу найбільш простим способом зміни
струму спрацювання є зміна натягу пружини. Якщо послабити пружину, тобто
зрушити покажчик 6 уліво по шкалі, то струм спрацювання реле зменшиться. У реле
типу РТ-40 при переміщенні покажчика від крайнього лівого в крайнє праве
положення струм спрацювання збільшується в 2 рази. Струм спрацювання реле можна
також змінити перемиканням котушок з послідовного з’єднання на паралельне, в
останньому випадку струм, що проходить по кожній котушці, зменшується в 2 рази й, отже, для одержання тієї ж
намагнічуючої сили, що й у першому випадку (при послідовному з’єднанні), буде
потрібно в 2 рази більший струм у колі реле. Таким чином, струм спрацювання
реле можна змінити в 4 рази щодо мінімальної уставки.
Реле
напруги серії РН-50 відрізняється від реле РТ-40 наступним:
1)
обмотками напруги з більшою кількістю витків дроту меншого діаметру; 2)
відсутністю поглинача коливань. Струм в обмотках реле РН-50 відносно невеликий,
тому для запобігання вібрації якоря застосовується випрямна схема.

а) б)
Рис. 5.19а. Зовнішній вигляд реле напруги РН-113 (а) та
РН-50 (б)
Вибір реле
До
числа показників, за якими вони вибираються, відносяться характер і величина
напруг головного кола і кола керування; комутаційна здатність контактів і їх
кількість; допустима частота вмикань; режим роботи; категорія розміщення;
степінь захисту від дії оточуючого середовища.
Додатково
до цього реле керування і захисту вибираються за родом вхідної величини,
витримці часу,
,
і
.