Практичне заняття № 4
Тема. Розробка електричних схем системи автоматизації
технологічного комплексу
Мета: ознайомлення з методикою
розробки електричних схем системи автоматизації технологічного комплексу.
Короткі теоретичні відомості
Розглядається питання живлення схем та його резервування,
принципові схеми регулювання, управління, сигналізації та живлення. В стислій
формі описуються принципи їх роботи. Обґрунтовується вибір елементів схем з
врахуванням їх надійності, безпеки використання в даному технологічному процесі
та економічність прийнятих рішень.
Необхідно розглянути схеми автоматичного захисту. Якщо вона
реалізована на мікропроцесорних засобах автоматизації, то необхідно описати
алгоритм її роботи і навести елементи електричних схем під’єднання сигнальної
та захисної апаратури до контролерів і пристроїв.
Приклад опису принципової електричної схеми
підключення датчиків та пускових пристроїв до модулів контролера
Вибрані датчики для вимірювання технологічних параметрів мають
уніфікований вихід по струму 4-20 мА.
Для підключення датчиків до модулів ADAM 5017 використовуймо
двох провідну схему. Виходи давачів підключаєм на входи даних модулів – Vin+, Vin-.
Схема під’єднання датчиків та виконавчих механізмів до
мікроконтролера ADAM-5000 приведена на рисунку 4.1.
В автоматизованому керуванні технологічним процесом
застосовуються два контролери ADAM 5510Е. В першому три модуля аналогового
вводу ADAM 5017 та один модуль дискретного виводу ADAM 5056, в другому два ADAM
5017 і один ADAM 5056.
У таблиці 4.1 представлено підключення датчиків та виконавчих
механізмів до першого модуля контролера ADAM 5017(0).
Всі модулі живляться
від двох блоків живлення PS-15-24 на 24 В постійного струму потужністю 15
Вт, який підключений до загальної мережі змінного струму 220 В.

Рисунок 4.1 –
Електрична схема під’єднання датчиків та виконавчих механізмів до
мікроконтролера ADAM-5000
Таблиця 4.1 – Підключення датчиків до першого модуля контролера
ADAM 5017(0)
|
Датчик |
Вхід модуля |
Датчик |
Вхід модуля |
|
LE 1-1 |
Vin0(V0) |
LE 3-1 |
Vin4(V4) |
|
FE 1-3 |
Vin1(V1) |
FE 3-7 |
Vin5(V5) |
|
LE 2-1 |
Vin2(V2) |
FE 4-3 |
Vin6(V6) |
|
FE 2-3 |
Vin3(V3) |
LE 1-1 |
Vin7(V7) |
Приклад схеми під’єднання
датчиків та виконавчих механізмів до модулів мікроконтролера ADAM-4000 наведений на рисунку 4.2.
Приклад схеми
під’єднання датчиків та виконавчих механізмів до мікроконтролера Simatic S7-200 наведений на рисунку 4.3.
Приклад принципової електричної схеми сигналізації наведений на
рисунку 4.4.
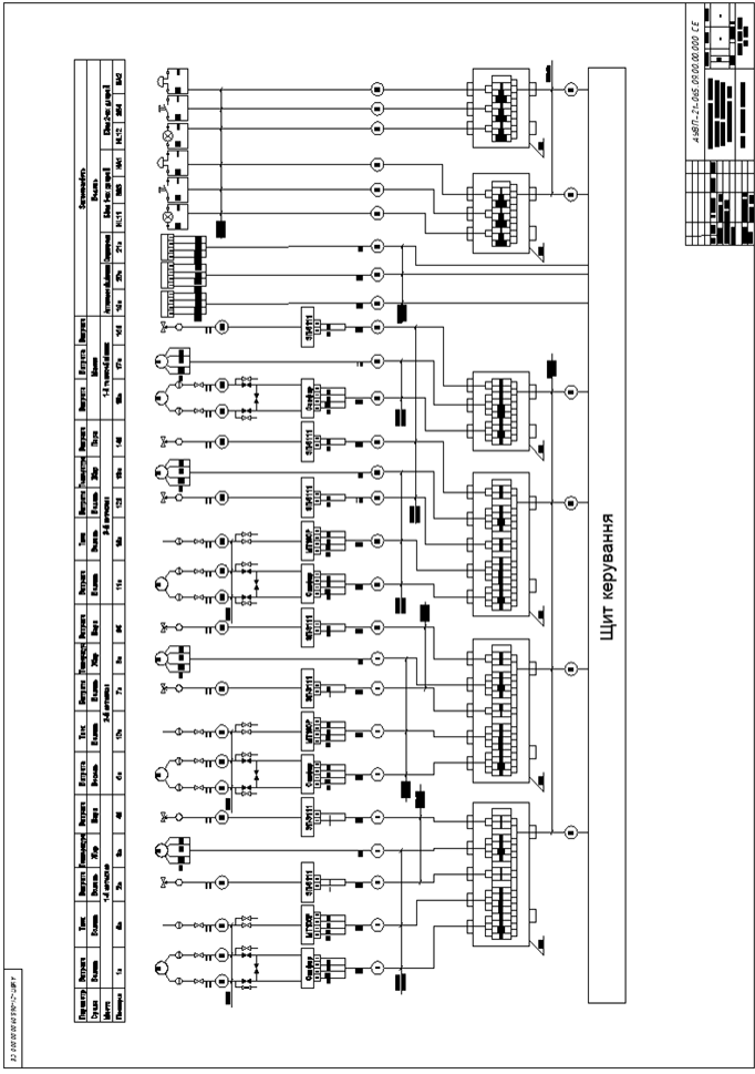
Приклад принципової електричної схеми живлення щита керування
наведений на рисунку 4.5.
Приклад принципової електричної схеми зовнішніх з’єднань
наведений на рисунку 4.6.
Завдання для виконання
1. Розробити
електричні схеми для системи автоматизації технологічного комплексу.
2. Оформити звіт з
практичної роботи.
Контрольні питання
1. На
основі чого розробляється електрична схема під’єднання датчиків, виконавчих
механізмів, пристроїв узгодження сигналів до модулів вводу/виводу
мікроконтролера?
2. На
основі чого розробляється електрична схема живлення автоматизованої системи
керування?
3. На
основі чого розробляється електрична схема живлення щита керування?

Рисунок 4.2 –
Електрична схема під’єднання датчиків та виконавчих механізмів до модулів
мікроконтролера ADAM-4000

Рисунок 4.3 –
Електрична схема під’єднання датчиків та виконавчих механізмів до
мікроконтролера Simatic S7-200

Рисунок 4.4 –
Принципова електрична схема сигналізації

Рисунок 4.5 –
Принципова електрична схема живлення щита керування

Рисунок 4.6 –
Принципова електрична схема зовнішніх з’єднань