Лабораторне
заняття № 3
Вивчення фотоелектрорушійної
сили
1. Мета роботи.
Вивчення
вентильного фотоефекту в р-п
переході.
2. Теоретичні відомості.
Фотоелектрорушійна
сила (фотоерс) являє собою різницю потенціалів, що виникає в р-n переході під дією опромінення
електромагнітними хвилями.
Так званий р-n перехід виникає в перехідній області
напівпровідника з різними типами провідності. На рис. 1. зліва від межі поділу
розміщено область напівпровідника р-
типу, а праворуч показано напівпровідник n-
типу.
Виникнення р-n переходу:

Різниця
концентрації однотипних вільних носіїв електричного заряду в n- і р-
областях напівпровідника призводить до дифузії дірок з р- області в n- область і
дифузії електронів у протилежному напрямку. Внаслідок цього на межі р- і n-
області виникає контактна різниця потенціалів: електрони, що вийшли з n- області, залишають в цій області
нескомпенсований позитивний заряд, а дірки, що вийшли з р- області неврівноважений негативний заряд. Дифузія змінює
концентрацію носіїв до тих пір, доки не встановиться динамічна рівновага: потік
носіїв внаслідок дифузії врівноважується потоком носіїв у зворотному напрямку
під дією різниці потенціалів, що виникла на межі р-n переходу.
При
опроміненні переходу в р- області
виникають додаткові електронно-діркові пари. Вільні електрони з цих пар
дифундують до р-n переходу і під дією
контактного поля переводяться в n-
область. Однак дірки подолати потенціальний бар’єр не в змозі і залишаються в р- області. Тому р- область заряджується
позитивно, а n- область негативно, і
в р-n переході виникає додаткова
різниця потенціалів, її називають фотоелектрорушійною
силою (фотоерс). Величина фотоерс
визначається природою напівпровідникових матеріалів, що створюють р-n перехід, і залежить від світлового
потоку.
Світловий
потік Ф від точкового джерела визначається виразом:
,
(1)
де j-
сила світла джерела, r- відстань від
джерела, σ- площа освітлюваної
поверхні.
Отже, залежність
величини фотоерс від світлового потоку можна вивчати,
визначаючи її як функцію від величини 1/r2
Явище
виникнення фотоерс закладено в основу дії вентильного
фотоелемента, в якому світлова енергія безпосередньо перетворюється в
електричну.
Основною
характеристикою вентильного фотоелемента є його світлова характеристика, тобто
залежність величини фотоструму або напруги на його затискачах від величини
світлового потоку в різних режимах роботи фотоелемента.
Вентильний
фотоефект є одним з видів внутрішнього фотоефекту. Варто відрізняти внутрішній
фотоефект від зовнішнього, який полягає у емітуванні
електронів з поверхні речовини під дією світла.
3. Контрольні запитання.
1. Як і чому
виникає внутрішня контактна різниця потенціалів?
2. Що являє
собою р-n перехід?
3. Що
називається фотоерс і як вона виникає?
4. Від чого
залежить величина фотоерс?
5. Що
закладено в основу конструкції вентильних фотоелементів?
6. Що
називається світловою характеристикою вентильного фотоелемента?
7. В якому
режимі знімається світлова характеристика в даній роботі?
8. Яким
методом визначається величина фотоерс в даній роботі?
9. Який графік
потрібно побудувати за результатами вимірювання в даній роботі?
4. Домашнє завдання.
Для виконання
роботи необхідно вивчити наступні питання: внутрішня контактна різниця
потенціалів для металів і напівпровідників; р-n
перехід в напівпровідниках; внутрішній фотоефект; виникнення електрорушійної
сили в р-n переході; вентильні
фотоелементи; напівпровідникові фотодіоди.
5. Лабораторне завдання.
В даній роботі
знімається світлова характеристика вентильного фотоелемента при роботі його в
режимі фотоерс.
В цьому режимі
опір навантаження, на яке працює фотоелемент, повинен бути нескінченно великим,
отже електричний струм у зовнішньому колі повинен бути відсутній. Для
здійснення такого режиму затискачі фотоелемента можуть бути незамкнутими.
Однак
безпосереднє вимірювання фотоерс шляхом вмикання
мілівольтметра привело б до виникнення струму в зовнішньому колі, тобто до
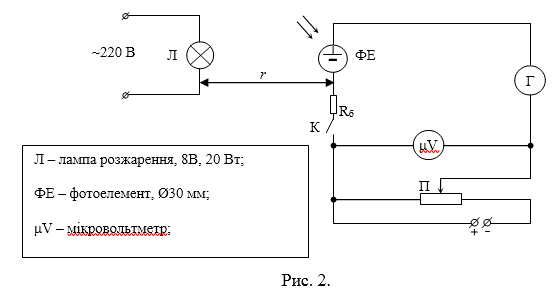
порушення режиму фотоерс. Тому для вимірювання фотоерс застосовується компенсаційна схема, зображена на
рис. 2. На оптичній лаві
розміщені джерело світла Л та фотоелемент ФЕ. За допомогою потенціометра П
підбирається напруга, рівна величині фотоерс і
протилежна їй за знаком. Напруга вимірюється мікровольтметром
μV. В даному випадку при замиканні ключа К
струму в колі не буде, в цьому можна переконатись за допомогою гальванометра G.
Баластний опір Rб
призначено для обмеження сили струму в колі фотоелемента.

Якщо
регулюванням напруги на потенціометрі П не можна звести до нуля покази
гальванометра G, то це означає, що не забезпечено зустрічного вмикання фотоерс і компенсаційної напруги.
6. Порядок виконання роботи.
1. Зібрати
схему відповідно рис. 2.
2. Розташувати
джерело світла Л на найбільшій відстані від ФЕ і виміряти цю відстань.
3. Замкнути
ключем К коло фотоелемента і, переміщуючи повзунок потенціометра П, встановити
стрілку гальванометра на нульову поділку.
4. Визначити
величину фотоерс в цьому випадку, вважаючи її рівною
показам мілівольтметра.
5. Такі ж
вимірювання здійснити для різних положень джерела світла відносно ФЕ.
6. Вирахувати
для всіх вимірювань величину 1/r2,
вважаючи, що світловий потік прямо пропорційний до неї.
7. Результати
вимірювань та обчислень занести до таблиці:
|
r, см |
|
|
|
|
|
|
|
|
|
|
Е, мВ |
|
|
|
|
|
|
|
|
|
|
1/r2, см-2 |
|
|
|
|
|
|
|
|
|
8. Побудувати
графік залежності E=f(1/r2).
9. У висновках
по роботі зазначити, який вигляд має світлова характеристика вентильного
фотоелемента в режимі фотоерс.
7. Прилади та обладнання.
Джерело світла,
фотоелемент, оптична лава, ключ, джерело електричної напруги, потенціометр,
баластний опір, мілівольтметр, гальванометр.