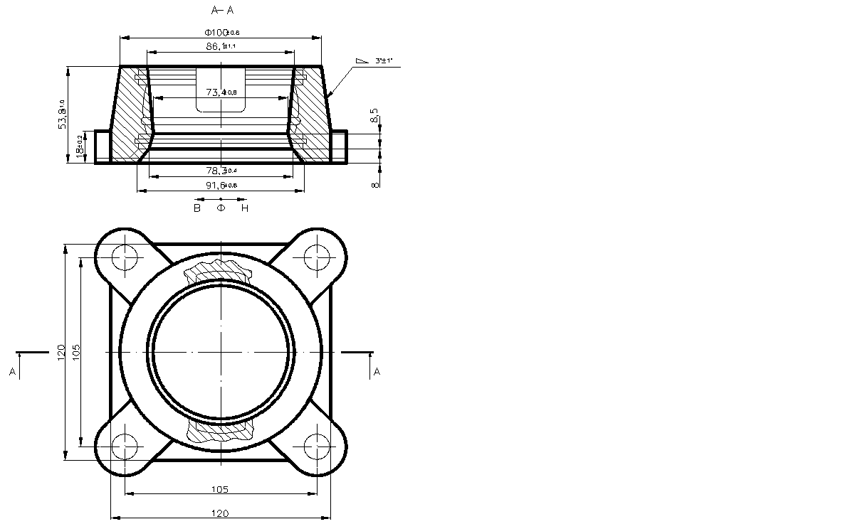
Рисунок 4 – Ескіз заготовки корпусу

 

 

 

 

 

 

 

 

 

 

 

 

 

 

 

 

Рисунок .2 – Ескіз заготовки корпусу