11. Вимірювання ФАЗОВОГО ЗСУВУ
Безпосередньо
фазовий зсув між напругою і струмом навантаження можна за допомогою
електродинамічних і феродинамічних фазометрів. В логометрах ЕД системи нерухома
котушка ввімкнена послідовно з навантаженням, а рухомі – паралельно до
навантаження так що струм в одній зних відстає від
напруги на кут
для чого послідовно
ввімкнене активно- індуктивне навантаження; а струм другої котушки випереджує
напругу на кут
, для чого до неї послідовно ввімкнено
активно-ємнісне навантаження. При чому
+
=90˚, і
. Кут відхилення приладу залежить від
.

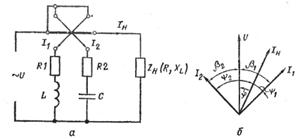
Схема
фазометра і векторна діаграма струмів і наруг.
В
цифрових фазометрах прямого перетворення для вимірювання фазового зсуву його
перетворюють в інтервал часу. Досліджуванні напруги подають на два входи
приладу, і на відліковому пристрої знімають показ числа імпульсів, за один
період досліджуваних напруг, що відповідає фазовому зсуву в градусах.
Фазовий зсув між двома періодичними напругами
можна виміряти за допомогою електронно-променевого осцилографа.
1)
Метод еліпса. На входи X і Y подають досліджувані сигнали U1 та U2.
Регулюють підсилення X і Y так, що повні відхилення по осях були
рівні: Xm = Ym. На екрані отримаємо зображення еліпса,
тоді фазовий зсув:
. Похибка 1..2%.
2) По фігурах ліссажу. (якщо відношення частот виражається
раціональним числом)

3)
методом лінійної розгортки за допомогою двопроменевого осцилографа. Для цього
на екрані встановлюють нерухомі осцилограми обох напруг. Якщо виміряти відрізки
ab і ac, що відповідають часу tф і Т, то значення фази:
.
Похибка
методу визначається неточністю вимірювання ab і ac.
