Лабораторне заняття №6
Тема: Прилади для вимірювання тиску.
Мета: Ознайомитися з основними
одиницями вимірювання тиску і з будовою
мікроманометра ММН-2400, "U"-подібного манометра та пневмометричної трубки.
Обладнання: Мікроманометр ММН-2400, "U"-подібнийо манометр.
Теоретичні відомості
Тиск – сила, що діє
на одиницю площі поверхні. Тиск у системі СІ вимірюється в Н/м2
або Па (1Н/м2=1Па). Може зустрітися
інша розмірність (в інших системах вимірювання): кгс/м2, мм
вод. ст., мм рт. ст. і інше (табл. 1).
Таблиця 1
Зв'язок одиниць тиску в системі СІ з іншими системами вимірювання
|
Одиниці тиску |
Па |
бар |
кгс/м2 |
кгс/см2 |
мм рт. ст. |
мм вод. ст. |
|
Па |
1 |
10-5 |
0,1 |
10-5 |
0,0075 |
0,1 |
|
бар |
105 |
1 |
104 |
1 |
750 |
10200 |
|
кгс/м2 |
10 |
10-4 |
1 |
10-4 |
0,0735 |
1 |
|
кгс/см2 |
105 |
1 |
104 |
1 |
735 |
104 |
|
мм рт. ст. |
133,3 |
1,33*10-3 |
13,6 |
1,36*10-3 |
1 |
13,6 |
|
мм вод. ст. |
10 |
10-4 |
1 |
10-4 |
0,0735 |
1 |
Повний тиск рухомого
потоку повітря Рп прийнято
розділяти на дві складові – динамічний
Рд й статичний Рст тиск. Таким чином,
. (1)
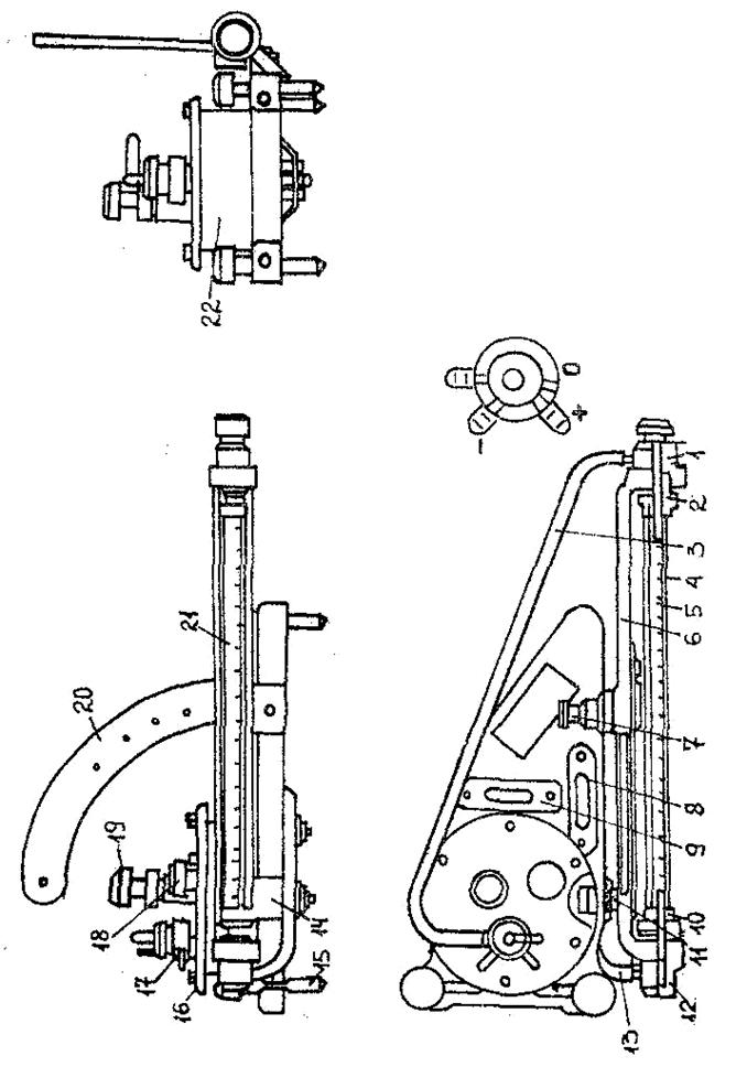
Мікроманометр багатомежовий з похилою трубкою ММН-2400
призначений для вимірювання надмірного
і вакууметричного тиску і різниці тиску в системах вентиляції і кондиціювання повітря.
Принцип дії мікроманометра заснований на компенсації тиску гідростатичним
стовпчиком рідини.
Будову мікроманометра
показано на рис. 1. На плиті 21 закріплено
резервуар 22, герметично закритий
кришкою 16. На ній розташовані:
триходовий кран 17; пробка 18, що
закриває отвір для залиття робочої рідини; і регулятор нульового положення меніска 19, що служить для установки меніска спирту у вимірювальній трубці проти нульової позначки шкали.
До стояка 14
плити 21 корпусною віссю закріпляють
кронштейн 6 з колодками 12 і 1, які з'єднані
скляною вимірювальною трубкою 5,
забезпеченою захисним кожухом 4. Кінці вимірювальної трубки 5 входять в отвори колодок 12 і 1 і ущільнені в них
гумовими кільцями і затискними штуцерами.
Ліва колодка з'єднана гумовою трубкою 13 з резервуаром
22, а права – з триходовим краном 17. Вимірювальну трубку 5 встановлюють так, що геометрична вісь обертання
кронштейна 6 проходить через нуль
шкали.
Для установки кронштейна з вимірювальною трубкою на необхідний кут нахилу до плити 21 прикріплена дуга 20 з п'ятьма отворами. Біля
кожного отвору дуги 20 написані числа від 0,2 до 0,8, що є коефіцієнтом к
мікроманометра. Чисельно вони
дорівнюють sin кута нахилу вимірювальної трубки 5 до горизонту:
(2)
Тиск визначається за наступною
формулою:
, (3)
де Р – будь-який тиск (повний, статичний, динамічний);
Н – показники мікроманометра в кгс/м2;
k –
коефіцієнт мікроманометра;
kтр
– коефіцієнт пневмометричної трубки (змінюється залежно від конструкції
трубки, визначається за документацією, або шляхом тарування).

Рис. 1.
Конструкція мікроманометра ММН-2400
Кронштейн 6 фіксують на дузі 20 в необхідному положенні за допомогою фіксатора 7, який закріплений у втулці
кронштейна.
Для установки мікроманометра
в горизонтальне положення (як при градуюванні, так і при вимірах)
на плиті розміщені два циліндричних рівні 9 і 8. Прилад приводять в горизонтальне положення
регулювальними ніжками-гвинтами 15.
Прилад заповнюють
спиртом через отвір у кришці з пробкою
18. Виливають спирт через зливний кран 24, закріплений
на відведенні 23.
Приєднують прилад
до місця виміру гумовими трубками, які надівають на штуцери
триходового крану 17.
Триходовий кран
має три штуцери, позначені знаками
"+", "-", і отвір, позначений цифрою "0". Цей
отвір призначений для зв’язку з
атмосферою при установці на 0 рівня спирту.
Канали в
триходовому крані розташовані таким чином, що при
повороті його пробки проти
годинникової стрілки до упору, резервуар і вимірювальну скляну трубку сполучають з атмосферою, а отвори до штуцерів "-" і "+"
перекривають, при цьому положенні триходового крана контролюють положення нуля рівня спирту.
При вимірюванні тиску або розрідження в системах вентиляції
з допомогою мікроманометра ММН-240 використовують трубку Піто-Прандтля (пневмометрична трубка) або трубку іншої
конструкції.
Конструкція пневмометричної трубки наведена на рис.
2. Вона складена із зовнішньої трубки
5, внутрішньої трубки 6, входу повного тиску
1, входу статичного тиску 2, виходів повного 4 і статичного 3 тисків.
Для виміру повного тиску
за допомогою мікроманометра ММН-240 і пневмометричної
трубки необхідно вихід 4 повного тиску
трубки приєднати до штуцера "+" манометра. Для виміру статичного тиску треба вихід статичного тиску
3 приєднати до штуцера "+".
Для виміру динамічного тиску вихід 3 слід приєднати до
"-", а вихід 4 – до штуцера
"+".
При вимірюванні тиску менше атмосферного (розрідження)
виходи статичного і повного тисків підключають до "-", а при вимірі
динамічного тиску – вихід повного тиску на "+", а статичного
на "-".

Рис. 2 - Конструкція пневмометричної
трубки
Для виміру тиску часто використовують
"U"-подібний манометр (рис. 3). Принцип дії цього приладу також
заснований на компенсації тиску гідростатичним стовпчиком рідини.
"U"-подібний манометр має точність меншу, ніж мікроманометр, але, за рахунок
простоти використання його більше
застосовують.

Рис. 3 - Конструкція "U"-подібного
манометра
Робочою рідиною "U"-подібного манометра є дистильована вода або ртуть. Вибір рідини
залежить, в основному, від того, який тиск
необхідно заміряти.
Рідину в манометр заливають до позначки
"0", після цього можна
приступати до вимірів. Для цього за
допомогою гумового шлангу пневмометричну
трубку приєднують до одного або обох штуцерів манометра, тобто,
для виміру повного тиску
вихід 4 або для виміру статичного тиску вихід 3 приєднують до будь-якого штуцера манометра, а для вимірювання динамічного тиску виходи 3 і 4 пневмометричної трубки
також приєднують до будь-яких штуцерів
манометра.
При вимірах
"U"-подібнім манометром тиск
визначають за формулою:
. (3)
У цій формулі коефіцієнт k=1, оскільки sin900=1.
Хід роботи
1.
Записати марку мікроманометра та його технічні
характеристики з паспорта приладу.
2.
Витягнути прилад та ознайомитись з його будовою.
3. Встановити мікроманометр
в горизонтальне положення (як при градуюванні, так і при вимірах)
за допомогою регулювальних ніжок-гвинтів 15 (рис. 1) та циліндричних рівнів 9 і
9, які розміщені розміщені на плиті приладу.
4. Заповнити
прилад спиртом через отвір у кришці з пробкою
18. Виливають спирт через зливний кран 24, закріплений
на відведенні 23.
5. Приєднати
прилад до місця виміру гумовими трубками, які надівають на штуцери
триходового крану 17. Триходовий кран має три штуцери,
позначені знаками "+", "-", і отвір, позначений цифрою
"0". Цей отвір призначений для зв’язку
з атмосферою при установці на 0 рівня спирту.
6. Провести вимірювання тиску вмкористовуючи залежність 2.
7. Сформулювати висновок.
1. Що являє собою тиск?
2. Які Вам відомі одиниці вимірювання тиску?
3. Які Вас відомі придади для вимірювання тиску?
4. Принцип роботи мікроманометра з похилою трубкою.
5. Принцип роботи U – подібного манометра.