ТЕМА №11. Вимірювання струму,
напруги, заряду та потужності
План
Загальні
відомості. Вимірювання постійних струму та напруги. Вимірювання змінних струму
та напруги. Вимірювання електричних зарядів. Вимірювання потужності змінного та
постійного струму
Вимірювання струму
Величину електричного
струму, що проходить через будь-яку ділянку електричного кола, вимірюють
амперметром, який вмикається послідовно зі споживачем електричної енергії, що є
на цій ділянці. Частину розгалуженого електричного кола з амперметрами,
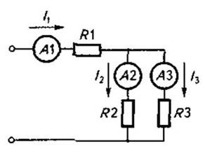
увімкнутими в окремі його ділянки для вимірювання струмів, зображено на рис. 1.
Амперметри А2 і A3 вимірюють струми, що проходять по кожній з двох паралельних
гілок, амперметр А1 вимірює загальний струм, споживаний від джерела живлення.
Якщо джерело живлення є джерелом постійного струму, то сума струмів,
вимірюваних амперметрами А2 і A3, має дорівнювати (у межах точності вимірів)
струмові, вимірюваному амперметром А1. Те ж саме має бути при живленні від
джерела змінного струму, якщо всі резистори (R1, R2 і R3), застосовані у
схемі, є активними. При наявності ж у схемі резисторів з реактивними чи
змішаними опорами, величина струму, вимірюваного амперметром А, може бути як
меншою за суму струмів, виміряних амперметрами А2 і A3, так, в окремих
випадках, і дорівнювати їй.

Рис. 1. Вимірювання струмів амперметрами
При
вимірюваннях струмів у колах постійного струму можуть використовуватись
магнітоелектричні, електродинамічні або теплові амперметри (міліамперметри).
Феродинамічні та електромагнітні амперметри можна використовувати лише у тому
разі, якщо на шкалах цих приладів позначено, що вони придатні для вимірювання
на постійному струмі.
Якщо ж
такого позначення немає, то при користуванні такими приладами можуть бути
більші похибки, ніж це передбачено класом точності приладів.
При
вимірюваннях струмів у колах змінного струму можуть використовуватись
електромагнітні, електродинамічні, феродинамічні, теплові, термоелектричні або
випрямні амперметри.
Магнітоелектричні
амперметри зовсім непридатні для вимірів на змінному струмі, а їх помилкове
вмикання в коло змінного струму може призвести лише до непорозуміння, бо
відсутність відхилення їхніх покажчиків від нульової позначки (навіть при
значних величинах змінного струму, що проходить через них) може спонукати
спостерігача до збільшення напруги (якщо спостерігач може це зробити), що
призведе до пошкодження елементів схеми, чутливих до значних напруг і струмів.
Якщо величини
струмів необхідно вимірювати у колах зі значними струмами, прямі вимірювання
яких неможливі наявними амперметрами, то у колах постійного струму необхідно
користуватися зовнішніми шунтами з приєднаними до них магнітоелектричними
мілівольтметрами. У колах змінного струму користуються вимірювальними
трансформаторами струму з електромагнітними, електродинамічними або
феродинамічними амперметрами, розрахованими на величину номінального струму
вторинних обмоток цих трансформаторів. Звичайно це 5 А, але може бути і 1 А.
Вимірювання
напруги
Вимірювання
напруги є чи не найбільш поширеним видом вимірювань. У більшості випадків для
вимірювань напруги змінного струму в промисловості користуються електромагнітними
вольтметрами, як такими, що мають просту конструкцію, надійні при
користуванні та найдешевші за вартістю серед вольтметрів інших систем
наближеного класу точності.
У випадках,
коли вимірювана напруга вища за 500...600 В, ці вольтметри використовують разом
з вимірювальними трансформаторами напруги, здатними перетворювати змінну
напругу номінальної для первинної обмотки трансформатора величини, у напругу
100 В, на яку розраховано вольтметри, призначені для роботи з цими
трансформаторами. В цих випадках шкали вольтметрів градуюють у значеннях
первинної (високої) напруги трансформатора. При цьому обов'язково повинен бути
напис на шкалі про коефіцієнт трансформації необхідного вимірювального
трансформатора напруги у вигляді дробу з номінальною первинною напругою його у
чисельнику і номінальною напругою вторинної обмотки - у знаменнику.
Для
вимірювань напруг змінного струму придатні й електродинамічні вольтметри, але в
основному їх використовують як переносні прилади для повірки інших вольтметрів.
Досить часто
для вимірювань напруг змінного струму користуються випрямними вольтметрами, що
являють собою вимірювальний механізм магнітоелектричної системи, зкомбінований
з напівпровідниковими випрямлячами та з додатковим опором, суміщеними в одному
корпусі. Для вимірювання напруг постійного струму найдоцільніше користуватись
магнітоелектричними вольтметрами, як такими, що потребують малої потужності
живлення і мають значний обертовий момент вимірювального механізму, що зумовлює
їх достатню надійність в експлуатації. На постійному струмі можна вимірювати
напругу також приладами електродинамічної, електростатичної, електромагнітної і
феродинамічної систем. У останніх двох випадках - якщо на їхніх шкалах є умовна
позначка постійного струму.
В
устаткуваннях, де є напруги змінного струму підвищеної чи високої частоти,
можна користуватись вольтметрами електростатичної чи випрямної системи.
Напругу, що
діє на будь-якій ділянці електричного кола, вимірюють вольтметрами, приєднаними
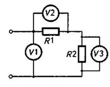
паралельно з контрольованими ділянками. На схемі рис. 2 показано, як треба
вмикати вольтметри для вимірювання напруг на різних ділянках електричного кола.
Величину напруги мережі, чи якого іншого постачальника електричної енергії,
вимірюють вольтметром V1, а величини напруг на опорах резисторів R1
і R2 — вольтметрами V2 і V3.
При
вимірюваннях у електричних колах зі значними величинами опорів необхідно
враховувати, що приєднання вольтметра до будь-якої ділянки кола може суттєво
змінити режим її роботи.

Рис. 2. Вимірювання напруг вольтметрами
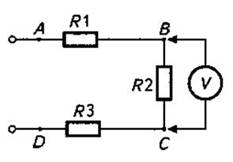
В умовах
виробництва, наприклад при пошуку пошкоджень у електричних колах, величини
напруг на різних ділянках кола вимірюють одним вольтметром, який почергово
приєднують до різних точок кола, як це показано на рис. 3. Щоб виміряти
величину напруги джерела, вольтметр за допомогою щупів приєднують до точок А
і D. Для вимірювання напруги на резисторі R1 — до точок А
і В, на R2 — до точок В і С, на R3 — до
точок С і D.

Рис. 3. Вимірювання одним вольтметром напруг
на різних ділянках електричного кола
Якщо опори R1,
R2 і R3 досить великі, а то й сумірні з власним опором
вольтметра, то може статись, що сума напруг, виміряних на резисторах R1,
R2 і R3, буде значно меншою, ніж напруга мережі. Пояснюється це
тим, що під час вимірювання напруги, коли вольтметр приєднано паралельно до
якогось з резисторів, дійсна величина опору між точками приєднання щупів буде
дещо меншою за величину опору відповідного резистора. При цьому буде меншим і
загальний опір кола, що може призвести до збільшення величини струму в колі та
величин падіння напруг на інших опорах, що є у колі (тих, на яких у даний
момент величина напруги не вимірюється). Таким чином, на контрольованій ділянці
величина напруги буде меншою за ту, що буде при відсутності вольтметра.
З цієї
причини, наприклад при пошуку несправності в електронних схемах, недоцільно
користуватися вольтметрами високих класів точності, що мають відносно невеликий
опір. Доцільніше користуватись вольтметрами класу точності всього 2,5...4,0,
але з великим власним опором. Саме такими бувають магнітоелектричні вольтметри,
що є основою багатограничних приладів — тестерів.
Вимірювання потужності
Ватметр (від ват
і ...метр ), прилад
для виміру потужності електричного струму у ватах. Найбільш поширені
електродинамічні ватметри, механізм яких ( рис . 4) складається з нерухомої котушки 1, включеною
послідовно з навантаженням Н (ланцюг струму), і рухливої котушки 2, включеною
через великий додатковий опір R паралельно навантаженню (ланцюг
напруги). Робота приладу такого типу заснована на взаємодії магнітних полів
рухливої і нерухомої котушок при проходженні по ним електричного струму.

При цьому момент, що обертає, викликає
відхилення рухливої частини приладу і сполученої з нею стрілки (покажчика), при
постійному струмі пропорційний добутку сили струму на напругу, а при змінному
струмі — також косинусу кута зрушення фаз між струмом і напругою. Застосовуються
також феродинамічні ватметри, рідше індукційні, термоелектричні і
електростатичні.
Активна потужність
Активна потужність
споживається активним опором, де відбувається перетворення електричної енергії
в енергію іншого виду (механічну, світлову, теплову…)
Рис. 4. Вимірювання потужності
![]()
U, I – діючі значення сили струму та напруги; cos φ коефіцієнт потужності.
Одиниці вимірювання
активної потужності:
![]()
Наприклад, якщо cos φ деякого пристрою дорівнює
0,4, то це означає. Що даний пристрій споживає з кола потужність IU, а
використовує лише 0.4 цієї потужності.
Реактивна потужність
Реактивна потужність
накопичується котушкою індуктивності при зростанні сили струму в колі у вигляді
магнітного поля.
![]()
![]()
Реактивна потужність
не споживається приймачем енергії і не бере участі у процесі перетворення
електричної енергії в енергію іншого виду. Ця потужність циркулює між джерелом
і приймачем енергії, навантажуючи при цьому проводи їхніх обмоток і ліній, що
з’єднують приймач енергії із джерелом, а також збільшує втрати енергії в них.
Повна потужність: ![]()
Питання для самоконтролю
1.
Характеристика приладів для вимірювання
постійного струму та напруги.
2.
Перелік та характеристика приладів для
вимірювання змінної напруги та струму.
3.
Характеристика приладу для вимірювання
потужності електричної енергії.
4.
Характеристика повної, реактивної та активної
потужності.
5.
Одиниці вимірювання струму, напруги та
потужності.