8.1. Характеристики
керування регульованих ЕК
Регульовані ЕК використовують в НА з розширеними функціями, які визначаються здатністю цих ЕК регулювати потужність в навантаженні
у функції кута керування. Для розрахунку цих ЕК треба знати не тільки напруги та струми в окремих силових
напівпровідникових приладах ЕК, але й
струм та напругу в навантаженні. Тому велике значення мають так звані характеристики керування, які графічно
зображають залежність від кута керування струмів СНП, струму навантаження, діючих та миттєвих значень напруг в
усталеному режимі.
Серед
однофазних безконтактних ЕК змінного струму найбільш поширені
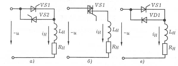
схеми ЕК, які наведені на рис. 8.1.

Рис. 8.1. Схеми однофазних безконтактних ЕК змінного струму
На
рис. 8.1, а наведена повністю керована однофазна симетрична схема ЕК «тиристор-тиристор». Для того щоб
один з тиристорів міг почати проводити струм, до нього має бути прикладена
пряма напруга, а на електрод керування поданий сигнал керування. Два тиристори,
які з’єднані зустрічно-паралельно, можуть бути заміщені одним симетричним
тиристором (симистором) (рис. 8.1, б).
На
рис. 8.1, в наведена однофазна
напівпровідникова схема ЕК «тиристор-діод». Вона має обмежене застосування
через те, що напруга на навантаженні має постійну складову, коли кут керування
тиристора відрізняється від нуля, а провідність переривчаста.
Розглянемо
роботу ЕК (рис. 8.1, а) із активним і
активно-індуктивним навантаженням. За активного навантаження струм
повністю за формою
повторює напругу на навантаженні
. У позитивний півперіод струм через навантаження
пропускається тиристором
, а у від’ємний півперіод – тиристором
. Завдяки симетричності керування середні
та діючі
значення струмів в
обох тиристорах однакові та дорівнюють відповідно:
, (8.1)
, (8.2)
де
– діюче значення
напруги мережі;
– кут керування.
Використовуючи
вирази (8.1), (8.2) можна побудувати залежності середнього та діючого значень
струмів тиристорів від кута керування
у відносних одиницях:
, (8.3)
(8.4)
де
та
відповідають куту
керування
.
Характеристики
подані на рис. 8.2.

Рис. 8.2. Залежність
та
за активного
навантаження
Коефіцієнт
форми струму тиристорів від кута
дорівнює:
. (8.5)
На
рис. 8.3 наведено залежність
.
Середнє
значення напруги на навантаженні
, а його діюче значення:
. (8.6)

Рис. 8.3. Залежність
за активного
навантаження
Або
у відносних одиницях:
. (8.7)
Залежність
(8.7) є регулювальною характеристикою
ключа (рис. 8.4).

Рис. 8.4. Залежність
за активного
навантаження
Втрати потужності в одному
тиристорі за умовою, що основне джерело нагріву – втрати в стані прямої
провідності:
(8.8)
де
– гранична напруга;
– диференційний опір.
Максимальні
значення зворотної та прямої напруги на тиристорі визначають
за виразом:
(8.9)
де
– коефіцієнт, що
враховує рівень перенапруг, які зумовлені комутаційними процесами та зовнішніми
перенапругами.
За
активно-індуктивного навантаження форма струмів в колі не повторює форму
напруги через дії ЕРС самоіндукції.
Тому струм через тиристор протікає протягом деякого часу після зміни знаку
напруги живлення.
Закон
зміни струму тиристора можна отримати, розв’язавши диференційне рівняння:
. (8.10)
Розв’язок
(8.10) за початкових умов
має вигляд:
, (8.11)
де

Кут
вимкнення тиристора
може бути визначений з
рівняння:
(8.12)
яке можна отримати
з (8.11) за умовою, що
,
(
– кут провідності тиристора).
Результати
розв’язку рівняння (8.12) подані на рис. 8.5.
Із
(8.11) випливає, що якщо
вільна складова струму
не виникає і струм визначається лише примусовою складовою. Цей кут керування
називається критичним
, оскільки кінець імпульсу струму через перший тиристор
співпадає з початком струму через другий. Якщо
струм
має переривчастий
характер, а якщо
– неперервний. Отже,
регулювання напруги та струму навантаження можливе тільки якщо ![]()
Діюче
значення струму через тиристор дорівнює:
, (8.13)
а
його середнє значення становить:
. (8.14)

Рис. 8.5. Залежність
за
активно-індуктивного навантаження
Діюче
значення напруги на навантаженні у відносних одиницях:
. (8.15)
Подальший
розрахунок аналогічний випадку, коли навантаження активне.
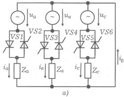
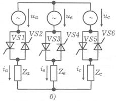
На
рис. 8.6 наведені найбільш поширені варіанти схем ввімкнення трифазних симетричних ЕК, які виконані за схемою
«тиристор-тиристор».



Рис. 8.6. Схеми трифазних симетричних ЕК за схемою з’єднань
«тиристор-тиристор»
Максимальні
значення прямої та зворотної напруги на тиристорах в схемі рис. 8.6, а
визначаються амплітудою фазної напруги
, а в схемах рис. 8.6, б, в – амплітудою лінійної
напруги
.
Очевидно,
що схеми ввімкнення з ізольованою
нейтраллю придатні для живлення навантажень, з’єднаних в зірку та
трикутник, а схеми з виведеною нейтраллю
– тільки для живлення навантажень, які з’єднані в зірку. Нейтраль схеми
навантажується вищими гармоніками, коли
. У схемі на рис. 8.6, а струм через тиристор у
кожній фазі не залежить від струму інших фаз, визначається величиною фазної
напруги та характеризується однаковим з однофазною схемою співвідношенням між
кутами
.
Із
збільшенням
зменшується тривалість
протікання струму через тиристор і за деяким значенням
імпульс струму в одній
фазі закінчується раніше, ніж відкриється тиристор в іншій фазі. Отже, можливі
інтервали часу, коли струм в навантаженні не протікає. Кут провідності
кожного з тиристорів
зменшується до величини, яка менша за
.
У
схемах із ізольованою нейтраллю процеси значно відрізняються від розглянутих
вище, оскільки робота всіх фаз взаємозв’язана і для протікання струму
навантаження необхідно одночасне відкриття тиристорів у двох або трьох фазах.