6.3.5. Розрахунок мережі на найменшу витрату
провідникового матеріалу
Одним з важливих завдань
розрахунку мережі на втрату напруги є встановлення раціонального і
найекономічнішого розподілу втрати напруги, що розміщується між окремими
ділянками розгалуженої мережі. Одним із методів, застосовуваним на практиці, є
метод розрахунку на найменшу витрату провідникового матеріалу.
У даному випадку розрахунок
мережі проводять за формулою
де s – переріз ділянки мережі, мм2;
– сума моментів
даного і всіх подальших (за напрямом струму) ділянок з тим самим числом
проводів у лінії, що і на даній ділянці, кВт·м;
– сума моментів
усіх відгалужень, живлених даною ділянкою з числом проводів лінії іншим, ніж ця
ділянка, кВт·м. Перед підсумовуванням усі моменти множать на коефіцієнт
зведення моментів
, залежний від числа дротів на ділянці і
відгалуженні (табл. 6.7);
– розрахункові
втрати напруги, %, що допускаються від початку даної ділянки до кінця мережі.
Формула послідовно
застосовується до всіх ділянок мережі, починаючи від ділянки, найближчої до
джерела живлення. За вибраним перерізом даної ділянки визначають втрати напруги
у ньому. Подальші ділянки розраховують за різницею між розрахунковою втратою
напруги і втратами до початку даної ділянки. Перерізи проводів, одержані при
розрахунку за втратою напруги, округляють до стандартних значень.
Таблиця 6.7 – Значення коефіцієнта зведення моментів ![]()
|
Лінія |
Відгалуження |
Значення коефіцієнта
|
|
Трифазна з
нулем |
Однофазне Двофазне з нулем |
1,85 1,39 |
|
Двофазна з
нулем |
Однофазне |
1,33 |
|
Трифазна |
Двофазне |
1,15 |
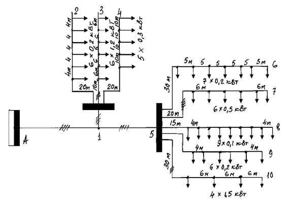
Приклад 6.6. Зробити розрахунок на найменшу витрату провідникового матеріалу мережі,
зображеної на рис. 6.6. Напруга мережі 380/220 В, розрахункові втрати
напруги 5%. Мережа виконана кабелями й проводами з алюмінієвими жилами.

Рисунок 6.6 – До прикладу 6.6
Розв’язання
Визначимо моменти всіх
ділянок мережі.
Моменти чотирипровідних
ділянок:
МА-1 = 22,4
40 = 896 кВт·м,
М1-5 = 12,5
40 = 500 кВт·м,
М5-7 = 3 (20 +
) = 105 кВт·м.
Моменти трипровідних ділянок:
m1-3 = 7,2 ( 10 +
) = 180 кВт·м,
m5-10 = 6( 30 +
) = 234 кВт·м.
Моменти двопровідних ліній:
m1-2 = 1,2 ( 20 +
) = 36 кВт·м,
m1-4 = 1,5 (20 +
) = 60 кВт·м,
m5-6 = 1,4 ( 30 +
) = 63 кВт·м,
m5-8 = 0,9 ( 15 +
) = 28 кВт·м,
m5-9 = 1,2 ( 20 +
) = 36 кВт·м.
Значення коефіцієнтів
зведення моментів
дорівнюють:
1,39 – для m1-3; m5-10;
1,85 – для усіх інших m.
Визначаємо переріз головної
ділянки за формулою
SА-1 =
,
SА-1 =![]()
= 11,25.
Беремо стандартний переріз 16
мм2.
Дійсні втрати напруги на
ділянці А-1 дорівнюють
UА-1 =
= 1,27 %.
Втрати напруги на наступних
ділянках
U1-2 =
U1-3 =
U1-4 =
U1-6 =
U1-7 =
U1-8 =
U1-9 =
U1-10 = 5 – 1,27 = 3,73 %.
Знаходимо перерізи ділянок
відгалужень від точки 1:
S1-2 =
= 1,3, беремо
стандартний переріз 2,5 мм2,
S1-3 =
= 2,47, беремо
переріз 2,5 мм²,
S1-4 =
= 2,1, беремо
переріз 2,5 мм².
Розрахуємо переріз ділянки
1-5:
S1-5 =
= =
= 7,05.
Беремо
переріз ділянки 1-5 таким що дорівнює 10 мм2, при цьому дійсні
втрати напруги на даній ділянці становитимуть:
U1-5 =
= 1,14 %.
Втрати
напруги на ділянках від точки 5 будуть дорівнювати:
U5-6 =
U5-7 =
U5-8 =
U5-9 =
U5-10 = 3,73 – 1,14 = 2,59 %.
Знаходимо перерізи групових
ліній від щитка точки 5:
S5-6 =
= 3,28, беремо
4 мм² ,
S5-7 =
= 0,92, беремо
2,5 мм²,
S5-8 =
= 1,46, беремо
2,5 мм²,
S5-9 =
= 1,87, беремо 2,5 мм²,
S5-10 =
= 4,63,
беремо 6 мм².